Power Loss Analysis for Wind Power Grid Integration Based on Weibull Distribution
Abstract
:1. Introduction
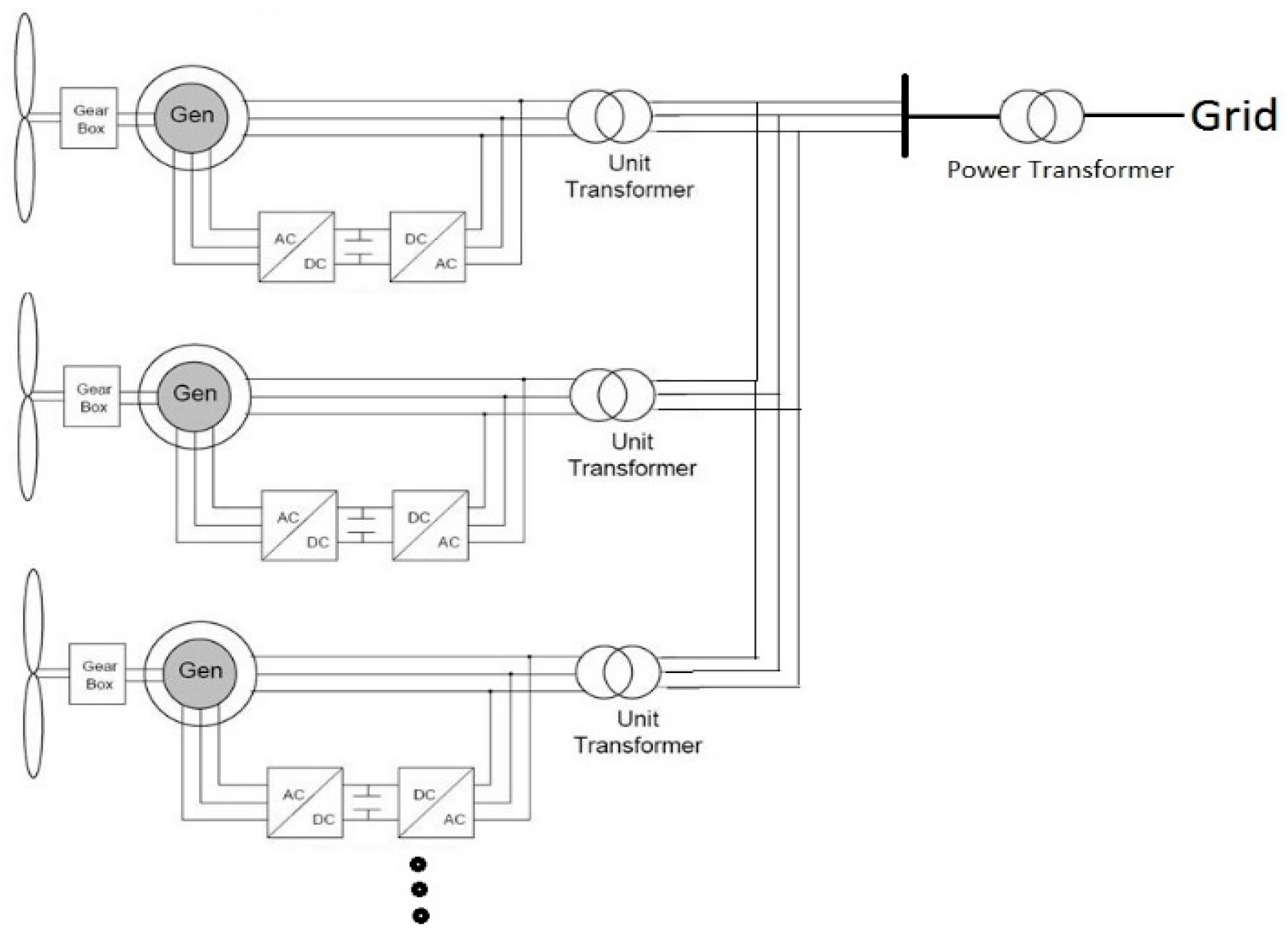
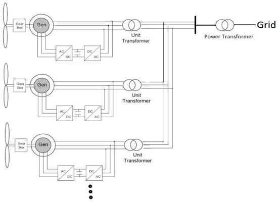
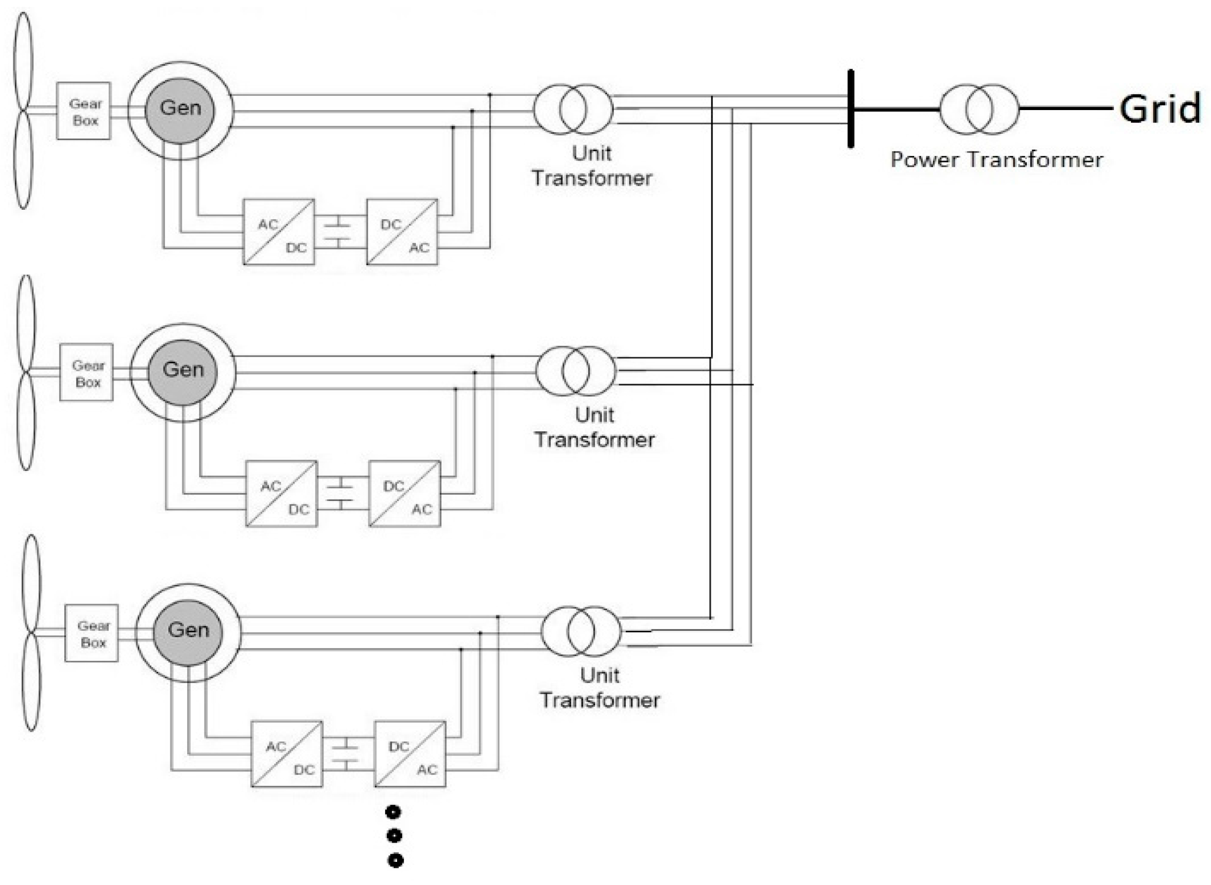
2. Wind Farm Model
3. Analytical Approach
3.1. DC Power Flow
- : is the voltage magnitude at bus k.
- : is the voltage magnitude at bus m.
- is the vector of power flow which has dimension (M × 1).
- D is the vector (M × 1) or diagonal matrix (M × M) elements, which is formed by placing the negative susceptance (−).
- is the vector of the voltage angles of buses (N − 1 × 1).
- At is the incidence matrix (M × N − 1) between the node (voltage angle) and the arc (voltage angles differences).
3.2. Graph Theory and Incidence Matrix
3.3. Power Loss of the Wind Farm Integration Grid
4. Size and Placement Selection of Wind Fram
5. Results
5.1. Analytical Model Results
5.2. Simulink Simulation Results
6. Summary
Acknowledgments
Author Contributions
Conflicts of Interest
References
- Masters, G.M. Renewable and Efficient Electric Power Systems; John Wiley & Sons, Inc.: Hoboken, NJ, USA, 2004. [Google Scholar]
- Ackermann, T. Wind Power in Power Systems; John Wiley & Sons, Ltd.: Chichester, UK, 2005. [Google Scholar]
- Colmenar-Santos, A.; Campíñez-Romero, S.; Enríquez-Garcia, L.A.; Pérez-Molina, C. Simplified Analysis of the Electric Power Losses for On-Shore Wind Farms Considering Weibull Distribution Parameters. Energies 2014, 7, 6856–6883. [Google Scholar] [CrossRef]
- Gong, Q.; Lei, J.; Ye, J. Optimal Siting and Sizing of Distributed Generators in Distribution Systems Considering Cost of Operation Risk. Energies 2016, 9, 61. [Google Scholar] [CrossRef]
- Phonrattanasak, P. Optimal Placement of Wind Farm on the Power System Using Multiobjective Bees Algorithm. In Proceedings of the World Congress on Engineering (WCE 2011), London, UK, 6–8 July 2011. [Google Scholar]
- Li, R.; Ma, H.; Wang, F.; Wang, Y.; Liu, Y.; Li, Z. Game Optimization Theory and Application in Distribution System Expansion Planning, Including Distributed Generation. Energies 2013, 6, 1101–1124. [Google Scholar] [CrossRef]
- Warid, W.; Hizam, H.; Mariun, N.; Abdul-Wahab, N.I. Optimal Power Flow Using the Jaya Algorithm. Energies 2016, 9, 678. [Google Scholar] [CrossRef]
- Liu, H.; Tian, H.; Chen, C.; Li, Y. A hybrid statistical method to predict wind speed and wind power. Renew. Energy 2010, 35, 1857–1861. [Google Scholar] [CrossRef]
- Ghosh, S.; Ghoshal, S.; Ghosh, S. Optimal sizing and placement of distributed generation in a network system. Int. J. Electr. Power Energy Syst. 2010, 32, 849–856. [Google Scholar] [CrossRef]
- Atwa, Y.; Saadany, E. Probabilistic approach for optimal allocation of wind-based distributed generation in distribution systems. IET Renew. Power Gener. 2011, 5, 79–88. [Google Scholar] [CrossRef]
- Ekren, O.; Ekren, B. Size optimization of a pv/wind hybrid energy conversion system with battery storage using simulated annealing. J. Appl. Energy 2010, 87, 592–598. [Google Scholar] [CrossRef]
- Feijoo, A.; Cidras, J.; Dornelas, J. Wind speed simulation in wind farms for steady state security assessment of electrical power systems. IEEE Trans. Energy Convers. 1999, 14, 1582–1588. [Google Scholar] [CrossRef]
- Shahzad, M.; Ahmad, I.; Gawlik, W.; Palensky, P. Load Concentration Factor Based Analytical Method for Optimal Placement of Multiple Distribution Generators for Loss Minimization and Voltage Profile Improvement. Energies 2016, 9, 287. [Google Scholar] [CrossRef]
- Lahaçania, N.A.; Aouzellaga, D.; Mendilb, B. Static compensator for maintaining voltage stability of wind farm integration to a distribution network. Renew. Energy 2010, 35, 2476–2482. [Google Scholar] [CrossRef]
- Lahaçania, N.; Aouzellaga, D.; Mendilb, B. Contribution to the improvement of voltage profile in electrical network with wind generator using SVC device. Renew. Energy 2010, 35, 243–248. [Google Scholar] [CrossRef]
- Eriksen, P.; Ackermann, T.; Abildgaard, H.; Smith, P.; Winter, W.; Garcia, J.R. System operation with high wind penetration. IEEE Power Energy Mag. 2005, 3, 65–74. [Google Scholar] [CrossRef]
- Pinto, R.T.; Rodrigues, S.F.; Wiggelinkhuizen, E.; Scherrer, R.; Bauer, P.; Pierik, J. Operation and Power Flow Control of Multi-Terminal DC Networksfor Grid Integration of Offshore Wind Farms Using Genetic Algorithms. Energies 2013, 6, 1–26. [Google Scholar] [CrossRef]
- Erlich, I.; Winter, W.; Dittrich, A. Advanced Grid Requirements for the Integration of Wind Turbines into the German Transmission System. In Proceedings of the IEEE Power Engineering Society General Meeting, Montreal, QC, Canada, 18–22 June 2006. [Google Scholar]
- Morales, A.; Robe, X.; Sala, M.; Prats, P.; Aguerri, C.; Torres, E. Advanced grid requirements for the integration of wind farms into the Spanish transmission system. IET Renew. Power Gener. 2008, 2, 47–59. [Google Scholar] [CrossRef]
- Soroudi, A.; Amraee, T. Decision making under uncertainty in energy systems: State of the art. Renew. Sustain. Energy Rev. 2013, 28, 376–384. [Google Scholar] [CrossRef]
- Inoue, A.; Takahashi, R.; Murata, T.; Tamura, J.; Kimura, M.; Futami, M.-O.; Ide, K. A Calculation Method of the Total Efficiency of Wind Generators. Electr. Eng. Jpn. 2006, 157, 946–954. [Google Scholar] [CrossRef]
- Lannoye, E.; Flynn, D.; O’Malley, M. Evaluation of Power System Flexibility. IEEE Trans. Power Syst. 2012, 27, 922–931. [Google Scholar] [CrossRef]
- Al Ameri, A.; Nichita, C.; Dakyo, B. Fast Estimation Method for Selection of Optimal Distributed Generation Size Using Kalman Filter and Graph Theory. In Proceedings of the 17th International Conference on modelling and simulation (UKSIM2015), Cambridge, UK, 25–27 March 2015. [Google Scholar]
- Purchala, K. Modeling and Analysis of Techno-Economic Interactions in Meshed High Voltage Grids Exhibiting Congestion. Ph.D. Thesis, University of Leuven, Leuven, Belgium, December 2005. [Google Scholar]
- Foulds, L.R. Graph Theory Application; Springer Science and Business Media: New York, NY, USA, 1992; p. 32. [Google Scholar]
- Rasouli, V.; Allahkaram, S.; Tavakoli, M.R. Application of Adaptability Coefficient in Power Production Evaluation of a Wind Farm. In Proceedings of the Modern Electric Power Systems (MEPS’15), Wrocław, Poland, 6–9 July 2015. [Google Scholar]
- Al Ameri, A.; Nichita, C.; Dakyo, B. Load Flow Calculation for Electrical Power System Based On Run Length Encoding Algorithm. In Proceedings of the International Conference on Renewable Energies and Power Quality (ICREPQ), Córdoba, Spain, 7–10 April 2014. [Google Scholar]















| Unit | Total (MW) |
|---|---|
| Total Generation (PG1, PG2) | 148.05 |
| Total Demand (PD3, PD4, PD5) | 145 |
| Total real power loss | 3.05 |
| Wind Speed (m/s) | Hours Per Year | Power Output of Wind Farm (MW) | Total Real Losses (MW) |
|---|---|---|---|
| <3 or >25 | 827 | 0 | 3.05 |
| 3 | 729 | 0.9117 | 3.049 |
| 4 | 869 | 2.161 | 3.00 |
| 5 | 941 | 4.220 | 2.89 |
| 6 | 946 | 7.293 | 2.77 |
| 7 | 896 | 11.582 | 2.58 |
| 8 | 805 | 17.288 | 2.37 |
| 9 | 690 | 24.616 | 2.12 |
| 10 | 565 | 33.767 | 1.87 |
| ≥11 | 1489 | 44.944 | 1.66 |
| Annual average real power losses | 2.53 | ||
© 2017 by the authors. Licensee MDPI, Basel, Switzerland. This article is an open access article distributed under the terms and conditions of the Creative Commons Attribution (CC BY) license (http://creativecommons.org/licenses/by/4.0/).
Share and Cite
Al Ameri, A.; Ounissa, A.; Nichita, C.; Djamal, A. Power Loss Analysis for Wind Power Grid Integration Based on Weibull Distribution. Energies 2017, 10, 463. https://doi.org/10.3390/en10040463
Al Ameri A, Ounissa A, Nichita C, Djamal A. Power Loss Analysis for Wind Power Grid Integration Based on Weibull Distribution. Energies. 2017; 10(4):463. https://doi.org/10.3390/en10040463
Chicago/Turabian StyleAl Ameri, Ahmed, Aouchenni Ounissa, Cristian Nichita, and Aouzellag Djamal. 2017. "Power Loss Analysis for Wind Power Grid Integration Based on Weibull Distribution" Energies 10, no. 4: 463. https://doi.org/10.3390/en10040463
APA StyleAl Ameri, A., Ounissa, A., Nichita, C., & Djamal, A. (2017). Power Loss Analysis for Wind Power Grid Integration Based on Weibull Distribution. Energies, 10(4), 463. https://doi.org/10.3390/en10040463
