A High-Efficiency Isolated-Type Three-Port Bidirectional DC/DC Converter for Photovoltaic Systems
Abstract
:1. Introduction
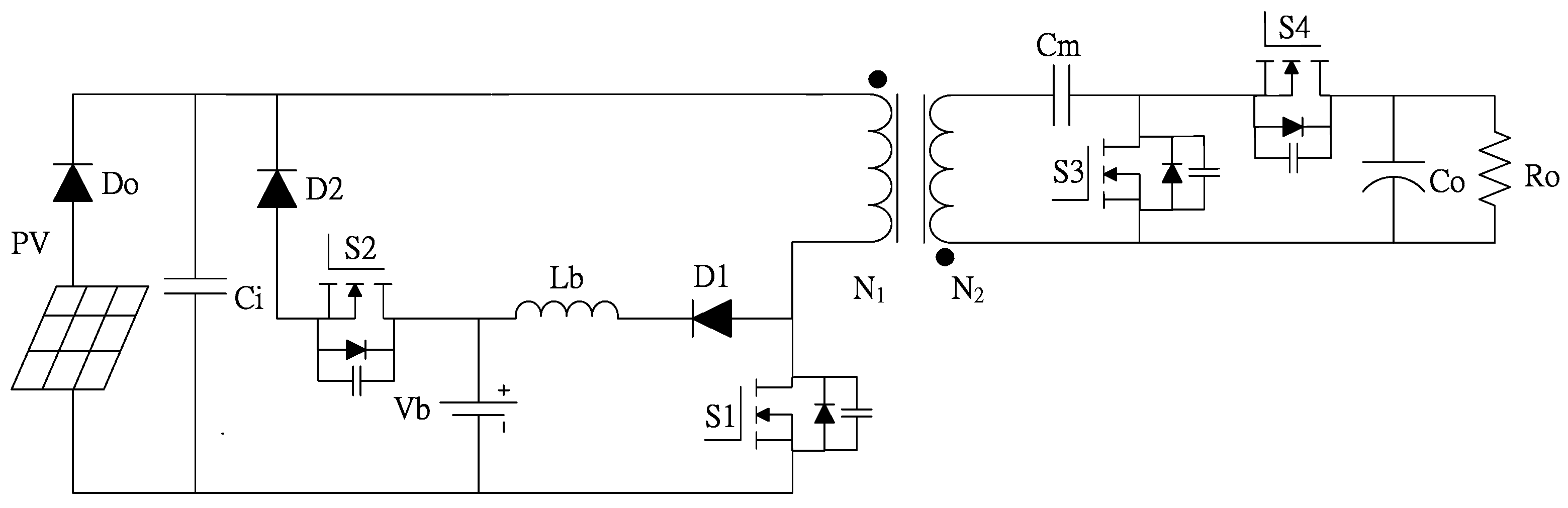
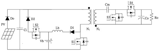
2. Operating Principles of the Main Circuit
- (1)
- Capacitors Ci and Co have very high capacitance and can be considered as current sources.
- (2)
- Switches S1, S2, S3, and S4 and diodes D1 and D2 are considered as ideal components.
- (3)
- The magnetizing inductances of the transformer are larger than the leakage inductances of the transformer.
2.1. Stage 1: Stepping up the PV Output for Providing Energy to The DC Bus and Charging the Battery
2.2. Stage 2: Stepping up the Battery Output
2.3. Stage 3: Stepping Down the Output of the DC Bus
3. Steady-State Analysis
- (1)
- Capacitors Ci and Co have very high capacitance and can be considered as current sources;
- (2)
- Switches S1, S2, S3, and S4 and diodes D1 and D2 are considered as ideal components;
- (3)
- The leakage inductances of the transformer are smaller than the magnetizing inductances, and therefore, they can be neglected;
- (4)
- The system operates in the continuous conduction mode.
3.1. Voltage Conversion Ratio
3.2. Voltage Stress of Components
4. Experimental Results and Analysis
5. Conclusions
Author Contributions
Conflicts of Interest
Nomenclature
| Lm | Magnetization inductor |
| Co | Output Capacitor |
| N1 | Primary Turns |
| LLk1 | Primary Leakage |
| Vo | Output Voltage |
| V2 | Second Voltage |
| VLk1 | Primary Leakage Voltage |
| Ts | Switch period |
| GVo | Step-up voltage conversion ratio |
| io | Output Current |
| iLb | Charge Current |
| iS1 | Switch S1 Current |
| iS4 | Switch S4 Current |
| VS2 | Switch S2 Voltage Stress |
| VD1 | Diode D1 Voltage Stress |
| Lb | Charger inductor |
| Cm | Double Voltage Capacitor |
| N2 | Second Turns |
| LLk2 | Second Leakage |
| Vb | Battery Voltage |
| VCi | Input Capacitor Voltage |
| VLk2 | Second Leakage Voltage |
| Ton | Switch turn-on time |
| GVb | Step-down voltage conversion ratio |
| iLm | Magnetization inductor Current |
| ipri | Primary Current |
| iS2 | Switch S2 Current |
| iLb(max) | Charger Maximum Current |
| VS3 | Switch S3 Voltage Stress |
| VD2 | Diode D2 Voltage Stress |
| Ci | Input Capacitor |
| Do | PV Blocking Diode |
| N | Turns ratio |
| Vi | PV input Voltage |
| V1 | Primary Voltage |
| VCm | Double Voltage Capacitor Voltage |
| D | Switch Duty Cycle |
| Toff | Switch turn-off time |
| iin | PV Input Current |
| ib | Battery Charge Current |
| isec | Second Current |
| iS3 | Switch S3 Current |
| VS1 | Switch S1 Voltage Stress |
| VS4 | Switch S4 Voltage Stress |
References
- Response to the Framework Convention on Climate Change News in Taiwan. Available online: http://www.tri.org.tw/unfccc/ (accessed on 12 March 2015). (In Chinese).
- Ministry of Economic Affairs Bureau of Energy 2014 Energy and Industrial Technology White Paper. Available online: http://www.moeaboe.gov.tw/ECW/populace/content/SubMenu.aspx?menu_id=3282 (accessed on 12 March 2015).
- Ismail, E.H.; Al-Saffar, M.A.; Sabzali, A.J. High Conversion Ratio DC-DC Converters with Reduced Switch Stress. IEEE Trans. Circ. Syst. I 2008, 55, 2139–2151. [Google Scholar] [CrossRef]
- Li, W.; Lv, X.; Li, W.; Lv, X.; Deng, Y.; Liu, J.; He, X. A Review of Non-Isolated High Step-Up DC/DC Converter in Renewable Energy Applications. In Proceedings of the Twenty-Fourth Annual IEEE Applied Power Electronics Conference and Exposition (APEC 2009), Washington, DC, USA, 15–19 February 2009; pp. 364–369. [Google Scholar]
- Zhao, Q.; Lee, F.C. High Performance Coupled-Inductor DC-DC Converters. In Proceedings of the Eighteenth Annual IEEE Applied Power Electronics Conference and Exposition (APEC ‘03), Miami, FL, USA, 9–13 February 2003; Volume 1, pp. 109–113. [Google Scholar]
- Huber, L.; Jovanovic, M.M. A design approach for server power supplies for networking applications. In Proceedings of the Fifteenth Annual IEEE Applied Power Electronics Conference and Exposition (APEC 2000), Los Angeles, CA, USA, 21–25 February 2000; pp. 1163–1169. [Google Scholar]
- Feng, X.G.; Liu, J.J.; Lee, F.C. Impedance specifications for stable DC distributed power systems. IEEE Trans. Power Electron. 2002, 17, 157–162. [Google Scholar] [CrossRef]
- Wu, T.F.; Yu, T.H. Unified approach to developing single-stage power converters. IEEE Trans. Aerosp. Electron. Syst. 1998, 34, 211–223. [Google Scholar]
- Luo, F.L.; Ye, H. Positive output super-Lift converters. IEEE Trans. Power Electron. 2003, 18, 105–113. [Google Scholar]
- Zhao, Q.; Tao, F.; Lee, F.C. A Front-end DC/DC Converter for Network Server Applications. In Proceedings of the 2001 IEEE 32nd Annual Power Electronics Specialists Conference (PESC), Vancouver, BC, Canada, 17–21 June 2001; Volume 3, pp. 1535–1539. [Google Scholar]
- Wai, R.J.; Duan, R.Y. High step-up converter with coupled-inductor. IEEE Trans. Power Electron. 2005, 20, 1025–1035. [Google Scholar] [CrossRef]
- Chen, F.; Amirahmadi, A.; Batarseh, I. Zero voltage switching Forward-Flyback Converter with efficient active LC snubber circuit. In Proceedings of the 2014 IEEE Applied Power Electronics Conference and Exposition (APEC), Fort Worth, TX, USA, 16–20 March 2014; pp. 2041–2047. [Google Scholar]
- Jianhua, W.; Fanghua, Z.; Chunying, G.; Ran, C. Modeling and analysis of a buck/boost bidirectional converter with developed PWM switch model. In Proceedings of the 8th International Conference on Power Electronics (ECCE Asia), Shilla Jeju, Korea, 30 May–3 June 2011. [Google Scholar]
- Mohammadi, M.R.; Farzanehfard, H. A new bidirectional ZVS-PWM Cuk converter with active clamp. In Proceedings of the 2011 19th Iranian Conference on Electrical Engineering, Tehran, Iran, 17–19 May 2011; pp. 1–6. [Google Scholar]
- Dimna Denny, C.; Shahin, M. Analysis of bidirectional SEPIC/Zeta converter with coupled inductor. In Proceedings of the 2015 International Conference on Advancements in Power and Energy (TAP Energy), Kollam, India, 24–26 June 2015; pp. 103–108. [Google Scholar]
- Song, Y.; Enjeti, P.N. A new soft switching technique for bi-directional power flow, full-bridge DC-DC converter. In Proceedings of the 2002 37th IAS Annual Meeting Industry Applications Conference, Harrisburg, PA, USA, 13–18 October 2002; Volume 4, pp. 2314–2319. [Google Scholar]
- Ma, Z.; Hu, R. Zero-voltage-switching Condition of isolated-type Symmetrical Half-bridge Bidirectional DC/DC Converter. In Proceedings of the Electrical and Control Engineering (ICECE), Yichang, China, 16–18 September 2011; pp. 2347–2350. [Google Scholar]
- Chen, Y.-T.; Wei, S.-Y. A multiple-winding bidirectional flyback converter used in the solar system. In Proceedings of the Next-Generation Electronics (ISNE), Kaohsiung, Taiwan, 25–26 February 2013; pp. 130–133. [Google Scholar]
- Saranya, P.S.; Lekshmi, R. Chandran Analysis of bidirectional flyback converter. In Proceedings of the Computation of Power, Energy Information and Communication (ICCPEIC), Chennai, India, 22–23 April 2015; pp. 425–429. [Google Scholar]
- Wu, H.; Sun, K.; Chen, L.; Zhu, L.; Xing, Y. High Step-Up/Step-Down Soft-Switching Bidirectional DC–DC Converter With Coupled-Inductor and Voltage Matching Control for Energy Storage Systems. IEEE Trans. Ind. Electron. 2016, 63, 2892–2903. [Google Scholar] [CrossRef]
- Liang, T.-J.; Lee, J.-H. Novel High-Conversion-Ratio High-Efficiency Isolated Bidirectional DC–DC Converter. IEEE Trans. Ind. Electron. 2015, 62, 4492–4503. [Google Scholar] [CrossRef]
- Wai, R.-J.; Liaw, J.-J. High-Efficiency-Isolated Single-Input Multiple-Output Bidirectional Converter. IEEE Trans. Ind. Electron. 2015, 30, 4914–4930. [Google Scholar] [CrossRef]
- Nathan, M.S.; Rajasekaran, R.; Rani, P.U. Rules based functional control of bidirectional DC-DC converter for stand-alone PV with hybrid energy storage system. In Proceedings of the Innovations in Information, Embedded and Communication Systems (ICIIECS), Coimbatore, India, 19–20 March 2015; pp. 1–6. [Google Scholar]
- Krishnaswami, H.; Mohan, N. Three-port series-resonant DC-DC converter to interface renewable energy sources with bidirectional load and energy storage ports. IEEE Trans. Power Electron. 2009, 24, 2289–2297. [Google Scholar] [CrossRef]
- Wang, Z.; Li, H. An integrated three-port bidirectional DC-DC converter for PV application on a DC distribution system. IEEE Trans. Power Electron. 2013, 28, 4612–4624. [Google Scholar] [CrossRef]
- Wu, H.; Sun, K.; Chen, R.; Hu, H.; Xing, Y. Full-bridge three-port converters with wide input voltage range for renewable power systems. IEEE Trans. Power Electron. 2012, 27, 3965–3974. [Google Scholar] [CrossRef]
- Zeng, J.; Qiao, W.; Qu, L. An Isolated Three-Port Bidirectional DC-DC Converter for Photovoltaic Systems with Energy Storage. IEEE Trans. Ind. Appl. 2015, 51, 3493–3503. [Google Scholar] [CrossRef]
- Li, W.; Xu, C.; Luo, H.; Hu, Y.; He, X.; Xia, C. Decoupling-Controlled Triport Composited DC/DC Converter for Multiple Energy Interface. IEEE Trans. Ind. Electron. 2015, 62, 4504–4513. [Google Scholar] [CrossRef]
- Hu, Y.; Xiao, W.; Cao, W.; Ji, B.; Morrow, D.J. Three-Port DC–DC Converter for Stand-Alone Photovoltaic Systems. IEEE Trans. Ind. Electron. 2015, 30, 3068–3076. [Google Scholar] [CrossRef]
- Tao, H.; Kotsopoulos, A.; Duarte, J.L.; Hendrix, M.A.M. Family of multiport bidirectional DC-DC converters. IEE Proc. Electr. Power Appl. 2006, 153, 451–458. [Google Scholar] [CrossRef]
- Li, W.; Xiao, J.; Zhao, Y.; He, X. PWM plus phase angle shift (PPAS) control scheme for combined multiport DC/DC converters. IEEE Trans. Power Electron. 2012, 27, 1479–1489. [Google Scholar] [CrossRef]
- Kim, S.Y.; Song, H.-S.; Nam, K. Idling port isolation control of three-port bidirectional converter for Evs. IEEE Trans. Power Electron. 2012, 27, 2495–2506. [Google Scholar] [CrossRef]
- Phattanasak, M.; Gavagsaz-Ghoachani, R.; Martin, J.-P.; Nahid-Mobarakeh, B.; Pierfederici, S.; Davat, B. Control of a hybrid energy source comprising a fuel cell and two storage devices using isolated three-port bidirectional DC-DC converters. IEEE Trans. Ind. Appl. 2015, 51, 491–497. [Google Scholar] [CrossRef]
- Chien, L.-J.; Chen, C.-C.; Chen, J.-F.; Hsieh, Y.-P. Novel three-port converter with high-voltage gain. IEEE Trans. Power Electron. 2014, 29, 4693–4703. [Google Scholar] [CrossRef]























| Mode | Comments | Mode | Comments |
|---|---|---|---|
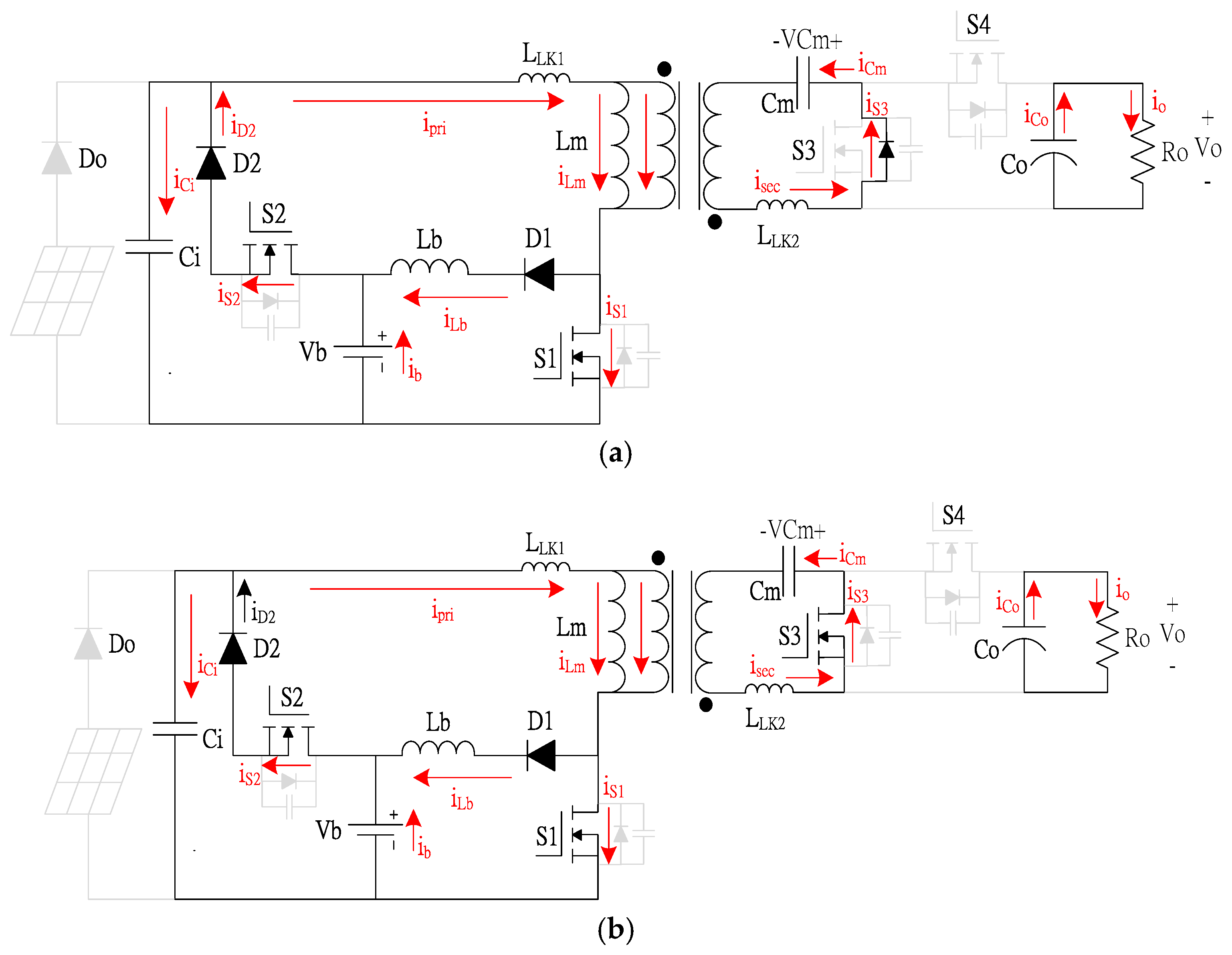
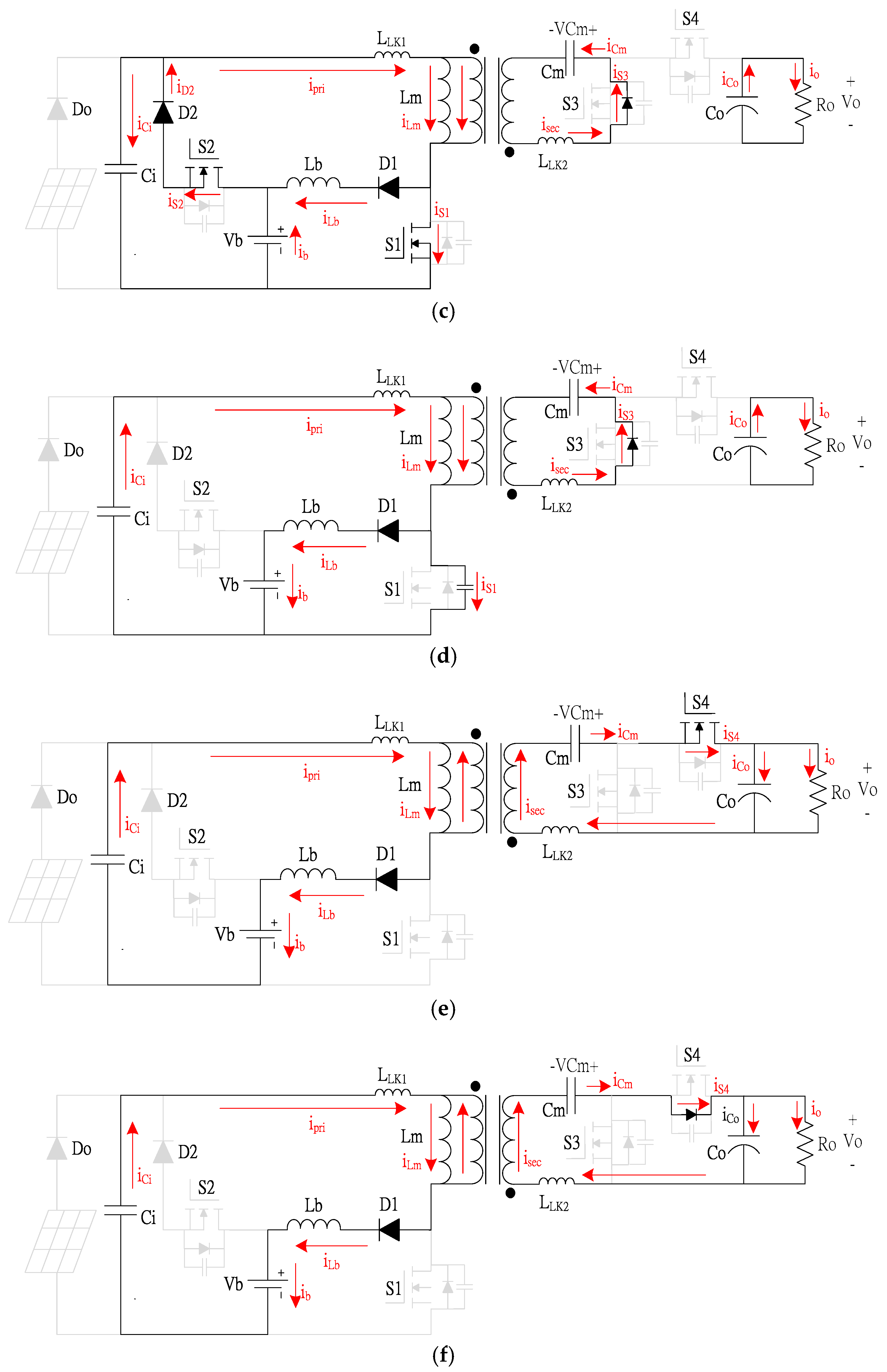
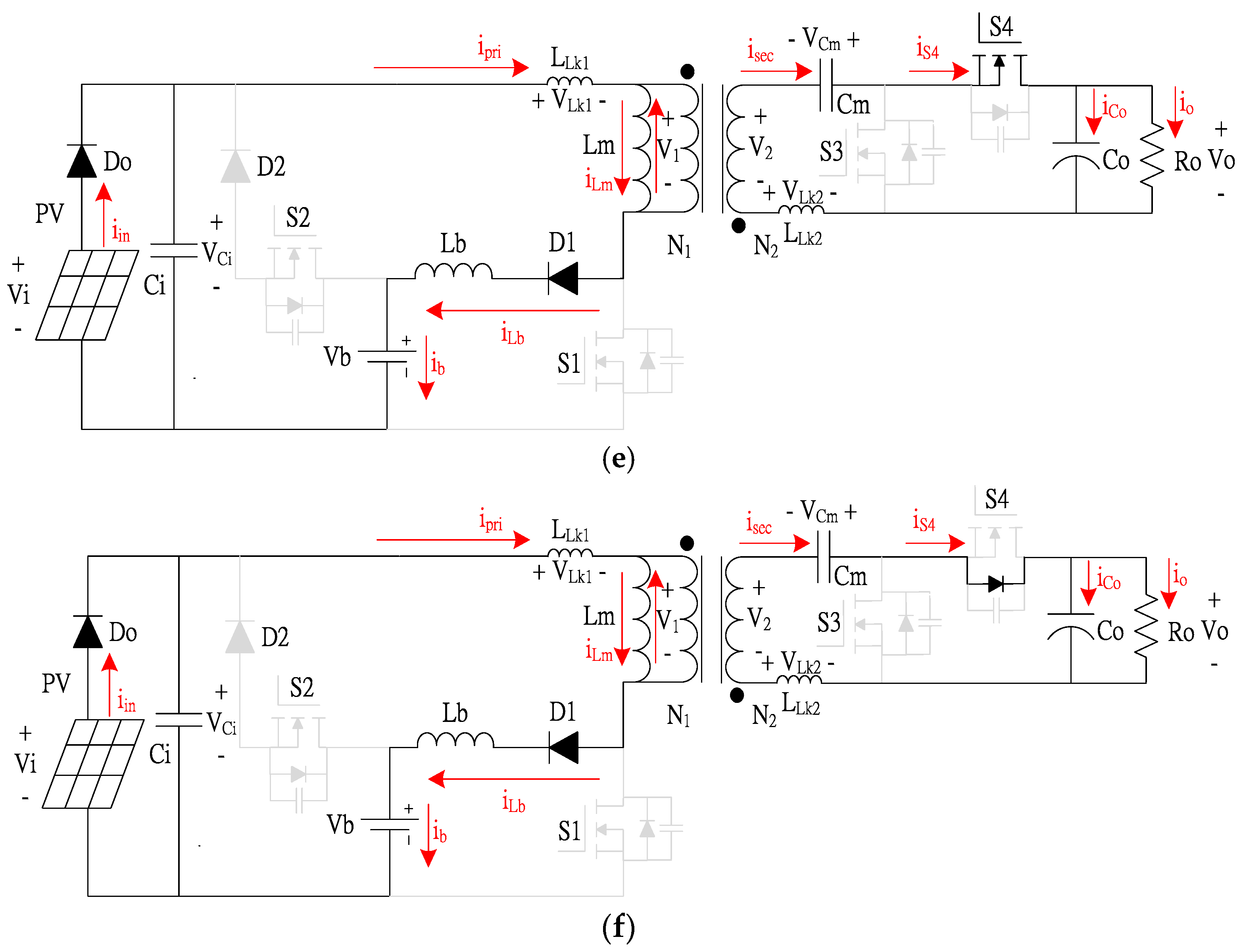
| Mode I (t0 ≤ t < t1) | As shown in Figure 5a, when t = t0, S1 and D1 turn ON, S2, S4 and D2 turn OFF; and the parasitic diode of switch S3 is also ON. The PV source stores energy in Lm, and Lb releases energy for battery charging. Simultaneously, the Cm is charged by the current induced by the transformer. In this interval, Vo is provided by the output capacitor Co. | Mode II (t1 ≤ t < t2) | When t = t1, S1 and D1 continue to be in the ON state, S2, S4, and D2 remain OFF. S3 is turned ON for synchronous rectification, and the direction of current flow is as shown in Figure 5b. Other operations are the same as those in Mode I. |
| Mode III (t2 ≤ t < t3) | When t = t2, S1 and D1 remain ON, S2, S4, and D2 remain OFF. The parasitic diode on S3 is turned ON, and the direction of current flow is as shown in Figure 5c. The other operations in this mode are the same as those in Mode I. | Mode IV (t3 ≤ t < t4) | When t = t3, S1 is turned OFF, D1 and the parasitic diode on S3 remain ON, and S2, S4, and D2 continue to be OFF. The direction of current flow in this mode is shown in Figure 5d. Current flows through the LLk1, and charges the parasitic capacitor on S1. However, this charging process is stopped when the voltage of the parasitic capacitor on S1 exceeds the sum of the Vb and VLb. In addition, current flowing through the LLk2 charges Cm, and Lb continues to release energy for battery charging. The Vo continues to be provided by Co. |
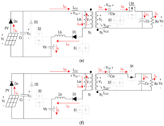
| Mode V (t4 ≤ t < t5) | When t = t4, S1, S2, S3, and D2 are OFF, D1 remains ON. S4 is turned ON for synchronous rectification, and the direction of current flow is shown in Figure 5e. Energy stored in Lm is transferred to the Vo, and Co is charged by the current induced by the transformer. The Cm also releases energy to the Vo, and Lm and Lb release energy for battery charging. | Mode VI (t5 ≤ t < t6) | When t = t5, S1, S2, S3, and D2 remain OFF and D1 continues to be ON. In this mode, the direction of current flow is as shown in Figure 5f; moreover, the parasitic diode on S4 is turned ON; synchronous rectification is stopped. Other operations are the same as those in Mode V. |
| Mode | Comments | Mode | Comments |
|---|---|---|---|
| Mode I (t0 ≤ t < t1) | When t = t0, S1 and S2 and D2 turn ON, S4 and D1 turn OFF, the direction of current flow is as shown in Figure 7a, and the parasitic diode on S3 is ON; the battery provides energy to Lm. The current induced by the transformer charges the Cm, and Co provides energy to Vo. | Mode II (t1 ≤ t < t2) | When t = t1, S1, S2, and D2 continue to be ON, and S4 and D1 remain OFF. S3 is turned ON for synchronous rectification, and the direction of current flow is as shown in Figure 7b. The other operations are the same as Mode I. |
| Mode III (t2 ≤ t < t3) | When t = t2, S1, S2, and D2 remain ON and S4 and D1 continue to be in the OFF state. Synchronous rectification is stopped, and the parasitic diode on S3 is turned ON. The direction of current flow is as shown in Figure 7c. The other operations in this mode are the same as Mode I. | Mode IV (t3 ≤ t < t4) | When t = t3, S4 and D2 remain OFF, D1 and the parasitic diode on S3 are turned ON, and S1 and S2 are turned OFF. The direction of current flow is as shown in Figure 7d. Current flowing through the LLk1 charges the parasitic capacitor on S1. When the voltage of the parasitic capacitor exceeds the sum of the Vb and VLb, this charging process is stopped. Furthermore, current flowing through the LLk2 charges Cm. Lb starts releasing energy to the battery for energy recycling, and Co provides energy to Vo. |
| Mode V (t4 ≤ t < t5) | When t = t4, S1, S2, S3, and D2 continue to be in the OFF state, and D1 remains ON. S4 is turned ON for synchronous rectification. The direction of current flow is as shown in Figure 7e, and the transformer induces energy from Lm to Vo and charges Co simultaneously. The energy stored in Cm is also released to Vo, and the energy stored in Lm and Lb is recycled and supplied to the battery. | Mode VI (t5 ≤ t < t6) | When t = t5, S1, S2, S3, and D2 continue to be in the OFF state and D1 remains ON. Synchronous rectification is stopped because the parasitic diode on S4 is turned ON, and the direction of current flow in this mode is as shown in Figure 7f. Other operations in this mode are the same as Mode V. |
| Mode | Comments | Mode | Comments |
|---|---|---|---|
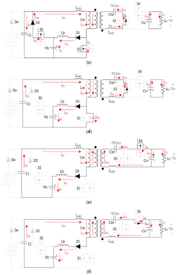
| Mode I (t0 ≤ t < t1) | When t = t0, S4 and D1 are turned ON, S1, S2, S3, and diode D2 are turned OFF. Furthermore, the parasitic diode on switch S1 is turned ON. The direction of current flow is shown in Figure 9a. The energy stored in the Cm and LLk2 is recycled and provided to Vo, and the LLk1 transfers its energy to the Ci. Simultaneously, Lb releases energy for battery charging. | Mode II (t1 ≤ t < t2) | When t = t1, S4 and D1 continue in the ON state, S1, S2, S3, and D2 remain OFF. The direction of current flow is shown in Figure 9b. The PV source starts storing energy in the Lm after the energy stored in Cm and LLk2 is completely recycled. Furthermore, the current induced by the transformer starts storing energy in Lb and charging the battery simultaneously. |
| Mode III (t2 ≤ t < t3) | When t = t2, S1, S2, and D2 continue to be in the OFF state and D1 remains ON. In addition, S4 is turned OFF and the parasitic diode on S3 is turned ON. The direction of current flow is as shown in Figure 9c. Current flowing through the LLk2 charges Cm. The current induced by the transformer stores energy in Lb and charges the battery simultaneously. | Mode IV (t3 ≤ t < t4) | When t = t3, S2, S4, and D2 remain OFF and D1 continues to be in the ON state. Both S1 and S3 are turned ON for synchronous rectification. The direction of current flow in this mode is as shown in Figure 9d. The energy stored in Lm is induced by the transformer to charge Ci and Cm through S1 and S3, respectively. Furthermore, Lb starts releasing energy through S1 and charging the battery. |
| Mode V (t4 ≤ t < t5) | When t = t4, S2, S4, and D2 remain OFF, S1, S3, and D1 continue to be in the ON state. The direction of current flow is shown in Figure 9e. Both S1 and S3 continue to perform synchronous rectification, and the entire energy stored in Lm is released. Simultaneously, Cm starts transferring energy to Lm and LLk2 and induces energy by the transformer to charge Ci. Lb continues to charge the battery through S1. | Mode VI (t5 ≤ t < t6) | When t = t5, D1 remains ON, S3, S4, and D2 continue to be OFF. The direction of current flow is shown in Figure 9f. In this mode, synchronous rectification is stopped as S1 and S4 are turned OFF and their parasitic diodes are ON. Current flows through Cm and LLk2, and energy stored in Cm and LLk2 is recycled to Vo. Furthermore, the energy stored in Lb is released for battery charging. |
| Aspect | Proposed Converter | Converter Proposed in [21] | Converter Proposed in [22] |
|---|---|---|---|
| Topology | Isolated | Isolated | Isolated |
| Input voltage | 24 V | 24 V | 24 V |
| Output voltage | 200 V | 200 V | 200 V |
| Output power | 500 W | 200 W | 1 kW |
| Number of switches | 4 | 4 | 4 |
| Number of diodes | 2 | 0 | 2 |
| Number of inductors | 1 | 2 | 1 |
| Number of capacitors | 3 | 3 | 5 |
| Turns ratio | N = 3 | N = 1.5 | N = 3 |
| Number of output terminals | 2 | 1 | 2 |
| Maximum conversion efficiency (step up/step down) | 95.2%/97.6% | 94%/97% | 95.6%/96.3% |
| Cost | Low | High | Moderate |
| Number of operating modes | 3 | 2 | 2 |
| Aspect | Proposed Converter | Converter Proposed in [24] | Converter Proposed in [25] |
|---|---|---|---|
| Topology | Isolated | Isolated | Isolated |
| Input voltage | 24 V | 300–400 V | 18 V |
| Battery voltage | 24 V | 160 V | 12 V |
| Output voltage | 200 V | 48 V | 80 V |
| Output power | 500 W | 1 kW | 200 W |
| Number of switches | 4 | 4 | 4 |
| Number of diodes | 2 | 4 | 2 |
| Number of transformers | 1 | 2 | 2 |
| Number of inductors | 1 | 1 | 0 |
| Number of capacitors | 3 | 2 | 3 |
| Turns ratio | N = 3 | N = 0.5 | N = 2 |
| Number of output terminals | 2 | 2 | 2 |
| Maximum conversion efficiency (step up) | 95.2% | 90.9% | 91.3% |
| Operating modes | 3 | 2 | 2 |
| Parameter | Specification | |
| Input dc voltage (Vin) | 20–26 V | |
| Battery voltage (VB) | 24 V | |
| Output dc voltage (Vo) | 200 V | |
| Maximum output power (Po) | 500 W | |
| Switching frequency (fs) | 50 kHz | |
| Turns ratio of coupled inductors | N1:N2 = 1:3 | |
| Component | Model | Specification |
| S1, S2 | IRFP4321 | 150 V/78 A |
| S3, S4 | IRFP4868 | 300 V/70 A |
| D1, D2 | MBR40200 | 200 V/40 A |
| Ci | Electrolytic capacitor | 100 μF/100 V |
| Co | Electrolytic capacitor | 470 μF/450 V |
| Cm | Metallized polypropylene (MPP) film capacitor | 4.7 μF/250 V |
| Lb | MPP ring core | 18 μH |
| Lm | MPP ring core | 12 μH |
© 2017 by the authors. Licensee MDPI, Basel, Switzerland. This article is an open access article distributed under the terms and conditions of the Creative Commons Attribution (CC BY) license (http://creativecommons.org/licenses/by/4.0/).
Share and Cite
Wu, Y.-E.; Chiu, P.-N. A High-Efficiency Isolated-Type Three-Port Bidirectional DC/DC Converter for Photovoltaic Systems. Energies 2017, 10, 434. https://doi.org/10.3390/en10040434
Wu Y-E, Chiu P-N. A High-Efficiency Isolated-Type Three-Port Bidirectional DC/DC Converter for Photovoltaic Systems. Energies. 2017; 10(4):434. https://doi.org/10.3390/en10040434
Chicago/Turabian StyleWu, Yu-En, and Pin-Nan Chiu. 2017. "A High-Efficiency Isolated-Type Three-Port Bidirectional DC/DC Converter for Photovoltaic Systems" Energies 10, no. 4: 434. https://doi.org/10.3390/en10040434
APA StyleWu, Y.-E., & Chiu, P.-N. (2017). A High-Efficiency Isolated-Type Three-Port Bidirectional DC/DC Converter for Photovoltaic Systems. Energies, 10(4), 434. https://doi.org/10.3390/en10040434

