An Improved Multi-Infeed Effective Short-Circuit Ratio for AC/DC Power Systems with Massive Shunt Capacitors Installed
Abstract
:1. Introduction
- (a)
- The saturation phenomenon of the conventional MESCR in power systems installed with large amount of capacitor compensations is found through theoretical analysis.
- (b)
- An IMESCR which could overcome the saturation and correctly reflect the stability margin in systems with a large amount of capacitor concentratively installed is proposed.
- (c)
- The saturation of MESCR and the feasibility of the proposed IMESCR are verified through both the New England 39-bus system and the Eastern China Grid.
2. Short-Circuit Ratio of the Multi-Infeed DC System
3. Limitations of the Existing Multi-Infeed Short Circuit Ratio
3.1. The Capacitor Compensation’s Influence on the Short-Circuit Capacity
3.2. The Capacitor Compensation’s Influence on the Multi-Infeed Interaction Factor
3.3. The Capacitor Compensation’s Influence on the Multi-Infeed Effective Short Circuit Ratio
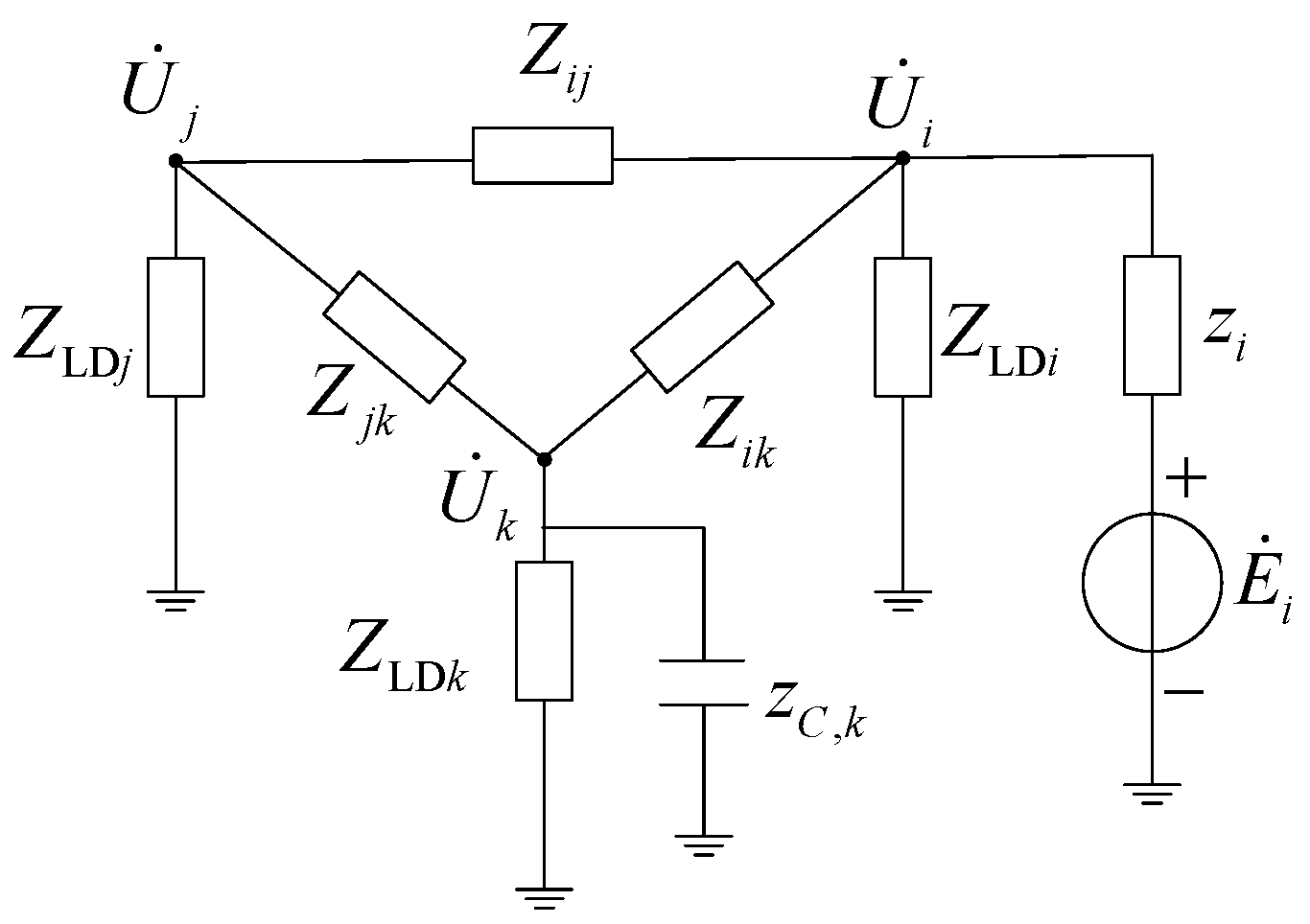
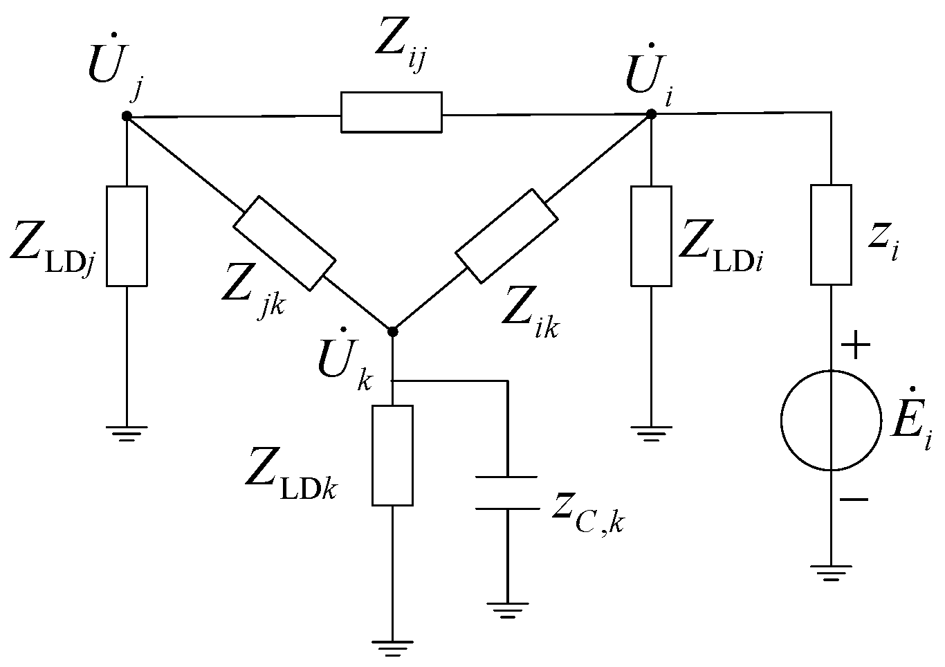
4. Improved MESCR Considering All Capacitor Compensations
5. Case Studies
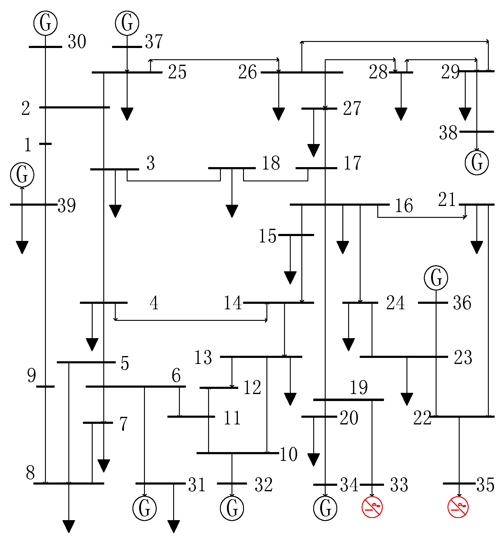
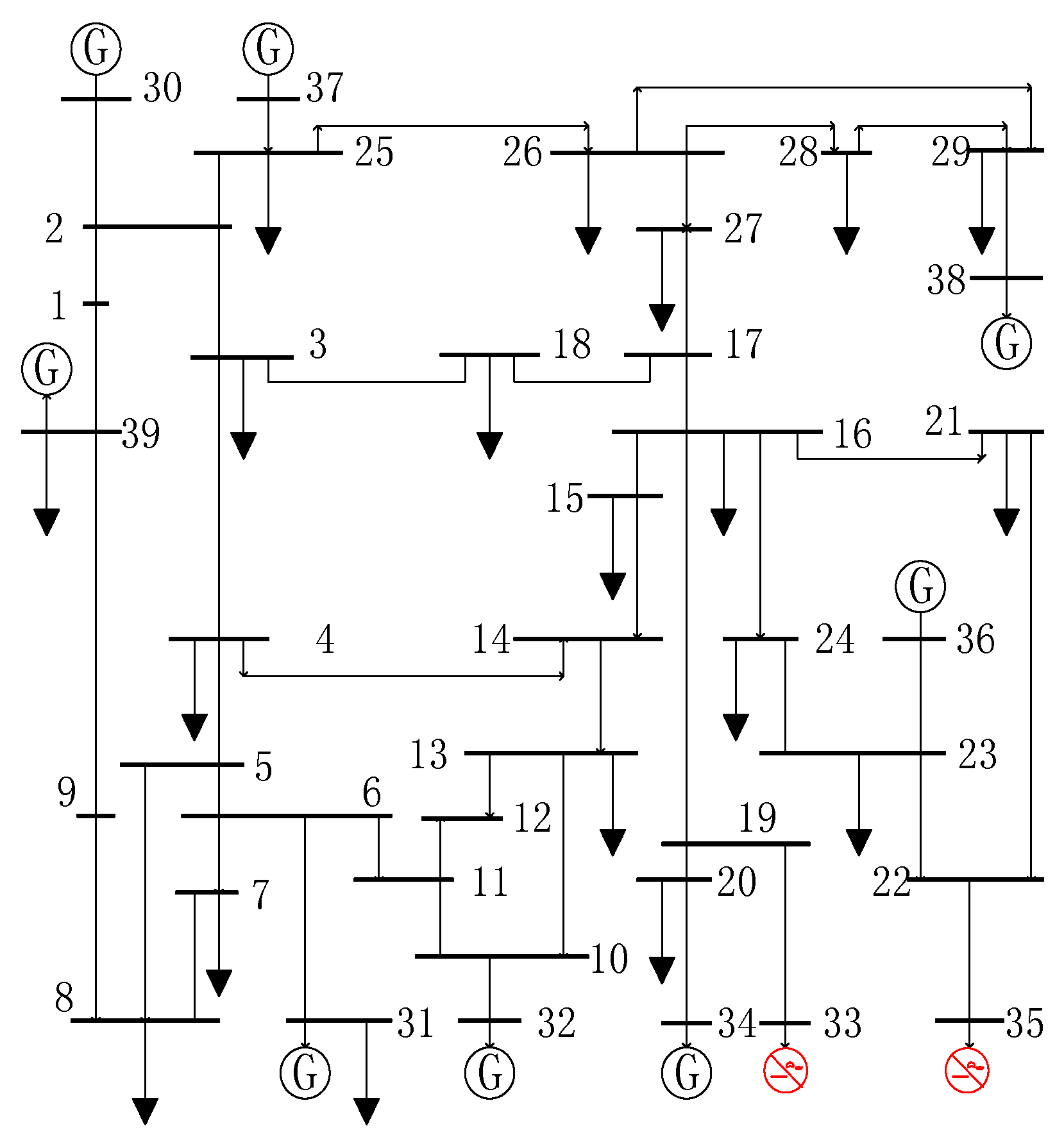
5.1. Case I: New England 10-Machine-39-Bus System
5.1.1. Case Designs for the New England Test System
5.1.2. Compensation Capacity’s Influence on MESCR and IMESCR
- (a)
- After increasing the compensation capacity on bus 22, the number of system collapses in the N-1 contingency analysis increased gradually, which indicates that the strength of the system is decreasing with the increasing compensation capacity;
- (b)
- When increasing the capacity of the capacitor compensation, the MESCR and MIIF remain almost unchanged. Even when the shunt capacity reached 250 MVar, the MIIF only increased by 2.3%, and the MESCR only decreased by less than 0.4%. These results are consistent with the saturation phenomenon we found in Section 3;
- (c)
- The proposed IMESCR decreases with the increase of the capacity of the shunt capacitors, which is in accordance with the trend of the system strength reflected by the results of the N-1 contingency analysis, and after the IMESCR of bus 35 becomes lower than the threshold of a strong system (2.5), the system starts to collapse after the N-1 contingency.
5.1.3. The Compensation Location’s Influence on MESCR and IMESCR
- (a)
- When the same capacitor is installed closer to the DC inverter bus in terms of electrical distance, the system will be more vulnerable to N-1 contingencies. Which means that the negative influence of the capacitor compensations on the stability of the AC/DC power system is related to the distance between the compensation bus and the DC inverter bus;
- (b)
- Along with moving the capacitor closer to the inverter bus, the MESCR and MIIF are only slightly changed, which is consistent with the theoretical analysis and indicates that the MESCR cannot reflect the variations of system stability along with different capacitor installation buses;
- (c)
- After the capacitor is installed closer to the DC inverter bus, the IMESCR obviously decreases, which is consistent with the decreasing trend of the system strength, thus verifying that the proposed IMESCR can correctly reflect the influences of different reactive power compensation buses on the system strength.
5.2. Case II: Eastern China Regional Power Grid
5.2.1. Brief Introduction of the Eastern China Grid
5.2.2. Cases Designs
5.2.3. MESCR and IMESCR Comparison
- (a)
- The short-circuit capacity of the inverter bus will be reduced if nearby generators are shut down, thus leading to the decrease in MESCR and IMESCR;
- (b)
- The MESCR of all cases are obviously higher than the threshold for strong systems. However, in cases 4–6, the results of the N-1 contingency analysis indicate that these cases all have poor stability margins;
- (c)
- The MESCR of case 3 and case 4 are very close, which is in accordance with the conclusion drawn in Section 3: if a large amount of capacitors are already concentratively installed in the system, the MESCR will retain the same value regardless of how many capacitor compensations are installed;
- (d)
- The IMESCR with only the compensations installed at the inverter buses considered in case 5 and case 6 is still much larger than the threshold for strong systems, but actually these two cases have 15 and 17 collapses in the N-1 contingency analysis, which means that these cases in fact are not strong enough. Therefore, considering only the capacitor compensations installed at the inverter buses is not enough for an accurate stability evaluation;
- (e)
- After taking all shunt compensations in the system into consideration, the value of IMESCR is more than 15% less than the traditional MESCR, and it decreases much faster than the MESCR along with the increase of the compensation capacity. Especially for cases with a large amount of shunt capacitors installed, for example case 5 and case 6, their IMESCR becomes lower than the threshold for a weak system, which is in good accordance with the N-1 contingency analysis. Therefore, the results of the studied cases prove the accuracy of the proposed IMESCR in evaluating the strength of a practical power system.
6. Conclusions
- (a)
- Installing a large amount of shunt capacitor compensations in the AC system with infeed DC transmission lines will reduce the stability of the system. The greater the compensation capacity is and the closer the compensation bus is to the DC rectifier/inverter station, the greater the decrease in system strength will be.
- (b)
- The saturation of MESCR in large amount capacitor concentratively installed systems was theoretically proved, and the saturation phenomenon indicates that the conventional MESCR is incapable of reflecting the influence of shunt capacitor compensations on the system strength, as well as the influence of various compensation locations.
- (c)
- Through converting all the capacitor compensations installed in the system to virtual capacitors at the inverter bus, the proposed IMESCR could overcome MESCR’s limitation of insensitive to compensation capacity and compensation locations in heavily compensated systems, and thus could evaluate the strength of massive capacitor compensation installed systems more accurately then the MESCR.
- (d)
- The difference between the proposed IMESCR and MESCR will be more significant if a larger amount of capacitor compensations are installed in the system.
- (e)
- The proposed IMESCR could be a potential index for DC transmission planning in power systems installed with large amount of capacitor compensations.
Acknowledgments
Author Contributions
Conflicts of Interest
Abbreviations
| HVDC | High Voltage Direct Current |
| UHVDC | Ultra-High Voltage Direct Current |
| SCR | Short Circuit Ratio |
| MSCR | Multi-infeed Short Circuit Ratio |
| MESCR | Multi-infeed Effective Short Circuit Ratio |
| IMESCR | Improved Multi-infeed Effective Short Circuit Ratio |
| MIIF | Multi-Infeed Interaction Factor |
| LCC | Line Commutated Converters |
Nomenclature
| Sc,i | Short-circuit capacity of the DC rectifier/inverter bus i |
| PdN,i | Rated DC terminal power on the rectifier/inverter bus i |
| , | Short circuit ratio and effective short circuit ratio of bus i |
| Capacity of shunt capacitors installed at bus i | |
| , | Voltage deviation at bus j and i caused by reactive perturbation at bus i |
| Multi-infeed short circuit ratio of bus i | |
| Electric potential of voltage source i | |
| , | Transfer impedance from bus i to bus j before and after a shunt capacitor is installed at bus k |
| , | Mutual impedance between bus j and i before and after a shunt capacitor is installed at bus k |
| , | Self-impedance of bus j before and after a shunt capacitor is installed at bus k |
| Internal impedance of voltage source i | |
| Impedance of the shunt capacitor installed at bus k | |
| , | Short-circuit current at bus j before and after a capacitor is installed at bus k |
| Deviation of short-circuit capacity of bus j | |
| , | Multi-infeed interaction factor between bus i and j before and after a shunt capacitor is installed at bus k |
| Current injected into bus j | |
| Voltage on bus i when current Ij is injected into bus j | |
| Current injected into bus i to make the voltage on bus i equal to | |
| , | Actual voltage and rated voltage of bus i |
| Capacity of the virtual capacitor on bus i converted from real capacitor installed at bus j | |
| N | Number of buses in the system |
| K | Number of DC transmission lines fed into the system |
References
- Karawita, C.; Annakkage, U.D. Multi-infeed HVDC interaction studies using small-signal stability assessment. IEEE Trans. Power Deliv. 2009, 24, 910–918. [Google Scholar] [CrossRef]
- Long, W.; Nilsson, S. HVDC transmission: Yesterday and today. IEEE Power Energy Mag. 2007, 5, 22–31. [Google Scholar] [CrossRef]
- Yao, W.; Jiang, L.; Wen, J.Y.; Wu, Q.H.; Cheng, S.J. Wide-area damping controller for power system inter-area oscillations: A networked predictive control approach. IEEE Trans. Control Syst. Technol. 2015, 23, 27–36. [Google Scholar] [CrossRef]
- Sao, Y.; Tang, Y.; Guo, X.J.; Xiao, Q.Y. Transient voltage stability analysis of East China receiving-end power grid with multi-infeed HVDC transmission lines. Power Syst. Technol. 2011, 35, 50–55. (In Chinese) [Google Scholar]
- IEEE Guide for Planning DC Links Terminating at AC Locations Having Low Short-Circuit Capacities; IEEE Standard 1204-1997; The Institute of Electrical and Electronics Engineers: New York, NY, USA, 1997.
- Rahimi, E.; Gole, A.M.; Davies, J.B. Analysis of multi-infeed HVDC systems with inverter and rectifier connected to the same AC network. In Proceedings of the IET International Conference on AC and DC Power Transmission, London, UK, 19–21 October 2010.
- Chen, X.; Gole, A.M.; Han, M. Analysis of mixed inverter/rectifier multi-infeed HVDC systems. IEEE Trans. Power Deliv. 2012, 27, 1565–1573. [Google Scholar] [CrossRef]
- Lee, D.; Andersson, G. An Equivalent Single-Infeed Model of Multi-Infeed HVDC Systems for Voltage and Power Stability Analysis. IEEE Trans. Power Deliv. 2016, 31, 303–312. [Google Scholar] [CrossRef]
- Rahimi, E.; Gole, A.M.; Davies, J.B.; Fernando, I.T.; Kent, K.L. Commutation failures analysis in multi-infeed HVDC systems. IEEE Trans. Power Deliv. 2011, 26, 378–384. [Google Scholar] [CrossRef]
- Denis, L.H.A.; Andersson, G. Voltage stability analysis of multi-infeed HVDC systems. IEEE Trans. Power Deliv. 1997, 12, 1427–1437. [Google Scholar]
- Lin, W.F.; Tang, Y.; Bu, G.Q. Definition and application of short circuit ratio for multi-infeed AC/DC power systems. Proc. CSEE 2008, 28, 1–8. (In Chinese) [Google Scholar]
- CIGRÉ Working Group B4.41. Systems with Multiple DC Infeed. Available online: http://b4.cigre.org/Publications/Technical-Brochures/TB-364-2008-WG-B4.41-Systems-with-multiple-DC-Infeed (accessed on 18 March 2017).
- Lee, D.; Andersson, G. Analysis of voltage and power interactions in multi-Infeed HVDC systems. IEEE Trans. Power Deliv. 2013, 28, 816–824. [Google Scholar]
- Chen, X.W.; Guan, L. Research on limitation of the multi-infeed short circuit ratio. In Proceedings of the 2016 IEEE PES Asia-Pacific Power and Energy Engineering Conference (APPEEC), Xi’an, China, 25–28 October 2016; pp. 712–715.
- Lin, W.F.; Tang, Y. Analysis of influencing factors of short circuit ratio of multi-infeed AC/DC power systems. In Proceedings of the 2015 5th International Conference on Electric Utility Deregulation and Restructuring and Power Technologies (DRPT), Changsha, China, 26–29 November 2015; pp. 732–734.
- Kang, Z.; Yang, D.; Liu, Y. A new definition of multi-infeed short circuit ratio considering control modes of DC system. In Proceedings of the 2015 International Power, Electronics and Materials Engineering Conference, Dalian, China, 16–17 May 2015; pp. 551–556.
- Liu, D.; Shi, D.; Li, Y. A new definition of short-circuit ratio for multi-converter HVDC systems. J. Electr. Eng. Technol. 2015, 10, 1958–1968. [Google Scholar] [CrossRef]
- Zhang, F.; Xin, H.; Wang, Z.; Gan, D.; Xu, Q.; Dai, P.; Liu, F. A Generalized Short Circuit Ratio for Multi-Infeed LCC-HVDC System. arXiv 2017. [Google Scholar]
- Hwang, S.; Lee, J.; Jang, G. HVDC-System-Interaction Assessment through Line-Flow Change-Distribution Factor and Transient-Stability Analysis at Planning Stage. Energies 2016, 9, 1068. [Google Scholar] [CrossRef]
- Li, E.C.; Chu, X.D.; Yang, M.H. Static voltage stability analysis for multi-infeed HVDC systems based on multivariate regression. In Proceedings of the 2016 IEEE PES Asia-Pacific Power and Energy Engineering Conference (APPEEC), Xi’an, China, 25–28 October 2016; pp. 130–134.
- IEEE Guide for Application of Shunt Power Capacitors; IEEE Standard 1036™-2010; The Institute of Electrical and Electronics Engineers: New York, NY, USA, 2010.
- Kundur, P. Power System Stability and Control; McGraw-Hill: New York, NY, USA, 1994. [Google Scholar]
- Yuan, X.H.; Dai, X.B. Energy-saving analysis for power system reactive power compensation. Adv. Mater. Res. 2013, 608–609, 1151–1155. [Google Scholar] [CrossRef]
- He, Y.Z.; Wen, Z.Y. Power System Analysis; Huazhong University of Science and Technology Press: Wuhan, China, 2002. (In Chinese) [Google Scholar]
- Bird, J. Electrical Circuit Theory and Technology, 5th ed.; Routledge: Abingdon, UK, 2014. [Google Scholar]
- Pai, M.A. Energy Function Analysis for Power System Stability; Kluwer: Boston, MA, USA, 1989. [Google Scholar]
- Bueno, P.G.; Hernández, J.C.; Ruiz-Rodriguez, F.J. Stability assessment for transmission systems with large utility-scale photovoltaic units. IET Renew. Power Gener. 2016, 10, 584–597. [Google Scholar] [CrossRef]
- Yao, W.; Jiang, L.; Wen, J.Y.; Wu, Q.H.; Cheng, S.J. Wide-area damping controller of FACTS devices for inter-area oscillations considering communication time delays. IEEE Trans. Power Syst. 2014, 29, 318–329. [Google Scholar] [CrossRef]








| Case Series | Controlled Variable | Case 1 | Case 2 | Case 3 | Case 4 | Case 5 | Case 6 | Case 7 |
|---|---|---|---|---|---|---|---|---|
| Compensation capacity cases | Capacitor capacity installed at bus 22 | 0 | 50 | 100 | 150 | 200 | 250 | × |
| Compensation bus cases | Capacitor installation bus | - | Bus 1 | Bus 3 | Bus 15 | Bus 24 | Bus 23 | Bus 22 |
| Capacitor Capacity/MVar | Number of System Collapses | Multi-Infeed Interaction Factor between Bus 33 and 35 | Bus 33 | Bus 35 | ||
|---|---|---|---|---|---|---|
| MESCR | IMESCR | MESCR | IMESCR | |||
| 0 | 0 | 0.258 | 2.71 | 2.62 | 2.67 | 2.59 |
| 50 | 0 | 0.258 | 2.71 | 2.60 | 2.67 | 2.55 |
| 100 | 0 | 0.259 | 2.71 | 2.58 | 2.67 | 2.51 |
| 150 | 1 | 0.260 | 2.71 | 2.56 | 2.66 | 2.48 |
| 200 | 1 | 0.262 | 2.70 | 2.54 | 2.66 | 2.46 |
| 250 | 2 | 0.264 | 2.70 | 2.53 | 2.66 | 2.42 |
| Compensation Bus | Conversion Factor from Compensation Bus to Inverter Bus 35 | Number of System Collapses | MIIF between Bus 33 and 35 | MESCR | IMESCR |
|---|---|---|---|---|---|
| None | - | 0 | 0.258 | 2.66 | 2.59 |
| Bus-1 | 0.077 | 0 | 0.258 | 2.66 | 2.58 |
| Bus-3 | 0.170 | 0 | 0.260 | 2.66 | 2.56 |
| Bus-15 | 0.281 | 0 | 0.263 | 2.66 | 2.54 |
| Bus-24 | 0.360 | 0 | 0.264 | 2.66 | 2.52 |
| Bus-23 | 0.519 | 1 | 0.262 | 2.66 | 2.49 |
| Bus-22 | 0.653 | 1 | 0.262 | 2.66 | 2.46 |
| DC Transmission | Voltage Level/kV | Transmitted Power/MW | Inverter Bus |
|---|---|---|---|
| Longzheng | ±500 | 3000 | Changzhou, Jiangsu |
| Jinsu | ±800 | 7200 | Suzhou, Jiangsu |
| Linfeng | ±500 | 3000 | Shanghai |
| Yihua | ±500 | 3000 | Shanghai |
| Genan | ±500 | 1160 | Shanghai |
| Fufeng | ±500 | 6400 | Shanghai |
| Xiluodu-Zhejiang | ±800 | 8000 | Jinhua, Zhejiang |
| Ningdong-Shaoxing | ±800 | 8000 | Shaoxing, Zhejiang |
| Cases | Generation Capacity Shut Down Near Inverter Bus (MW) | Reactive Power Compensation (MVar) | Number of System Collapses in N-1 Contingency Analysis |
|---|---|---|---|
| Case1 | 0 | 0 | 0 |
| Case2 | 3161 | 895 | 0 |
| Case3 | 5044 | 401 | 0 |
| Case4 | 5044 | 1841 | 4 |
| Case5 | 5966 | 2021 | 15 |
| Case6 | 6936 | 2561 | 17 |
| Cases | Short Circuit Capacity | MESCR | IMESCR | |
|---|---|---|---|---|
| Consider Compensations in Inverter Stations Only | Consider All Compensations in the System | |||
| Case1 | 37,803 | 3.08 | 3.02 | 2.75 |
| Case2 | 36,381 | 2.95 | 2.89 | 2.66 |
| Case3 | 35,378 | 2.82 | 2.75 | 2.48 |
| Case4 | 35,203 | 2.81 | 2.76 | 2.38 |
| Case5 | 35,469 | 2.82 | 2.76 | 2.35 |
| Case6 | 35,275 | 2.80 | 2.74 | 2.32 |
© 2017 by the authors. Licensee MDPI, Basel, Switzerland. This article is an open access article distributed under the terms and conditions of the Creative Commons Attribution (CC BY) license ( http://creativecommons.org/licenses/by/4.0/).
Share and Cite
Liao, S.; Yao, W.; Ai, X.; Wen, J.; Liu, Q.; Jiang, Y.; Zhang, J.; Tu, J. An Improved Multi-Infeed Effective Short-Circuit Ratio for AC/DC Power Systems with Massive Shunt Capacitors Installed. Energies 2017, 10, 396. https://doi.org/10.3390/en10030396
Liao S, Yao W, Ai X, Wen J, Liu Q, Jiang Y, Zhang J, Tu J. An Improved Multi-Infeed Effective Short-Circuit Ratio for AC/DC Power Systems with Massive Shunt Capacitors Installed. Energies. 2017; 10(3):396. https://doi.org/10.3390/en10030396
Chicago/Turabian StyleLiao, Shiwu, Wei Yao, Xiaomeng Ai, Jinyu Wen, Qing Liu, Yanhong Jiang, Jian Zhang, and Jingzhe Tu. 2017. "An Improved Multi-Infeed Effective Short-Circuit Ratio for AC/DC Power Systems with Massive Shunt Capacitors Installed" Energies 10, no. 3: 396. https://doi.org/10.3390/en10030396
APA StyleLiao, S., Yao, W., Ai, X., Wen, J., Liu, Q., Jiang, Y., Zhang, J., & Tu, J. (2017). An Improved Multi-Infeed Effective Short-Circuit Ratio for AC/DC Power Systems with Massive Shunt Capacitors Installed. Energies, 10(3), 396. https://doi.org/10.3390/en10030396

