Large Signal Stabilization of Hybrid AC/DC Micro-Grids Using Nonlinear Robust Controller
Abstract
1. Introduction
- (1)
- Elimination of DC/AC or AC/DC/AC power converters installed on power resources. This reduces power losses significantly.
- (2)
- Elimination of reactive power compensators, installed in conventional AC networks. This reduces purchase and maintenance costs and decreases lines losses and power electronic equipment losses on the end users.
- (3)
- Since DC loads do not cause harmonic distortion directly, the power quality on AC side can be enhanced by controlling middle converters.
- (4)
- As problems of negative and zero sequences current caused by unbalanced loads on AC side can be resolved on DC side, these networks are able to control the asymmetric current to a desirable extent.
2. Designing a Robust Controller to Improve Performance of the DC Section
2.1. Modeling Input DC Resources
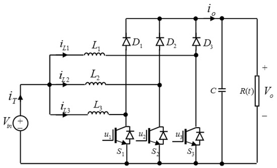
2.2. Modeling Input DC/DC Converter
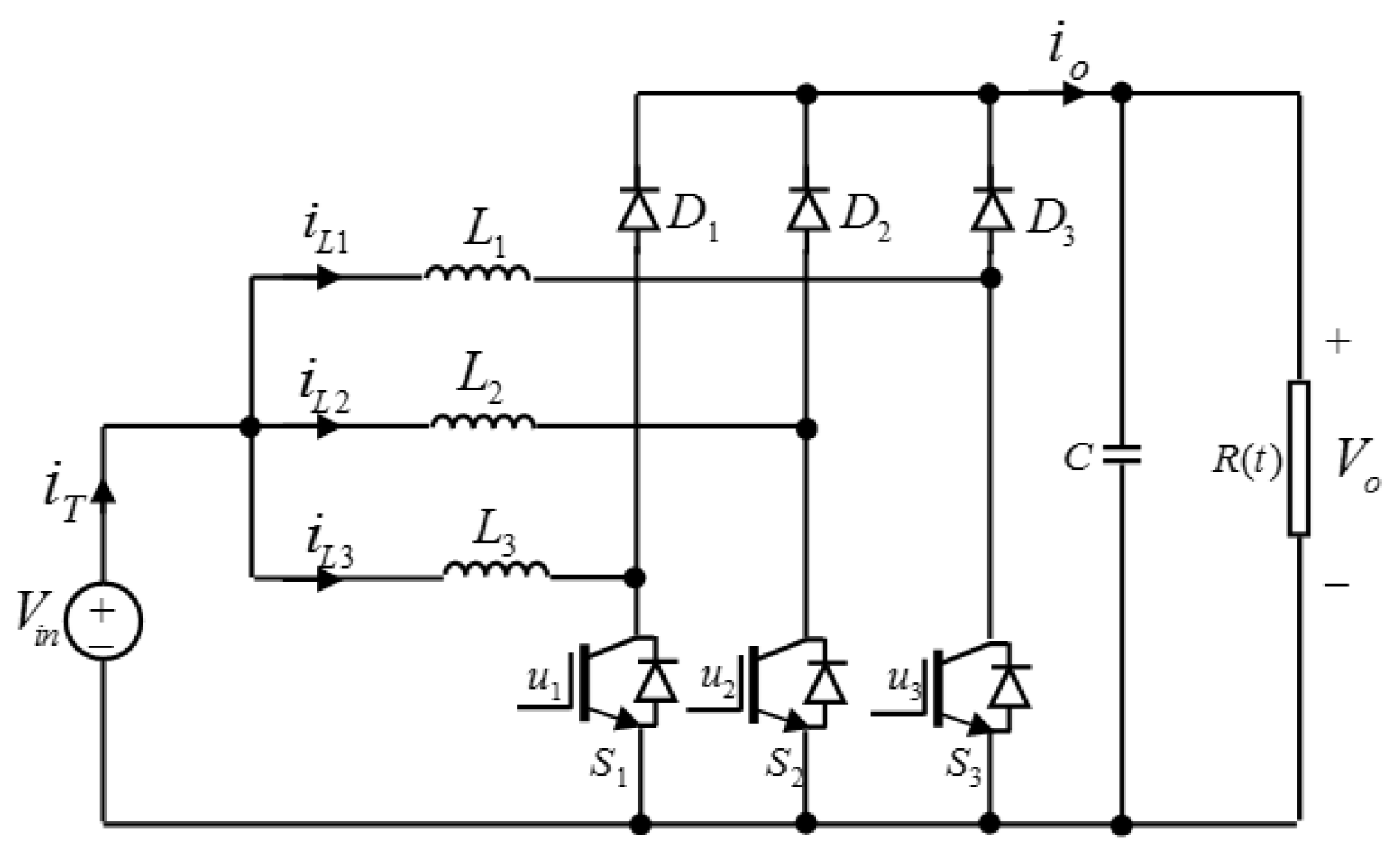
2.2.1. Nonlinear Model of the three phase DC/DC Boost Converter
2.2.2. Average Model of the Three-Phase Boost Converter
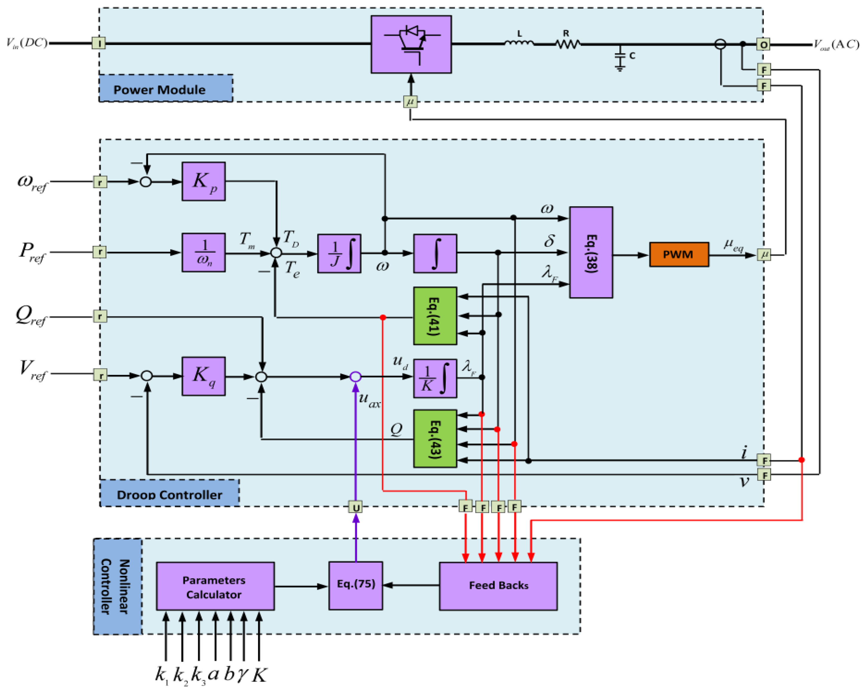
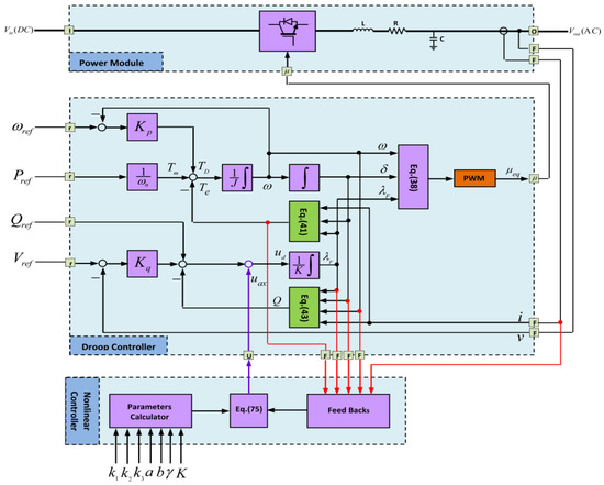
2.3. Description of the Proposed Controller
Adaptive Sliding Mode Controller (ASMC)
3. Design of a Robust Controller in order to Improve Performance of AC Section
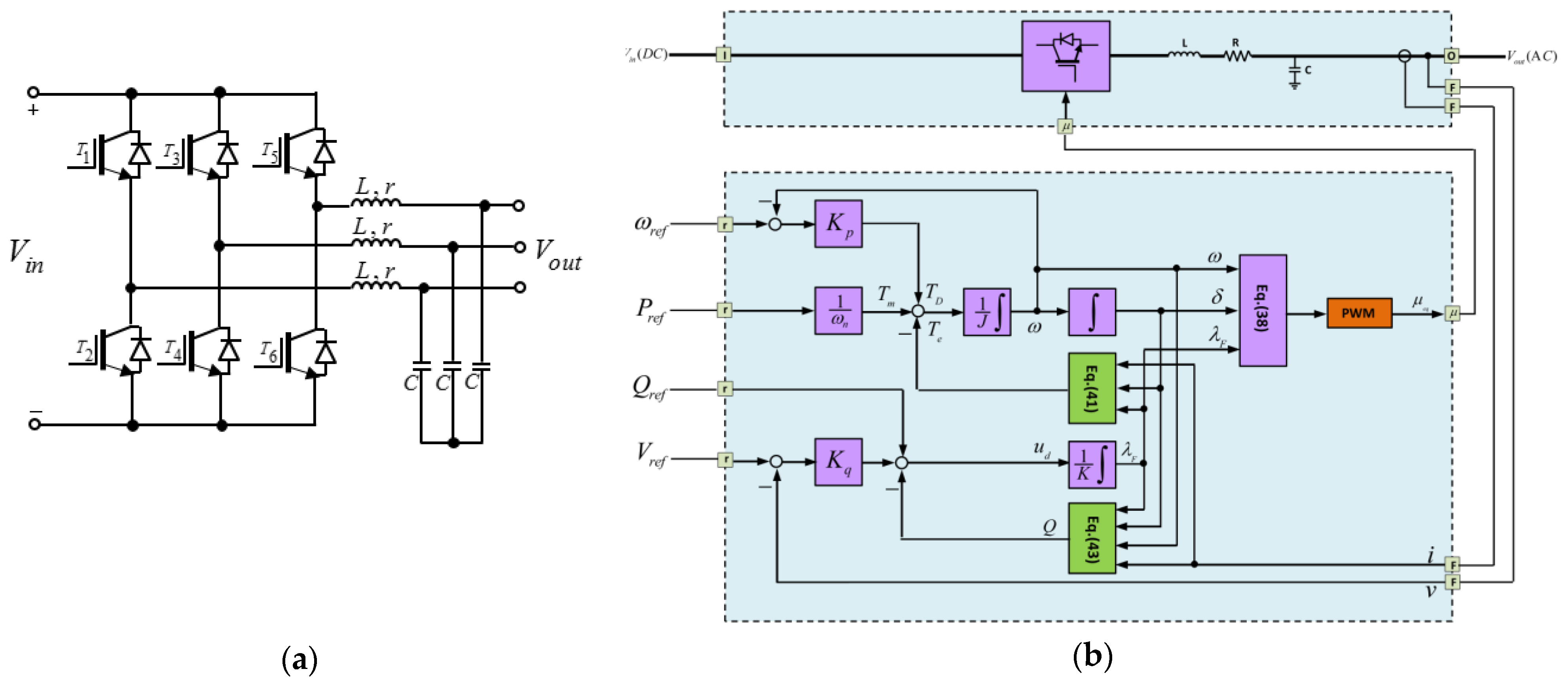
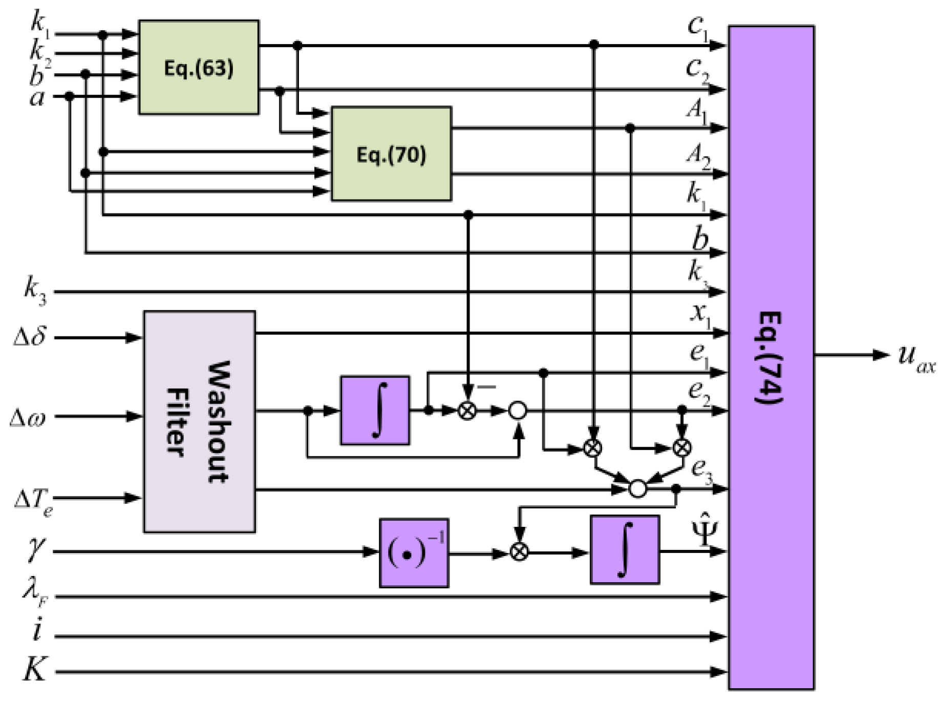
3.1. Structure of the Proposed Controller in AC Section
3.2. Modeling AC Section of the Micro-Grid
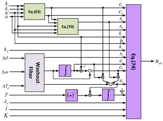
3.3. Adaptive-Nonlinear Supplement Control
- Universal and flexible structure for all of the operation modes and not requiring to change strategy after islanding detection.
- As compared to other controllers, where delay in islanding detection reduces stability margin, this problem is resolved inherently in the proposed controller.
- Possibility to create a soft and seamless path from grid connected mode to islanding mode.
- Frequency droop control loop of this controller is a useful tool for power sharing between micro sources.
- This controller only uses local signals, thus no communication infrastructure is required.
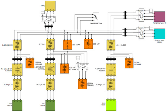
4. Simulation Results and Evaluation of the Proposed Controller
- Unspecified changes in the current taken from DC bus of each micro-sources
- Changing electrical characteristic of the micro- sources
- Unplanned islanding
- Loading in islanding mode
- Short circuit in PCC
4.1. Unspecified Changes in the Current Taken from DC Bus
4.2. Changing Electric Characteristic of the Micro-Source
4.3. Unplanned Islanding
4.4. Loading in Islanding Mode
4.5. Short Circuit in PCC
5. Conclusions
Author Contributions
Conflicts of Interest
Appendix A
| Parameters | DG1 | DG2 | DG3 | ||
|---|---|---|---|---|---|
| Voltage (V) | Local Bus | 480 | |||
| PCC | 13,800 | ||||
| Power (kW) | Rated Power | 250 | 250 | 400 | |
| Local Load | 200 | 125 | 200 | ||
| Common Load | Static | 100 | |||
| Dynamic | 150 | ||||
| Non Linear | 125 | ||||
| Time Constants (S) | Voltage Loop | 0.01 | 0.01 | 0.01 | |
| Power Loop | 0.04 | 0.04 | 0.04 | ||
| Gains | Frequency Droop (Kp) | 40 | 40 | 53 | |
| Voltage Droop (Kq) | 0.0016 | 0.0016 | 0.0017 | ||
| Virtual Flux Integrator | 0.045 | 0.045 | 0.045 | ||
| Power Angle Reference (rad) | 0.2 | 0.2 | 0.3 | ||
| Resistance (Ohm) | Out Put Filter | 0.2 | 0.2 | 0.2 | |
| Transformer | 0.25 | 0.25 | 0.25 | ||
| Line | 1.14 | 0.75 | 1.14 | ||
| Inductance (mH) | Out Put Filter | 3 | 3 | 3 | |
| Transformer | 3.25 | 3.25 | 3.25 | ||
| Line | 5 | 2.65 | 5 | ||
| DC/DC Boost Converter | L()/R()/C() | 2.2/20/1200 | |||
| Switching Frequency (kHz) | 10 | ||||
| Adaption Gains | |||||
References
- Ding, G.; Gao, F.; Zhang, F. Control of hybrid AC/DC microgrid under islanding operational conditions. J. Mod. Power Syst. Clean Energy 2014, 2, 223–232. [Google Scholar] [CrossRef]
- Blaabjerg, F.; Zhe, C.; Kjaer, S.B. Power electronics as efficient interface in dispersed power generation systems. IEEE Trans. Power Electron. 2004, 19, 1184–1194. [Google Scholar] [CrossRef]
- Baran, M.E.; Mahajan, N.R. DC distribution for industrial systems: Opportunities and challenges. IEEE Trans. Ind. Appl. 2003, 39, 1596–1601. [Google Scholar] [CrossRef]
- Sannino, A.; Postiglione, G.; Bollen, M.H. Feasibility of a DC network for commercial facilities. IEEE Trans. Ind. Appl. 2003, 39, 1499–1507. [Google Scholar] [CrossRef]
- Carrasco, J.M.; Franquelo, L.G.; Bialasiewwicz, J.T. Power electronic systems for the grid integration of renewable energy sources: A survey. IEEE Trans. Power Electron. 2006, 53, 1002–1016. [Google Scholar] [CrossRef]
- Raju, E.S.N.P.; Trapti, J. Hybrid AC/DC micro grid: An overview. In Proceedings of the Fifth International Conference on Power and Energy Systems, Kathmandu, Nepal, 28–30 October 2013. [Google Scholar]
- Liu, X.; Wang, P.; Loh, P.C. A hybrid AC/DC microgrid and its coordination control. IEEE Trans. Smart Grid 2011, 2, 278–286. [Google Scholar]
- Unamuno, E.; Barrena, J.A. Hybrid AC/DC microgrids-part I: Review and classification of topologies. Renew. Sustain. Energy Rev. 2015, 52, 1251–1259. [Google Scholar] [CrossRef]
- Loh, P.C.; Ding, L.; Yi, K.C.; Frede, B. Autonomous operation of hybrid microgrid with AC and DC sub-grids. IEEE Trans. Power Electr. 2013, 28, 2214–2223. [Google Scholar] [CrossRef]
- Singh, A.; Surjan, B.S. Microgrid: A review. Int. J. Res. Eng. Technol. 2014, 3, 185–198. [Google Scholar]
- Hatziargyriou, N. Microgirds: Architectures and Control; IEEE Press: Baltimore, MD, USA, 2014. [Google Scholar]
- Lasseter, R.H.; Paigi, P. Microgrid: A conceptual solution. In Proceedings of the IEEE Power Electronics Specialists Conference, Aachen, Germany, 20–25 June 2004. [Google Scholar]
- Garcés, S.I.; Montoya, D.G.; Ramos, C.A. Sliding-mode control of a charger/discharger DC/DC converter for DC-bus regulation in renewable power systems. Energies 2016, 9, 245. [Google Scholar] [CrossRef]
- Guerrero, J.M.; Vasquez, J.C.; Matas, J.; De Vicuña, L.G.; Castilla, M. Hierarchical control of droop-controlled AC and DC microgrids—A general approach toward standardization. IEEE Trans. Ind. Electron. 2011, 58, 158–172. [Google Scholar] [CrossRef]
- Rocabert, J.; Luna, A.; Blaabjerg, F.; Rodriguez, P. Control of power converters in AC microgrids. IEEE Trans. Power Electron. 2012, 27, 4734–4749. [Google Scholar] [CrossRef]
- Katiraei, F.; Iravani, M.R.R. Power management strategies for a microgrid with multiple distributed generation units. IEEE Trans. Power Syst. 2006, 21, 1821–1831. [Google Scholar] [CrossRef]
- Majumder, R.; Ghosh, A.; Ledwich, G.; Zare, F. Power management and power flow control with back-to-back converters in a utility connected microgrid. IEEE Trans. Power Syst. 2010, 25, 821–834. [Google Scholar] [CrossRef]
- Akhuleh, S.P.; Mokhtari, H.; Blaabjerg, F. Hierarchical Power Sharing Control in DC Microgrids. In Microgrid: Advanced Control Methods and Renewable Energy System Integration; Butterworth-Heinemann: Oxford, UK, 2017; pp. 63–100. [Google Scholar]
- Chaudhuri, N.R.; Chaudhuri, B.; Mujumder, R.; Yazdani, A. Multi-Termibal Direct-Current Grids: Modeling, Analysis and Control; John Wiley & Sons: Hoboken, NJ, USA, 2014. [Google Scholar]
- Nasirian, V.; Davoudi, A.; Lewis, F.L.; Guerrero, J.M. Distributed adaptive droop control for DC disribution systems. IEEE Trans. Energy Convers. 2014, 29, 944–956. [Google Scholar] [CrossRef]
- Morstyn, T.; Hredzak, B.; Demetriades, G.D.; Agelidis, V.G. Unified distributed control for DC microgrid operating modes. IEEE Trans. Power Syst. 2016, 31, 802–812. [Google Scholar] [CrossRef]
- Morstyn, T.; Hredzak, B.; Agelidis, V.G. Cooperative multi-agent control of heterogeneous storage devices distributed in a DC microgrid. IEEE Trans. Power Syst. 2016, 31, 2974–2986. [Google Scholar] [CrossRef]
- Peyghami, S.; Mokhtari, H.; Blaabjerg, F. Autonomous operation of a hybrid AC/DC microgrid with multiple interlinking converters. IEEE Trans. Smart Grid 2017, PP. [Google Scholar] [CrossRef]
- Ma, T.; Cintuglu, M.H.; Mohammed, O.A. Control of hybrid AC/DC microgrid involving energy storage and pulsed loads. IEEE Trans. Smart Grid 2014, 53, 567–575. [Google Scholar] [CrossRef]
- Baghaee, H.R.; Mirsalim, M.; Gharehpetian, G.B.; Talebi, H.A. A decentralized robust mixed H2/H∞ voltage control scheme to improve small/large-signal stability and FRT capability of islanded multi-DER microgrid considering load disturbances. IEEE Syst. J. 2017, 99, 1–12. [Google Scholar]
- Xu, Y. Robust finite-time caontrol for autonomous operation of an inverter-based microgrid. IEEE Trans. Ind. Inform. 2017, 13, 2717–2725. [Google Scholar] [CrossRef]
- Yu, X.; Starke, M.R.; Tolbert, L.M.; Ozpineci, B. Fuel cell power conditioning for electric power applications: A summary. IET Electr. Power Appl. 2007, 1, 643–656. [Google Scholar] [CrossRef]
- Seyedmahmoudian, M.; Mekhilef, S.; Rahmani, R.; Yusof, R.; Taslimi, E. Analytical modeling of partially shaded photovoltaic systems. Energies 2013, 6, 128–144. [Google Scholar] [CrossRef]
- Jiao, J. Sliding mode control for stabilizing of boost converter in a solid oxide fuel cell. Cybern. Inf. Technol. 2013, 13, 139–147. [Google Scholar] [CrossRef]
- Ayad, M.Y.; Becherif, M.; Djerdir, A. Sliding mode control for energy management of DC hybrid power sources using fuel cell, batteries and supercapacitors. In Proceedings of the IEEE International Conference on Clean Electrical Power, Capri, Itlay, 21–23 May 2007. [Google Scholar]
- Kishinevsky, Y.; Zelingher, S. Coming clean with fuel cells. IEEE Power Energy Mag. 2003, 99, 20–25. [Google Scholar] [CrossRef]
- Larminie, J.; Dicks, A. Fuel Cell Systems Explained; Wiley: Chichester, UK, 2003. [Google Scholar]
- Moldrik, P.; Chvalek, R. PEM fuel cells—The basic characteristics. In Proceedings of the IEEE International Conference on Environment and Electrical Engineering, Rome, Italy, 8–11 May 2011. [Google Scholar]
- Benziger, J.B.; Sattereld, M.B.; Hogarth, W.H.; Nehlsen, J.P.; Kevrekidis, I.G. The power performance curve for engineering analysis of fuel cells. J. Power Sources 2006, 155, 272–285. [Google Scholar] [CrossRef]
- Hoogers, G. Fuel Cell Technology Handbook; CRC Press: Boca Raton, FL, USA, 2003. [Google Scholar]
- Saadi, R.; Bahri, M.; Ayad, M.Y.; Becherif, M.; Kraa, O.; Aboubou, A. Implementation and dual loop control of two phases interleaved boost converter for fuel cell applications. In Proceedings of the IEEE International Symposium on Environmental Friendly Energies and Applications (EFEA), Paris, France, 19–21 November 2014. [Google Scholar]
- Kabalo, M.; Paire, D.; Blunier, B.; Bouquain, D.; Simões, M.G.; Miraoui, A. Experimental validation of high-voltage-ratio low-input-current-ripple converters for hybrid fuel cell supercapacitor systems. IEEE Trans. Veh. Technol. 2012, 61, 3430–3440. [Google Scholar] [CrossRef]
- Kabalo, M.; Paire, D.; Blunier, B.; Bouquain, D.; Simões, M.G.; Miraoui, A. Experimental evaluation of four-phase floating interleaved boost converter design and control for fuel cell applications. IET Power Electron. 2013, 6, 215–226. [Google Scholar] [CrossRef]
- Sabzegar, R.; Moallem, M. Modeling and control of a boost converter for irregular input sources. IET Power Electron. 2012, 5, 702–709. [Google Scholar] [CrossRef]
- Bacha, S.; Munteanu, I.; Bratcu, A.I. Power Electronic Converters Modeling and Control; Springer: London, UK, 2014. [Google Scholar]
- Krein, P.T.; Bentsman, J.; Bass, R.M.; Lesieutre, B. On the use of averaging for analysis of power electronic system. IEEE Trans. Power Electron. 1990, 5, 182–190. [Google Scholar] [CrossRef]
- Chen, J.; Erickson, R.; Maksimovic, D. Averaged switch modeling of boundary conduction mode DC-to-DC converters. In Proceedings of the IEEE Industrial Electronics Society, Denver, CO, USA, 29 November–2 December 2001. [Google Scholar]
- Hirschorn, R.M. Generalized sliding-mode control for multi-input nonlinear systems. IEEE Trans. Autom. Control 2006, 51, 1410–1422. [Google Scholar] [CrossRef]
- Slotine, J.J.; Li, W. Applied Nonlinear Control; Prentice Hall: Englewood Cliffs, NJ, USA, 1991. [Google Scholar]
- Zhong, Q.; Weiss, G. Synchroverters: Inverters that mimic synchronous generators. IEEE Trans. Ind. Electron. 2011, 58, 1259–1267. [Google Scholar] [CrossRef]
- Zhong, Q.; Weiss, G. Static synchronous generators for distributed generation and renewable energy. In Proceedings of the 2009 IEEE/PES Power Systems Conference and Exposition, Seattle, WA, USA, 15–18 March 2009. [Google Scholar]
- Beck, H.; Hesse, R. Virtual synchronous machine. In Proceedings of the 2007 9th International Conference on Electrical Power Quality and Utilisation, Barcelona, Spain, 9–11 October 2007. [Google Scholar]





















© 2017 by the authors. Licensee MDPI, Basel, Switzerland. This article is an open access article distributed under the terms and conditions of the Creative Commons Attribution (CC BY) license (http://creativecommons.org/licenses/by/4.0/).
Share and Cite
Pejmanfar, R.; Haghifam, M.R.; Soleymani, S.; Tavassoli, B. Large Signal Stabilization of Hybrid AC/DC Micro-Grids Using Nonlinear Robust Controller. Energies 2017, 10, 1985. https://doi.org/10.3390/en10121985
Pejmanfar R, Haghifam MR, Soleymani S, Tavassoli B. Large Signal Stabilization of Hybrid AC/DC Micro-Grids Using Nonlinear Robust Controller. Energies. 2017; 10(12):1985. https://doi.org/10.3390/en10121985
Chicago/Turabian StylePejmanfar, Reza, Mahmoud Reza Haghifam, Soodabeh Soleymani, and Babak Tavassoli. 2017. "Large Signal Stabilization of Hybrid AC/DC Micro-Grids Using Nonlinear Robust Controller" Energies 10, no. 12: 1985. https://doi.org/10.3390/en10121985
APA StylePejmanfar, R., Haghifam, M. R., Soleymani, S., & Tavassoli, B. (2017). Large Signal Stabilization of Hybrid AC/DC Micro-Grids Using Nonlinear Robust Controller. Energies, 10(12), 1985. https://doi.org/10.3390/en10121985
