Stability Analysis of Aircraft Power Systems Based on a Unified Large Signal Model
Abstract
:1. Introduction
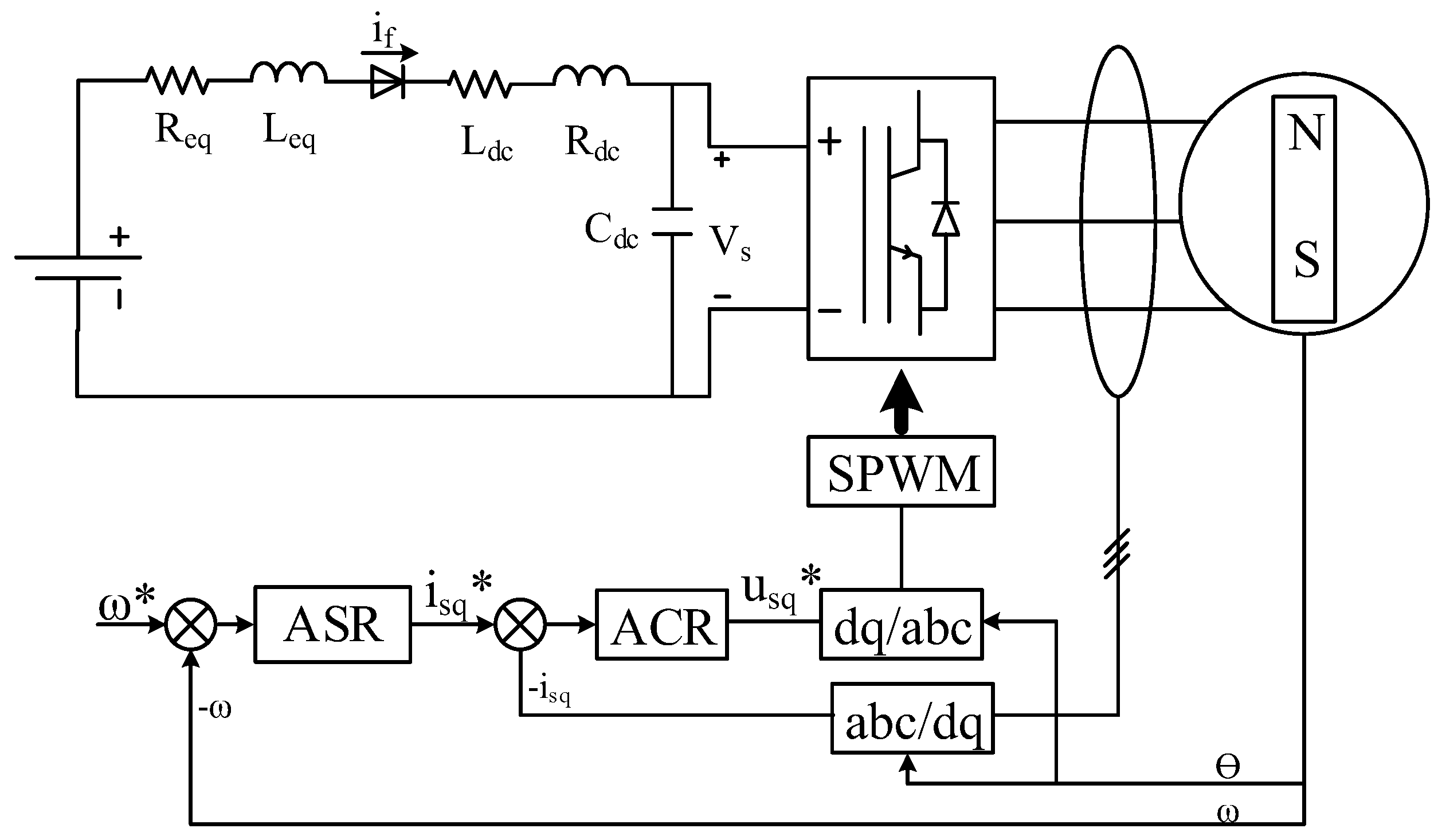
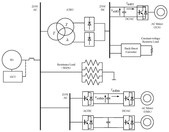
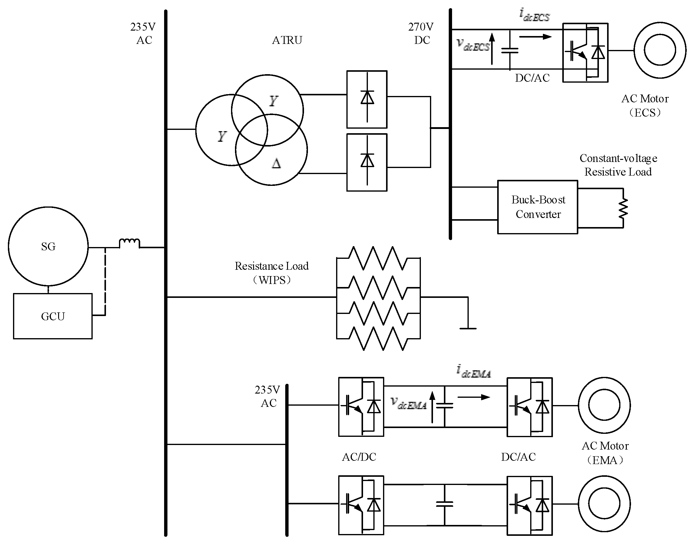
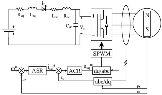
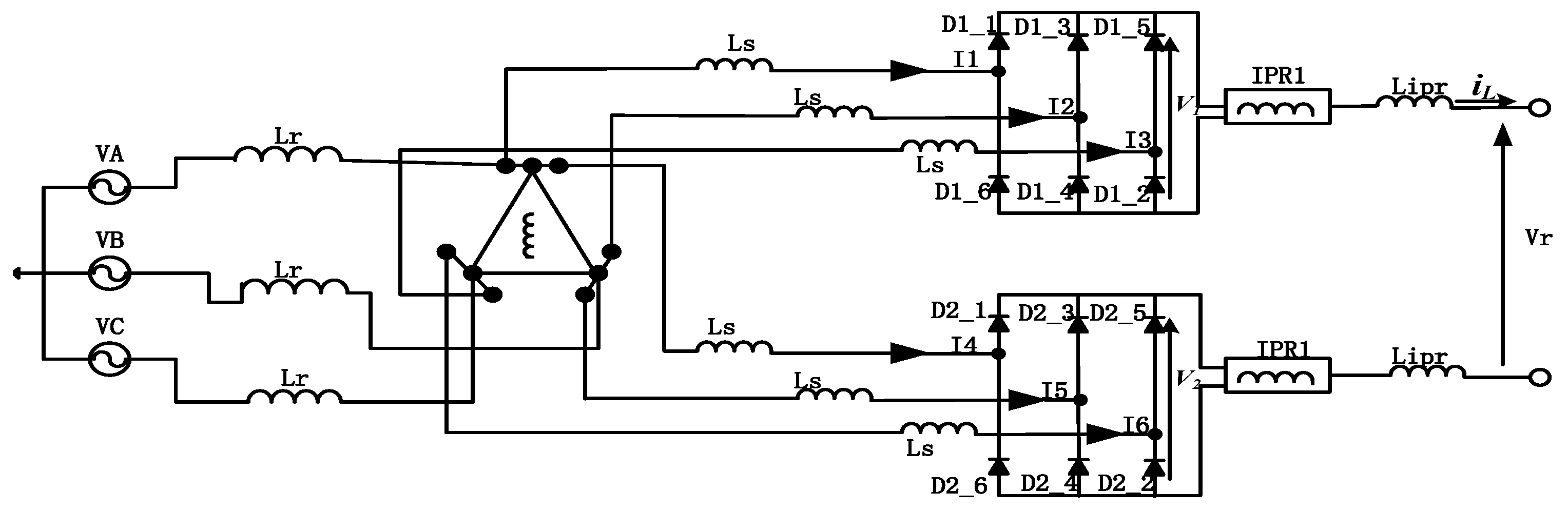
2. A Unified Large Signal Model of Aircraft Power Systems
3. Stability Criterion of Aircraft Power Systems Based on the Unified Large Signal Model
3.1. Criterion for Small Signal Stability
3.2. Criterion for Large Signal Stability
3.3. Unified Criterion for Large and Small Signal Stability
4. Simulation Verification
4.1. Validation of the Stability Criterion
4.2. Simulation Example of Large Signal Disturbance
4.3. Discussion
- (1)
- The proposed method can not only be used to analyze small signal problem, but also to analyze large signal problems of aircraft power systems;
- (2)
- The proposed method successfully reduces the order of aircraft power system models by using a reasonable and appropriate equivalent. By doing that, aircraft power system models can be simplified. This has many potential benefits for the theoretical analysis of aircraft power system stability;
- (3)
- The proposed method avoids calculating complicated impedance in the process of solving the stability criterion; therefore, it reduces the amount of calculation work.
5. Conclusions
Acknowledgments
Author Contributions
Conflicts of Interest
References
- Sarlioglu, B.; Morris, C.T. More electric aircraft: Review, challenges, and opportunities for commercial transport aircraft. IEEE Trans. Transp. Electrification 2015, 1, 54–64. [Google Scholar] [CrossRef]
- Wheeler, P.; Bozhko, S. The more electric aircraft: Technology and challenges. IEEE Electrification Mag. 2014, 2, 6–12. [Google Scholar] [CrossRef]
- Rajashekara, K. Parallel between more electric aircraft and electric/hybrid vehicle power conversion technologies. IEEE Electrification Mag. 2014, 2, 50–60. [Google Scholar] [CrossRef]
- Sarlioglu, B. Advances in AC-DC power conversion topologies for More Electric Aircraft. In Proceedings of the 2012 IEEE Transportation Electrification Conference and Expo (ITEC), Dearborn, MI, USA, 18–20 June 2012; pp. 1–6. [Google Scholar] [CrossRef]
- Yan, Y.G.; Qin, H.H.; Gong, C.Y.; Wang, H.Z. More electric aircraft and power eiectronics. J. Nanjing Univ. Aeronaut. Astronaut. 2014, 46, 11–18. [Google Scholar] [CrossRef]
- Bennett, J.W.; Mecrow, B.C.; Atkinson, D.J.; Atkinson, G.J. Safety-critical design of electromechanical actuation systems in commercial aircraft. IET Electr. Power Appl. 2011, 5, 37–47. [Google Scholar] [CrossRef]
- Garcia, A.; Cusido, I.; Rosero, J.A.; Ortega, J.A.; Romeral, L. Reliable electro-mechanical actuators in aircraft. IEEE Aerosp. Electron. Syst. Mag. 2008, 23, 19–25. [Google Scholar] [CrossRef]
- Rottach, M.; Gerada, C.; Wheeler, P.W. Design optimisation of a fault-tolerant PM motor drive for an aerospace actuation application. In Proceedings of the IET International Conference on Power Electronics, Machines and Drives, Manchester, UK, 8–10 April 2014; p. 0472. [Google Scholar] [CrossRef]
- Lee, J.Y.; Jeong, Y.S.; Han, B.M. An Isolated DC/DC converter using high-frequency unregulated, $LLC$ resonant converter for fuel cell applications. IEEE Trans. Ind. Electron. 2011, 58, 2926–2934. [Google Scholar] [CrossRef]
- Rivetta, C.; Williamson, G.A.; Emadi, A. Constant power loads and negative impedance instability in sea and undersea vehicles: Statement of the problem and comprehensive large-signal solution. In Proceedings of the IEEE Electric Ship Technologies Symposium, Philadelphia, PA, USA, 27 July 2005; pp. 313–320. [Google Scholar] [CrossRef]
- Wu, C.; Si, G.; Zhang, Y.; Yang, N. The fractional-order state-space averaging modeling of the Buck–Boost DC/DC converter in discontinuous conduction mode and the performance analysis. Nonlinear Dyn. 2015, 79, 689–703. [Google Scholar] [CrossRef]
- Emadi, A. Modelling of power electronic loads in AC distribution systems using the generalized state space averaging method. IEEE Trans. Ind. Electron. 2004, 51, 992–1000. [Google Scholar] [CrossRef]
- Che, Y.; Liu, G.; Yang, Z.; Liu, X. Model of inverter in more electric aircraft based on generalized state space averaging approach. In Proceedings of the 2015 6th International Conference on Power Electronics Systems and Applications (PESA), Hong Kong, China, 15–17 December 2015; pp. 1–5. [Google Scholar] [CrossRef]
- Cao, W.; Ma, Y.; Yang, L.; Wang, F.; Tolbert, L.M. D–Q impedance based stability analysis and parameter design of three-phase inverter-based AC power systems. IEEE Trans. Ind. Electron. 2017, 64, 6017–6028. [Google Scholar] [CrossRef]
- Han, S.B.; Choi, N.S.; Rim, C.T.; Cho, G.H. Modeling and analysis of static and dynamic characteristics for buck-type three-phase PWM rectifier by circuit DQ transformation. IEEE Trans. Power Electron. 1998, 13, 323–336. [Google Scholar] [CrossRef]
- Areerak, K.N.; Bozhko, S.V.; Asher, G.M.; Thomas, D.W.P. Stability analysis and modelling of AC-DC system with mixed load using DQ-transformation method. In Proceedings of the IEEE International Symposium on Industrial Electronics, Cambridge, UK, 30 June–2 July 2008; pp. 19–24. [Google Scholar] [CrossRef]
- Baghramian, A.; Forsyth, A.J. Averaged-value models of twelve-pulse rectifiers for aerospace applications. In Proceedings of the Second International Conference on Power Electronics, Machines and Drives, Edinburgh, UK, 31 March–2 April 2004; Volume 1, pp. 220–225. [Google Scholar] [CrossRef]
- Jadric, I.; Borojevic, D.; Jadric, M. Modeling and control of a synchronous generator with an active DC load. IEEE Trans. Power Electron. 2000, 15, 303–311. [Google Scholar] [CrossRef]
- Liutanakul, P.; Pierfederici, S.; Bilal, A.; Nahid-Mobarakeh, B.; Meibody-Tabar, F. Stability investigation of inverter motor drive system with input filter—Optimisation of the DC-link capacitance value. In Proceedings of the 2008 IEEE Power Electronics Specialists Conference, Rhodes, Greece, 15–19 June 2008; pp. 3728–3734. [Google Scholar] [CrossRef]
- Zhu, H.; Burgos, R.P.; Lacaux, F.; Uan-Zo-li, A.; Lindner, D.K.; Wang, F.; Boroyevich, D. Average modeling of three-phase and nine-phase diode rectifiers with improved AC current and DC voltage dynamics. In Proceedings of the 31st Annual Conference of IEEE Industrial Electronics Society, Raleigh, NC, USA, 6–10 November 2005; p. 6. [Google Scholar] [CrossRef]
- Han, L.; Wang, J.; Howe, D. Small-signal Stability Studies of a 270 V DC more-electric aircraft power system. In Proceedings of the 2006 3rd IET International Conference on Power Electronics, Machines and Drives, Dublin, Ireland, 4–6 April 2006; pp. 162–166. [Google Scholar] [CrossRef]
- Areerak, K.N.; Bozhko, S.V.; Asher, G.M.; De Lillo, L.; Thomas, D.W.P. Stability study for a hybrid AC-DC more-electric aircraft power system. IEEE Trans. Aerosp. Electron. Syst. 2012, 48, 329–347. [Google Scholar] [CrossRef]
- Du, W. Research on Key Aspects in Large-Signal Stability Analysis for Current Mode Controlled DC-DC Cascaded System; Zhejiang University: Hangzhou, China, 2013. [Google Scholar]
- Griffo, A.; Wang, J.; Howe, D. Large signal stability analysis of DC power systems with constant power loads. In Proceedings of the 2008 IEEE Vehicle Power and Propulsion Conference, Harbin, China, 3–5 September 2008; pp. 1–6. [Google Scholar] [CrossRef]
- Choi, S.; Enjeti, P.N.; Pitel, I.J. Polyphase transformer arrangements with reduced kVA capacities for harmonic current reduction in rectifier-type utility interface. IEEE Trans. Power Electron. 2002, 11, 680–690. [Google Scholar] [CrossRef]
- Griffo, A.; Wang, J. Large signal stability analysis of ‘More Electric’ aircraft power systems with constant power loads. IEEE Trans. Aerosp. Electron. Syst. 2012, 48, 477–489. [Google Scholar] [CrossRef]
- Jeltsema, D.; Scherpen, J.M.A. On Brayton and Moser’s missing stability theorem. IEEE Trans. Circuits Syst. II 2005, 52, 550–552. [Google Scholar] [CrossRef]
- Weiss, L.; Mathis, W.; Trajkovic, L. A generalization of Brayton-Moser’s mixed potential function. IEEE Trans. Circuits Syst. I 1998, 45, 423–427. [Google Scholar] [CrossRef]
- Liu, X.; Zhou, Y. Large signal stability criteria for constant power loads with double-stage LC filters. Proc. CSEE 2011, 31, 29–35. [Google Scholar] [CrossRef]











| Parameter | Value | Parameter | Value |
|---|---|---|---|
| Vm | 162/V | Ldc | 50/uH |
| f | 400/Hz | Cdc | 20–160/uF |
| Lp | 30/uH | Rdc | 0.5/Ω |
| Ls | 80/uH | Pcpl | 0.5–4.0/kW |
| Parameter | Value | Parameter | Value |
|---|---|---|---|
| Stator resistance | 2.875/Ω | Rotational inertia | 0.008/kg·m2 |
| Exciting flux | 0.175/Wb | Pole-pairs number | 1 |
| Stator d-axis inductance | 0.0085/uH | Speed regulator Kp/Ki | 11.7/140 |
| Stator q-axis inductance | 0.0085/uH | Current regulator Kp/Ki | 10.7/80 |
© 2017 by the authors. Licensee MDPI, Basel, Switzerland. This article is an open access article distributed under the terms and conditions of the Creative Commons Attribution (CC BY) license (http://creativecommons.org/licenses/by/4.0/).
Share and Cite
Che, Y.; Xu, J.; Shi, K.; Liu, H.; Chen, W.; Yu, D. Stability Analysis of Aircraft Power Systems Based on a Unified Large Signal Model. Energies 2017, 10, 1739. https://doi.org/10.3390/en10111739
Che Y, Xu J, Shi K, Liu H, Chen W, Yu D. Stability Analysis of Aircraft Power Systems Based on a Unified Large Signal Model. Energies. 2017; 10(11):1739. https://doi.org/10.3390/en10111739
Chicago/Turabian StyleChe, Yanbo, Jianmei Xu, Kun Shi, Huanan Liu, Weihua Chen, and Dongmin Yu. 2017. "Stability Analysis of Aircraft Power Systems Based on a Unified Large Signal Model" Energies 10, no. 11: 1739. https://doi.org/10.3390/en10111739
APA StyleChe, Y., Xu, J., Shi, K., Liu, H., Chen, W., & Yu, D. (2017). Stability Analysis of Aircraft Power Systems Based on a Unified Large Signal Model. Energies, 10(11), 1739. https://doi.org/10.3390/en10111739

