Design and Testing of a Separation and Desalination Device for Farmland Saline–Alkaline Water in Arid Areas
Abstract
:1. Introduction
2. Composition, Working Principle, and Design
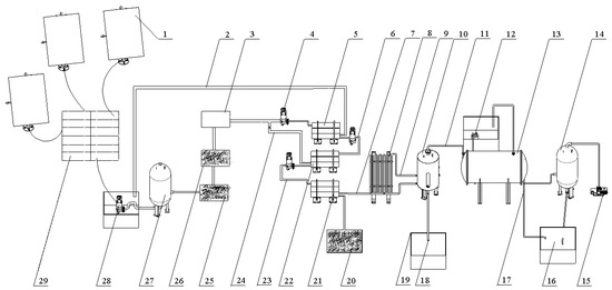
2.1. Composition
2.2. Working Principle
2.3. Design of Key Parts
2.3.1. Pretreatment Modules
2.3.2. Filter Modules
2.3.3. Pretreatment Modules
2.3.4. Flash Tank
- (1)
- Flow velocity of the gas
- (2)
- Diameter of the flash tank
- (3)
- Height of the flash tank
2.3.5. Shell-and-Tube Circulating Condenser
- (1)
- Calculation of heat release
- (2)
- Number of stainless-steel radiating tubes
- (3)
- Length of the stainless-steel radiating tubes
- (4)
- Diameter of the shell-and-tube circulating condenser
3. Materials and Methods
3.1. Source and Composition of Saline–Alkaline Water
3.2. Test Design
3.2.1. Pretreatment Effect Test
3.2.2. Comparison of the NF Membrane, the RO Membrane, and the Composite NF–RO Membrane System in Terms of the Filtering Effect
3.2.3. Heat-Collecting Effect of the Circulating Solar Collector Tube
3.2.4. Distillation Test of the Flash Tank
- (1)
- To keep the vacuum degree of the flash tank constant, the temperature of the concentrated water at the inlet of the flash tank was changed to analyze how the temperature affected the flash effect.
- (2)
- To ensure that the temperature of the concentrated water entering the flash tank remained constant, the vacuum degree of the flash tank was changed to analyze how the vacuum degree affected the flash effect.
3.2.5. Condensation Effect of the Shell-and-Tube Circulating Condenser
3.2.6. Solar Salt-Making Test
3.3. Test Indices and Methods
3.3.1. Indices and Methods of the Pretreatment Test
3.3.2. Filter Effect Test Index and Method for the Membrane Combination Comparison
3.3.3. Filter Effect Test Index and Method for the Membrane Combination Comparison
3.3.4. Indices and Methods of the Flash Effect Test
3.3.5. Indices and Methods of the Condensation Effect Test
3.3.6. Test Indicators and Methods for Solar Salt Drying
3.4. Date Processing and Analysis
4. Results and Analysis
4.1. Effect of Pretreatment
4.2. Filtration Effects of the NF Membrane, RO Membrane, and Composite NF–RO Membrane System
4.3. Heat-Collecting Effect of the Circulating Solar Collector Tube
4.4. Analysis of the Effect of Flash Tank Distillation
4.5. Condensation Effect of the Shell-and-Tube Circulating Condenser
4.6. Effect of Solar Salt Making
4.6.1. Precipitation Rates of Crystals Formed by Concentrated Water in the Solar Salt Box
4.6.2. Components of Crystals in the Solar Salt Box
5. Discussion
5.1. Effect of the Separation and Desalination Device for Farmland Saline–Alkaline Water
5.2. Comparative Analysis of the Separation and Desalination Device for Farmland Saline–Alkaline Water
5.3. Application Prospect of Saline–Alkali Water Separation and Desalination Device in an Arid Area
6. Conclusions
Author Contributions
Funding
Institutional Review Board Statement
Informed Consent Statement
Data Availability Statement
Acknowledgments
Conflicts of Interest
References
- Chen, Y.N.; Cui, W.C.; Li, W.H.; Zhang, Y.M. Utilization of Water Resources and Ecological Protection in the Tarim River. Acta Geogr. Sin. 2003, pp. 215–222. Available online: https://kns.cnki.net/kcms/detail/detail.aspx?FileName=DLXB200302007&DbName=CJFQ2003 (accessed on 28 November 2021).
- Zhang, J.P.; Cao, C.Y.; Feng, D.; Sun, J.S.; Li, K.J.; Liu, J. Effects of different planting patterns on cotton yield and soli water-salt under brackish water irrigation before sowing. Trans. Chin. Soc. Agric. Mach. 2013, 44, 91–102. [Google Scholar] [CrossRef]
- Liu, M.; Wang, Z.C.; Yang, F.; Li, J.P.; Liang, Z.W. Application progress of biochar in amelioration of saline-alkaline soil. J. Soil Water Conserv. 2021, 35, 1–8. [Google Scholar] [CrossRef]
- Amini, S.; Chadi, H.; Chen, C.R.; Marschner, P. Salt-affected soils reclamation, carbon dynamics, and biochar: A review. J. Soils Sediments 2016, 16, 939–953. [Google Scholar] [CrossRef]
- Hu, M.F.; Tian, C.Y.; Zhao, Z.Y.; Wang, L.X. Salinization causes and research progress of technologies improving saline-alkali soil in Xinjiang. J. Northwest Agric. For. Univ. 2012, 40, 111–117. [Google Scholar] [CrossRef]
- Li, L.; Liu, H.; He, X.; Lin, E.; Yang, G. Winter irrigation effects on soil moisture, temperature and salinity, and on cotton growth in salinized fields in northern Xinjiang, China. Sustainability 2020, 12, 7573. [Google Scholar] [CrossRef]
- Guan, Z.L.; Jia, Z.F.; Zhao, Z.Q.; You, Q. Dynamics and distribution of soil salinity under long-term mulched drip irrigation in an arid area of northwestern China. Water 2019, 11, 1125. [Google Scholar] [CrossRef] [Green Version]
- He, P.R.; Zhang, F.C.; Hou, X.H.; Liu, L.J.; Meng, X.C.; Zhang, C.Y.; Cheng, H.L. Effects of Soil Water Regulation on Cotton Yield and Soil Water-Salt Distribution Under Drip Irrigation in Southern Xinjiang. Res. Soil Water Conserv. 2020, 27, 84–92. [Google Scholar] [CrossRef]
- Hanson, B.R.; Ayars, J.E. Strategies for reducing subsurface drainage in irrigated agriculture through improved irrigation. Irrig. Drain. Syst. 2002, 16, 261–277. [Google Scholar] [CrossRef]
- Wilson, P.N.; Gibson, R.D. The economics of agriculture in the maricopa−stanfield irrigation and drainage district in central arizona. Irrig. Drain. Syst. 2000, 14, 121–138. [Google Scholar] [CrossRef]
- Zhang, L.; Yang, F.; Wang, Z.C. Research advances of saline soil reclamation by freezing saline water irrigation and meltwater leaching. Soils Cropes 2021, 10, 202–212. [Google Scholar]
- Liu, Y. Experiments of brackish water desalination by nanofiltration method and health risk assessment. Inn. Mong. Univ. Sci. Technol. 2016. [Google Scholar] [CrossRef]
- Tiwari, G.N.; Kumar, A. Nocturnal water production by tubular solar stills using waste heat to preheat brine. Desalination 1988, 69, 309–318. [Google Scholar] [CrossRef]
- Dai, Y.J.; Zhang, H.F. Experimental investigation of a solar desalination unit with humidification and dehumidification. Desalination 2000, 130, 169–175. [Google Scholar] [CrossRef]
- Yang, H.J. Study of the Membrane Module and System for Solar Heated Vacuum Membrane Distillation. Zhejiang University. 2008. Available online: https://kns.cnki.net/kcms/detail/detail.aspx?FileName=2008091408.nh&DbName=CMFD2008 (accessed on 3 January 2022).
- Cho, Y.; Kim, Y.; Chung, K.S. A study of optimum slope angles of fixed and azimuth tracking solar collectors by region, period and year. In Proceedings of the SAREK Summer Annual Conference, Pyungchang, Korea, 23–25 June 2010; pp. 23–25. [Google Scholar]
- Zhang, M.; Gao, Q.J.; Chen, W.; Lu, X. Experimental study on vacuum multi-effect membrane distillation process. Water Treat. Technol. 2012, 38, 57–62. [Google Scholar] [CrossRef]
- Martinopoulos, G.; Ikonomopoulos, A.; Tsilingiridis, G. Initial evaluation of a phase change solar collector for desalination applications. Desalination 2016, 399, 165–170. [Google Scholar] [CrossRef]
- Jun, Y.J.; Song, Y.H.; Park, K.S. A Study on the Prediction of the Optimum Performance of a Small-Scale Desalination System Using Solar Heat Energy. Energies 2017, 10, 1274. [Google Scholar] [CrossRef] [Green Version]
- Liu, J.; Tian, J.C. Design and Experiment on RO Brine Desalination System by Solar Vacuum Membrane Distillation in Cold Region. Trans. Chin. Soc. Agric. Eng. 2018, 34, 238–245. Available online: https://kns.cnki.net/kcms/detail/detail.aspx?FileName=NYGU201815030&DbName=CJFQ2018 (accessed on 13 February 2022).
- Lacroix, C.; Perier-Muzet, M.; Stitou, D. Dynamic Modeling and Preliminary Performance Analysis of a New Solar Thermal Reverse Osmosis Desalination Process. Energies 2019, 12, 4015. [Google Scholar] [CrossRef] [Green Version]
- Bdour, M.; Dalala, Z.; Al-Addous, M.; Kharabsheh, A.; Khzouz, H. Mapping RO-Water Desalination System Powered by Standalone PV System for the Optimum Pressure and Energy Saving. Appl. Sci. 2020, 10, 2161. [Google Scholar] [CrossRef] [Green Version]
- Zhang, Y. Vacuum Membrane Distillation for Seawater Desalination and Gas-Liquid Two-Phase Flow Enhancement; Zhejiang University: Hangzhou, China, 2021. [Google Scholar] [CrossRef]
- Ali, E. Optimal Control of a Reverse Osmosis Plant for Brackish Water Desalination Driven by Intermittent Wind Power. Membranes 2022, 12, 375. [Google Scholar] [CrossRef]
- Sun, Z.L.; Hu, Q.Y.; Tu, W.R.; Fang, S.B.; Yang, Y. Heat Transfer Characteristics in Circulating Solar Heat Tubes Based on Gas-Liquid Two-Phase Flow. Trans. Chin. Soc. Agric. Eng. 2019, 35, 246–254. Available online: https://kns.cnki.net/kcms/detail/detail.aspx?FileName=NYGU201924029&DbName=CJFQ2019 (accessed on 8 March 2022).
- GB 50495-2009; Technical Code for Solar Heating System. China Academy of Building Research. Available online: https://www.antpedia.com/standard/5865125-1.html (accessed on 13 January 2022).
- HG/T 20570.8-95; Gas-Liquid Separator Design. China Huanqiu Chemical Engineering Company. Available online: https://www.doc88.com/p-9428282202314.html (accessed on 1 December 2021).
- GB/T4746-2002; Formed Heads for Steel Pressure Vessels. State Economic and Trade Commission. Available online: https://wenku.baidu.com/view/a31b8703783e0912a2162a9c.html (accessed on 1 July 2021).
- Tan, T.E. Principles of Chemical Engineering, 4th ed.; Chemical Industry Press: Beijing, China, 2013. [Google Scholar]
- Zhang, X.M. Heat Transter, 6th ed.; China Architecture & Building Press: Beijing, China, 2014. [Google Scholar]
- Yang, Q.; Hu, C.; Li, J.; Yi, X.; He, Y.; Zhang, J.; Sun, Z. A Separation and Desalination Process for Farmland Saline-Alkaline Water. Agriculture 2021, 11, 1001. [Google Scholar] [CrossRef]
- GB 5084-2021. Standard for Irrigation Water Quality in China. Ministry of Ecology and Environment of the People’s Republic of China: Beijing, China, 2021. Available online: www.mee.gov.cn/ywgz/fgbz/bz/bzwb/shjbh/shjzlbz/202102/t20210209_821075.shtml (accessed on 1 July 2021).
- Abdallah, S.B.; Frikha, N.; Gabsi, S. Simulation of solar vacuum membrane distillation unit. Desalination 2013, 324, 87–92. [Google Scholar] [CrossRef]
- Smith, J.M.; Van Ness, H.C.; Abbott, M.M. Introduction to Chemical Thermodynamics; Chemical Industry Press: Beijing, China, 2014. [Google Scholar]
- Subramani, A.; Badruzzaman, M.; Oppenheimer, J.; Jacangelo, J.G. Energy minimization strategies and renewable energy utilization for desalination: A review. Water Res. 2011, 45, 1907–1920. [Google Scholar] [CrossRef] [PubMed]
- Khayet, M. Solar desalination by membrane distillation: Dispersion in energy consumption analysis and water production costs (a review). Desalination 2012, 308, 89–101. [Google Scholar] [CrossRef]
- Nafey, A.S.; Fath, H.E.S.; El-Helaby, S.O.; Soliman, A. Solar desalination using humidification–dehumidification processes. Part II. An experimental investigation. Energy Convers. Manag. 2004, 45, 1263–1277. [Google Scholar] [CrossRef]
- Zhao, W.; Shen, A.; Qiao, Z.; Zheng, J.; Wang, X. Carbonate karst reservoirs of the Tarim Basin, northwest China: Types, features, origins, and implications for hydrocarbon exploration. Interpretation 2014, 2, 65–90. [Google Scholar] [CrossRef]







| Ionic Composition of Saline–Alkali Water | Ion Mass Concentration (mg/L) | Percentage of Ion Mass Concentration (%) |
|---|---|---|
| Na+ | 4411.58 | 27.38 |
| Ca2+ | 798.75 | 4.96 |
| Mg2+ | 543.41 | 3.37 |
| Cl− | 7468.89 | 46.36 |
| SO42− | 2124.12 | 13.19 |
| HCO3− | 763.25 | 4.74 |
| Total salt | 16110 | 100 |
| Index | Raw Salt Alkaline Water | Saline–Alkaline Water after Pretreatment |
|---|---|---|
| Average salt content (mg/L) | 16,834 | 16,110 |
| Average turbidity (NTU) | 6.9 | <1 |
| Average pollution index (SDI) | 6.3 | <3 |
| Test Items | Desalination Rate (%) | Hardness Removal Rate (%) | Cl− Removal Rate (%) | |
|---|---|---|---|---|
| ROmembrane | Primary RO water production | 27.63 | 97.23 | 75.81 |
| Secondary RO water production | 65.36 | 95.38 | 91.03 | |
| Tertiary RO water production | 93.01 | 96.69 | 96.74 | |
| NFmembrane | Primary NF water production | 31.29 | 94.83 | 79.25 |
| Secondary NF water production | 67.48 | 95.96 | 90.47 | |
| Tertiary NF water production | 94.83 | 97.94 | 96.83 | |
| NF–ROmembrane | Primary NF–RO water production | 28.81 | 89.62 | 76.81 |
| Primary NF–RO water production | 66.01 | 94.65 | 89.74 | |
| Primary NF–RO water production | 97.06 | 97.83 | 99.65 | |
| Time (d) | 1 | 2 | 3 | 4 | 5 | 6 | 7 | 8 |
|---|---|---|---|---|---|---|---|---|
| Theoretical crystallization weight (a) | 7.26 | 6.89 | 6.94 | 7.17 | 7.03 | 7.14 | 7.09 | 7.28 |
| Actual crystallization weight (b) | 6.97 | 6.65 | 6.81 | 6.98 | 6.84 | 6.83 | 6.85 | 7.06 |
| Crystallization rate (b/a) | 96.01% | 96.52% | 98.15% | 97.35% | 97.29% | 95.65% | 96.61% | 96.97% |
| Element | Na | Ca | Mg | Cl |
|---|---|---|---|---|
| Relative content of elements (%) | 46.12 | 1.36 | 0.77 | 51.75 |
Publisher’s Note: MDPI stays neutral with regard to jurisdictional claims in published maps and institutional affiliations. |
© 2022 by the authors. Licensee MDPI, Basel, Switzerland. This article is an open access article distributed under the terms and conditions of the Creative Commons Attribution (CC BY) license (https://creativecommons.org/licenses/by/4.0/).
Share and Cite
Yang, Q.; Hu, C.; Li, J.; Yi, X.; Zhang, J.; Sun, Z. Design and Testing of a Separation and Desalination Device for Farmland Saline–Alkaline Water in Arid Areas. Int. J. Environ. Res. Public Health 2022, 19, 6178. https://doi.org/10.3390/ijerph19106178
Yang Q, Hu C, Li J, Yi X, Zhang J, Sun Z. Design and Testing of a Separation and Desalination Device for Farmland Saline–Alkaline Water in Arid Areas. International Journal of Environmental Research and Public Health. 2022; 19(10):6178. https://doi.org/10.3390/ijerph19106178
Chicago/Turabian StyleYang, Qiaonan, Can Hu, Jie Li, Xiaokang Yi, Jie Zhang, and Zhilin Sun. 2022. "Design and Testing of a Separation and Desalination Device for Farmland Saline–Alkaline Water in Arid Areas" International Journal of Environmental Research and Public Health 19, no. 10: 6178. https://doi.org/10.3390/ijerph19106178
APA StyleYang, Q., Hu, C., Li, J., Yi, X., Zhang, J., & Sun, Z. (2022). Design and Testing of a Separation and Desalination Device for Farmland Saline–Alkaline Water in Arid Areas. International Journal of Environmental Research and Public Health, 19(10), 6178. https://doi.org/10.3390/ijerph19106178

