Analysis of “2·28” KEEPER Chemical Industries Hazardous Chemical Explosion Accident Based on FTA and HFACS
Abstract
1. Introduction
2. Discussion on Accident Investigation Model
2.1. Fault Tree Analysis (FTA)
2.2. Human Factors Analysis and Classification System (HFACS)
2.3. Combination of FTA and HFACS
3. Case Study
3.1. Accident Description
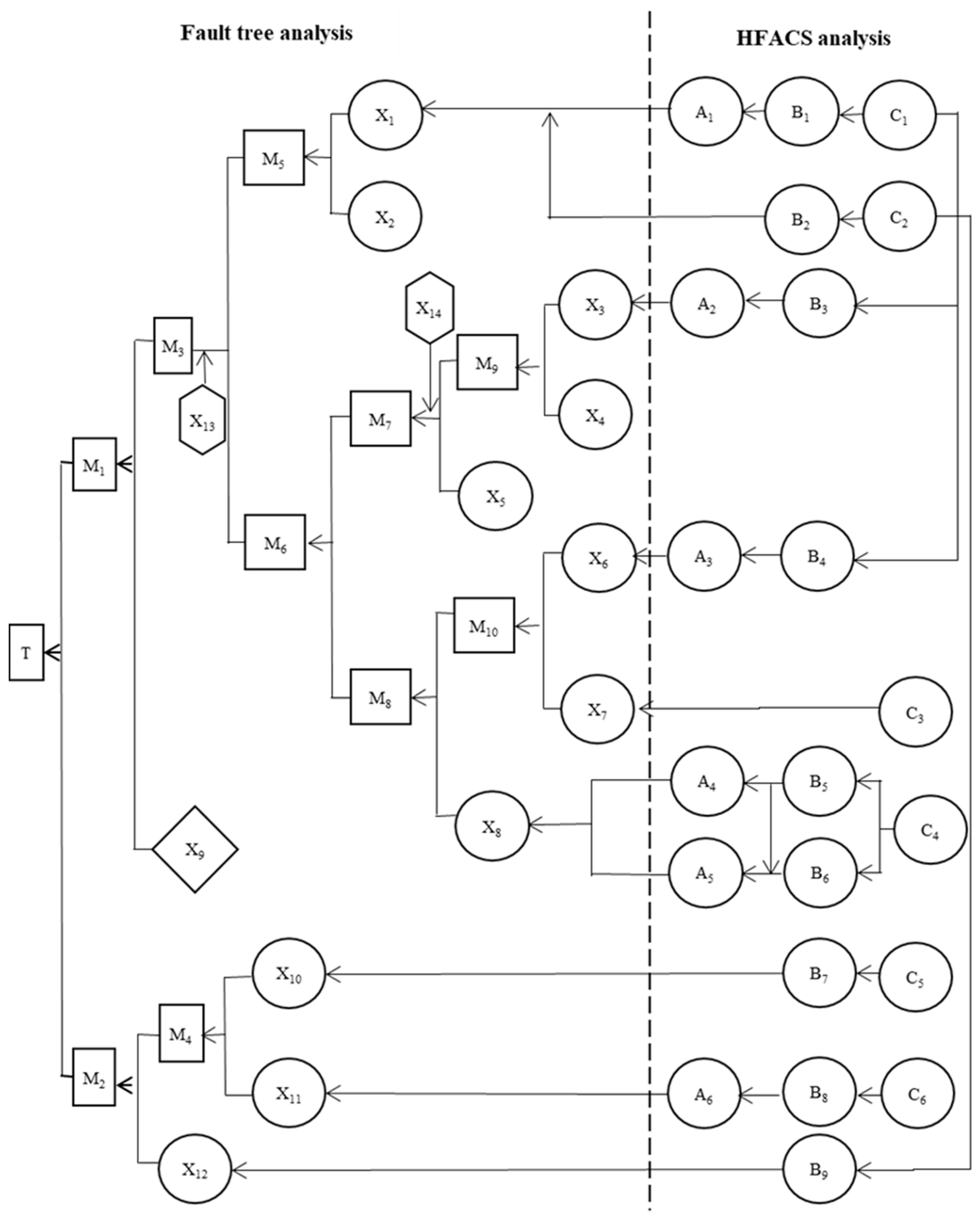
3.2. Fault Tree Analysis
- X1
- The outlet temperature of the heat transfer oil heater was increased.
- X3
- Employees did not review the tightness of the heat transfer oil hose connection.
- X6
- The operator removed the temperature indicator in the reactor.
- X7
- Maintenance of important equipment was not performed regularly.
- X8
- The exchange of information between employees and supervisors was not timely.
- X10
- On-the-job operation occurred without effective training.
- X11
- Employees were unclear about hazards such as those related to guanidine nitrate.
- X12
- There was a failure to find the problem in time.
3.3. HFACS Analysis
3.3.1. Unsafe Acts
3.3.2. Preconditions for Unsafe Acts
3.3.3. Unsafe Supervision
3.3.4. Organizational Influences
3.4. Logical Diagram of Accident Causes
4. Conclusions
Author Contributions
Funding
Conflicts of Interest
References
- Du, X.Y.; Cheng, W.Y.; Wu, J.H. Statistical Analysis and Suggestions on Hazardous Chemicals Accidents Occurring Regularities in China. Saf. Environ. Eng. 2017, 24, 158–162. (In Chinese) [Google Scholar]
- Investigation Report on the “2·28” Major Explosion Accident of Hebei KEEPER Chemical Company. Available online: http://www.aqkpw.com/Article/Show.asp?id=12405 (accessed on 12 January 2018). (In Chinese).
- Nivolianitou, Z.; Konstandinidou, M.; Michalis, C. Statistical analysis of major accidents in petrochemical industry notified to the major accident reporting system (MARS). J. Hazard. Mater. 2006, 137, 1–7. [Google Scholar] [CrossRef] [PubMed]
- Jing, F.U.; Liu, H.; Ji, G.E. Analyses about Chemical Industry Accidents Based on the Behavior Safety “2-4” Model. J. Jilin Inst. Chem. Technol. 2015, 32, 59–64. (In Chinese) [Google Scholar]
- Zhao, L.; Qian, Y.; Hu, Q.M. An Analysis of Hazardous Chemical Accidents in China between 2006 and 2017. Sustainability 2018, 10, 2935. [Google Scholar] [CrossRef]
- Zhang, H.D.; Zheng, X.P. Characteristics of hazardous chemical accidents in China: A statistical investigation. J. Loss Prev. Process Ind. 2012, 25, 686–693. [Google Scholar] [CrossRef]
- Edwards, E. Man and machine: Systems for safety. In Proceedings of the British Airline Pilots Association Technical Symposium; British Airline Pilots Association: London, UK, 1972; pp. 21–36. [Google Scholar]
- Reason, J. Human error: Models and management. West. J. Med. 2000, 172, 393. [Google Scholar] [CrossRef] [PubMed]
- Wiegmann, D.A.; Shappell, S.A. A Human Error Approach to Aviation Accident Analysis: The Human Factors Analysis and Classification System; Reference & Research Book News; Routledge: London, UK, 2003. [Google Scholar]
- Fu, G.; Yan, W.T.; Dong, J.Y. Behavior based accident causation the “2-4” model and its safety implications in coal mines. J. China Coal Soc. 2013, 38, 1123–1129. (In Chinese) [Google Scholar]
- Dekker, S.W. Reconstructing human contributions to accidents: The new view on error and performance. J. Saf. Res. 2002, 33, 371–385. [Google Scholar] [CrossRef]
- Shappell, S.; Detwiler, C.; Holcomb, K. Human Error and Commercial Aviation Accidents: An Analysis Using the Human Factors Analysis and Classification System. Hum. Factors 2007, 49, 227–242. [Google Scholar] [CrossRef] [PubMed]
- Daramola, A.Y. An investigation of air accidents in Nigeria using the Human Factors Analysis and Classification System (HFACS) framework. J. Air Transp. Manag. 2014, 35, 39–50. [Google Scholar] [CrossRef]
- Lower, M.; Magott, J.; Skorupski, J. A System-Theoretic Accident Model and Process with Human Factors Analysis and Classification System taxonomy. Saf. Sci. 2018, 110, 393–410. [Google Scholar] [CrossRef]
- Rashid, H.S.J.; Place, C.S.; Braithwaite, G.R. Helicopter maintenance error analysis: Beyond the third order of the HFACS-ME. Int. J. Ind. Ergon. 2010, 40, 636–647. [Google Scholar] [CrossRef]
- Patterson, J.M.; Shappell, S.A. Operator error and system deficiencies: Analysis of 508 mining incidents and accidents from Queensland, Australia using HFACS. Accid. Anal. Prev. 2010, 42, 1379–1385. [Google Scholar] [CrossRef] [PubMed]
- Chauvin, C.; Lardjane, S.; Morel, G. Human and organizational factors in maritime accidents: Analysis of collisions at sea using the HFACS. Accid. Anal. Prev. 2013, 59, 26–37. [Google Scholar] [CrossRef] [PubMed]
- Cohen, T.N.; Francis, S.E.; Wiegmann, D.A. Using HFACS-Healthcare to Identify Systemic Vulnerabilities During Surgery. Am. J. Med. Qual. 2018. [Google Scholar] [CrossRef] [PubMed]
- Madigan, R.; Golightly, D.; Madders, R. Application of Human Factors Analysis and Classification System (HFACS) to UK rail safety of the line incidents. Accid. Anal. Prev. 2016, 97, 122–131. [Google Scholar] [CrossRef] [PubMed]
- Gong, Y.; Fan, Y. Applying HFACS approach to accident analysis in petro-chemical industry in China: Case study of explosion at Bi-benzene Plant in Jilin. In Proceedings of the AHFE 2016 International Conference on Safety Management and Human Factors, Walt Disney World, FL, USA, 17–22 July 2016; Pedro, A., Ed.; Springer: Basel, Switzerland, 2016; pp. 399–406. [Google Scholar]
- Zhou, L.; Fu, G.; Xue, Y.J.Y. Human and organizational factors in Chinese hazardous chemical accidents: A case study of the ‘8.12’ Tianjin Port fire and explosion using the HFACS-HC. Int. J. Occup. Saf. Ergon. 2017, 24, 329–340. [Google Scholar] [CrossRef] [PubMed]
- Chen, J.M.; Yang, R.S. Analysis of mine water inrush accident based on FTA. Procedia Environ. Sci. 2011, 11, 1550–1554. [Google Scholar] [CrossRef]
- Yüksekyildiz, E. Marine accident analysis for collision and grounding in oil tanker using FTA method. Marit. Policy Manag. 2015, 42, 163–185. [Google Scholar] [CrossRef]
- Omidvari, M.; Seyyed, M.A.; Hossein, M. An investigation of the influence of managerial factors on industrial accidents in the construction industry using the gray FTA method. Grey Syst. Theory Appl. 2016, 6, 96–109. [Google Scholar] [CrossRef]
- Jafarian, E.; Rezvani, M.A. Application of fuzzy fault tree analysis for evaluation of railway safety risks: An evaluation of root causes for passenger train derailment. Proc. Inst. Mech. Eng. Part F J. Rail Rapid Transit. 2012, 226, 14–25. [Google Scholar] [CrossRef]
- Mulyana, C.; Muhammad, F.; Saad, A.H. Failure analysis of storage tank component in LNG regasification unit using fault tree analysis method (FTA). Proc. Conf. AIP 2017, 1827, 020014. [Google Scholar]
- Li, C.Y.; Wang, J.L.; Yin, L. Risk Analysis of Fire and Explosion Accident of Chlorination Reaction Runaway Based on FTA and ISM. Ind. Saf. Environ. Prot. 2017, 43, 25–29. (In Chinese) [Google Scholar]
- Liu, R.L.; Yu, Y.B. Analysis of Coal Mine Gas Explosion Accidents Based on FTA-AHP Method. J. Shandong Univ. Sci. Technol. 2017, 36, 81–89. (In Chinese) [Google Scholar]
- State Administration of Work Safety (SAWS). Guidelines for Process Safety Management of Petrochemical Corporations; Standard No. AQ/T 3034–2010; SAWS: Beijing, China, 2010. (In Chinese)



| Code | Meaning | Code | Meaning |
|---|---|---|---|
| T | Guanidine nitrate explosion | X3 | Employees did not review the tightness of the heat transfer oil hose connection |
| M1 | High-intensity shock wave, high-temperature metal fragments | X4 | Heat transfer oil hose aging |
| M2 | Guanidine nitrate retained near reactor 1 | X5 | The temperature of the pipeline inside the insulation layer wastoo high |
| M3 | The guanidine nitrate in reactor 1 exploded | X6 | The operator removed the temperature indicator in the reactor |
| M4 | The produced guanidine nitrate was not transported in time | X7 | Maintenance of important equipment was not performed regularly |
| M5 | The temperature in the reactor was close to the deflagration point of guanidine nitrate | X8 | The information exchanged between employees and supervisors was not timely |
| M6 | The temperature at the bottom of the reactor increased | X9 | Existing transmission medium |
| M7 | The heat transfer oil leaked and spontaneously ignited | X10 | On-the-job operation without effective training |
| M8 | Improper fire emergency disposal | X11 | Employees wereunclear about hazards such as those relating to guanidine nitrate |
| M9 | The heat transfer oil hose connection was not tight | X12 | Failure to find the problem in time |
| M10 | The temperature of the material in the reactor was out of control | X13 | The temperature in the reactor reached the deflagration point of guanidine nitrate |
| X1 | The outlet temperature of the heat transfer oil heater was increased | X14 | The heat transfer oil ignition point was reached |
| X2 | Sound and light alarm, automatic power off device failure | - | - |
| Personnel Category | Main Responsibilities and Tasks |
|---|---|
| Employee | Works under the leadership of the workshop director, complies with the relevant safety management system of the enterprise |
| Workshop director | Responsible for the safe production of the workshop, leading the employees to complete the working scheme |
| Supervisor | Responsible for the company’s safety production and management, assisting the manager in completing the development and implementation of the safety management system, and providing adequate and appropriate supervision, incentive, guidance, and training for employees and workshop director |
| Manager | Implements national and local laws and regulations, fulfills the responsibility of the first person responsible for production safety, and presides over the development of relevant procedures, documents, and various rules and regulations for safe production |
| Unsafe Acts | Preconditionsfor Unsafe Acts | Unsafe Supervision | Organizational Influences |
|---|---|---|---|
| X1 The outlet temperature of the heat transfer oil heater was increased (Decision errors) | A1 Workshop director lackedawareness of chemical hazards (Personal readiness) | B1 Employees were not provided with adequate training and guidance on hazardous chemicals knowledge (Inadequate supervision) B2 Workshop production implemented a “piece rate system” (Planned inappropriate operations) | C1 Insufficient human resource management (Resource management) C2 Poor safety climate (Organizational climate) |
| X3 The employee did not review the tightness of the heat transfer oil hose connection (Skill-based errors) | A2 The employee checked for omissions and lacked skills (Physical/mental limitations) | B3 Did not provide adequate guidance on professional skills to employees (Inadequate supervision) | C1 Insufficient human resource management (Resource management) |
| X6 The operator removed the temperature indicator in the reactor (Decision errors) | A3 The operator was not aware of the importance of the temperature indicator in the reactor (Personal readiness) | B4 No training or explanation on equipment and facilities and their functions provided to employees (Inadequate supervision) | C1 Insufficient human resource management (Resource management) |
| X7 Maintenance of important equipment was not performed regularly (Routine violations) | - | - | C3 Didnot pay attention to the management of important equipment and facilities (Resource management) |
| X8 The information exchanged between employees and supervisors was not timely (Skill-based errors) | A4 Insufficient experience and ability to handle complex situations (Physical/mental limitations) A5 Lack of teamwork among employees (Communication and coordination) | B5 Failure to provide adequate emergency guidance to employees (Inadequate supervision) B6 There was no commander at the scene of the fire (Inadequate supervision) | C4 No emergency response procedure established (Organizational process) |
| X10 On-the-job operationwithout effective training (Routine violations) | - | B7 Failure to implement relevant rules and regulations (Supervisory violations) | C5 Defects in the supervision and management mechanism (Organizational process) |
| X11 Employees were unclear about hazards such as those related to guanidine nitrate (Skill-based errors) | A6 Workshop employees did not have the ability to identify hazards (Personal readiness) | B8 No guidance and training on hazard identification were provided to employees (Inadequate supervision) | C6 Hazard source identification procedure not established (Organizational process) |
| X12 Failed to find the problem in time (Skill-based errors) | - | B9 Didnot pay attention to the production situation of the workshop and the management of production products (Inadequate supervision) | C2 Poor safety climate (Organizational climate) |
© 2018 by the authors. Licensee MDPI, Basel, Switzerland. This article is an open access article distributed under the terms and conditions of the Creative Commons Attribution (CC BY) license (http://creativecommons.org/licenses/by/4.0/).
Share and Cite
Jiang, W.; Han, W. Analysis of “2·28” KEEPER Chemical Industries Hazardous Chemical Explosion Accident Based on FTA and HFACS. Int. J. Environ. Res. Public Health 2018, 15, 2151. https://doi.org/10.3390/ijerph15102151
Jiang W, Han W. Analysis of “2·28” KEEPER Chemical Industries Hazardous Chemical Explosion Accident Based on FTA and HFACS. International Journal of Environmental Research and Public Health. 2018; 15(10):2151. https://doi.org/10.3390/ijerph15102151
Chicago/Turabian StyleJiang, Wei, and Wei Han. 2018. "Analysis of “2·28” KEEPER Chemical Industries Hazardous Chemical Explosion Accident Based on FTA and HFACS" International Journal of Environmental Research and Public Health 15, no. 10: 2151. https://doi.org/10.3390/ijerph15102151
APA StyleJiang, W., & Han, W. (2018). Analysis of “2·28” KEEPER Chemical Industries Hazardous Chemical Explosion Accident Based on FTA and HFACS. International Journal of Environmental Research and Public Health, 15(10), 2151. https://doi.org/10.3390/ijerph15102151
