CATO: Wake-Up reCeiver-bAsed communicaTiOn for Batteryless Devices
Abstract
1. Introduction
- We propose BEWARE-MAC (BattEryless WAke-up Receiver-Enabled MAC), a Wake-up receiver-based MAC protocol. BEWARE-MAC is specifically designed to utilize the addressing capabilities of WuRs to improve communication performance among energy-harvesting, batteryless devices. This protocol has mechanisms to increase the probability of successful one-to-one data transmissions among nodes that may or may not have the same available energy at their disposal while increasing fairness in both cases. Furthermore, it supports the communication of devices in various network topologies, such as star-topology and multi-hop networks. BEWARE-MAC can also transmit multicast and broadcast messages from one device to the rest of the network’s active nodes.
- To validate the benefits of BEWARE-MAC for unicast communication, we implement it on hardware prototypes and provide an experimental evaluation of the workings of this protocol in practice. Moreover, we present a simulation-based evaluation of BEWARE-MAC to provide additional insights into its performance under various operation conditions.
- To demonstrate the capabilities of BEWARE-MAC for broadcast communication in practice, we propose and experimentally validate WEND (Wake-up receiver-assisted Energy efficient Neighbor Discovery), a wake-up receiver-based neighbor discovery protocol. WEND facilitates the energy-efficient discovery of batteryless devices in close proximity to each other [31,32]. Therefore, it provides a foundation for real-world applications that require neighbor awareness in networks of batteryless devices.
2. Related Work
2.1. Networking of Batteryless Devices
2.2. WuR-Based Works
2.3. Neighbor Discovery Protocols
3. CATO
3.1. BEWARE-MAC
3.2. WEND
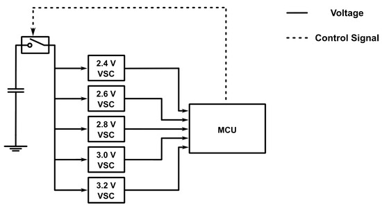
4. Hardware Implementation
5. Evaluation
5.1. MAC Protocol
5.1.1. Experimental Results
5.1.2. Simulation-Based Results
5.2. Neighbor Discovery Protocol
6. Discussion
7. Conclusions
Supplementary Materials
Author Contributions
Funding
Institutional Review Board Statement
Informed Consent Statement
Data Availability Statement
Acknowledgments
Conflicts of Interest
Abbreviations
| WuR | Wake-up Receiver |
| LES | Low-Energy Sender |
| HES | High-Energy Sender |
| MAC | Media Access Control |
| MCU | Microcontroller Unit |
| PDR | Packet Delivery Ratio |
| OOK | On–Off-Keying |
| GFSK | Gaussian Frequency Shift Keying |
| LED | Light Emitting Diode |
References
- Afanasov, M.; Bhatti, N.A.; Campagna, D.; Caslini, G.; Centonze, F.M.; Dolui, K.; Maioli, A.; Barone, E.; Alizai, M.H.; Siddiqui, J.H.; et al. Battery-less zero-maintenance embedded sensing at the mithræum of circus maximus. In Proceedings of the 18th Conference on Embedded Networked Sensor Systems, Virtual Event, 16–19 November 2020; pp. 368–381. [Google Scholar]
- Iyer, V.; Gaensbauer, H.; Daniel, T.L.; Gollakota, S. Wind dispersal of battery-free wireless devices. Nature 2022, 603, 427–433. [Google Scholar] [CrossRef] [PubMed]
- Mosavat, S.; Zella, M.; Handte, M.; Golkowski, A.J.; Marrón, P.J. Experience: ARISTOTLE: wAke-up ReceIver-based, STar tOpology baTteryLEss sensor network. In Proceedings of the 22nd International Conference on Information Processing in Sensor Networks, San Antonio, TX, USA, 9–12 May 2023; pp. 177–190. [Google Scholar]
- De Winkel, J.; Kortbeek, V.; Hester, J.; Pawełczak, P. Battery-free game boy. Proc. ACM Interact. Mob. Wearable Ubiquitous Technol. 2020, 4, 1–34. [Google Scholar] [CrossRef]
- Talla, V.; Kellogg, B.; Gollakota, S.; Smith, J.R. Battery-free cellphone. Proc. ACM Interact. Mob. Wearable Ubiquitous Technol. 2017, 1, 1–20. [Google Scholar] [CrossRef]
- Saffari, A.; Hessar, M.; Naderiparizi, S.; Smith, J.R. Battery-free wireless video streaming camera system. In Proceedings of the 2019 IEEE International Conference on RFID (RFID), Phoenix, AZ, USA, 2–4 April 2019; IEEE: Piscataway, NJ, USA, 2019; pp. 1–8. [Google Scholar]
- Bakar, A.; Goel, R.; De Winkel, J.; Huang, J.; Ahmed, S.; Islam, B.; Pawełczak, P.; Yıldırım, K.S.; Hester, J. Protean: An energy-efficient and heterogeneous platform for adaptive and hardware-accelerated battery-free computing. In Proceedings of the 20th ACM Conference on Embedded Networked Sensor Systems, Boston, MA, USA, 6–9 November 2022; pp. 207–221. [Google Scholar]
- Ransford, B.; Sorber, J.; Fu, K. Mementos: System support for long-running computation on RFID-scale devices. In Proceedings of the Sixteenth International Conference on Architectural Support for Programming Languages and Operating Systems, Newport Beach, CA, USA, 5–11 March 2011; pp. 159–170. [Google Scholar]
- Balsamo, D.; Weddell, A.S.; Merrett, G.V.; Al-Hashimi, B.M.; Brunelli, D.; Benini, L. Hibernus: Sustaining computation during intermittent supply for energy-harvesting systems. IEEE Embed. Syst. Lett. 2014, 7, 15–18. [Google Scholar] [CrossRef]
- Lucia, B.; Ransford, B. A simpler, safer programming and execution model for intermittent systems. ACM SIGPLAN Not. 2015, 50, 575–585. [Google Scholar] [CrossRef]
- Hicks, M. Clank: Architectural support for intermittent computation. ACM SIGARCH Comput. Archit. News 2017, 45, 228–240. [Google Scholar] [CrossRef]
- Hester, J.; Storer, K.; Sorber, J. Timely execution on intermittently powered batteryless sensors. In Proceedings of the 15th ACM Conference on Embedded Network Sensor Systems, Delft, The Netherlands, 5–8 November 2017; pp. 1–13. [Google Scholar]
- Branco, A.; Mottola, L.; Alizai, M.H.; Siddiqui, J.H. Intermittent asynchronous peripheral operations. In Proceedings of the 17th Conference on Embedded Networked Sensor Systems, New York, NY, USA, 10–13 November 2019; pp. 55–67. [Google Scholar]
- Kortbeek, V.; Yildirim, K.S.; Bakar, A.; Sorber, J.; Hester, J.; Pawełczak, P. Time-sensitive intermittent computing meets legacy software. In Proceedings of the Twenty-Fifth International Conference on Architectural Support for Programming Languages and Operating Systems, Lausanne, Switzerland, 16–20 March 2020; pp. 85–99. [Google Scholar]
- Majid, A.Y.; Donne, C.D.; Maeng, K.; Colin, A.; Yildirim, K.S.; Lucia, B.; Pawełczak, P. Dynamic task-based intermittent execution for energy-harvesting devices. ACM Trans. Sens. Netw. (TOSN) 2020, 16, 1–24. [Google Scholar] [CrossRef]
- Liu, S.; Zhang, W.; Lv, M.; Chen, Q.; Guan, N. LATICS: A low-overhead adaptive task-based intermittent computing system. IEEE Trans.-Comput.-Aided Des. Integr. Circuits Syst. 2020, 39, 3711–3723. [Google Scholar] [CrossRef]
- Hester, J.; Sorber, J. Flicker: Rapid prototyping for the batteryless internet-of-things. In Proceedings of the 15th ACM Conference on Embedded Network Sensor Systems, Delft, The Netherlands, 5–8 November 2017; pp. 1–13. [Google Scholar]
- Colin, A.; Ruppel, E.; Lucia, B. A reconfigurable energy storage architecture for energy-harvesting devices. In Proceedings of the Twenty-Third International Conference on Architectural Support for Programming Languages and Operating Systems, Williamsburg, VA, USA, 24–28 March 2018; pp. 767–781. [Google Scholar]
- de Winkel, J.; Delle Donne, C.; Yildirim, K.S.; Pawełczak, P.; Hester, J. Reliable timekeeping for intermittent computing. In Proceedings of the Twenty-Fifth International Conference on Architectural Support for Programming Languages and Operating Systems, Lausanne, Switzerland, 16–20 March 2020; pp. 53–67. [Google Scholar]
- Mosavat, S.; Marrón, P.J.; Zella, M. EPICURUS: Energy Provlsioning for the start-up proCedUre of batteRyless, wake-Up receiver-enabled Sensors. In Proceedings of the 11th International Workshop on Energy Harvesting & Energy-Neutral Sensing Systems, Istanbul, Turkiye, 12 November 2023; pp. 58–64. [Google Scholar]
- Hester, J.; Scott, T.; Sorber, J. Ekho: Realistic and repeatable experimentation for tiny energy-harvesting sensors. In Proceedings of the 12th ACM Conference on Embedded Network Sensor Systems, Memphis, TN, USA, 3–6 November 2014; pp. 330–331. [Google Scholar]
- Colin, A.; Harvey, G.; Lucia, B.; Sample, A.P. An energy-interference-free hardware-software debugger for intermittent energy-harvesting systems. ACM SIGARCH Comput. Archit. News 2016, 44, 577–589. [Google Scholar] [CrossRef]
- Geissdoerfer, K.; Chwalisz, M.; Zimmerling, M. Shepherd: A portable testbed for the batteryless iot. In Proceedings of the 17th Conference on Embedded Networked Sensor Systems, New York, NY, USA, 10–13 November 2019; pp. 83–95. [Google Scholar]
- Kortbeek, V.; Bakar, A.; Cruz, S.; Yildirim, K.S.; Pawełczak, P.; Hester, J. Bfree: Enabling battery-free sensor prototyping with python. Proc. ACM Interact. Mob. Wearable Ubiquitous Technol. 2020, 4, 1–39. [Google Scholar] [CrossRef]
- Mosavat, S.; Zella, M.; Marrón, P.J. SOCRAETES: SOlar Cells Recorded And EmulaTed EaSily. In Proceedings of the EWSN’21, Delft, The Netherlands, 17–19 February 2021. [Google Scholar]
- de Winkel, J.; Hoefnagel, T.; Blokland, B.; Pawełczak, P. Dips: Debug intermittently-powered systems like any embedded system. In Proceedings of the 20th ACM Conference on Embedded Networked Sensor Systems, Boston, MA, USA, 6–9 November 2022; pp. 222–235. [Google Scholar]
- Katanbaf, M.; Saffari, A.; Smith, J.R. Multiscatter: Multistatic backscatter networking for battery-free sensors. In Proceedings of the 19th ACM Conference on Embedded Networked Sensor Systems, Coimbra, Portugal, 15–17 November 2021; pp. 69–83. [Google Scholar]
- Delle Donne, C.; Yildirim, K.S.; Majid, A.Y.; Hester, J.; Pawełczak, P. Backing out of backscatter for intermittent wireless networks. In Proceedings of the 6th International Workshop on Energy Harvesting & Energy-Neutral Sensing Systems, Shenzhen, China, 4 November 2018; pp. 38–40. [Google Scholar]
- Wu, W.; Wang, X.; Hawbani, A.; Yuan, L.; Gong, W. A survey on ambient backscatter communications: Principles, systems, applications, and challenges. Comput. Netw. 2022, 216, 109235. [Google Scholar] [CrossRef]
- Geissdoerfer, K.; Zimmerling, M. Learning to communicate effectively between battery-free devices. In Proceedings of the19th USENIX Symposium on Networked Systems Design and Implementation (NSDI 22), Renton, WA, USA, 4–6 April 2022; pp. 419–435. [Google Scholar]
- Chen, L.; Bian, K. Neighbor discovery in mobile sensing applications: A comprehensive survey. Ad Hoc Netw. 2016, 48, 38–52. [Google Scholar] [CrossRef]
- Chen, S.; Morillo, R.; Qin, Y.; Russell, A.; Jin, R.; Wang, B.; Vasudevan, S. Asynchronous neighbor discovery on duty-cycled mobile devices: Models and schedules. IEEE Trans. Wirel. Commun. 2020, 19, 5204–5217. [Google Scholar] [CrossRef]
- Torrisi, A.; Yıldırım, K.S.; Brunelli, D. Reliable transiently-powered communication. IEEE Sens. J. 2022, 22, 9124–9134. [Google Scholar] [CrossRef]
- Longman, E.; Cetinkaya, O.; El-Hajjar, M.; Merrett, G.V. Wake-up radio-enabled intermittently-powered devices for mesh networking: A power analysis. In Proceedings of the 2021 IEEE 18th Annual Consumer Communications & Networking Conference (CCNC), Las Vegas, NV, USA, 9–12 January 2021; IEEE: Piscataway, NJ, USA, 2021; pp. 1–6. [Google Scholar]
- Longman, E.; Cetinkaya, O.; El-Hajjar, M.; Merrett, G.V. Mesh networking for intermittently powered devices: Architecture and challenges. IEEE Netw. 2022, 36, 122–128. [Google Scholar] [CrossRef]
- Longman, E.; El-Hajjar, M.; Merrett, G.V. Multihop networking for intermittent devices. In Proceedings of the 20th ACM Conference on Embedded Networked Sensor Systems, Boston, MA, USA, 6–9 November 2022; pp. 878–884. [Google Scholar]
- Ait Aoudia, F.; Gautier, M.; Magno, M.; Berder, O.; Benini, L. SNW-MAC: An asynchronous protocol leveraging wake-up receivers for data gathering in star networks. In Proceedings of the International Conference on Sensor Systems and Software, Nice, France, 1–2 December 2016; Springer: Cham, Switzerland, 2016; pp. 3–14. [Google Scholar]
- Ait Aoudia, F.; Gautier, M.; Magno, M.; Berder, O.; Benini, L. Leveraging energy harvesting and wake-up receivers for long-term wireless sensor networks. Sensors 2018, 18, 1578. [Google Scholar] [CrossRef] [PubMed]
- Ait Aoudia, F.; Gautier, M.; Berder, O. OPWUM: Opportunistic MAC Protocol Leveraging Wake-Up Receivers in WSNs. J. Sens. 2016, 2016, 6263719. [Google Scholar] [CrossRef]
- Pegatoquet, A.; Le, T.N.; Magno, M. A wake-up radio-based MAC protocol for autonomous wireless sensor networks. IEEE/ACM Trans. Netw. 2018, 27, 56–70. [Google Scholar] [CrossRef]
- Babatunde, S.; Alsubhi, A.; Hester, J.; Sorber, J. Greentooth: Robust and energy efficient wireless networking for batteryless devices. ACM Trans. Sens. Netw. 2024, 20, 1–31. [Google Scholar] [CrossRef]
- Geissdoerfer, K.; Zimmerling, M. Bootstrapping battery-free wireless networks: Efficient neighbor discovery and synchronization in the face of intermittency. In Proceedings of the 18th USENIX Symposium on Networked Systems Design and Implementation (NSDI 21), Virtual Event, 12–14 April 2021; pp. 439–455. [Google Scholar]
- Hazra, S.; Abdesslem, F.B.; Voigt, T. Battery-free Neighbor Discovery. In Proceedings of the 22nd International Conference on Information Processing in Sensor Networks, San Antonio, TX, USA, 9–12 May 2023; pp. 318–319. [Google Scholar]
- Stricker, N.; Hora, J.; Gomez, A.; Thiele, L. Energy-Efficient Bootstrapping in Multi-hop Harvesting-Based Networks. In Proceedings of the 2023 18th Wireless On-Demand Network Systems and Services Conference (WONS), Madonna di Campiglio, Italy, 30 January–1 February 2023; IEEE: Piscataway, NJ, USA, 2023; pp. 1–8. [Google Scholar]
- Oehler, F.; Milosiu, H. RFicient® Ultra-Low Power Receiver Unleashing the Full Potential of IoT; Technical Report; Fraunhofer Institute for Integrated Circuits IIS: Erlangen, Germany, 2019. [Google Scholar]
- Fraunhofer Institute for Integrated Circuits IIS. RFicient® Basic Ultra-Low-Power WakeUp Receiver Fact Sheet; Fraunhofer Institute for Integrated Circuits IIS: Erlangen, Germany, 2019. [Google Scholar]
- Piyare, R.K.; Istomin, T.; Murphy, A.L. WaCo: A Wake-Up Radio COOJA Extension for Simulating Ultra Low Power Radios. In Proceedings of the 14th International Conference on Embedded Wireless Systems and Networks, Uppsala, Sweden, 20–22 February 2017; ACM: New York, NY, USA, 2017; pp. 48–53. [Google Scholar]
- ns-3 Network Simulator. Available online: https://www.nsnam.org/ (accessed on 2 November 2025).
- Baldo, N.; Miozzo, M. Spectrum-aware channel and PHY layer modeling for ns3. In Proceedings of the VALUETOOLS’09, Pisa, Italy, 20–22 October 2009. [Google Scholar]
- Göpfert, J.; Renner, B.C. High-level simulation of the timely behavior of intermittent systems. In Proceedings of the 11th International Workshop on Energy Harvesting & Energy-Neutral Sensing Systems, Istanbul, Turkiye, 12 November 2023; pp. 1–7. [Google Scholar]
- Brunner, H.; de Winkel, J.; Boano, C.A.; Pawełczak, P.; Römer, K. Simba: A Unified Framework to Explore and Facilitate the Design of Battery-Free Systems. In Proceedings of the 2024 23rd ACM/IEEE International Conference on Information Processing in Sensor Networks (IPSN), Hong Kong SAR, China, 13–16 May 2024; IEEE: Piscataway, NJ, USA, 2024; pp. 138–150. [Google Scholar]












| Work | Network Topology Model | Transceiver | WuR | MCU Family |
|---|---|---|---|---|
| SNW-MAC [37] | Topology-dependent (Star-topology) | CC1120 | Custom hardware | MSP430 |
| Bonito [30] | Topology-dependent (Device-to-device) | Integrated 2.4 GHz Radio | Not used | nRF52 |
| Greentooth [41] | Topology-dependent (Star-topology) | CC1101 | Custom hardware + AS3932 | MSP430 |
| Present work | Topology-agnostic | CC1101 | FH101RF | MSP430 |
| Component | State | Current Consumption |
|---|---|---|
| MCU | off | 0 A |
| sleep | 30 μA | |
| active | 1 mA | |
| Wake-up Receiver | init | 0.9 mA |
| rx | 3.5 μA | |
| Transceiver | sleep | 0.2 μA |
| idle | 1.0 mA | |
| rx | 14 mA | |
| tx | 13 mA |
Disclaimer/Publisher’s Note: The statements, opinions and data contained in all publications are solely those of the individual author(s) and contributor(s) and not of MDPI and/or the editor(s). MDPI and/or the editor(s) disclaim responsibility for any injury to people or property resulting from any ideas, methods, instructions or products referred to in the content. |
© 2025 by the authors. Licensee MDPI, Basel, Switzerland. This article is an open access article distributed under the terms and conditions of the Creative Commons Attribution (CC BY) license (https://creativecommons.org/licenses/by/4.0/).
Share and Cite
Mosavat, S.; Göpfert, J.; Renner, B.-C.; Marrón, P.J.; Zella, M. CATO: Wake-Up reCeiver-bAsed communicaTiOn for Batteryless Devices. Sensors 2025, 25, 6813. https://doi.org/10.3390/s25226813
Mosavat S, Göpfert J, Renner B-C, Marrón PJ, Zella M. CATO: Wake-Up reCeiver-bAsed communicaTiOn for Batteryless Devices. Sensors. 2025; 25(22):6813. https://doi.org/10.3390/s25226813
Chicago/Turabian StyleMosavat, Sayedsepehr, Johannes Göpfert, Bernd-Christian Renner, Pedro José Marrón, and Matteo Zella. 2025. "CATO: Wake-Up reCeiver-bAsed communicaTiOn for Batteryless Devices" Sensors 25, no. 22: 6813. https://doi.org/10.3390/s25226813
APA StyleMosavat, S., Göpfert, J., Renner, B.-C., Marrón, P. J., & Zella, M. (2025). CATO: Wake-Up reCeiver-bAsed communicaTiOn for Batteryless Devices. Sensors, 25(22), 6813. https://doi.org/10.3390/s25226813

