A Review of Miniature Radio Transmitters for Wildlife Tracking
Abstract
1. Introduction
1.1. Radio Transmitter-Localization Wildlife Tracking Systems
1.2. Requirements and Desirables for Miniature Transmitters
- Low Mass and Small SizeThe distribution of animal species as a function of body mass is skewed; there are many more species with small body mass than species with large body mass. Therefore, a miniature tag is applicable to more species than a physically large tag. The challenge of making tags smaller and lighter is a constant feature of this field.
- Efficient Omnidirectional AntennaIdeally, the antenna should convert all the power delivered to it into electromagnetic energy. In addition, the radiation pattern should be omnidirectional or hemispherical to ensure that the antenna radiates in the direction of receivers. Antennas with hemispherical radiation patterns, directed away from the animal’s body, minimize radiation absorbed by the animal’s body. The desire that the antenna radiates most of the delivered power often conflicts with the requirement that the tag be physically small.
- Wildlife-Friendly AntennaSome antenna topologies, like loops, can be dangerous to animals because they can entangle with vegetation or other structures. Whip antennas are often acceptable and preferred.
- Energy-Harvesting or Primary BatteriesThe energy required to power the tag must either be carried in batteries or generated by energy-harvesting devices, such as solar panels. While energy-harvesting devices are desirable, especially for long-lasting tags, they sometimes limit miniaturization, and they are not effective on some species (e.g., solar panels are useful for most bat species). When energy harvesting is not possible, which is a common case, tags are usually powered by primary batteries.
- Tag IdentificationIn most cases, multiple animals are tagged simultaneously, so the identity of the transmitter must be identifiable from the tag’s transmission. In some cases, tags transmit data packets that contain the tag’s identifier and that can be decoded by the receiver. However, simple tags that transmit continuous-wave (CW) pings are identified by the transmission frequency or an on–off-keying (OOK) pattern or by the pinging rate.
- Frequency Accuracy and StabilityFrequency accuracy and stability are crucial for ARGOS tags that are localized by Doppler shifts caused by the receiving satellite’s movement [28]. These properties are also important for tags identified by the transmission frequency. In general, even when the exact carrier frequency is not significant, frequency drift requires more effort in the receiver side, to search for the transmission. This is more significant for narrowband transmissions or wideband transmissions designed for coherent detection [32,33] than for incoherent wideband tags [34,35].
- High BandwidthThe accuracy of time-of-arrival localization depends on the bandwidth of the transmitted signal. Therefore, tags for ToA localization systems must transmit wideband, high bit rate signals.
- Activation MechanismsTags with no energy harvesting mechanisms are usually encapsulated together with their batteries to protect the electronics from the environment, well before they are deployed. In miniature tags with small batteries, the ability to switch the tags between active (transmitting) mode and off or standby mode (no transmissions) is highly desirable.
- SensorsTags with additional sensors can provide a wealth of information about the physiology, behavior, and environment of an animal. For example, accelerometers, perhaps the most useful and ubiquitous sensors, provide insight into the animal’s behavior [36]. Barometric altimeters can provide more accurate altitude estimates than most terrestrial transmitter localization systems [35,37]. On-board sensors require either a large memory, usually nonvolatile, to store measurements, and/or a capability to upload sensor data to base stations via radio links. Sensors can also modify the transmission schedule of radio tags. For example, sensors can be used to transmit only when an aquatic animal surfaces [38] or they can modify the transmission schedule upon mortality [11,39]. Sensors and on-board storage of sensor data are mostly orthogonal to issues pertaining to radio transmissions and are therefore not covered further in this article.
2. Power Management and Power Sources
2.1. Batteries and Energy Harvesters
2.2. Energy and Power Management
3. Radio-Frequency Signal Generation
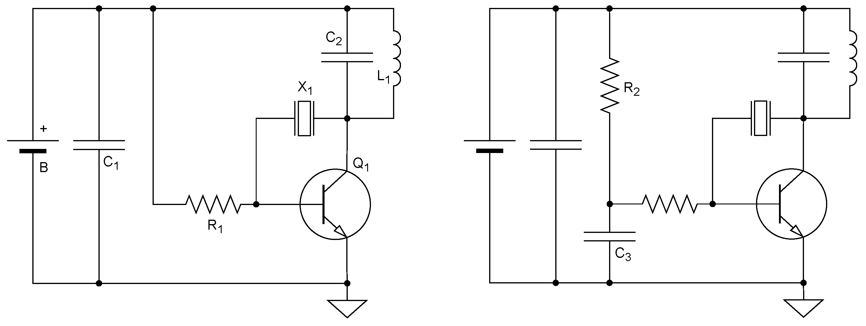
3.1. Single-Stage Power Crystal Oscillator
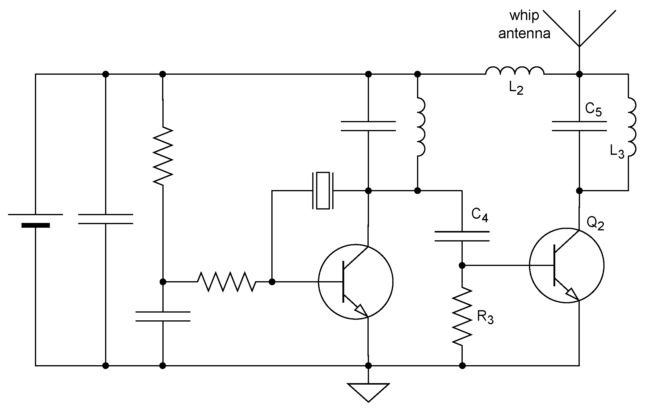
3.2. Two-Stage Oscillator–Amplifier Transmitters
3.3. Phase-Locked Loops
4. Pinging or On-Off Keying
4.1. Using a Minimalist RC Network
4.2. Using a Separate Pulse Controller
5. Code Modulation for Time-of-Arrival Tags
6. Antennas
7. Methods for Construction, Tuning, and Manufacturing
8. Recent Trends
9. Examples of Deployments and Impact
10. Discussion
- 1.
- Modern miniature radio transmitters utilize highly integrated system-on-a-chip (SOC) integrated circuits, especially RF microcontrollers. Commercial RF SOCs combine sets of features that are designed to support mass market applications, such as Bluetooth gadgets, smart home appliances, utility meters, etc. These sets of features are not optimal for wildlife tracking tags. For example, many RF SOCs now combine power management subsystems like buck or boost converters, but not nano-power energy-harvesting converters. Another example is the resonator: while it is technically feasible to include a crystal or acoustic resonator in the same package as the RF SOC (as evidenced by the integrated clock chip used in [16] or the bulk acoustic wave resonator used in the CC2652RW 2.4 GHz RF microcontroller), most RF SOCs require an external clock that limits miniaturization. No current RF microcontroller supports high-data-rate BPSK, although this is clearly possible [32]. Finally, most RF microcontrollers come in 4-by-4 mm quad-flat no-leads (QFN) packages or larger, which are small enough for commercial applications, not in the much smaller wafer-level chip-scale packaging (WLCSP) packages (e.g., 1.4 by 1.5 mm).
- 2.
- Some specialized components are not mass produced and are hence not available, probably due to a too-small market. For example, thin gold-coated steel wire would be ideal for antennas and can be manufactured, but it is essentially impossible to source commercially.
- 3.
- Spectrum sharing with other users. In much of the world, there is no specific frequency allocation for wildlife tracking [87], so most tags transmit in license-free industrial, scientific, medical (ISM) bands or in license-free bands where non-specific short-range devices (SRD) are allowed (the term non-specific means that the devices do not fall under some application-specific regulation, such as regulation of remote metering or wireless alarm devices). European regulation states that non-specific SRD devices transmitting up to 10 mW with a duty cycle of at most 10% may transmit in the 433.05–434.79 MHz band with no bandwidth limit [88] (Annex B, Line H). Almost all countries allow license-free transmission in this band. Some other SRD and ISM bands are restricted to specific regions or countries. For example, the same European regulation allows non-specific SRD devices in the 865–868 MHz band, but license-free transmission on this band is prohibited in the US. License-free bands are often heavily congested, leading to interference and inconsistent tracking performance.
Funding
Conflicts of Interest
References
- Nathan, R.; Getz, W.M.; Revilla, E.; Holyoak, M.; Kadmon, R.; Saltz, D.; Smouse, P.E. A movement ecology paradigm for unifying organismal movement research. Proc. Natl. Acad. Sci. USA 2008, 105, 19052–19059. [Google Scholar] [CrossRef] [PubMed]
- Nathan, R.; Monk, C.T.; Arlinghaus, R.; Adam, T.; Alós, J.; Assaf, M.; Baktoft, H.; Beardsworth, C.E.; Bertram, M.G.; Bijleveld, A.I.; et al. Big-data approaches lead to an increased understanding of the ecology of animal movement. Science 2022, 375, eabg1780. [Google Scholar] [CrossRef] [PubMed]
- Krondorf, M.; Bittner, S.; Plettemeier, D.; Knopp, A.; Wikelski, M. ICARUS—Very Low Power Satellite-Based IoT. Sensors 2022, 22, 6329. [Google Scholar] [CrossRef] [PubMed]
- Goldshtein, A.; Chen, X.; Amichai, E.; Boonman, A.; Harten, L.; Yinon, O.; Orchan, Y.; Nathan, R.; Toledo, S.; Couzin, I.D.; et al. Acoustic cognitive map-based navigation in echolocating bats. Science 2024, 386, 561–567. [Google Scholar] [CrossRef] [PubMed]
- Toledo, S.; Shohami, D.; Schiffner, I.; Lourie, E.; Orchan, Y.; Bartan, Y.; Nathan, R. Cognitive map-based navigation in wild bats revealed by a new high-throughput tracking system. Science 2020, 369, 188–193. [Google Scholar] [CrossRef]
- Taylor, P.D.; Crewe, T.L.; Mackenzie, S.A.; Lepage, D.; Aubry, Y.; Crysler, Z.J.; Finney, G.; Francis, C.M.; Guglielmo, C.G.; Hamilton, D.J.; et al. The Motus wildlife tracking system: A collaborative research network to enhance the understanding of wildlife movement. Avian Conserv. Ecol. 2017, 12, 8. [Google Scholar] [CrossRef]
- Knight, S.M.; Pitman, G.M.; Flockhart, D.T.T.; Norris, D.R. Radio-tracking reveals how wind and temperature influence the pace of daytime insect migration. Biol. Lett. 2019, 15, 20190327. [Google Scholar] [CrossRef]
- Růžičková, J.; Elek, Z. Beetles on the move: Not-just-a-technical review of beetles’ radio-tracking. Entomol. Exp. Et Appl. 2023, 171, 82–93. [Google Scholar] [CrossRef]
- Hagen, M.; Wikelski, M.; Kissling, W.D. Space Use of Bumblebees (Bombus spp.) Revealed by Radio-Tracking. PLoS ONE 2011, 6, e19997. [Google Scholar] [CrossRef]
- Duda, N.; Nowak, T.; Hartmann, M.; Schadhauser, M.; Cassens, B.; Wägemann, P.; Nabeel, M.; Ripperger, S.; Herbst, S.; Meyer-Wegener, K.; et al. BATS: Adaptive Ultra Low Power Sensor Network for Animal Tracking. Sensors 2018, 18, 3343. [Google Scholar] [CrossRef]
- Lotimer, J.S. A versatile coded wildlife transmitter. In A Handbook on Biotelemetry and Radio Tracking; Amlaner, C.J.J., Macdonald, D.W., Eds.; Pergamon Press: Oxford, UK, 1980. [Google Scholar]
- Pegan, T.M.; Craig, D.P.; Gulson-Castillo, E.R.; Gabrielson, R.M.; Kerr, W.B.; MacCurdy, R.; Powell, S.P.; Winkler, D.W. Solar-powered radio tags reveal patterns of post-fledging site visitation in adult and juvenile Tree Swallows Tachycineta bicolor. PLoS ONE 2018, 13, e0206258. [Google Scholar] [CrossRef] [PubMed]
- Cochran, W.W.; Lord, R.D.J. A radio-tracking system for wild animals. J. Wildl. Manag. 1963, 27, 9–24. [Google Scholar] [CrossRef]
- LeMunyan, C.D.; White, W.; Nyberg, E.; Christian, J.J. Design of a Miniature Radio Transmitter for Use in Animal Studies. J. Wildl. Manag. 1959, 23, 107–110. [Google Scholar] [CrossRef]
- MacCurdy, R.; Gabrielson, R.; Spaulding, E.; Purgue, A.; Cortopassi, K.; Fristrup, K. Automatic animal tracking using matched filters and time difference of arrival. J. Commun. 2009, 4, 487–495. [Google Scholar] [CrossRef]
- Lu, J.; Li, H.; Tian, C.; Myjak, M.J.; Xiao, J.; Bellgraph, B.J.; Cartmell, S.S.; Deng, Z.D. A Frequency-Programmable Miniaturized Radio Frequency Transmitter for Animal Tracking. Sensors 2021, 21, 6683. [Google Scholar] [CrossRef]
- Mennill, D.J.; Doucet, S.M.; Ward, K.A.A.; Maynard, D.F.; Otis, B.; Burt, J.M. A novel digital telemetry system for tracking wild animals: A field test for studying mate choice in a lekking tropical bird. Methods Ecol. Evol. 2012, 3, 663–672. [Google Scholar] [CrossRef]
- Rutz, C.; Morrissey, M.B.; Burns, Z.T.; Burt, J.; Otis, B.; St Clair, J.J.H.; James, R. Calibrating animal-borne proximity loggers. Methods Ecol. Evol. 2015, 6, 656–667. [Google Scholar] [CrossRef]
- Cassens, B.; Ripperger, S.; Hierold, M.; Mayer, F.; Kapitza, R. Automated Encounter Detection for Animal-Borne Sensor Nodes. In Proceedings of the 2017 International Conference on Embedded Wireless Systems and Networks (EWSN), Uppsala, Sweden, 20–22 February 2017; pp. 120–131. [Google Scholar]
- Kenward, R. Wildlife Radio Tagging: Equipment, Field Techniques, and Data Analysis; Academic Press: Cambridge, MA, USA, 1987. [Google Scholar]
- Cochran, W.W.; Warner, D.W.; Tester, J.R.; Kuechle, V.B. Automatic Radio-Tracking System for Monitoring Animal Movements. BioScience 1965, 15, 98–100. [Google Scholar] [CrossRef]
- Kays, R.; Tilak, S.; Crofoot, M.; Fountain, T.; Obando, D.; Ortega, A.; Kuemmeth, F.; Mandel, J.; Swenson, G.; Lambert, T.; et al. Tracking Animal Location and Activity with an Automated Radio Telemetry System in a Tropical Rainforest. Comput. J. 2011, 54, 1931–1948. [Google Scholar] [CrossRef]
- Karki, A.; Dunne, B.E.; Ward, J.; Keenlance, P. SDR-based Psuedo-Doppler AoA Estimation for Low Duty Cycle Transmitters. In Proceedings of the IEEE International Symposium on Antennas and Propagation and the North American Radio Science Meeting, Toronto, ON, Canada, 5–10 July 2020; pp. 2085–2086. [Google Scholar] [CrossRef]
- Karki, A. Radio Direction Finding Using Pseudo-Doppler for UAV-Based Animal Tracking. Master’s Thesis, Grand Valley State University, Allendale, MI, USA, 2019. [Google Scholar]
- Gerhard, W.E., III; Tokekar, P. Experimental Evaluation of a Pseudo-Doppler Direction-Finding System for Localizing Radio Tags. arXiv 2020, arXiv:2003.00386. [Google Scholar]
- Bessis, J.L. Operational data collection and platform location by satellite. Remote Sens. Environ. 1981, 11, 93–111. [Google Scholar] [CrossRef]
- Seegar, W.S.; Cutchis, P.N.; Fuller, M.R.; Surer, J.J.; Bhatnagar, V.; Wall, J.G. Fifteen years of satellite tracking development and application to wildlife research and conservation. Johns Hopkins APL Tech. Dig. 1996, 17, 401–411. [Google Scholar]
- Strikwerda, T.E.; Black, H.D.; Levanon, N.; Howey, P.W. The Bird-Borne Transmitter. Johns Hopkins APL Tech. Dig. 1985, 6, 60–67. [Google Scholar]
- Deutsch, C.J.; Bonde, R.K.; Reid, J.P. Radio-tracking manatees from land and space: Tag design, implementation, and lessons learned from long-term study. Mar. Technol. Soc. J. 1998, 32, 18–29. [Google Scholar]
- MacCurdy, R.B.; Gabrielson, R.M.; Cortopassi, K.A. Automated Wildlife Radio Tracking. In Handbook of Position Location; John Wiley & Sons, Ltd.: Hoboken, NJ, USA, 2012; Chapter 33; pp. 1129–1167. [Google Scholar] [CrossRef]
- Weller, A.; Orchan, Y.; Nathan, R.; Weiss, M.C.A.J.; Toledo, S. Characterizing the Accuracy of a Self-Synchronized Reverse-GPS Wildlife Localization System. In Proceedings of the 15th ACM/IEEE International Conference on Information Processing in Sensor Networks (IPSN), Vienna, Austria, 11–14 April 2016; pp. 1–12. [Google Scholar] [CrossRef]
- Leshchenko, A.; Toledo, S. Modulation and Signal-Processing Tradeoffs for Reverse-GPS Wildlife Localization Systems. In Proceedings of the European Navigation Conference (ENC), Gothenburg, Sweden, 14–17 May 2018; pp. 154–165. [Google Scholar] [CrossRef]
- Krüger, S.W. An Inexpensive Hyperbolic Positioning System for Tracking Wildlife Using Off-the-Shelf Hardware. Master’s Thesis, North-West University, Potchefstroom, South Africa, 2017. [Google Scholar]
- Toledo, S.; Kishon, O.; Orchan, Y.; Bartan, Y.; Sapir, N.; Vortman, Y.; Nathan, R. Lightweight Low-Cost Wildlife Tracking Tags using Integrated Tranceivers. In Proceedings of the 6th Annual European Embedded Design in Education and Research Conference (EDERC), Milan, Italy, 11–12 September 2014; pp. 287–291. [Google Scholar] [CrossRef]
- Toledo, S.; Mendel, S.; Levi, A.; Vortman, Y.; Ullmann, W.; Scherer, L.R.; Pufelski, J.; van Maarseveen, F.; Denissen, B.; Bijleveld, A.; et al. Vildehaye: A Family of Versatile, Widely-Applicable, and Field-Proven Lightweight Wildlife Tracking and Sensing Tags. In Proceedings of the ACM/IEEE International Conference on Information Processing in Sensor Networks (IPSN), Milan, Italy, 4–6 May 2022. [Google Scholar] [CrossRef]
- Brown, D.D.; Kays, R.; Wikelski, M.; Wilson, R.; Klimley, A.P. Observing the unwatchable through acceleration logging of animal behavior. Anim. Biotelemetry 2013, 1, 20. [Google Scholar] [CrossRef]
- Arnon, E.; Cain, S.; Uzan, A.; Nathan, R.; Spiegel, O.; Toledo, S. Robust Time-of-Arrival Location Estimation Algorithms for Wildlife Tracking. Sensors 2023, 23, 9460. [Google Scholar] [CrossRef]
- Broekhuizen, S.; Van’t Hoff, C.A.; Jansen, M.B.; Niewold, F.J.J. Application of radio tracking in wildlife research in the Netherlands. In A Handbook on Biotelemetry and Radio Tracking; Amlaner, C.J.J., Macdonald, D.W., Eds.; Pergamon Press: Oxford, UK, 1980; pp. 65–84. [Google Scholar]
- Kolz, A.L.; Corner, G.W.; Johnson, R.E. A Multiple-Use Wildlife Transmitter; Technical Report 163, Special Scientific Report; US Department of the Interior, Fish and Wildlife Service, Bureau of Sport Fisheries adn Wildlife: Washington, DC, USA, 1973.
- Naef-Daenzer, B. A New Transmitter for Small Animals and Enhanced Methods of Home-Range Analysis. J. Wildl. Manag. 1993, 57, 680–689. [Google Scholar] [CrossRef]
- Chen, H.; Cartmell, S.; Wang, Q.; Lozano, T.; Deng, Z.D.; Li, H.; Chen, X.; Yuan, Y.; Gross, M.E.; Carlson, T.J.; et al. Micro-battery development for Juvenile Salmon Acoustic Telemetry System Applications. Sci. Rep. 2014, 4, 3790. [Google Scholar] [CrossRef]
- Lotek Wireless Inc. 3V PIN Battery Juvenile Salmon Acoustic Telemetry System Micro Transmitter. 2021. Available online: https://www.lotek.com/products/jsats-pintag/ (accessed on 10 January 2025).
- Advanced Telemetry Systems. T15 Tiny Transmitter; Advanced Telemetry Systems: Isanti, MN, USA, 2023; Available online: https://atstrack.com/tracking-products/transmitters/product-transmitters.aspx?serie=T15 (accessed on 10 January 2025).
- Toledo, S.; Mendel, S. The Secret Lives of Miniature Batteries. Sensors 2024, 24, 748. [Google Scholar] [CrossRef]
- Wild, T.A.; van Schalkwyk, L.; Viljoen, P.; Heine, G.; Richter, N.; Vorneweg, B.; Koblitz, J.C.; Dechmann, D.K.; Rogers, W.; Partecke, J.; et al. A multi-species evaluation of digital wildlife monitoring using the Sigfox IoT network. Anim. Biotelemetry 2023, 11, 13. [Google Scholar] [CrossRef]
- Toledo, S. Evaluating batteries for advanced wildlife telemetry tags. IET Trans. Wirel. Sens. Syst. 2015, 5, 235–242. [Google Scholar] [CrossRef]
- Lord Jr, R.D.; Bellrose, F.C.; Cochran, W.W. Radiotelemetry of the respiration of a flying duck. Science 1962, 137, 39–40. [Google Scholar] [CrossRef] [PubMed]
- Tester, J.R.; Warner, D.W.; Cochran, W.W. A radio-tracking system for studying movements of deer. J. Wildl. Manag. 1964, 28, 42–45. [Google Scholar] [CrossRef]
- Naef-Daenzer, B.; Früh, D.; Stalder, M.; Wetli, P.; Weise, E. Miniaturization (0.2 g) and evaluation of attachment techniques of telemetry transmitters. J. Exp. Biol. 2005, 208, 4063–4068. [Google Scholar] [CrossRef] [PubMed]
- Kolz, A.L.; Lentfer, J.W.; Fallek, H.G. Satellite radio tracking of polar bears instrumented in Alaska. In A Handbook on Biotelemetry and Radio Tracking; Amlaner, C.J.J., Macdonald, D.W., Eds.; Pergamon Press: Oxford, UK, 1980; pp. 743–752. [Google Scholar]
- Craighead, F.C.; Craighead, J.J.; Davies, R.E. Radio Tracking of Grizzly Bears. In Bio-Telemetry: The Use of Telemetry in Animal Behavior and Physiology in Relation to Ecological Problems, Proceedings of the Interdisciplinary Conference, New York, NY, USA, 28–31 March 1962; Slater, L.E., Ed.; Pergamon Press: Oxford, UK, 1963; pp. 133–148. [Google Scholar]
- Skutt, H.R.; Bock, F.M.; Haugstad, P.; Holter, J.B.; Hayes, H.H.; Silver, H. Low-Power Implantable Transmitters for Telemetry of Heart Rate and Temperature from White-Tailed Deer. J. Wildl. Manag. 1973, 37, 413–417. [Google Scholar] [CrossRef]
- Anderka, F.W. Modulators for miniature tracking transmitters. In A Handbook on Biotelemetry and Radio Tracking; Amlaner, C.J.J., Macdonald, D.W., Eds.; Pergamon Press: Oxford, UK, 1980; pp. 181–184. [Google Scholar]
- Taylor, K.D.; Lloyd, H.G. The design, construction and use of a radio-tracking system for some British mammals. Mammal Rev. 1978, 8, 117–141. [Google Scholar] [CrossRef]
- Thomas, D.W. Plans for a lightweight inexpensive radio transmitter. In A Handbook on Biotelemetry and Radio Tracking; Amlaner, C.J.J., Macdonald, D.W., Eds.; Pergamon Press: Oxford, UK, 1980; pp. 175–179. [Google Scholar]
- Miron, D.B. Small Antenna Design; Elsevier: Newnes, Australia, 2006. [Google Scholar]
- Zavrel, R.J.J. Antenna Physics: An Introduction, 2nd ed.; The American Radio Relay League: Newington, CT, USA, 2020. [Google Scholar]
- Riecken, U.; Raths, U. Use of Radio Telemetry for Studying Dispersal and Habitat Use of Carabus coriaceus L. Ann. Zool. Fenn. 1996, 33, 109–116. [Google Scholar]
- Dougill, S.J.; Johnson, L.; Banko, P.C.; Goltz, D.M.; Wiley, M.R.; Semones, J.D. Consequences of antenna design in telemetry studies of small passerines. J. Field Ornithol. 2000, 71, 385–388. [Google Scholar] [CrossRef][Green Version]
- Jones, T.M.; Cooper, N.W.; Haradon, H.A.; Brunner, A.R.; Dossman, B.C.; Ward, M.P.; Sillett, T.S.; Kaiser, S.A. Considerations for radio-transmitter specifications on songbirds: Color and antenna length matter too. J. Field Ornithol. 2024, 95, 7. [Google Scholar] [CrossRef]
- Caverly, R.H. Use of low-cost vector network analyzers in undergraduate RF and wireless circuit laboratories. In Proceedings of the Middle Atlantic ASEE Section Spring Conference. Americal Society for Engineering Education, Villanova, PA, USA, 9–10 April 2021. [Google Scholar] [CrossRef]
- Hunt, N.; Scott, J.; Streeter, L. Nano Versus Commercial (Educator’s Corner). IEEE Microw. Mag. 2023, 24, 88–95. [Google Scholar] [CrossRef]
- Martin, J.M.; Swenson, G.W.; Bernhard, J.T. Methodology for Efficiency Measurements of Electrically Small Monopoles for Animal Tracking. IEEE Antennas Propag. Mag. 2009, 51, 39–47. [Google Scholar] [CrossRef]
- Hartsgrove, G.; Kraszewski, A.; Surowiec, A. Simulated biological materials for electromagnetic radiation absorption studies. Bioelectromagnetics 1987, 8, 29–36. [Google Scholar] [CrossRef] [PubMed]
- Kildal, P.S.; Carlsson, C.; Yang, J. Measurement of free-space impedances of small antennas in reverberation chambers. Microw. Opt. Technol. Lett. 2002, 32, 112–115. [Google Scholar] [CrossRef]
- Kenward, R.E. A Manual for Wildlife Radio Tagging; Academic Press: Cambridge, MA, USA, 2001. [Google Scholar]
- 3M. Scotch-Weld Epoxy Potting Compound/Adhesive, DP270; Datasheet for a clear or black epoxy; 3M: St. Paul, MN, USA, 2019. [Google Scholar]
- Kukdo Chemical. Curing Agent for use with Epoxy Resins, KH-816; Datasheet; Kukdo Chemical: Seoul, Republic of Korea, 2004. [Google Scholar]
- Kukdo Chemical. Low Viscosity Epoxy Resin, YD-114EF; Datasheet; Kukdo Chemical: Seoul, Republic of Korea, 2004. [Google Scholar]
- Epoxy Technology, Inc. EPO-TEK 301; Datasheet for spectrally-transparent epoxy; Epoxy Technology, Inc.: Billerica, MA, USA, 2024. [Google Scholar]
- 3M Company. 3M Glass Bubbles: Start Something Big by Thinking Small; 3M: St. Paul, MN, USA, 2018. [Google Scholar]
- Farine, D.R.; Penndorf, J.; Bolcato, S.; Nyaguthii, B.; Aplin, L.M. Low-cost animal tracking using Bluetooth low energy beacons on a crowd-sourced network. Methods Ecol. Evol. 2024, 15, 2247–2261. [Google Scholar] [CrossRef]
- Mesquita, G.P.; Mulero-Pázmány, M.; Wich, S.A.; Rodríguez-Teijeiro, J.D. A practical approach with drones, smartphones, and tracking tags for potential real-time animal tracking. Curr. Zool. 2022, 69, 208–214. [Google Scholar] [CrossRef]
- Cellular Tracking Technologies. BluBat 2.4 GHz Digitally-Coded Radio Tag; Cellular Tracking Technologies: Seattle, WA, USA, 2024. [Google Scholar]
- Cellular Tracking Technologies. BluMorpho 2.4 GHz Digitally-Coded Radio Tag; Cellular Tracking Technologies: Seattle, WA, USA, 2023. [Google Scholar]
- Cellular Tracking Technologies. Flicker Series (CL and GPS) User Guide; Cellular Tracking Technologies: Seattle, WA, USA, 2023. [Google Scholar]
- Wild, T.A. Smart Bio-Logging Technology for the Tracking of Animal Collectives. Ph.D. Thesis, ETH, Zurich, Switzerland, 2023. [Google Scholar] [CrossRef]
- Vega, F.; Phillips, J.; Lampo, K.; MacCurdy, R.; Manchester, Z. An Architecture Study for Low-Power Satellite-Based Wildlife Tracking. In Proceedings of the IEEE Aerospace Conference, Big Sky, MT, USA, 2–9 March 2024; pp. 1–15. [Google Scholar] [CrossRef]
- Wang, Y.; Young, S.; Komma, D.; Lim, J.; Feng, Z.; Fan, Z.; Tseng, C.w.; Kim, H.S.; Blaauw, D. Global Localization of Energy-Constrained Miniature RF Emitters using Low Earth Orbit Satellites. In Proceedings of the ACM Conference on Embedded Networked Sensor Systems (SenSys), Hangzhou, China, 4–7 November 2024; pp. 403–416. [Google Scholar] [CrossRef]
- Kenward, R.E. Goshawk Hunting Behaviour, and Range Size as a Function of Food and Habitat Availability. J. Anim. Ecol. 1982, 51, 69–80. [Google Scholar] [CrossRef]
- Naef-Daenzer, B.; Widmer, F.; Nuber, M. Differential post-fledging survival of great and coal tits in relation to their condition and fledging date. J. Anim. Ecol. 2001, 70, 730–738. [Google Scholar] [CrossRef]
- Bontadina, F.; Schofield, H.; Naef-Daenzer, B. Radio-tracking reveals that lesser horseshoe bats (Rhinolophus hipposideros) forage in woodland. J. Zool. 2002, 258, 281–290. [Google Scholar] [CrossRef]
- Cochran, W.W.; Mouritsen, H.; Wikelski, M. Migrating Songbirds Recalibrate Their Magnetic Compass Daily from Twilight Cues. Science 2004, 304, 405–408. [Google Scholar] [CrossRef]
- Benson, E. Wired Wilderness: Technologies of Tracking and the Making of Modern Wildlife; The Johns Hopkins University Press: Baltimore, MD, USA, 2010. [Google Scholar]
- Richter, H.L.J.; Sampson, W.F.; Stevens, R. Microlock: A Minimum Weight Radio Instrumentation System for a Satellite. J. Jet Propuls. 1958, 28, 532–540. [Google Scholar] [CrossRef]
- Mengel, J.T. Minitrack System Design Criteria. Electr. Eng. 1957, 76, 666–672. [Google Scholar] [CrossRef]
- Electronic Communications Committee. The European Table of Frequency Allocations and Applications in the Frequency Range 8.3 kHz to 3000 GHz; Electronic Communications Committee: Copenhagen, Denmark, 2023. [Google Scholar]
- European Telecommunications Standards Institute. Short Range Devices (SRD) Operating in the Frequency Range 25 MHz to 1000 MHz; Part 2: Harmonised Standard for Access to Radio Spectrum for Non Specific Radio Equipment (ETSI EN 302 220-2 v3.2.1); European Telecommunications Standards Institute: Sophia-Antipolis, France, 2018. [Google Scholar]





| Property | Significance to Users |
|---|---|
| Mass and size | Smaller tags can track smaller animals; tags heavier than some fraction of body mass cannot be used due to the risk that they might perturb the behavior of the animal and might threaten its survival or ability to raise offspring. |
| Antenna | The antenna should not pose a risk of entanglement. Short whips do not; loops do. The antenna should also not cause too much drag on flying animals. It should not be possible for the animals or conspecifics to damage or remove it (e.g., by pulling with a beak, chewing, etc.). |
| Effective life span | The longer the tag transmits, the longer the animal can be tracked. Tracking duration affects which scientific questions can be investigated by the tracking and which cannot. |
| Temporal resolution | Frequent transmissions tend to generate more localizations, allowing movement tracks to be estimated more accurately. Frequent transmissions shorten life spans when primary batteries are used, a common case. |
| Compatibility with receiving systems | Transmitting tags should be compatible with the receivers and the localization system that are supposed to track them. Some tags are compatible with multiple localization systems and receivers, some are specialized to a particular system. |
| Activation mechanism | Tags whose transmission can be turned in the field just prior or just after the tag is attached to an animal do not waste some of their life span before they are actually attached to an animal. |
| Sensors and data storage/upload | Sensors that measure the environment of the animal or its behavior and physiology provide valuable data for some investigations. Sensor data are sometimes stored on the tag (which must be retrieved to download the data) and sometimes transmitted wirelessly. Transmitting data tend to use a lot of energy; storing it less so. |
| Cost | Inexpensive tags enable tagging of more individual animals with a given research budget, providing stronger statistical evidence. |
Disclaimer/Publisher’s Note: The statements, opinions and data contained in all publications are solely those of the individual author(s) and contributor(s) and not of MDPI and/or the editor(s). MDPI and/or the editor(s) disclaim responsibility for any injury to people or property resulting from any ideas, methods, instructions or products referred to in the content. |
© 2025 by the author. Licensee MDPI, Basel, Switzerland. This article is an open access article distributed under the terms and conditions of the Creative Commons Attribution (CC BY) license (https://creativecommons.org/licenses/by/4.0/).
Share and Cite
Toledo, S. A Review of Miniature Radio Transmitters for Wildlife Tracking. Sensors 2025, 25, 517. https://doi.org/10.3390/s25020517
Toledo S. A Review of Miniature Radio Transmitters for Wildlife Tracking. Sensors. 2025; 25(2):517. https://doi.org/10.3390/s25020517
Chicago/Turabian StyleToledo, Sivan. 2025. "A Review of Miniature Radio Transmitters for Wildlife Tracking" Sensors 25, no. 2: 517. https://doi.org/10.3390/s25020517
APA StyleToledo, S. (2025). A Review of Miniature Radio Transmitters for Wildlife Tracking. Sensors, 25(2), 517. https://doi.org/10.3390/s25020517

