Surface Ice Detection Using Hyperspectral Imaging and Machine Learning
Abstract
Highlights
- Hyperspectral imaging combined with machine learning enables accurate surface ice detection.
- Support Vector Machine (SVM) and Random Forest (RF) classifiers were evaluated on real hyperspectral datasets.
- The models generalize well across coated and uncoated surfaces, including challenging dark coatings.
- Spectral band reduction was analyzed, revealing trade-offs between classification accuracy and computational efficiency.
- A multiclass classification approach was introduced to differentiate between rime and glaze ice.
- Demonstrates the feasibility of non-contact, hyperspectral-based methods for automated ice detection.
- Validates robustness of machine learning models across diverse material surfaces.
- Supports the development of efficient, real-time ice detection systems through reduced spectral dimensionality.
- Enhances safety applications by enabling discrimination between different ice types.
- Provides a foundation for integrating hyperspectral AI systems in energy, transportation and infrastructure monitoring.
Abstract
1. Introduction
2. Related Work
3. Materials and Methods
3.1. Experimental Setup
3.2. Hyperspectral Data Acquisition
3.3. Preprocessing and Feature Selection
3.4. Machine Learning and Classification Models
- Random Forest (RF): An ensemble method that provides band importance scores. Random Forest (RF), an ensemble classification technique, was developed by Breiman in 2001 [29]. It combines bagging and random feature selection, using multiple decision trees to form a forest. Each tree is trained on a distinct subset of data through random sampling with replacement (bootstrap). The results are aggregated into a majority decision [30]. RF’s random feature selection at each decision point reduces tree correlation, enhancing model robustness and efficiency. This technique is widely used for both classification and regression problems across diverse applications [30,31].
- Support Vector Machine (SVM): Optimized for high-dimensional data. Support Vector Machines (SVMs) are supervised learning algorithms for classification and regression tasks [32]. They construct hyperplanes in high-dimensional spaces to separate data into classes, handling both binary and multiclass operations through methods like one-against-one and one-against-rest. SVM maximizes the margin between classes and the decision boundary, with support vectors being the critical data points closest to the hyperplane. The penalty parameter (C) balances training error and decision boundary simplicity, helping manage outliers and noise [33]. For non-linear separable data, SVM employs kernel functions (e.g., polynomial, radial basis function, sigmoid) to transform data into higher-dimensional spaces, enabling linear separation. SVMs are effective in high-dimensional spaces and versatile with various kernel functions for complex datasets.
3.5. Evaluation Metrics
4. Results
- Section 4.1: This section focuses on validating the two machine learning models (SVM and RF) by evaluating each coating type separately and then providing a comprehensive evaluation across all coatings.
- Section 4.2: This section examines the models’ performance when fewer spectral bands are utilized, assessing the impact on detection accuracy for all coatings.
- Section 4.3: This section assesses a multiclass Random Forest model, evaluating its capability to detect and differentiate various types of ice.
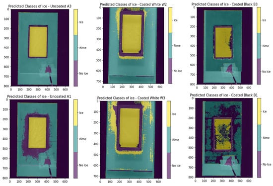
4.1. Classification Performance Using Full-Spectrum Data
4.2. Performance Evaluation with Spectral Band Reduction
- First 65% of bands: Bands 1 to 146 (900 to ±1450 nm). The upper limit of this range, around 1450 nm, corresponds to a major absorption peak of both water and ice, resulting from multiple overtone and combination vibrational modes.
- First 50% of bands: Bands 1 to 112 (900 to ±1300 nm).
4.3. Classification of Ice Types Across Surface Conditions
5. Conclusions
Author Contributions
Funding
Institutional Review Board Statement
Informed Consent Statement
Data Availability Statement
Conflicts of Interest
References
- Roberge, P.; Baxter, D.; Ruel, J.; Roeper, D.; Lemay, J.; Bégin-Drolet, A. Towards standards in the analysis of wind turbines operating in cold climate. Part B: Methodology for evaluating wind turbine alternative operational strategies. Cold Reg. Sci. Technol. 2022, 196, 103494. [Google Scholar] [CrossRef]
- Afzal, F.; Virk, M.S. Review of icing effects on wind turbine in cold regions. In Proceedings of the E3S Web of Conferences. EDP Sciences, Krakow, Poland, 13–14 September 2018. [Google Scholar] [CrossRef]
- Lamraoui, F.; Fortin, G.; Benoit, R.; Perron, J.; Masson, C. Atmospheric icing impact on wind turbine production. Cold Reg. Sci. Technol. 2014, 100, 36–49. [Google Scholar] [CrossRef]
- Muñoz, C.Q.G.; Añón, J.F.; Valdebenito, C.M.; González, D.; Valero, P. Ice detection using thermal infrared radiometry on wind turbine blades. Measurement 2016, 93, 157–163. [Google Scholar] [CrossRef]
- Liu, Z.; Liu, C.; Wang, Y.; Zhang, T.; Yang, Y.; Gu, X. Review on wind turbine icing detection methods based on vibration signal analysis. Renew. Energy 2022, 194, 656–671. [Google Scholar] [CrossRef]
- Zhou, Z.; Zhu, J.; Yang, R.; Wang, Y.; Xu, X. Review of ice detection techniques for wind turbines. Renew. Sustain. Energy Rev. 2023, 173, 113098. [Google Scholar] [CrossRef]
- Younes, R.; Rizk, P.; Ilinca, A.; Jammal, M.; Khoder, J. Automatic icing detection on wind turbines using thermal imaging and machine learning. Renew. Energy 2021, 172, 141–153. [Google Scholar] [CrossRef]
- Rehman, A.; Virk, M.S. Deep learning-based framework for ice detection on wind turbine blades using thermal images. Appl. Sci. 2023, 13, 6540. [Google Scholar] [CrossRef]
- Audebert, N.; Saux, B.; Lefèvre, S. Deep learning for classification of hyperspectral data: A comparative review. IEEE Geosci. Remote Sens. Mag. 2019, 7, 159–173. [Google Scholar] [CrossRef]
- Agilandeeswari, L.; Prabukumar, M.; Radhesyam, V.; Phaneendra, K.L.N.B.; Farhan, A. Crop Classification for Agricultural Applications in Hyperspectral Remote Sensing Images. Appl. Sci. 2022, 12, 1670. [Google Scholar] [CrossRef]
- Ali, I.; Mushtaq, Z.; Arif, S.; Algarni, A.D.; Soliman, N.F.; El-Shafai, W. Hyperspectral Images-Based Crop Classification Scheme for Agricultural Remote Sensing. Comput. Syst. Sci. Eng. 2023, 46, 303–319. [Google Scholar] [CrossRef]
- Aneece, I.; Thenkabail, P.S.; McCormick, R.; Alifu, H.; Foley, D.; Oliphant, A.J.; Teluguntla, P. Machine Learning and New-Generation Spaceborne Hyperspectral Data Advance Crop Type Mapping. Photogramm. Eng. Remote Sens. 2024, 90, 687–698. [Google Scholar] [CrossRef]
- Kumar, C.; Chatterjee, S.; Oommen, T.; Guha, A. Automated lithological mapping by integrating spectral enhancement techniques and machine learning algorithms using AVIRIS-NG hyperspectral data in Gold-bearing granite-greenstone rocks in Hutti, India. Int. J. Appl. Earth Obs. Geoinf. 2020, 86, 102006. [Google Scholar] [CrossRef]
- Rani, N.; Mandla, V.R.; Singh, T. Performance of Image Classification on Hyperspectral Imagery for Lithological Mapping. J. Geol. Soc. India 2016, 88, 440–448. [Google Scholar] [CrossRef]
- Eisenhardt, I.; Oppelt, N.; Bartsch, I.; Nehring, F.; Bochow, M. Algae species identification in the coastal intertidal zone of Helgoland. In Proceedings of the The Future of Operational Oceanography, Hamburg, Germany, 25–27 October 2011. [Google Scholar]
- Zhang, X.; Zhao, W.; Jia, X.; Hong, D.; Chanussot, J.; Benediktsson, J.A. Memory-augmented autoencoder with adaptive reconstruction for hyperspectral anomaly detection. IEEE Trans. Geosci. Remote Sens. 2021, 59, 5894–5907. [Google Scholar] [CrossRef]
- Xie, L.; Li, Y.; Shen, L.; Li, Y. Triple-Unit Neural Architecture Search for Hyperspectral Image Classification. IEEE Trans. Geosci. Remote Sens. 2022, 60, 1–14. [Google Scholar]
- Singh, P.; Srivastava, P.K.; Shah, D.; Pandey, M.K.; Anand, A.; Prasad, R.; Dave, R.; Verrelst, J.; Bhattacharya, B.K.; Raghubanshi, A. Crop type discrimination using Geo-Stat Endmember extraction and machine learning algorithms. Adv. Space Res. 2024, 73, 1331–1348. [Google Scholar] [CrossRef]
- Asad, M.; Nazir, A.; Shabbir, M.Z. Comparative analysis of ensemble learning models for crop classification using hyperspectral imagery. J. Appl. Remote Sens. 2021, 15, 014510. [Google Scholar] [CrossRef]
- Nakauchi, S.; Nishino, K.; Yamashita, T. Selection of optimal combinations of band-pass filters for ice detection by hyperspectral imaging. Opt. Express 2012, 20, 986. [Google Scholar] [CrossRef] [PubMed]
- Bhattacharyya, C.; Kim, S. Black Ice Classification with Hyperspectral Imaging and Deep Learning. Appl. Sci. 2023, 13, 11977. [Google Scholar] [CrossRef]
- Rizk, P.; Younes, R.; Ilinca, A.; Khoder, J. Wind turbine ice detection using hyperspectral imaging. Remote Sens. Appl. Soc. Environ. 2022, 26, 100711. [Google Scholar] [CrossRef]
- Rizk, P.; Al Saleh, N.; Younes, R.; Ilinca, A.; Khoder, J. Hyperspectral imaging applied for the detection of wind turbine blade damage and icing. Remote Sens. Appl. Soc. Environ. 2020, 18, 100291. [Google Scholar] [CrossRef]
- Zhang, J.; Su, Y.; Wu, R. Research on aircraft ice accumulation thickness measurement technology based on hyperspectral imaging. In Proceedings of the Sixth International Conference on Optoelectronic Science and Materials (ICOSM 2024), Hefei, China, 6–8 September 2024; Lu, Y., Wang, Y., Zou, C., Eds.; SPIE: Bellingham, WA, USA, 2024; p. 49. [Google Scholar] [CrossRef]
- Musci, M.A.; Mazzara, L.; Lingua, A.M. Ice Detection on Aircraft Surface Using Machine Learning Approaches Based on Hyperspectral and Multispectral Images. Drones 2020, 4, 45. [Google Scholar] [CrossRef]
- Burggraaff, O.; Schmidt, N.; Zamorano, J.; Pauly, K.; Pascual, S.; Tapia, C.; Spyrakos, E.; Snik, F. Standardized spectral and radiometric calibration of consumer cameras. Opt. Express 2019, 27, 19075–19101. [Google Scholar] [CrossRef]
- Zhang, C.; Liu, F.; He, Y.; Gong, X. Application of hyperspectral imaging and chemometric calibrations for variety discrimination of maize seeds. Sensors 2012, 12, 17234–17246. [Google Scholar] [CrossRef]
- Rinnan, Å.; van den Berg, F.; Engelsen, S.B. Review of the most common pre-processing techniques for near-infrared spectra. Trends Anal. Chem. 2009, 28, 1201–1222. [Google Scholar] [CrossRef]
- Breiman, L. Random Forests. Mach. Learn. 2001, 45, 5–32. [Google Scholar] [CrossRef]
- Montesinos-López, O.A.; Montesinos-López, A.; Crossa, J. Random Forest for Genomic Prediction. In Multivariate Statistical Machine Learning Methods for Genomic Prediction; Montesinos-López, O.A., Montesinos-López, A., Eds.; Springer: Cham, Switzerland, 2022; pp. 633–681. [Google Scholar] [CrossRef]
- Sarker, I.H. Machine Learning: Algorithms, Real-World Applications and Research Directions. SN Comput. Sci. 2021, 2, 160. [Google Scholar] [CrossRef] [PubMed]
- Melgani, F.; Bruzzone, L. Classification of Hyperspectral Remote Sensing Images with Support Vector Machines. IEEE Trans. Geosci. Remote Sens. 2004, 42, 1778–1790. [Google Scholar] [CrossRef]
- El Bouchefry, K.; de Souza, R.S. Chapter 12—Learning in Big Data: Introduction to Machine Learning. In Knowledge Discovery in Big Data from Astronomy and Earth Observation; Škoda, P., Adam, F., Eds.; Elsevier: Amsterdam, The Netherlands, 2020; pp. 225–249. [Google Scholar] [CrossRef]
- Thanh Noi, P.; Kappas, M. Comparison of Random Forest, k-Nearest Neighbor, and Support Vector Machine Classifiers for Land Cover Classification Using Sentinel-2 Imagery. Sensors 2017, 18, 18. [Google Scholar] [CrossRef]
- Ballanti, L.; Blesius, L.; Hines, E.; Kruse, B. Tree Species Classification Using Hyperspectral Imagery: A Comparison of Two Classifiers. Remote Sens. 2016, 8, 445. [Google Scholar] [CrossRef]
- Zafari, A.; Zurita-Milla, R.; Izquierdo-Verdiguier, E. Evaluating the Performance of a Random Forest Kernel for Land Cover Classification. Remote Sens. 2019, 11, 575. [Google Scholar] [CrossRef]
- Sabat-Tomala, A.; Raczko, E.; Zagajewski, B. Comparison of Support Vector Machine and Random Forest Algorithms for Invasive and Expansive Species Classification Using Airborne Hyperspectral Data. Remote Sens. 2020, 12, 516. [Google Scholar] [CrossRef]
- Burai, P.; Deák, B.; Valkó, O.; Tomor, T. Classification of Herbaceous Vegetation Using Airborne Hyperspectral Imagery. Remote Sens. 2015, 7, 2046–2066. [Google Scholar] [CrossRef]
- Hasan, H.; Shafri, H.Z.; Habshi, M. A Comparison Between Support Vector Machine (SVM) and Convolutional Neural Network (CNN) Models For Hyperspectral Image Classification. IOP Conf. Ser. Earth Environ. Sci. 2019, 357, 012035. [Google Scholar] [CrossRef]
- Guidici, D.; Clark, M. One-Dimensional Convolutional Neural Network Land-Cover Classification of Multi-Seasonal Hyperspectral Imagery in the San Francisco Bay Area, California. Remote Sens. 2017, 9, 629. [Google Scholar] [CrossRef]
- Roy, S.K.; Krishna, G.; Dubey, S.R.; Chaudhuri, B.B. HybridSN: Exploring 3-D–2-D CNN Feature Hierarchy for Hyperspectral Image Classification. IEEE Geosci. Remote Sens. Lett. 2020, 17, 277–281. [Google Scholar] [CrossRef]
- Carranza-García, M.; García-Gutiérrez, J.; Riquelme, J.C. A Framework for Evaluating Land Use and Land Cover Classification Using Convolutional Neural Networks. Remote Sens. 2019, 11, 274. [Google Scholar] [CrossRef]
- Sothe, C.; la Rosa, L.E.C.; de Almeida, C.M.; Gonsamo, A.; Schimalski, M.B.; Castro, J.D.B.; Feitosa, R.Q.; Dalponte, M.; Lima, C.L.; Liesenberg, V.; et al. Evaluating a convolutional neural network for feature extraction and tree species classification using uav-hyperspectral images. ISPRS Ann. Photogramm. Remote Sens. Spat. Inf. Sci. 2020, 3, 193–199. [Google Scholar] [CrossRef]
- Leng, J.; Li, T.; Bai, G.; Dong, Q.; Dong, H. Cube-CNN-SVM: A Novel Hyperspectral Image Classification Method. In Proceedings of the 2016 IEEE 28th International Conference on Tools with Artificial Intelligence (ICTAI), San Jose, CA, USA, 6–8 November 2016; IEEE: Piscataway, NJ, USA, 2016; pp. 1027–1034. [Google Scholar] [CrossRef]







| Data | Accuracy | Precision | Recall | F1-Score |
|---|---|---|---|---|
| SVM | ||||
| A1 | 0.9979 | 0.9824 | 0.9990 | 0.9906 |
| A2 | 0.9978 | 0.9807 | 1.0000 | 0.9902 |
| A3 | 0.9978 | 0.9805 | 1.0000 | 0.9901 |
| Avg | 0.9978 | 0.9810 | 0.9997 | 0.9903 |
| RF | ||||
| A1 | 0.9938 | 0.9472 | 1.0000 | 0.9729 |
| A2 | 0.9941 | 0.9490 | 1.0000 | 0.9738 |
| A3 | 0.9941 | 0.9494 | 1.0000 | 0.9740 |
| Avg | 0.9940 | 0.9485 | 1.0000 | 0.9736 |
| Data | Accuracy | Precision | Recall | F1-Score |
|---|---|---|---|---|
| SVM | ||||
| W1 | 0.9947 | 0.9675 | 1.0000 | 0.9834 |
| W2 | 0.9948 | 0.9681 | 1.0000 | 0.9837 |
| W3 | 0.9942 | 0.9680 | 0.9961 | 0.9818 |
| Avg | 0.9946 | 0.9679 | 0.9987 | 0.9830 |
| RF | ||||
| W1 | 0.9924 | 0.9931 | 0.9581 | 0.9753 |
| W2 | 0.9924 | 0.9920 | 0.9594 | 0.9754 |
| W3 | 0.9904 | 0.9933 | 0.9457 | 0.9689 |
| Avg | 0.9917 | 0.9928 | 0.9544 | 0.9732 |
| Data | Accuracy | Precision | Recall | F1-Score |
|---|---|---|---|---|
| SVM | ||||
| B1 | 0.9157 | 0.9750 | 0.2356 | 0.3795 |
| B2 | 0.9638 | 0.9904 | 0.6788 | 0.8055 |
| B3 | 0.9833 | 0.9891 | 0.8575 | 0.9186 |
| Avg | 0.9543 | 0.9848 | 0.5906 | 0.7012 |
| RF | ||||
| B1 | 0.9457 | 0.9094 | 0.5597 | 0.6929 |
| B2 | 0.9833 | 0.9540 | 0.8915 | 0.9217 |
| B3 | 0.9848 | 0.9541 | 0.9055 | 0.9292 |
| Avg | 0.9713 | 0.9392 | 0.7856 | 0.8479 |
Disclaimer/Publisher’s Note: The statements, opinions and data contained in all publications are solely those of the individual author(s) and contributor(s) and not of MDPI and/or the editor(s). MDPI and/or the editor(s) disclaim responsibility for any injury to people or property resulting from any ideas, methods, instructions or products referred to in the content. |
© 2025 by the authors. Licensee MDPI, Basel, Switzerland. This article is an open access article distributed under the terms and conditions of the Creative Commons Attribution (CC BY) license (https://creativecommons.org/licenses/by/4.0/).
Share and Cite
Vanlanduit, S.; De Vooght, A.; De Kerf, T. Surface Ice Detection Using Hyperspectral Imaging and Machine Learning. Sensors 2025, 25, 4322. https://doi.org/10.3390/s25144322
Vanlanduit S, De Vooght A, De Kerf T. Surface Ice Detection Using Hyperspectral Imaging and Machine Learning. Sensors. 2025; 25(14):4322. https://doi.org/10.3390/s25144322
Chicago/Turabian StyleVanlanduit, Steve, Arnaud De Vooght, and Thomas De Kerf. 2025. "Surface Ice Detection Using Hyperspectral Imaging and Machine Learning" Sensors 25, no. 14: 4322. https://doi.org/10.3390/s25144322
APA StyleVanlanduit, S., De Vooght, A., & De Kerf, T. (2025). Surface Ice Detection Using Hyperspectral Imaging and Machine Learning. Sensors, 25(14), 4322. https://doi.org/10.3390/s25144322

