Real-Time Multi-Sensor Joint Fault Diagnosis Method for Permanent Magnet Traction Drive Systems Based on Structural Analysis
Abstract
1. Introduction
- A real-time joint diagnosis method for the faults of the intermediate DC voltage sensor, the A- and B-phase current sensors, and the position sensor in PMTDSs is proposed;
- The detectability and isolability of each sensor fault with limited sampling signals are presented, and residuals are generated by the analytic redundancy relationship. Different combinations of residuals are used to realize the fast and effective isolation of all the sensors.
- A diagnostic algorithm test verification method based on data recording to reproduce real fault scenarios is proposed, and a relevant test platform is built to verify the effectiveness of the proposed diagnostic method.
2. Basis for the Decomposable Diagnosis of Sensor Faults in a System
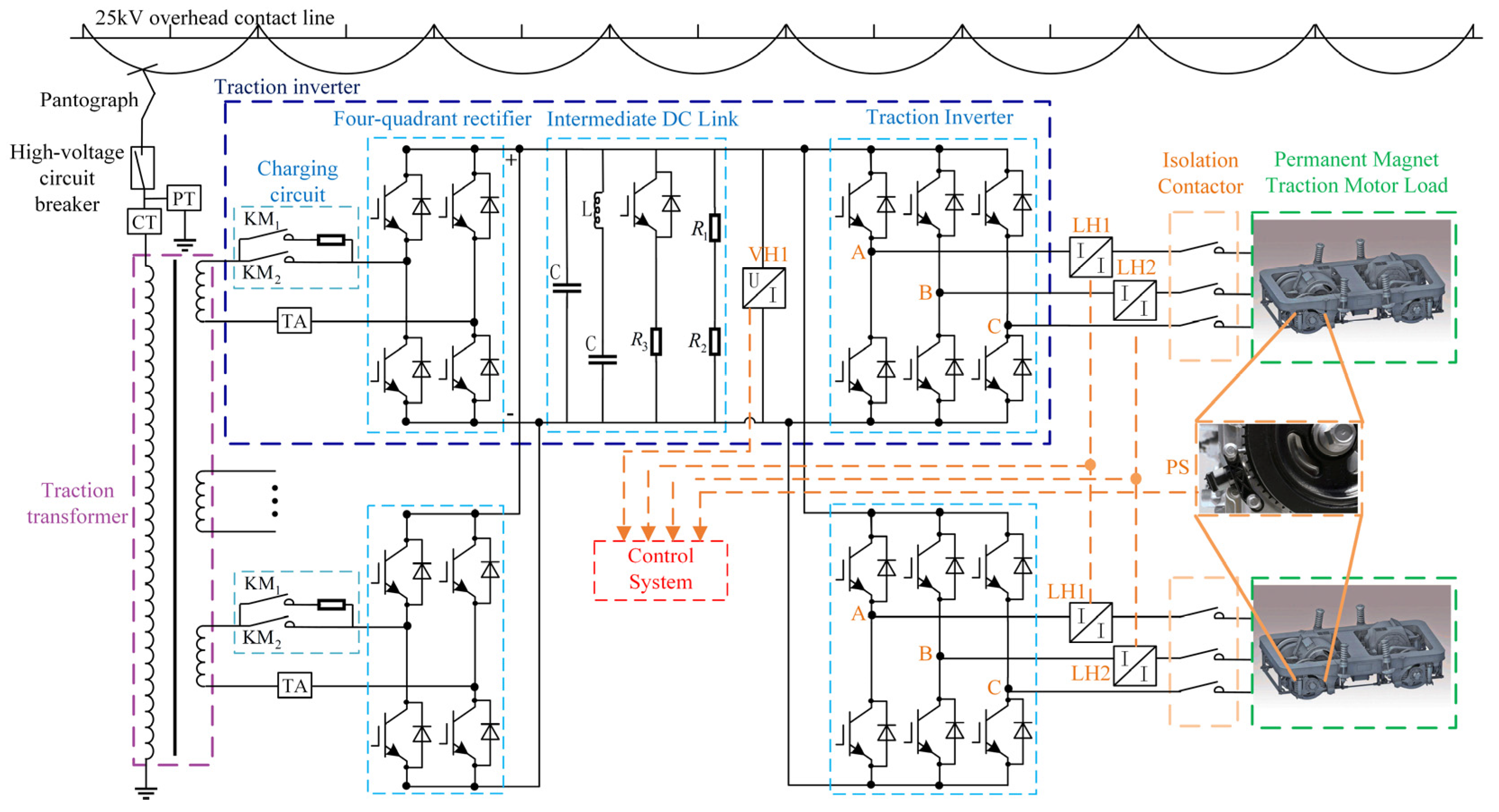
2.1. Mathematical and Structured Modeling of PMTDSs
2.2. Detectability and Isolation of Sensor Faults in System
2.3. Calculation of Minimum Set of Super-Deterministic Equations
3. Design of Multi-Sensor Fault Joint Diagnosis Algorithm
3.1. Sequence Residual Design
3.1.1. Residual R1 and R4
3.1.2. Residual R2
3.1.3. Residual R3
3.2. Fault Detection and Decision
3.2.1. Periodic Adaptive Fault Detection Strategy
3.2.2. Fault Decision Making
4. Testing and Verification
4.1. Diagnostic Objects and Test Platforms
4.2. Experiment Results
5. Conclusions
Author Contributions
Funding
Institutional Review Board Statement
Informed Consent Statement
Data Availability Statement
Acknowledgments
Conflicts of Interest
References
- Zhang, J.M.; Su, H.; Ren, Q.; Li, W.; Zhou, H.C. Review on development and key technologies of permanent magnet synchronous traction system for rail transit. J. Traffic Transp. Eng. 2021, 21, 63–77. [Google Scholar]
- Feng, J.H. Study on the permanent magnet synchronous motor drive system of rolling stock. Electr. Drive Locomot. 2010, 5, 15–21. [Google Scholar]
- Ni, Q.; Li, X.M.; Liu, K. Time-series Pattern Recognition Based Fault Diagnosis of Line-side Over-current. Proc. CSEE 2022, 42, 3963–3974. [Google Scholar]
- Fu, X.H.; Gu, S.D.; Xiong, J.X. Review of dq Axis Current Decoupling Strategy for Permanent Magnet Synchronous Motor. Proc. CSEE 2022, 42, 1–19. [Google Scholar]
- Wu, C.; Guo, C.; Xie, Z.; Ni, F.; Liu, H. A Signal-Based Fault Detection and Tolerance Control Method of Current Sensor for PMSM Drive. IEEE Trans. Ind. Electron. 2018, 65, 9646–9657. [Google Scholar] [CrossRef]
- Li, Z.; Wang, F.X.; Zhang, P.J. Research on Strong Generalization Fault Diagnosis of Permanent Magnet Synchronous Motor Driver Based on Image Fusion and Transfer Learning. Proc. CSEE 2023, 43, 9509–9522. [Google Scholar]
- Zuo, Y.; Ge, X.; Chang, Y. Current Sensor Fault-Tolerant Control for Speed-Sensorless Induction Motor Drives Based on the SEPLL Current Reconstruction Scheme. IEEE Trans. Ind. Appl. 2023, 59, 845–856. [Google Scholar] [CrossRef]
- Yu, Y.; Zhao, Y.; Wang, B.; Huang, X.; Xu, D. Current Sensor Fault Diagnosis and Tolerant Control for VSI-Based Induction Motor Drives. IEEE Trans. Power Electron. 2018, 33, 4238–4248. [Google Scholar] [CrossRef]
- Xu, S.; Chen, X.; Liu, F.; Wang, H.; Chai, Y.; Zheng, W.X.; Chen, H. A Novel Adaptive SMO-Based Simultaneous Diagnosis Method for IGBT Open-Circuit Faults and Current Sensor Incipient Faults of Inverters in PMSM Drives for Electric Vehicles. IEEE Trans. Instrum. Meas. 2023, 72, 3526915. [Google Scholar] [CrossRef]
- Li, H.M.; Yao, H.Y.; Wang, P. Online diagnosis and adaptive fault-tolerant control of position sensor faults in PMSM drive systems. Trans. China Electrotech. Soc. 2016, 31, 228–235. [Google Scholar]
- Ebadpour, M.; Amiri, N.; Jatskevich, J. Fast Fault-Tolerant Control for Improved Dynamic Performance of Hall-Sensor-Controlled Brushless DC Motor Drives. IEEE Trans. Power Electron. 2021, 36, 14051–14061. [Google Scholar] [CrossRef]
- Verrelli, C.M.; Bifaretti, S.; Carfagna, E.; Lidozzi, A.; Solero, L.; Crescimbini, F.; Di Benedetto, M. Speed Sensor Fault Tolerant PMSM Machines: From Position-Sensorless to Sensorless Control. IEEE Trans. Ind. Appl. 2019, 55, 3946–3954. [Google Scholar] [CrossRef]
- Xia, Y.; Xu, Y.; Gou, B.; Deng, Q. A Learning-Based Method for Speed Sensor Fault Diagnosis of Induction Motor Drive Systems. IEEE Trans. Instrum. Meas. 2022, 71, 3504410. [Google Scholar] [CrossRef]
- Chakraborty, C.; Verma, V. Speed and Current Sensor Fault Detection and Isolation Technique for Induction Motor Drive Using Axes Transformation. IEEE Trans. Ind. Electron. 2015, 62, 1943–1954. [Google Scholar] [CrossRef]
- Kong, X.; Cai, B.; Liu, Y.; Zhu, H.; Yang, C.; Cao, C.; Liu, Y.; Liu, Z.; Ji, R. Fault Diagnosis Methodology of Redundant Closed-Loop Feedback Control Systems: Subsea Blowout Preventer System as a Case Study. IEEE Trans. Syst. Man. Cybern. 2023, 53, 1618–1629. [Google Scholar] [CrossRef]
- Najafabadi, T.A.; Salmasi, F.R.; Jabehdar-Maralani, P. Detection and Isolation of Speed-, DC-Link Voltage-, and Current-Sensor Faults Based on an Adaptive Observer in Induction-Motor Drives. IEEE Trans. Ind. Electron. 2011, 58, 1662–1672. [Google Scholar] [CrossRef]
- Jlassi, I.; Cardoso, A.J.M. A Single Method for Multiple IGBT, Current, and Speed Sensor Faults Diagnosis in Regenerative PMSM Drives. IEEE J. Emerg. Sel. Top. Power Electron. 2020, 8, 2583–2599. [Google Scholar] [CrossRef]
- Gou, B.; Xu, Y.; Xia, Y.; Wilson, G.; Liu, S. An Intelligent Time-Adaptive Data-Driven Method for Sensor Fault Diagnosis in Induction Motor Drive System. IEEE Trans. Ind. Electron. 2019, 66, 9817–9827. [Google Scholar] [CrossRef]
- Liu, X.; Lei, Y.; Li, N.; Si, X.; Li, X. RUL prediction of machinery using convolutional-vector fusion network through multi-feature dynamic weighting. Mech. Syst. Signal Process. 2023, 185, 109788. [Google Scholar] [CrossRef]
- Gu, L.; Zhang, X.; You, S.; Zhao, S.; Liu, Z.; Harada, T. Semi-supervised learning in medical images through graph-embedded random forest. Front. Neuroinform. 2020, 14, 601829. [Google Scholar] [CrossRef]
- Pan, H.; Xu, H.; Zheng, J.; Tong, J. Non-parallel bounded support matrix machine and its application in roller bearing fault diagnosis. Inf. Sci. 2023, 624, 395–415. [Google Scholar] [CrossRef]
- Li, X.; Xu, J.; Chen, Z.; Xu, S.; Liu, K. Real-Time Fault Diagnosis of Pulse Rectifier in Traction System Based on Structural Model. IEEE Trans. Intell. Transp. Syst. 2022, 23, 2130–2143. [Google Scholar] [CrossRef]
- Zhang, J.; Yao, H.; Rizzoni, G. Fault Diagnosis for Electric Drive Systems of Electrified Vehicles Based on Structural Analysis. IEEE Trans. Veh. Technol. 2017, 66, 1027–1039. [Google Scholar] [CrossRef]
- Ebrahimi, S.H.; Choux, M.; Huynh, V.K. Detection and Discrimination of Inter-Turn Short Circuit and Demagnetization Faults in PMSMs Based on Structural Analysis. In Proceedings of the 2021 22nd IEEE International Conference on Industrial Technology (ICIT), Valencia, Spain, 10–12 March 2021; pp. 184–189. [Google Scholar]
- Ebrahimi, S.H.; Choux, M.; Huynh, V.K. Diagnosis of Sensor Faults in PMSM and Drive System Based on Structural Analysis. In Proceedings of the 2021 IEEE International Conference on Mechatronics (ICM), Kashiwa, Japan, 7–9 March 2021; pp. 1–6. [Google Scholar]
- Svärd, C.; Nyberg, M.; Frisk, E. Realizability constrained selection of residual generators for fault diagnosis with an automotive engine application. IEEE Trans. Syst. Man Cybern. 2013, 43, 1354–1369. [Google Scholar] [CrossRef]
- Liu, K.; Zhu, Z.Q.; Zhang, Q.; Zhang, J. Influence of Nonideal Voltage Measurement on Parameter Estimation in Permanent Magnet Synchronous Machines. IEEE Trans. Ind. Electron. 2012, 59, 2438–2447. [Google Scholar] [CrossRef]
- Zhang, K.; Ding, S.X.; Shardt, Y.A.W.; Chen, Z.; Peng, K. Assessment of T2- and Q-statistics for detecting additive and multiplicative faults in multivariate statistical process monitoring. J. Frankl. Inst. 2016, 354, 668–688. [Google Scholar] [CrossRef]
- Chen, Z.; Yang, C.; Peng, T.; Dan, H.; Li, C.; Gui, W. A cumulative canonical correlation analysis-based sensor precision degradation detection method. IEEE Trans. Ind. Electron. 2019, 66, 6321–6330. [Google Scholar] [CrossRef]











| Sensor Code | Definition |
|---|---|
| VH1 | Intermediate DC voltage sensor |
| LH1 | Motor A-phase current sensor |
| LH2 | Motor B-phase current sensor |
| PS | Position sensor |
| Symbol | Meaning |
|---|---|
| Udc | Intermediate DC voltage |
| id | d-axis current of the motor |
| iq | q-axis current of the motor |
| θe | Motor rotor angular position |
| ωe | Motor rotor angular speed |
| ud | Inverter output d-axis voltage |
| uq | Inverter output q-axis voltage |
| uα | The inverter outputs the α-axis voltage |
| uβ | The inverter outputs the β-axis voltage |
| ua | The inverter outputs the A-phase voltage |
| ub | The inverter outputs the B-phase voltage |
| uc | The inverter outputs the C-phase voltage |
| iα | Motor α-axis current |
| iβ | Motor β-axis current |
| did | Differential of d-axis current of motor |
| diq | Differential of q-axis current of motor |
| dθe | Differential angle position of motor rotor |
| Sa, Sb, Sc | Inverter pulse control signal |
| yUdc | Sampling value of the intermediate DC voltage sensor |
| yIa | Motor phase-A current sensor sampling value |
| yIb | Motor phase-B current sensor sampling value |
| yθn | Motor rotor position sensor sampling value |
| fUdc | The intermediate DC voltage sensor fault |
| fIa | The A-phase current sensor of the motor fault |
| fIb | The B-phase current sensor of the motor fault |
| fθn | The motor rotor position sensor fault |
| Rs | Stator resistance |
| Ld | Motor d-axis inductance |
| Lq | Motor q-axis inductance |
| ψf | Rotor permanent magnet linkage |
| np | Number of motor poles |
| Equations Set | Including Equations |
|---|---|
| MSO1 | e1~e13, e15~e16, e18~e21 |
| MSO2 | e1~e14, e16~e21 |
| MSO3 | e1~e17, e19~e21 |
| MSO4 | e1~e15, e17~e21 |
| Equations | ||||
|---|---|---|---|---|
| MSO1 | X | X | X | |
| MSO2 | X | X | X | |
| MSO3 | X | X | X | |
| MSO4 | X | X | X |
| Rules | Precondition | Conclusion | |||
|---|---|---|---|---|---|
| Code | FR1 | FR2 | FR3 | FR4 | |
| 1 | 1 | 0 | 1 | 1 | fUdc = 1 |
| 2 | 1 | 1 | 1 | 0 | fIa = 1 |
| 3 | 0 | 1 | 1 | 1 | fIb = 1 |
| 4 | 1 | 0 | 1 | fθn = 1 | |
| Parameters | Value |
|---|---|
| Rated intermediate voltage of the converter/V | 3500 |
| Rated output voltage/V | 2517 |
| Rated torque/(Nm) | 5994 |
| Rated speed/(r·min−1) | 2274 |
| Rated current of permanent magnet motor (rms)/A | 351 |
| Maximum current of permanent magnet motor (rms)/A | 490 |
| Rated power/kW | 1430 |
| Stator resistance/Ω | 0.03 |
| Direct axis inductance/mH | 2.97 |
| Quadrature axis inductance/mH | 8.49 |
| Permanent magnet flux linkage/Wb | 1.92 |
| Number of motor poles | 3 |
Disclaimer/Publisher’s Note: The statements, opinions and data contained in all publications are solely those of the individual author(s) and contributor(s) and not of MDPI and/or the editor(s). MDPI and/or the editor(s) disclaim responsibility for any injury to people or property resulting from any ideas, methods, instructions or products referred to in the content. |
© 2024 by the authors. Licensee MDPI, Basel, Switzerland. This article is an open access article distributed under the terms and conditions of the Creative Commons Attribution (CC BY) license (https://creativecommons.org/licenses/by/4.0/).
Share and Cite
Gan, W.; Li, X.; Wei, D.; Ding, R.; Liu, K.; Chen, Z. Real-Time Multi-Sensor Joint Fault Diagnosis Method for Permanent Magnet Traction Drive Systems Based on Structural Analysis. Sensors 2024, 24, 2878. https://doi.org/10.3390/s24092878
Gan W, Li X, Wei D, Ding R, Liu K, Chen Z. Real-Time Multi-Sensor Joint Fault Diagnosis Method for Permanent Magnet Traction Drive Systems Based on Structural Analysis. Sensors. 2024; 24(9):2878. https://doi.org/10.3390/s24092878
Chicago/Turabian StyleGan, Weiwei, Xueming Li, Dong Wei, Rongjun Ding, Kan Liu, and Zhiwen Chen. 2024. "Real-Time Multi-Sensor Joint Fault Diagnosis Method for Permanent Magnet Traction Drive Systems Based on Structural Analysis" Sensors 24, no. 9: 2878. https://doi.org/10.3390/s24092878
APA StyleGan, W., Li, X., Wei, D., Ding, R., Liu, K., & Chen, Z. (2024). Real-Time Multi-Sensor Joint Fault Diagnosis Method for Permanent Magnet Traction Drive Systems Based on Structural Analysis. Sensors, 24(9), 2878. https://doi.org/10.3390/s24092878

