Review, Properties, and Synthesis of Single-Switch Non-Isolated DC-DC Converters with a Wide Conversion Range
Abstract
1. Introduction
- −
- Investigating the modularity of multistage converters aiming at obtaining single-switch structures and extending the concept formerly introduced in [12];
- −
- Applying the graft scheme in the conception of structures with distinct characteristics for high step-down and/or high step-up applications;
- −
- Assessing the properties of derived topologies in terms of the voltage gain, current and voltage stresses, and behavior of the input and output stage currents.
2. Limitations of Classical Non-Isolated DC-DC Converters
3. Cascaded Non-Isolated DC-DC Converters
- −
- Inherent modularity;
- −
- The voltage gain of the resulting association is equal to the product of the voltage gains associated with the individual stages;
- −
- The active switches can be driven independently with distinct duty ratios;
- −
- Additional degrees of freedom can be incorporated into the control system.
- −
- In turn, significant drawbacks tend to exist:
- −
- High component count, especially when many cascaded converters are used to obtain a wide conversion range;
- −
- All active switches must be turned on simultaneously, as the gating signals must be properly synchronized;
- −
- Reduced robustness due to the presence of several semiconductor elements, while the converter becomes more susceptible to eventual malfunctioning;
- −
- The overall efficiency, determined by the product of the efficiencies of each stage in the cascade configuration, is significantly reduced due to energy flowing through multiple power stages;
- −
- The control system may become significantly complex;
- −
- The current and voltage stresses involving the semiconductor elements in the last stage may be somewhat high, thus limiting the application of cascaded converters to low power levels.
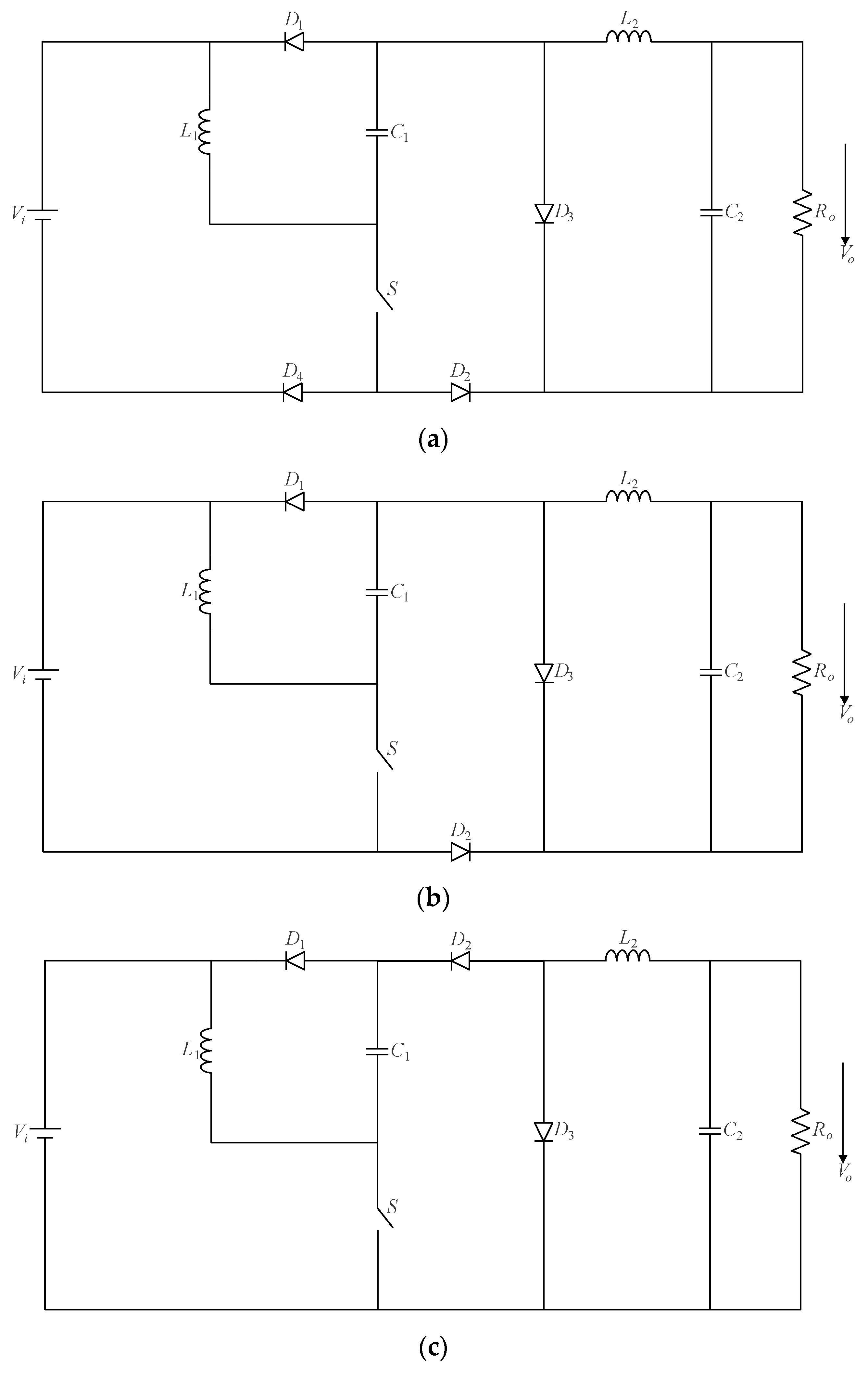
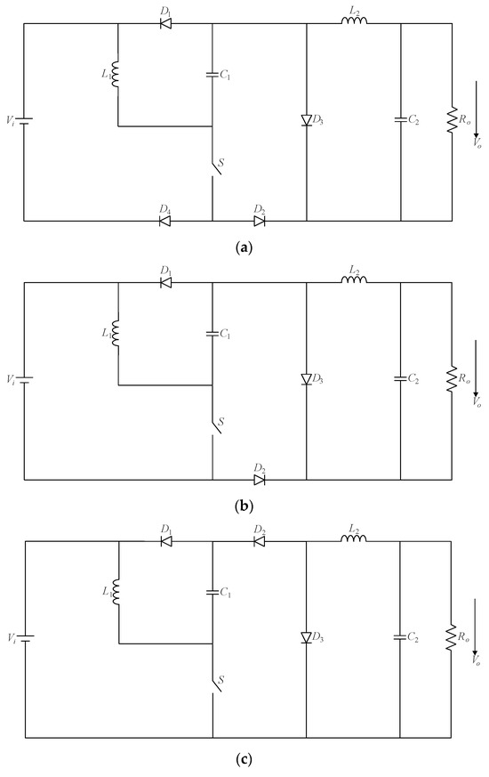
4. Graft Scheme Applied in the Conception of Single-Switch Quadratic DC-DC Converters
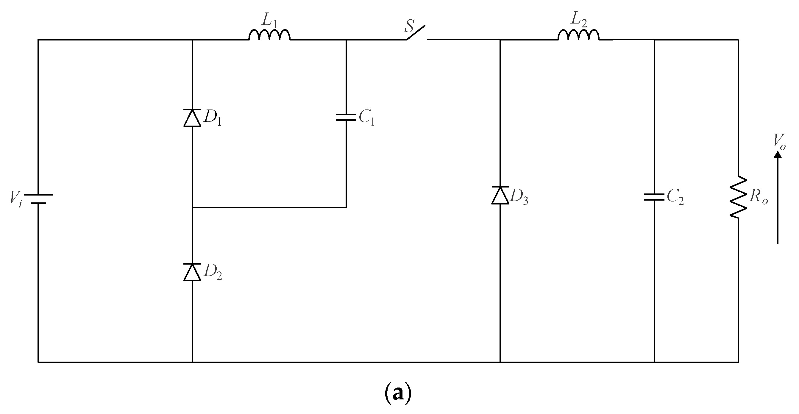
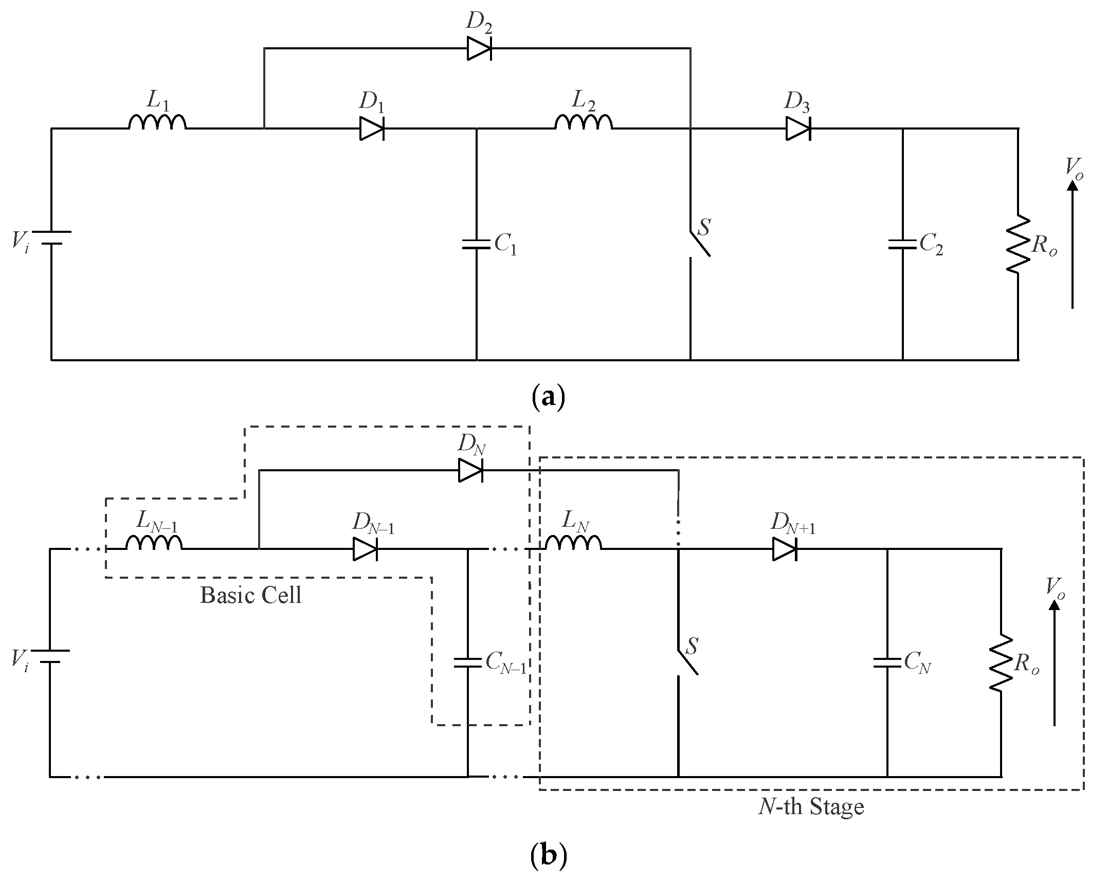
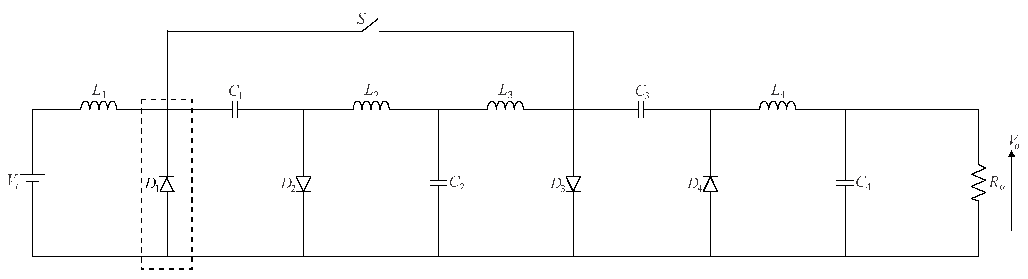
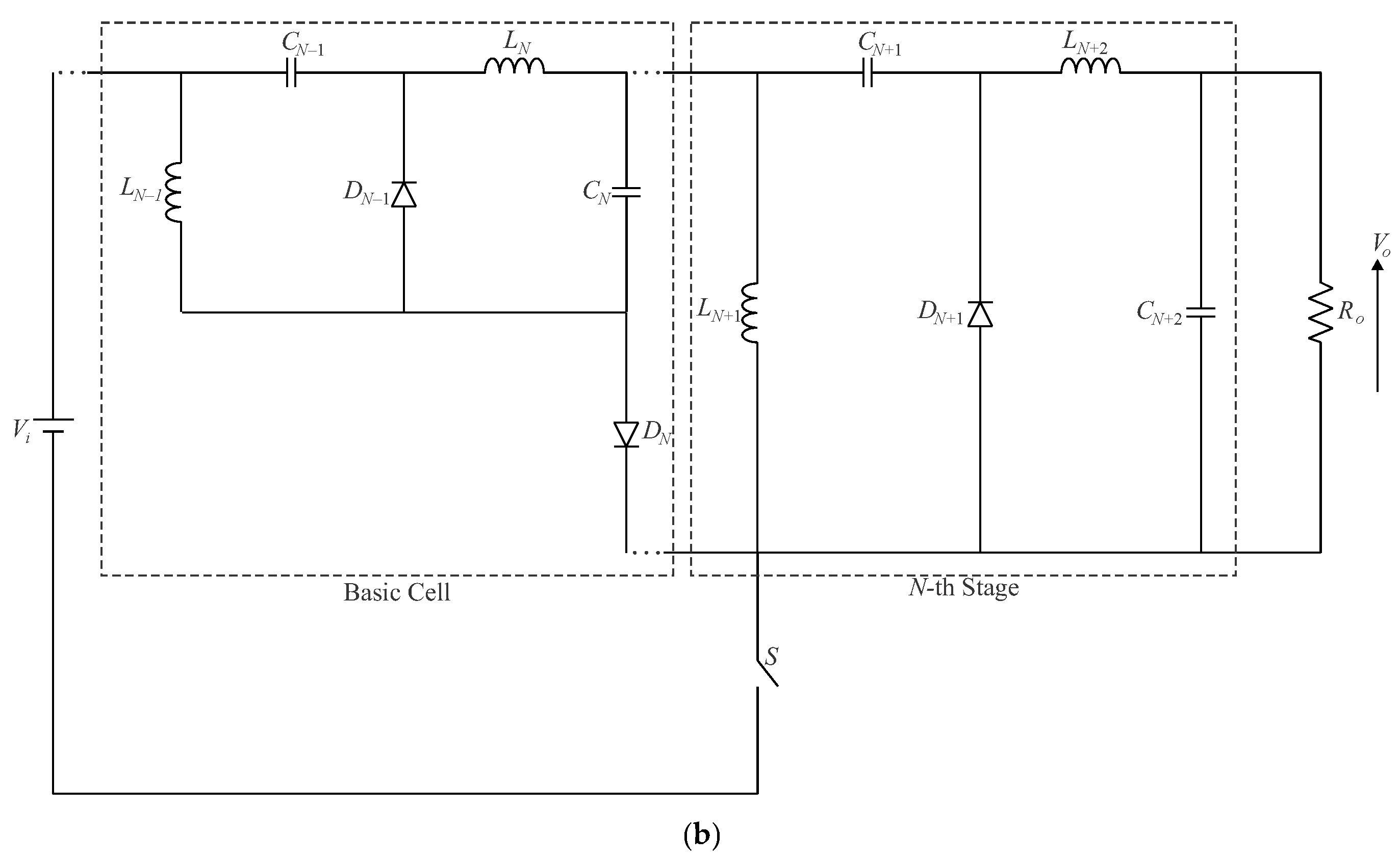
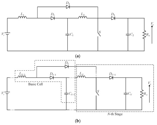
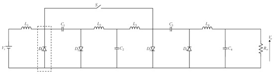
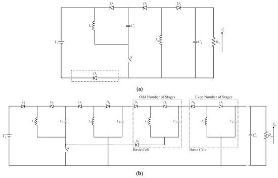
5. Deriving Multistage Single-Switch Non-Isolated DC-DC Converters
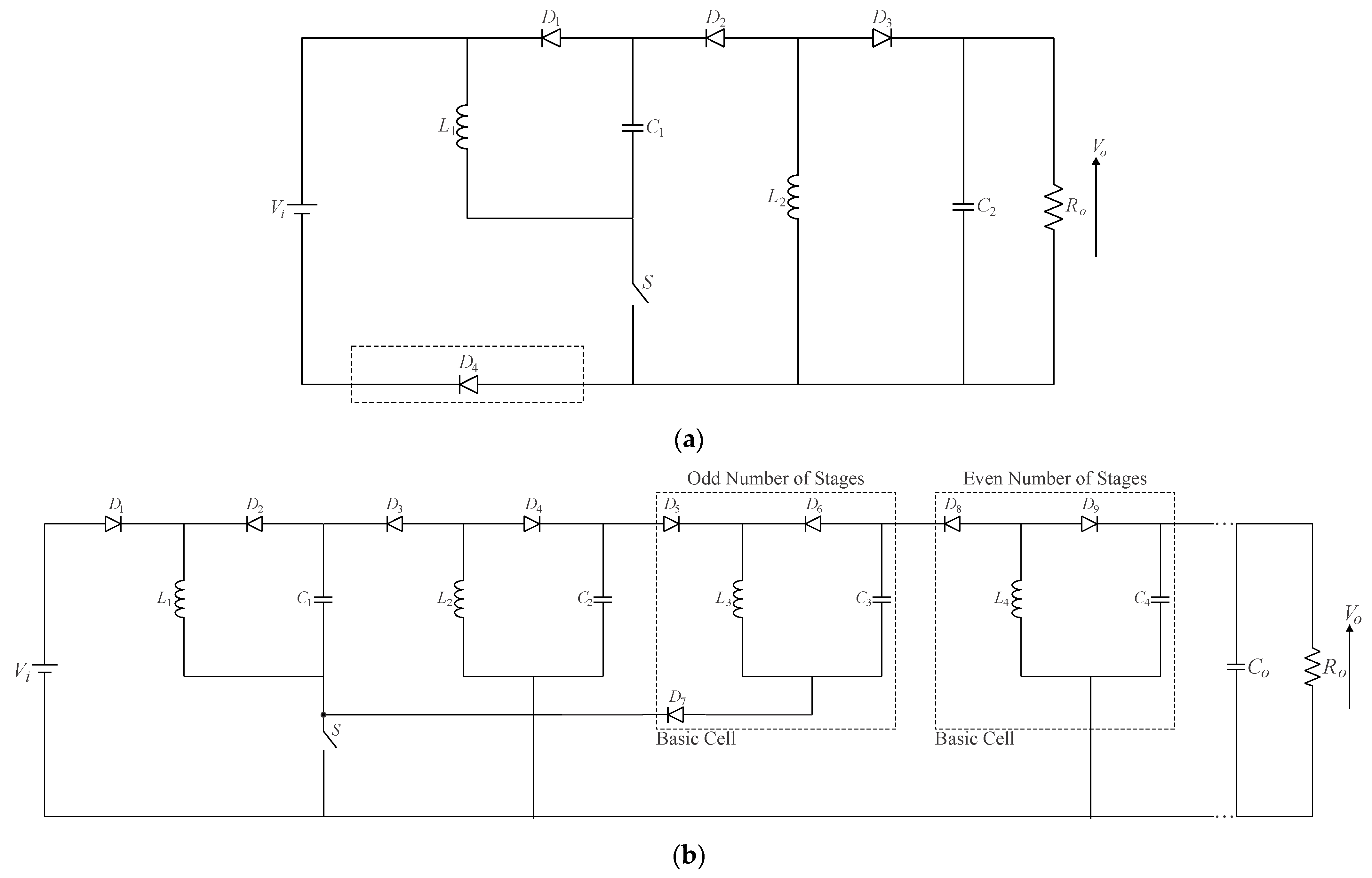
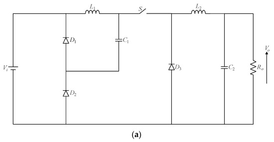
6. Properties and Synthesis of Two-Stage Single-Switch Non-Isolated DC-DC Converters
7. Conclusions
Author Contributions
Funding
Institutional Review Board Statement
Informed Consent Statement
Data Availability Statement
Conflicts of Interest
References
- Sivakumar, S.; Sathik, M.J.; Manoj, P.S.; Sundararajan, G. An assessment on performance of DC–DC converters for renewable energy applications. Renew. Sustain. Energy Rev. 2016, 58, 1475–1485. [Google Scholar] [CrossRef]
- Farajdadian, S.; Hajizadeh, A.; Soltani, M. Recent developments of multiport DC/DC converter topologies, control strategies, and applications: A comparative review and analysis. Energy Rep. 2024, 11, 1019–1052. [Google Scholar] [CrossRef]
- Li, Z.; Cheng, K.W.E.; Hu, J. Modeling of basic DC-DC converters. In Proceedings of the 2017 7th International Conference on Power Electronics Systems and Applications—Smart Mobility, Power Transfer & Security (PESA), Hong Kong, China, 12–14 December 2017; pp. 1–8. [Google Scholar]
- Vorperian, V. Simplified analysis of PWM converters using model of PWM switch. Continuous conduction mode. IEEE Trans. Aerosp. Electron. Syst. 1990, 26, 490–496. [Google Scholar] [CrossRef]
- Gitau, M.N.; Adam, G.P.; Masike, L.; Mbukani, M.W.K. Unified approach for synthesis and analysis of non-isolated DC-DC converters. IEEE Access 2021, 9, 120088–120109. [Google Scholar] [CrossRef]
- Tarzamni, H.; Gohari, H.S.; Sabahi, M.; Kyyrä, J. Nonisolated high step-up dc–dc converters: Comparative review and metrics applicability. IEEE Trans. Power Electron. 2024, 39, 582–625. [Google Scholar] [CrossRef]
- Ragonese, E.; Spina, N.; Parisi, A.; Palmisano, G. An experimental comparison of galvanically isolated DC-DC converters: Isolation technology and integration approach. Electronics 2021, 10, 1186. [Google Scholar] [CrossRef]
- Wang, X.; Luo, C.; Zhao, J.; Luo, Z. Optimal selection of bulk capacitors in flyback converter. Microelectron. Reliab. 2024, 153, 115306. [Google Scholar] [CrossRef]
- Abusara, M.A.; Guerrero, J.M.; Sharkh, S.M. Line-interactive UPS for microgrids. IEEE Trans. Ind. Electron. 2014, 61, 1292–1300. [Google Scholar] [CrossRef]
- Niu, J.; Tang, Y. A family of single-switch wide-gain converters with low voltage stress. Energy Rep. 2023, 9, 1032–1041. [Google Scholar] [CrossRef]
- Middlebrook, R.D. Transformerless DC-to-DC converters with large conversion ratios. IEEE Trans. Power Electron. 1988, 3, 484–488. [Google Scholar] [CrossRef]
- Maksimovic, D.; Cuk, S. Switching converters with wide DC conversion range. IEEE Trans. Power Electron. 1991, 6, 151–157. [Google Scholar] [CrossRef]
- Wu, T.; Yu, T.; Chang, Y. Generation of power converter with graft technique. In Proceedings of the 15th Symposium Electrical Power Engineering, Liège, Belgium, 15 November 1995; pp. 370–376. [Google Scholar]
- Espinoza-Trejo, D.R.; Castro, L.M.; Bárcenas, E.; Sánchez, J.P. Data-driven switch fault diagnosis for dc/dc boost converters in photovoltaic applications. IEEE Trans. Ind. Electron. 2024, 71, 1631–1640. [Google Scholar] [CrossRef]
- Forouzesh, M.; Siwakoti, Y.P.; Gorji, S.A.; Blaabjerg, F.; Lehman, B. Step-up dc–dc converters: A comprehensive review of voltage-boosting techniques, topologies, and applications. IEEE Trans. Power Electron. 2017, 32, 9143–9178. [Google Scholar] [CrossRef]
- Liu, Q.; Qian, Q.; Shi, L.; Xu, Q.; Ding, S.; Sun, W. An improved buck converter with high frequency and high step-down ratio for auxiliary power supply applications. IET Power Electron. 2023, 16, 2638–2649. [Google Scholar] [CrossRef]
- Farooq, A.; Malik, Z.; Sun, Z.; Chen, G. A review of non-isolated high step-down DC-DC converters. Int. J. Smart Home 2015, 9, 133–150. [Google Scholar] [CrossRef]
- Izadi, M.; Mosallanejad, A.; Lahooti Eshkevari, A. A non-isolated quadratic boost converter with improved gain, high efficiency, and continuous input current. IET Power Electron. 2023, 16, 193–208. [Google Scholar] [CrossRef]
- Li, G.; Amirabadi, M.; Chen, X.; Lehman, B. The methodology of constructing the quadratic converters. IEEE J. Emerg. Sel. Top. Power Electron. 2022, 10, 6586–6606. [Google Scholar] [CrossRef]
- Panigrahi, R.; Mishra, S.K.; Joshi, A.; Ngo, K.D.T. Synthesis of DC–DC converters from voltage conversion ratio and prescribed requirements. IEEE Trans. Power Electron. 2021, 36, 13889–13902. [Google Scholar] [CrossRef]
- Panigrahi, R.; Mishra, S.K.; Joshi, A.; Ngo, K.D.T. DC-DC converter synthesis: An inverse problem. IEEE Trans. Power Electron. 2020, 35, 12633–12638. [Google Scholar] [CrossRef]
- Nag, S.S.; Panigrahi, R.; Mishra, S.K.; Joshi, A.; Ngo, K.D.T.; Mandal, S. A theory to synthesize nonisolated DC–DC converters using flux balance principle. IEEE Trans. Power Electron. 2019, 34, 10910–10924. [Google Scholar] [CrossRef]
- Gorji, S.A. Reconfigurable quadratic converters for electrolyzers utilized in DC microgrids. IEEE Access 2022, 10, 109677–109687. [Google Scholar] [CrossRef]
- Pires, V.F.; Foito, D.; Cordeiro, A. A DC–DC converter with quadratic gain and bidirectional capability for batteries/supercapacitors. IEEE Trans. Ind. Appl. 2018, 54, 274–285. [Google Scholar] [CrossRef]
- Hosseini, S.H.; Ghazi, R.; Heydari-Doostabad, H. An extendable quadratic bidirectional DC–DC converter for V2G and G2V applications. IEEE Trans. Ind. Electron. 2021, 68, 4859–4869. [Google Scholar] [CrossRef]
- Inoue, S.; Ishigaki, M.; Takahashi, A.; Sugiyama, T. Design of an isolated bidirectional DC–DC converter with built-in filters for high power density. IEEE Trans. Power Electron. 2021, 36, 739–750. [Google Scholar] [CrossRef]
- Wu, T.-F.; Chen, Y.-K. Origin of Power Converters: Decoding, Synthesizing, and Modeling; John Wiley & Sons: Hoboken, NJ, USA, 2020. [Google Scholar]
- Leal, W.C.; Godinho, M.O.; Bastos, R.F.; Aguiar, C.R.d.; Fuzato, G.H.F.; Machado, R.Q. Cascaded interleaved DC–DC converter for a bidirectional electric vehicle charging station. IEEE Trans. Ind. Electron. 2024, 71, 3708–3717. [Google Scholar] [CrossRef]
- Masike, L.; Gitau, M.N. A modular circuit synthesis oriented modelling approach for non-isolated DC-DC converters in CCM. Energies 2023, 16, 1047. [Google Scholar] [CrossRef]
- Kumari, R.; Pandit, M.; Sherpa, K.S. A comprehensive study on evolution and advancement of DC–DC cascaded converters: A review. Aust. J. Electr. Electron. Eng. 2022, 19, 40–55. [Google Scholar] [CrossRef]
- Tsai-Fu, W.; Yu-Kai, C. A systematic and unified approach to modeling PWM DC/DC converters based on the graft scheme. IEEE Trans. Ind. Electron. 1998, 45, 88–98. [Google Scholar] [CrossRef]
- Tsai-Fu, W.; Yu-Kai, C. An alternative approach to systematically modeling PWM DC/DC converters in DCM based on the graft scheme. In Proceedings of the PESC97. Record 28th Annual IEEE Power Electronics Specialists Conference. Formerly Power Conditioning Specialists Conference 1970–71. Power Processing and Electronic Specialists Conference 1972, St. Louis, MO, USA, 27–27 June 1997; Volume 1, pp. 453–459. [Google Scholar]
- Kumar, A.D.; Gupta, J.; Singh, B. A single-stage charger for lev based on quadratic buck-boost AC-DC converter topology. IEEE Trans. Ind. Appl. 2023, 59, 4252–4263. [Google Scholar] [CrossRef]
- Bassan, S.; Moschopoulos, G. Properties and applications of quadratic converters. In Proceedings of the 2007 IEEE Canada Electrical Power Conference, Montreal, QC, Canada, 25–26 October 2007; pp. 123–127. [Google Scholar]
- Wijeratne, D.S.; Moschopoulos, G. Quadratic power conversion for power electronics: Principles and circuits. IEEE Trans. Circuits Syst. I Regul. Pap. 2012, 59, 426–438. [Google Scholar] [CrossRef]
- Morales-Saldana, J.A.; Leyva-Ramos, J.; Carbajal-Gutierrez, E.E.; Ortiz-Lopez, M.G. Average current-mode control scheme for a quadratic buck converter with a single switch. IEEE Trans. Power Electron. 2008, 23, 485–490. [Google Scholar] [CrossRef]
- Birca-Galateanu, S. Triple step-down DC-DC converters. In Proceedings of the PESC Record. 27th Annual IEEE Power Electronics Specialists Conference, Baveno, Italy, 23–27 June 1996; Volume 1, pp. 408–413. [Google Scholar]
- Alonso, J.M.; Viña, J.; Gacio, D.; Campa, L.; Martínez, G.; Osorio, R. Analysis and design of the quadratic buck-boost converter as a high-power-factor driver for power-LED lamps. In Proceedings of the IECON 2010—36th Annual Conference on IEEE Industrial Electronics Society, Glendale, AZ, USA, 7–10 November 2010; pp. 2541–2546. [Google Scholar]
- Botila, D.A.; Pop-Calimanu, I.M.; Lascu, D. Cubic buck-boost converter with high step-up capability. In Proceedings of the 2022 International Symposium on Electronics and Telecommunications (ISETC), Timisoara, Romania, 10–11 November 2022; pp. 1–4. [Google Scholar]
- Cuk, S.; Middlebrook, R. A new optimum topology switching DC-to-DC converter. In Proceedings of the 1977 IEEE Power Electronics Specialists Conference, Palo Alto, CA, USA, 14–16 June 1977; IEEE: Piscataway, NJ, USA, 1977; pp. 160–179. [Google Scholar]
- Massey, R.; Snyder, E. High voltage single-ended DC-DC converter. In Proceedings of the 1977 IEEE Power Electronics Specialists Conference, Glendale, AZ, USA, 14–16 June 1977; IEEE: Piscataway, NJ, USA, 1977; pp. 156–159. [Google Scholar]
- Jozwik, J.J.; Kazimierczuk, M.K. Dual sepic PWM switching-mode DC/DC power converter. IEEE Trans. Ind. Electron. 1989, 36, 64–70. [Google Scholar] [CrossRef]
- Oliveira, T.M.; Ribeiro, E.R.; de Morais, A.S.; Tofoli, F.L. Non-isolated high step-up/step-down DC–DC quadratic Ćuk converter. Int. Trans. Electr. Energy Syst. 2021, 31, e13173. [Google Scholar] [CrossRef]
- Corrêa, D.R.; de Morais, A.S.; Tofoli, F.L. Non-isolated high step-up/step-down quadratic converter for light-emitting diode driving. Int. J. Circuit Theory Appl. 2021, 49, 2699–2718. [Google Scholar] [CrossRef]
- Chen, Y.K.; Chen, H.Y.; Song, C.C.; Chen, W.Z. Design and implementation of novel single-stage high voltage electrostatic generator for agricultural plant protection machine. In Proceedings of the 2023 International Technical Conference on Circuits/Systems, Computers, and Communications (ITC-CSCC), Jeju, Republic of Korea, 25–28 June 2023; pp. 1–6. [Google Scholar]
- Almeida, P.S.; Soares, G.M.; Pinto, D.P.; Braga, H.A. Integrated SEPIC buck-boost converter as an off-line LED driver without electrolytic capacitors. In Proceedings of the IECON 2012—38th Annual Conference on IEEE Industrial Electronics Society, Montreal, QC, Canada, 25–28 October 2012; IEEE: Piscataway, NJ, USA, 2012; pp. 4551–4556. [Google Scholar]
- Cosetin, M.; Bitencourt, E.; Bolzan, T.; Silva, M.; Alonso, J.; do Prado, R. Comparison of single stage SEPIC and integrated SEPIC-Buck converter as off-line LED drivers. In Proceedings of the 2013 Brazilian Power Electronics Conference, Gramado, Brazil, 27–31 October 2013; IEEE: Piscataway, NJ, USA, 2013; pp. 1134–1139. [Google Scholar]
- Cosetin, M.; Bolzan, T.; Luz, P.; da Silva, M.; Alonso, J.M.; do Prado, R.N. Dimmable single-stage SEPIC-Ćuk converter for LED lighting with reduced storage capacitor. In Proceedings of the 2014 IEEE Industry Application Society Annual Meeting, Vancouver, BC, Canada, 5–9 October 2014; IEEE: Piscataway, NJ, USA, 2014; pp. 1–7. [Google Scholar]
- Miranda, L.C.; Sanhueza, R.; López, G.; Fingerhuth, S.; Mussa, S.A.; Ruiz-Caballero, D. High-gain symmetrical hybrid multilevel DC-AC converters—Single phase circuits. In Proceedings of the 2013 Brazilian Power Electronics Conference, Gramado, Brazil, 27–31 October 2013; IEEE: Piscataway, NJ, USA, 2013; pp. 161–168. [Google Scholar]
- Subhani, N.; May, Z.; Alam, M.K.; Khan, I.; Hossain, M.A.; Mamun, S. An improved non-isolated quadratic DC-DC boost converter with ultra high gain ability. IEEE Access 2023, 11, 11350–11363. [Google Scholar] [CrossRef]
















| Characteristic | Buck/Buck [12] | Buck/Boost | Buck/Buck–Boost | Buck/Ćuk | Buck/SEPIC | Buck/Zeta |
|---|---|---|---|---|---|---|
| Configuration | IV | IV | IV | IV | IV | IV |
| Voltage gain | (d) | (c) | (h) | (h) | (h) | (h) |
| Input current | Pulsating | Pulsating | Pulsating | Pulsating | Pulsating | Pulsating |
| Output stage current | Non-Pulsating | Pulsating | Pulsating | Non-Pulsating | Pulsating | Non-Pulsating |
| Switch Additional Stresses | Voltage | Voltage | Voltage | Voltage | Voltage | Voltage |
| Components (S/D/L/C) | 1/3/2/2 | 1/3/2/2 | 1/3/2/2 | 1/3/3/3 | 1/3/3/3 | 1/3/3/3 |
| Applications | High step-down | Low step-up/low step-down | Low step-up/high step-down | Low step-up/high step-down | Low step-up/high step-down | Low step-up/high step-down |
| Characteristic | Boost/Buck | Boost/Boost [12] | Boost/Buck–Boost | Boost/Ćuk [49] | Boost/SEPIC | Boost/Zeta |
|---|---|---|---|---|---|---|
| Configuration | I | I | I | I | I | I |
| Voltage gain | (c) | (e) | (g) | (g) | (g) | (g) |
| Input current | Non-Pulsating | Non-Pulsating | Non-Pulsating | Non-Pulsating | Non-Pulsating | Non-Pulsating |
| Output stage current | Non-Pulsating | Pulsating | Pulsating | Non-Pulsating | Pulsating | Non-Pulsating |
| Switch Additional Stresses | Current | Current | Current | Current | Current | Current |
| Components (S/D/L/C) | 1/3/2/2 | 1/3/2/2 | 1/3/2/2 | 1/3/3/3 | 1/3/3/3 | 1/3/3/3 |
| Applications | Low step-up/low step-down | High step-up | High step-up/low step-down | High step-up/low step-down | High step-up/low step-down | High step-up/low step-down |
| Characteristic | Buck–Boost/Buck | Buck–Boost/Boost | Buck–Boost/Buck–Boost [12] | Buck–Boost/Ćuk | Buck–Boost/SEPIC | Buck–Boost/Zeta |
|---|---|---|---|---|---|---|
| Configuration | III | III | III | III | III | III |
| Voltage gain | (h) | (g) | (f) | (f) | (f) | (f) |
| Input current | Pulsating | Pulsating | Pulsating | Pulsating | Pulsating | Pulsating |
| Output stage current | Non-Pulsating | Pulsating | Pulsating | Non-Pulsating | Pulsating | Non-Pulsating |
| Switch Additional Stresses | Voltage | Voltage | Voltage | Voltage | Voltage | Voltage |
| Components (S/D/L/C) | 1/3/2/2 | 1/3/2/2 | 1/4/2/2 | 1/4/3/3 | 1/4/3/3 | 1/4/3/3 |
| Applications | Low step-up/high step-down | High step-up/low step-down | High step-up/high step-down | High step-up/high step-down | High step-up/high step-down | High step-up/high step-down |
| Characteristic | Ćuk/Buck | Ćuk/Boost | Ćuk/Buck–Boost | Ćuk/Ćuk | Ćuk/SEPIC | Ćuk/Zeta |
|---|---|---|---|---|---|---|
| Configuration | I | I | I | I | I | I |
| Voltage gain | (h) | (g) | (f) | (f) | (f) | (f) |
| Input current | Non-Pulsating | Non-Pulsating | Non-Pulsating | Non-Pulsating | Non-Pulsating | Non-Pulsating |
| Output stage current | Non-Pulsating | Pulsating | Pulsating | Non-Pulsating | Pulsating | Non-Pulsating |
| Switch Additional Stresses | Current | Current | Current | Current | Current | Current |
| Components (S/D/L/C) | 1/3/3/3 | 1/3/3/3 | 1/4/3/3 | 1/4/4/4 | 1/4/4/4 | 1/4/4/4 |
| Applications | Low step-up/high step-down | High step-up/low step-down | High step-up/high step-down | High step-up/high step-down | High step-up/high step-down | High step-up/high step-down |
| Characteristic | SEPIC/Buck [47] | SEPIC/Boost | SEPIC/Buck–Boost[46] | SEPIC/Ćuk [48] | SEPIC/SEPIC | SEPIC/Zeta |
|---|---|---|---|---|---|---|
| Configuration | I | I | I | I | I | I |
| Voltage gain | (h) | (g) | (f) | (f) | (f) | (f) |
| Input current | Non-Pulsating | Non-Pulsating | Non-Pulsating | Non-Pulsating | Non-Pulsating | Non-Pulsating |
| Output stage current | Non-Pulsating | Pulsating | Pulsating | Non-Pulsating | Pulsating | Non-Pulsating |
| Switch Additional Stresses | Current | Current | Current | Current | Current | Current |
| Components (S/D/L/C) | 1/3/3/3 | 1/3/3/3 | 1/4/3/3 | 1/4/4/4 | 1/4/4/4 | 1/4/4/4 |
| Applications | Low step-up/high step-down | High step-up/low step-down | High step-up/high step-down | High step-up/high step-down | High step-up/high step-down | High step-up/high step-down |
| Characteristic | Zeta/Buck [47] | Zeta/Boost | Zeta/Buck–Boost [46] | Zeta/Ćuk [48] | Zeta/SEPIC | Zeta/Zeta |
|---|---|---|---|---|---|---|
| Configuration | IV | IV | IV | IV | IV | IV |
| Voltage gain | (h) | (g) | (f) | (f) | (f) | (f) |
| Input current | Pulsating | Pulsating | Pulsating | Pulsating | Pulsating | Pulsating |
| Output stage current | Non-Pulsating | Pulsating | Pulsating | Non-Pulsating | Pulsating | Non-Pulsating |
| Switch Additional Stresses | Voltage | Voltage | Voltage | Voltage | Voltage | Voltage |
| Components (S/D/L/C) | 1/3/3/3 | 1/3/3/3 | 1/4/3/3 | 1/4/4/4 | 1/4/4/4 | 1/4/4/4 |
| Applications | Low step-up/high step-down | High step-up/low step-down | High step-up/high step-down | High step-up/high step-down | High step-up/high step-down | High step-up/high step-down |
Disclaimer/Publisher’s Note: The statements, opinions and data contained in all publications are solely those of the individual author(s) and contributor(s) and not of MDPI and/or the editor(s). MDPI and/or the editor(s) disclaim responsibility for any injury to people or property resulting from any ideas, methods, instructions or products referred to in the content. |
© 2024 by the authors. Licensee MDPI, Basel, Switzerland. This article is an open access article distributed under the terms and conditions of the Creative Commons Attribution (CC BY) license (https://creativecommons.org/licenses/by/4.0/).
Share and Cite
Tofoli, F.L.; Carlos, T.M.J.; Morais, A.S. Review, Properties, and Synthesis of Single-Switch Non-Isolated DC-DC Converters with a Wide Conversion Range. Sensors 2024, 24, 2264. https://doi.org/10.3390/s24072264
Tofoli FL, Carlos TMJ, Morais AS. Review, Properties, and Synthesis of Single-Switch Non-Isolated DC-DC Converters with a Wide Conversion Range. Sensors. 2024; 24(7):2264. https://doi.org/10.3390/s24072264
Chicago/Turabian StyleTofoli, Fernando Lessa, Thaís Martins Jajah Carlos, and Aniel Silva Morais. 2024. "Review, Properties, and Synthesis of Single-Switch Non-Isolated DC-DC Converters with a Wide Conversion Range" Sensors 24, no. 7: 2264. https://doi.org/10.3390/s24072264
APA StyleTofoli, F. L., Carlos, T. M. J., & Morais, A. S. (2024). Review, Properties, and Synthesis of Single-Switch Non-Isolated DC-DC Converters with a Wide Conversion Range. Sensors, 24(7), 2264. https://doi.org/10.3390/s24072264

