A Critical Analysis of Quadratic Boost Based High-Gain Converters for Electric Vehicle Applications: A Review
Abstract
1. Introduction
- ⮚
- Slim and portable.
- ⮚
- Very efficient.
- ⮚
- Compact size.
- ⮚
- EMF interference is minimal.
- ⮚
- The current ripple is kept low by drawing from the battery or the fuel cell.
- ⮚
- The converter exhibits a high step-up function.
- ⮚
- Adjusting converter input voltage significantly affects DC/DC converter power flow management.
2. Quadratic Boost Converter
Experimental Analysis of Quadratic Boost Converters
3. High-Gain Quadratic Boost Converter Topology
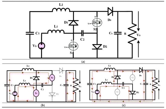
3.1. Switch Capacitor-Based High-Gain Quadratic Boost Converters
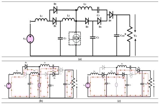
3.1.1. High-Gain Quadratic Boost Converters I (HG-QBC I)
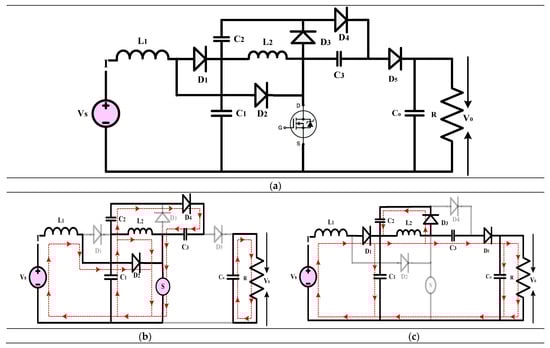
3.1.2. High-Gain Quadratic Boost Converters II (HG-QBC II)
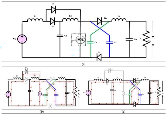
3.2. Switch Inductor Based High-Gain Quadratic Boost Converters
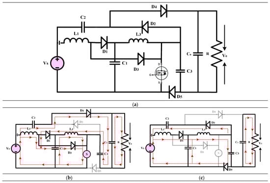
3.2.1. High-Gain Quadratic Boost Converters III (HG-QBC III)
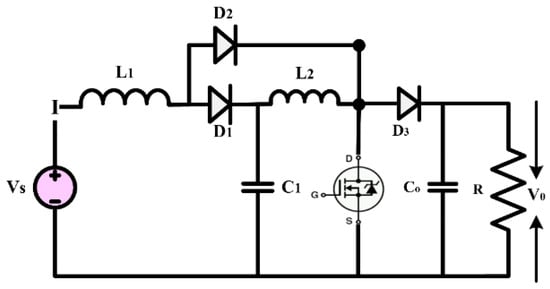
3.2.2. High-Gain Quadratic Boost Converters IV (HG-QBC IV)
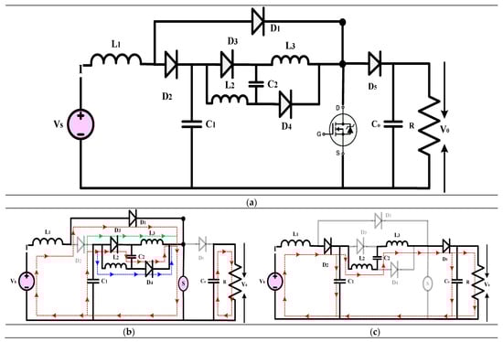
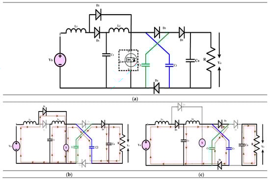
3.3. Hybrid Switch Capacitor and Inductor-Based High-Gain Quadratic Boost Converter
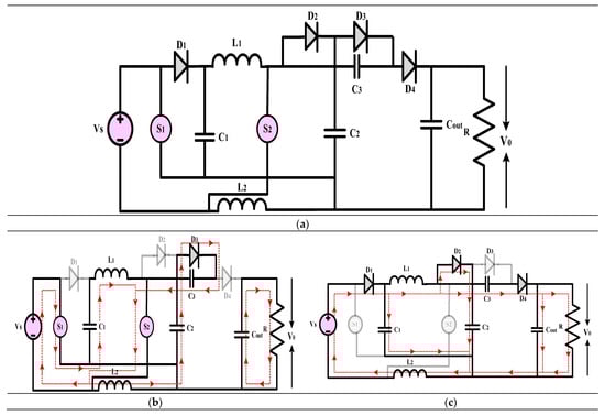
3.3.1. High-Gain Quadratic Boost Converters V (HG-QBC V)
3.3.2. High-Gain Quadratic Boost Converters VI (HG-QBC VI)
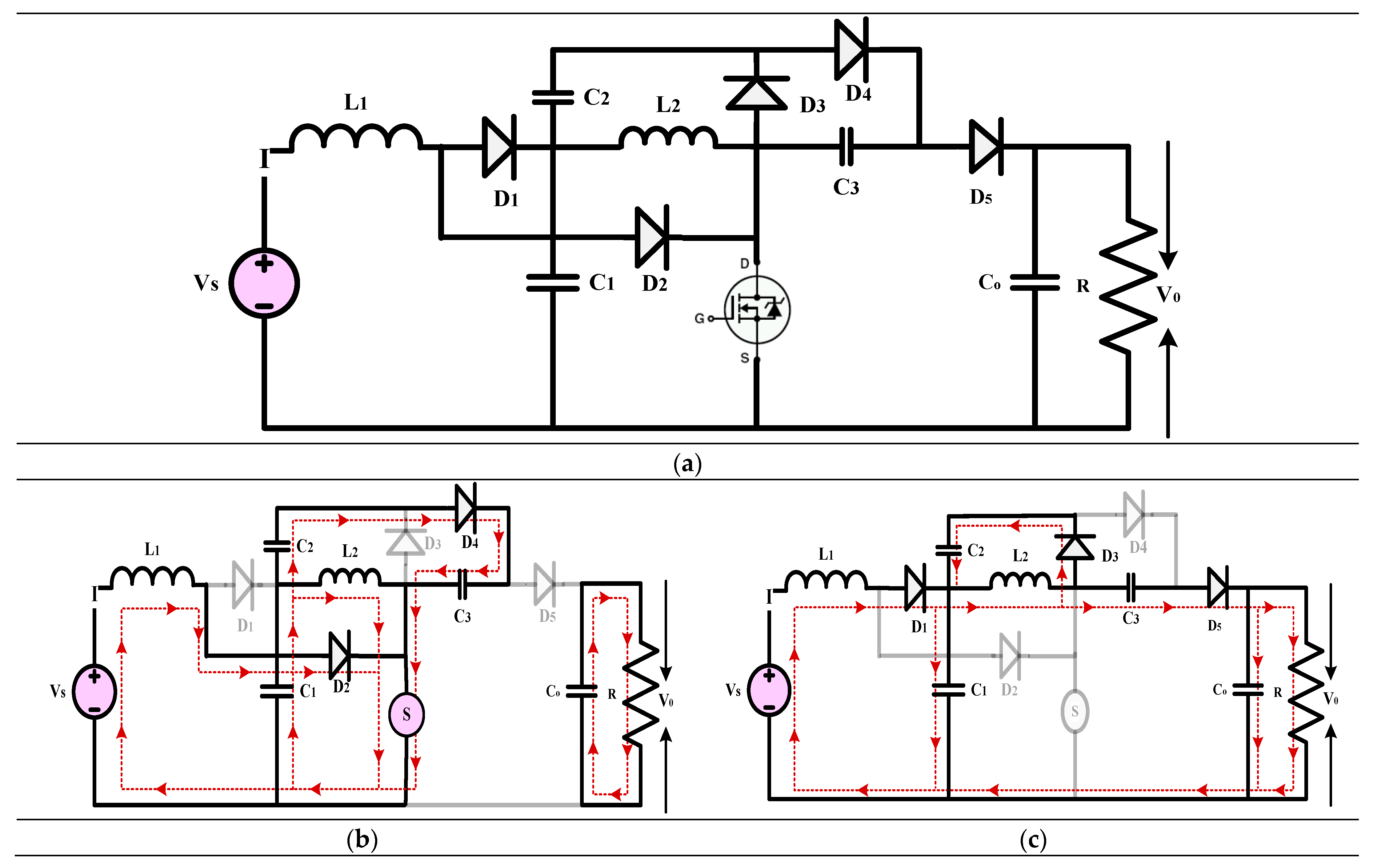
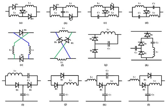
3.3.3. High-Gain Quadratic Boost Converters VII, VIII, and IX (HG-QBC VII, VIII, and IX)
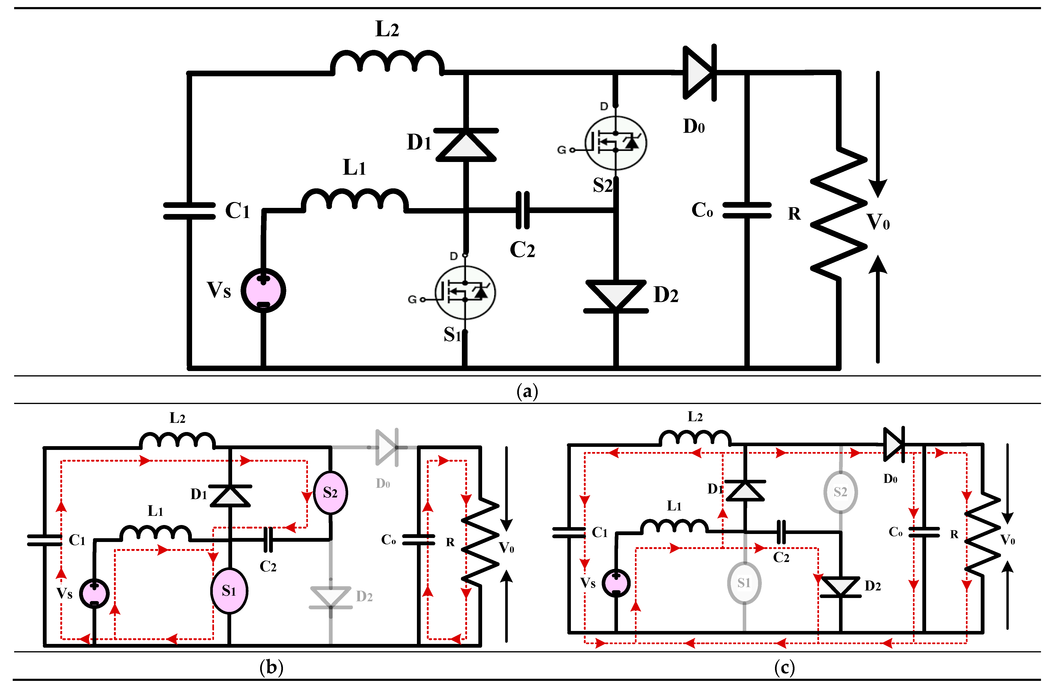
3.3.4. High-Gain Quadratic Boost Converters X (HG-QBC X)
3.3.5. High-Gain Quadratic Boost Converters XI (HG-QBC XI)
3.4. Summary
4. Comparative Analysis
5. Future Research Directions
- ❖
- Explore design to optimize the performance of HG-QBC, with the goal of achieving higher power density and reducing energy losses.
- ❖
- Enhance switching speeds and minimize conduction losses by utilizing cutting-edge semiconductor materials and techniques, resulting in increased converter efficiency.
- ❖
- Discover adaptive control techniques for HG-QBC in EVs with variable input voltages and loads.
- ❖
- Explore the potential of dynamic algorithms that enhance converter settings in real-time, considering the current operational conditions.
- ❖
- Research on QBC integration with multi-source energy harvesting systems is needed to increase EV energy collection. These systems may use solar, kinetic, or thermal energy.
- ❖
- Make control algorithms that balance and control energy from multiple sources to meet EVs variables power needs.
- ❖
- Verify the robustness and dependability of EVs with HG-QBC, particularly under difficult operating circumstances.
- ❖
- Develop innovative cooling and packaging methods to strengthen the converter’s resistance to vibrations, temperature changes, and other harsh environments.
- ❖
- Focus investigation on HG-QBC bidirectional power flow to make ability of EVs can use for V2G and G2V connections.
- ❖
- Develop coordinated control methods to simplify smart grid integration so EVs can stabilize and support demand response programs.
- ❖
- Identify possible areas for cost reduction and assess the economic viability of EVs with HG-QBC.
- ❖
- Investigate new production methods, affordable supplies, and scalable designs to lower converter prices for EVs markets.
- ❖
- Contribute to the establishment of industry standards for HG-QBC base EVs to ensure seamless interoperability and compatibility across various EVs and charging infrastructures.
- ❖
- Collaborate with appropriate regulatory agencies and business organizations to create universally applicable testing protocols and specifications.
6. Conclusions
Author Contributions
Funding
Institutional Review Board Statement
Informed Consent Statement
Data Availability Statement
Conflicts of Interest
References
- Giannakis, E.; Serghides, D.; Dimitriou, S.; Zittis, G. Land transport CO2 emissions and climate change: Evidence from Cyprus. Int. J. Sustain. Energy 2020, 39, 634–647. [Google Scholar] [CrossRef]
- Kumar, M.; Panda, K.P.; Naayagi, R.T.; Thakur, R.; Panda, G. Comprehensive Review of Electric Vehicle Technology and Its Impacts: Detailed Investigation of Charging Infrastructure, Power Management, and Control Techniques. Appl. Sci. 2023, 13, 8919. [Google Scholar] [CrossRef]
- Pelegov, D.V.; Chanaron, J.-J. Electric Car Market Analysis Using Open Data: Sales, Volatility Assessment, and Forecasting. Sustainability 2023, 15, 399. [Google Scholar] [CrossRef]
- International Energy Agency. Renewables 2018—Analysis and Forecasts to 2023; International Energy Agency: Paris, France, 2018. [Google Scholar]
- Kumar, M.; Panda, K.P.; Rosas-Caro, J.C.; Valderrabano-Gonzalez, A.; Panda, G. Comprehensive Review of Conventional and Emerging Maximum Power Point Tracking Algorithms for Uniformly and Partially Shaded Solar Photovoltaic Systems. IEEE Access 2023, 11, 31778–31812. [Google Scholar] [CrossRef]
- Hossain Lipu, M.S.; Miah, M.S.; Ansari, S.; Meraj, S.T.; Hasan, K.; Elavarasan, R.M.; Mamun, A.A.; Zainuri, M.A.A.M.; Hussain, A. Power Electronics Converter Technology Integrated Energy Storage Management in Electric Vehicles: Emerging Trends, Analytical Assessment and Future Research Opportunities. Electronics 2022, 11, 562. [Google Scholar] [CrossRef]
- Gaurav; Jayaram, N.; Halder, S.; Panda, K.P.; Pulavarthi, S.V.K. A Novel Design with Condensed Component of Multi-Input High Gain Nonisolated DC–DC Converter for Performance Enhancement in Carbon Neutral Energy Application. IEEE J. Emerg. Sel. Top. Ind. Electron. 2023, 4, 37–49. [Google Scholar] [CrossRef]
- Islam, R.; Rafin, S.M.S.H.; Mohammed, O.A. Comprehensive Review of Power Electronic Converters in Electric Vehicle Applications. Forecasting 2023, 5, 22–80. [Google Scholar] [CrossRef]
- Afonso, J.L.; Cardoso, L.A.L.; Pedrosa, D.; Sousa, T.J.C.; Machado, L.; Tanta, M.; Monteiro, V. A Review on Power Electronics Technologies for Electric Mobility. Energies 2020, 13, 6343. [Google Scholar] [CrossRef]
- Alhurayyis, I.; Elkhateb, A.; Morrow, J. Isolated and Nonisolated DC-to-DC Converters for Medium-Voltage DC Networks: A Review. IEEE J. Emerg. Sel. Top. Power Electron. 2021, 9, 7486–7500. [Google Scholar] [CrossRef]
- Chakraborty, S.; Vu, H.-N.; Hasan, M.M.; Tran, D.-D.; Baghdadi, M.E.; Hegazy, O. DC-DC Converter Topologies for Electric Vehicles, Plug-in Hybrid Electric Vehicles and Fast Charging Stations: State of the Art and Future Trends. Energies 2019, 12, 1569. [Google Scholar] [CrossRef]
- Bhaskar, M.S.; Ramachandaramurthy, V.K.; Padmanaban, S.; Blaabjerg, F.; Ionel, D.M.; Mitolo, M.; Almakhles, D. Survey of DC-DC Non-Isolated Topologies for Unidirectional Power Flow in Fuel Cell Vehicles. IEEE Access 2020, 8, 178130–178166. [Google Scholar] [CrossRef]
- Wang, H.; Gaillard, A.; Hissel, D. A review of DC/DC converter-based electrochemical impedance spectroscopy for fuel cell electric vehicles. Renew. Energy 2019, 141, 124–138. [Google Scholar] [CrossRef]
- Tofoli, F.L.; Pereira, D.D.C.; Josias de Paula, W.; Oliveira Junior, D.D.S. Survey on non-isolated high-voltage step-up dc–dc topologies based on the boost converter. IET Power Electron. 2015, 8, 2044–2057. [Google Scholar] [CrossRef]
- Gaurav; Jayaram, N.; Halder, S.; Panda, K.P.; Pulavarthi, S.V.K.; Arandhakar, S.; Shankar, Y.R. An Ultra-High Gain Compact Module Bidirectional DC–DC Converter for Energy Storage System. IEEE Access 2023, 11, 134023–134039. [Google Scholar] [CrossRef]
- Iqbal, A.; Bhaskar, M.S.; Meraj, M.; Padmanaban, S. DC-Transformer Modelling, Analysis and Comparison of the Experimental Investigation of a Non-Inverting and Non-Isolated Nx Multilevel Boost Converter (Nx MBC) for Low to High DC Voltage Applications. IEEE Access 2018, 6, 70935–70951. [Google Scholar] [CrossRef]
- Ahmed, H.Y.; Abdel-Rahim, O.; Ali, Z.M. New High-Gain Transformerless DC/DC Boost Converter System. Electronics 2022, 11, 734. [Google Scholar] [CrossRef]
- Saadat, P.; Abbaszadeh, K. A single switch high step-up dc-dc converter based on quadratic boost. IEEE Trans Ind. Electron. 2016, 63, 1–9. [Google Scholar] [CrossRef]
- Tang, Y.; Wang, T.; He, Y. A Switched-Capacitor-Based Active-Network. IEEE Trans. Power Electron. 2014, 29, 2959–2968. [Google Scholar] [CrossRef]
- Nguyen, M.; Duong, T.; Lim, Y. Switched-Capacitor-Based Dual-Switch High-Boost. IEEE Trans. Power Electron. 2018, 33, 4181–4189. [Google Scholar] [CrossRef]
- Sadaf, S.; Bhaskar, M.S.; Meraj, M.; Iqbal, A.; Al-Emadi, N. A Novel Modified Switched Inductor Boost Converter with Reduced Switch Voltage Stress. IEEE Trans. Ind. Electron. 2021, 68, 1275–1289. [Google Scholar] [CrossRef]
- Tang, Y.; Fu, D.; Wang, T.; Xu, Z. Hybrid Switched-Inductor Converters for High Step-Up Conversion. IEEE Trans. Ind. Electron. 2015, 62, 1480–1490. [Google Scholar] [CrossRef]
- Hyuntae, C.; Minsoo, J.; Mihai, C.; Agelidis, G. Performance evaluation of interleaved highgain converter configurations. IET Power Electron 2016, 9, 1852–1861. [Google Scholar]
- Bhaskar, M.S.; Almakhles, D.J.; Padmanaban, S.; Holm-Nielsen, J.B.; Kumar, A.R.; Masebinu, S.O. Triple-Mode Active-Passive Parallel Intermediate Links Converter with High Voltage Gain and Flexibility in Selection of Duty Cycles. IEEE Access 2020, 8, 134716–134727. [Google Scholar] [CrossRef]
- Gholizadeh, H.; Sharifi Shahrivar, R.; Hashemi, M.R.; Afjei, E.; Gorji, S.A. Design and Implementation a Single-Switch Step-Up DC-DC Converter Based on Cascaded Boost and Luo Converters. Energies 2021, 14, 3584. [Google Scholar] [CrossRef]
- Lee, S.-W.; Do, H.-L. High Step-Up Coupled-Inductor Cascade Boost DC–DC Converter with Lossless Passive Snubber. IEEE Trans. Ind. Electron. 2018, 65, 7753–7761. [Google Scholar] [CrossRef]
- Zhang, N.; Sutanto, D.; Muttaki, K.; Zhang, B.; Qiu, D. High-voltagegain quadratic boost converter with voltage multiplier. IET Power Electron 2015, 8, 2511–2519. [Google Scholar] [CrossRef]
- Loranca-Coutiño, J.; Villarreal-Hernandez, C.A.; Mayo-Maldonado, J.C.; Valdez-Resendiz, J.E.; Lopez-Nuñez, A.R.; Ruiz-Martinez, O.F.; Rosas-Caro, J.C. High Gain Boost Converter with Reduced Voltage in Capacitors for Fuel-Cells Energy Generation Systems. Electronics 2020, 9, 1480. [Google Scholar] [CrossRef]
- Shahir, F.M.; Babaei, E. A new structure for non-isolated boost dc-dc converter based on voltage-lift technique. In Proceedings of the 8th Power Electronics, Drive Systems & Technologies Conference (PEDSTC), Mashhad, Iran, 14–16 February 2017; pp. 25–30. [Google Scholar]
- Khan, S.; Mahmood, A.; Zaid, M.; Tariq, M.; Lin, C.-H.; Ahmad, J.; Alamri, B.; Alahmadi, A. A High Step-up DC-DC Converter Based on the Voltage Lift Technique for Renewable Energy Applications. Sustainability 2021, 13, 11059. [Google Scholar] [CrossRef]
- Lopez-Santos, O.; Mayo-Maldonado, J.C.; Rosas-Caro, J.C.; Valdez-Resendiz, J.E.; Zambrano-Prada, D.A.; Ruiz-Martinez, O.F. Quadratic boost converter with low-output-voltage ripple. IET Power Electron. 2020, 13, 1605–1612. [Google Scholar] [CrossRef]
- Veerachary, M.; Kumar, N. Analysis and Design of Quadratic Following Boost Converter. IEEE Trans. Ind. Appl. 2020, 56, 6657–6673. [Google Scholar] [CrossRef]
- Lopez-Santos, O.; Martinez-Salamero, L.; Garcia, G.; Valderrama-Blavi, H.; Sierra-Polanco, T. Robust Sliding-Mode Control Design for a Voltage Regulated Quadratic Boost Converter. IEEE Trans. Power Electron. 2015, 30, 2313–2327. [Google Scholar] [CrossRef]
- Li, G.; Amirabadi, M.; Chen, X.; Lehman, B. The Methodology of Constructing the Quadratic Converters. IEEE J. Emerg. Sel. Top. Power Electron. 2022, 10, 6586–6606. [Google Scholar] [CrossRef]
- Sarikhani, A.; Allahverdinejad, B.; Hamzeh, M.; Afjei, E. A continuous input and output current quadratic buck-boost converter with positive output voltage for photovoltaic applications. Sol. Energy 2019, 188, 19–27. [Google Scholar] [CrossRef]
- Kumar, M.; Panda, G. Analysis of Conventional and Interleaved Boost Converter with Solar Photovoltaic System. In Proceedings of the 2022 International Conference on Intelligent Controller and Computing for Smart Power (ICICCSP), Hyderabad, India, 21–23 July 2022; pp. 1–6. [Google Scholar] [CrossRef]
- Boujelben, N.; Masmoudi, F.; Djemel, M.; Derbel, N. Design and comparison of quadratic boost and double cascade boost converters with boost converter. In Proceedings of the 2017 14th International Multi-Conference on Systems, Signals & Devices (SSD), Marrakech, Morocco, 28–31 March 2017; pp. 245–252. [Google Scholar] [CrossRef]
- Sutikno, T.; Purnama, H.S.; Widodo, N.S.; Padmanaban, S.; Sahid, M.R. A review on non-isolated low-power DC–DC converter topologies with high output gain for solar photovoltaic system applications. Clean Energy 2022, 6, 557–572. [Google Scholar] [CrossRef]
- Jagadeesh, I.; Indragandhi, V. Comparative Study of DC-DC Converters for Solar PV with Microgrid Applications. Energies 2022, 15, 7569. [Google Scholar] [CrossRef]
- Amir, A.; Amir, A.; Che, H.S.; Elkhateb, A.; Rahim, N.A. Comparative analysis of high voltage gain DC-DC converter topologies for photovoltaic systems. Renew. Energy 2019, 136, 1147–1163. [Google Scholar] [CrossRef]
- Zhang, S.; Xu, J.; Yang, P. A single-switch high gain quadratic boost converter based on voltage-lift-technique. In Proceedings of the 2012 10th International Power & Energy Conference (IPEC), Ho Chi Minh City, Vietnam, 12–14 December 2012; pp. 71–75. [Google Scholar] [CrossRef]
- Leyva-Ramos, J.; Mota-Varona, R.; Ortiz-Lopez, M.G.; Diaz-Saldierna, L.H.; Langarica-Cordoba, D. Control Strategy of a Quadratic Boost Converter with Voltage Multiplier Cell for High-Voltage Gain. IEEE J. Emerg. Sel. Top. Power Electron. 2017, 5, 1761–1770. [Google Scholar] [CrossRef]
- Naresh, S.V.K.; Peddapati, S.; Alghaythi, M.L. Non-Isolated High Gain Quadratic Boost Converter Based on Inductor’s Asymmetric Input Voltage. IEEE Access 2021, 9, 162108–162121. [Google Scholar] [CrossRef]
- Ahmad, J.; Zaid, M.; Sarwar, A.; Lin, C.-H.; Ahmad, S.; Sharaf, M.; Zaindin, M.; Firdausi, M. A Voltage Multiplier Circuit Based Quadratic Boost Converter for Energy Storage Application. Appl. Sci. 2020, 10, 8254. [Google Scholar] [CrossRef]
- Ahmad, J.; Zaid, M.; Sarwar, A.; Tariq, M.; Sarwer, Z. A New Transformerless Quadratic Boost Converter with High Voltage Gain. Smart Sci. 2020, 8, 163–183. [Google Scholar] [CrossRef]
- Zaid, M.; Ahmad, J.; Sarwar, A.; Sarwer, Z.; Tariq, M.; Alam, A. A Transformerless Quadratic Boost High Gain DC-DC Converter. In Proceedings of the 2020 IEEE International Conference on Power Electronics, Drives and Energy Systems (PEDES), Jaipur, India, 16–19 December 2020; pp. 1–6. [Google Scholar] [CrossRef]
- Zaid, M.; Lin, C.-H.; Khan, S.; Ahmad, J.; Tariq, M.; Mahmood, A.; Sarwar, A.; Alamri, B.; Alahmadi, A. A Family of Transformerless Quadratic Boost High-Gain DC-DC Converters. Energies 2021, 14, 4372. [Google Scholar] [CrossRef]
- Navamani, J.D.; Vijayakumar, K.; Jegatheesan, R. Non-isolated high gain DC-DC converter by quadratic boost converter and voltage multiplier cell. Ain Shams Eng. J. 2018, 9, 1397–1406. [Google Scholar] [CrossRef]
- Liu, H.-D.; Jana, A.S.; Lin, C.-H. An Improved High Gain Continuous Input Current Quadratic Boost Converter for Next-Generation Sustainable Energy Application. IEEE Trans. Circuits Syst. II Express Briefs 2023. [Google Scholar] [CrossRef]
- González-Castaño, C.; Restrepo, C.; Flores-Bahamonde, F.; Rodriguez, J. A Composite DC–DC Converter Based on the Versatile Buck–Boost Topology for Electric Vehicle Applications. Sensors 2022, 22, 5409. [Google Scholar] [CrossRef]
- Sumathy, P.; Divya, N.; Sathik, J.; Lavanya, A.; Vijayakumar, K.; Almakhles, D. A comprehensive study on various dc–dc converter voltage-boosting topologies and their applications. Circuit World 2022, 48, 529–549. [Google Scholar] [CrossRef]
- Forouzesh, M.; Siwakoti, Y.P.; Gorji, S.A.; Blaabjerg, F.; Lehman, B. Step-Up DC–DC Converters: A Comprehensive Review of Voltage-Boosting Techniques, Topologies, and Applications. IEEE Trans. Power Electron. 2017, 32, 9143–9178. [Google Scholar] [CrossRef]
- Benzine, M.; Salhi, I.; Gaillard, A.; Gao, F. Coupled inductors-based interleaved boost converters for Fuel Cell Electric Vehicles. In Proceedings of the 2023 IEEE Transportation Electrification Conference & Expo (ITEC), Detroit, MI, USA, 21–23 June 2023; pp. 1–7. [Google Scholar] [CrossRef]
- Verbytskyi, I.; Lukianov, M.; Nassereddine, K.; Pakhaliuk, B.; Husev, O.; Strzelecki, R.M. Power Converter Solutions for Industrial PV Applications—A Review. Energies 2022, 15, 3295. [Google Scholar] [CrossRef]
- Rosas-Caro, J.C.; Mayo-Maldonado, J.C.; Valdez-Resendiz, J.E.; Alejo-Reyes, A.; Beltran-Carbajal, F.; López-Santos, O. An Overview of Non-Isolated Hybrid Switched-Capacitor Step-Up DC–DC Converters. Appl. Sci. 2022, 12, 8554. [Google Scholar] [CrossRef]
- Kumar, M.; Panda, K.P.; Moharana, J.; Thakur, R.; Panda, G. Hybrid Energy Source Based BLDC Motor Drive for Electric Vehicle Application. In Proceedings of the 2023 2nd International Conference for Innovation in Technology (INOCON), Bangalore, India, 3–5 March 2023; pp. 1–6. [Google Scholar] [CrossRef]
- Baba, M.F.; Giridhar, A.V.; Narasimharaju, B.L. A Wide Voltage Range Bidirectional High Voltage Transfer Ratio Quadratic Boost DC-DC converter for EVs with Hybrid Energy Sources. IEEE J. Emerg. Sel. Top. Ind. Electron. 2023. [Google Scholar] [CrossRef]
- Govindaraj, R.; Chowdhury, S.; Singh, S.; Khan, B. Embedded Based Quadratic Boost Converter with Sliding Mode Controller for the Integration of Solar Photo-Voltaic Source with Microgrid. IEEE J. Electron Devices Soc. 2023. [Google Scholar] [CrossRef]
- Luo, P.; Hong, J.; Xu, J.; Jiang, H.; Liu, M.; Chen, X. Design and Implementation of a Soft-Switching Quadratic High-Gain Converter for Sustainable Energy Applications. IEEE Trans. Transp. Electrif. 2023. [Google Scholar] [CrossRef]
- Lee, S.-W.; Do, H.-L. Quadratic Boost DC–DC Converter with High Voltage Gain and Reduced Voltage Stresses. IEEE Trans. Power Electron. 2019, 34, 2397–2404. [Google Scholar] [CrossRef]
- Chan, C.-Y.; Chincholkar, S.; Jiang, W. A Modified Fixed Current-Mode Controller for Improved Performance in Quadratic Boost Converters. IEEE Trans. Circuits Syst. II Express Briefs 2020, 67, 2014–2018. [Google Scholar] [CrossRef]
- Li, G.; Jin, X.; Chen, X.; Mu, X. A novel quadratic boost converter with low inductor currents. CPSS Trans. Power Electron. Appl. 2020, 5, 1–10. [Google Scholar] [CrossRef]
- Kumar, M.A.B.; Krishnasamy, V. Quadratic Boost Converter with Less Input Current Ripple and Rear-End Capacitor Voltage Stress for Renewable Energy Applications. IEEE J. Emerg. Sel. Top. Power Electron. 2022, 10, 2265–2275. [Google Scholar] [CrossRef]
- Gupta, A.; Korada, N.; Ayyanar, R. Quadratic-Extended-Duty-Ratio Boost Converters for Ultra High Gain Application with Low Input Current Ripple and Low Device Stress. IEEE Trans. Ind. Appl. 2023, 59, 938–948. [Google Scholar] [CrossRef]
- Subhani, N.; May, Z.; Alam, M.K.; Khan, I.; Hossain, M.A.; Mamun, S. An Improved Non-Isolated Quadratic DC-DC Boost Converter with Ultra High Gain Ability. IEEE Access 2023, 11, 11350–11363. [Google Scholar] [CrossRef]
- Nikbakht, M.; Abbaszadeh, K.; Abbasian, S.; Allahyari, H.; Gorji, S.A. An Ultra-Step-Up Quadratic Boost DC–DC Converter Based on Coupled Inductors and Quasi-Resonance Operation. IEEE J. Emerg. Sel. Top. Ind. Electron. 2023, 4, 1096–1109. [Google Scholar] [CrossRef]
- Abbasi, V.; Rostami, S.; Hemmati, S.; Ahmadian, S. Ultrahigh Step-Up Quadratic Boost Converter Using Coupled Inductors with Low Voltage Stress on the Switches. IEEE J. Emerg. Sel. Top. Power Electron. 2022, 10, 7733–7743. [Google Scholar] [CrossRef]
- Gholizadeh, H.; Gorji, S.A.; Sera, D. A Quadratic Buck-Boost Converter with Continuous Input and Output Currents. IEEE Access 2023, 11, 22376–22393. [Google Scholar] [CrossRef]
- Ahmad, J.; Lin, C.-H.; Zaid, M.; Sarwar, A.; Ahmad, S.; Sharaf, M.; Zaindin, M.; Firdausi, M. A New High Voltage Gain DC to DC Converter with Low Voltage Stress for Energy Storage System Application. Electronics 2020, 9, 2067. [Google Scholar] [CrossRef]
- Zhang, N.; Zhang, G.; See, K.W.; Zhang, B. A Single-Switch Quadratic Buck–Boost Converter with Continuous Input Port Current and Continuous Output Port Current. IEEE Trans. Power Electron. 2018, 33, 4157–4166. [Google Scholar] [CrossRef]
- Pires, V.F.; Cordeiro, A.; Foito, D.; Silva, J.F. High Step-Up DC–DC Converter for Fuel Cell Vehicles Based on Merged Quadratic Boost–Ćuk. IEEE Trans. Veh. Technol. 2019, 68, 7521–7530. [Google Scholar] [CrossRef]
- Chincholkar, S.H.; Chan, C.-Y. Design of Fixed-Frequency Pulsewidth-Modulation-Based Sliding-Mode Controllers for the Quadratic Boost Converter. IEEE Trans. Circuits Syst. II Express Briefs 2017, 64, 51–55. [Google Scholar] [CrossRef]
- Lopez-Santos, O.; Martinez-Salamero, L.; Garcia, G.; Valderrama-Blavi, H.; Zambrano-Prada, D.A. Steady-State Analysis of Inductor Conduction Modes in the Quadratic Boost Converter. IEEE Trans. Power Electron. 2017, 32, 2253–2264. [Google Scholar] [CrossRef]
- Mayo-Maldonado, J.C.; Valdez-Resendiz, J.E.; Garcia-Vite, P.M.; Rosas-Caro, J.C.; del Rosario Rivera-Espinosa, M.; Valderrabano-Gonzalez, A. Quadratic Buck–Boost Converter with Zero Output Voltage Ripple at a Selectable Operating Point. IEEE Trans. Ind. Appl. 2019, 55, 2813–2822. [Google Scholar] [CrossRef]
- Hu, R.; Zeng, J.; Liu, J.; Guo, Z.; Yang, N. An Ultrahigh Step-Up Quadratic Boost Converter Based on Coupled-Inductor. IEEE Trans. Power Electron. 2020, 35, 13200–13209. [Google Scholar] [CrossRef]
- Solis-Rodriguez, J.; Rosas-Caro, J.C.; Alejo-Reyes, A.; Valdez-Resendiz, J.E. Optimal Selection of Capacitors for a Low Energy Storage Quadratic Boost Converter (LES-QBC). Energies 2023, 16, 2510. [Google Scholar] [CrossRef]
- Chan, C.-Y. An Improved Voltage-Mode Controller for the Quadratic Boost Converter. IEEE Trans. Circuits Syst. II Express Briefs 2022, 69, 454–458. [Google Scholar] [CrossRef]
- Rezaie, M.; Abbasi, V. Ultrahigh Step-Up DC–DC Converter Composed of Two Stages Boost Converter, Coupled Inductor, and Multiplier Cell. IEEE Trans. Ind. Electron. 2022, 69, 5867–5878. [Google Scholar] [CrossRef]
- Rostami, S.; Abbasi, V.; Parastesh, M. Ultrahigh Step-Up Non-Isolated DC-DC Converter Based on Quadratic Converter without Coupled Inductor. In Proceedings of the 2023 31st International Conference on Electrical Engineering (ICEE), Tehran, Iran, 9–11 May 2023; pp. 154–159. [Google Scholar] [CrossRef]
- Veerachary, M.; Khuntia, M.R. Design and Analysis of Two-Switch-Based Enhanced Gain Buck–Boost Converters. IEEE Trans. Ind. Electron. 2022, 69, 3577–3587. [Google Scholar] [CrossRef]
- Karimi Hajiabadi, M.; Mosallanejad, A.; Salemnia, A. Ultra-high gain quadratic boost DC–DC converter based on a three-winding coupled inductor with reduced voltage stress for fuel cell-based systems. IET Power Electron. 2023, 16, 2666–2681. [Google Scholar] [CrossRef]
- Raghavendra, K.V.G.; Zeb, K.; Muthusamy, A.; Krishna, T.N.V.; Kumar, S.V.S.V.P.; Kim, D.-H.; Kim, M.-S.; Cho, H.-G.; Kim, H.-J. A Comprehensive Review of DC–DC Converter Topologies and Modulation Strategies with Recent Advances in Solar Photovoltaic Systems. Electronics 2020, 9, 31. [Google Scholar] [CrossRef]
- Kolli, A.; Gaillard, A.; De Bernardinis, A.; Bethoux, O.; Hissel, D.; Khatir, Z. A review on DC/DC converter architectures for power fuel cell applications. Energy Convers. Manag. 2015, 105, 716–730. [Google Scholar] [CrossRef]
- Prejbeanu, R.G. A Sensor-Based System for Fault Detection and Prediction for EV Multi-Level Converters. Sensors 2023, 23, 4205. [Google Scholar] [CrossRef]
- Jung, J.; Kwon, I. A Capacitive DC-DC Boost Converter with Gate Bias Boosting and Dynamic Body Biasing for an RF Energy Harvesting System. Sensors 2023, 23, 395. [Google Scholar] [CrossRef]
- Sai, T.; Moon, Y.; Sugimoto, Y. Improved Quasi-Z-Source High Step-Up DC–DC Converter Based on Voltage-Doubler Topology. Sensors 2022, 22, 9893. [Google Scholar] [CrossRef]
- Taghvaee, M.; Radzi, M.; Moosavain, S.; Hizam, H.; Marhaban, M.H. A current and future study on non-isolated DC–DC converters for photovoltaic applications. Renew. Sustain. Energy Rev. 2013, 17, 216–227. [Google Scholar] [CrossRef]























| Feature | Quadratic Boost Converter | Interleaved Boost Converters | Cascade Boost Converters | Conventional Boost Converters |
|---|---|---|---|---|
| Operating Principle | The high step-up ratio is achieved by using quadratic terms in the inductor current. | Reducing input/output current ripple is achieved through the interleaving of many channels. | Increase the voltage conversion ratio by stacking converters. | Step-up of voltage via a single power stage. |
| Voltage Gain | Very high | High | Very high | Moderate to high |
| Ripple Current | Low to Moderate | Low | Low to Moderate | Moderate to High |
| Size and Weight | Moderate | Moderate to Large | Large | Small to Moderate |
| Components Count | Moderate | High | High | Low to Moderate |
| Complexity | Moderate | High | High | Low to Moderate |
| Applications | High step-up voltage applications, LED drivers, renewable energy systems, electric vehicles | High power applications, PV systems, electric vehicles | Renewable energy systems, grid-tied inverters | General voltage boosting applications |
| Recent Technological Developments | Design and control | Advances in control strategies | Cascade control techniques | Continuous improvements |
| Challenges/Limitations | Description | Mitigation Strategies |
|---|---|---|
| Efficiency | Increasing the voltage gains leads to an increase in the switching losses. | Improve efficiency by incorporating advanced switching topologies. |
| Output Voltage Ripple | The ripple in the output voltage has increased. | Utilize advanced filtering methods, such as LC filters, to reduce ripple. |
| Complex Control Algorithms | Advanced control algorithms and real-time adjustments are necessary for achieving high voltage gains while maintaining stability. | Enhance the flexibility and adaptability of your system by utilizing digital controllers and sophisticated control algorithms. |
| Voltage Stress on Components | The high voltage levels put stress on diodes and transistors, leading to decreased efficiency and dependability. | Carefully consider technologies that can handle greater voltages and make sure to select components with precision. |
| Input Voltage Range Sensitivity | Variations in input voltage may limit the system’s applicability, requiring the addition of extra circuitry or control methods to guarantee proper functioning. | Use voltage regulation techniques and construct circuits for input voltage conditioning. |
| Efficiency at Light Load Conditions | The inefficient light loads can be hampering the overall energy efficiency of the system. | Improve circuit design to increase efficiency across various load circumstances and utilize low-power modes. |
| Reliability | The Reliability can decline as component stress increases. | Perform thorough reliability testing and set up backup systems for crucial applications. |
| Electromagnetic Interference (EMI) | A high switching frequency causes EMI, requiring EMI filters and EMC compliance. | To reduce electromagnetic interference, make sure that shielding, filtering, and compliance with EMC standards are implemented properly. |
| Precise Output Voltage Regulation | Meticulous design considerations are necessary for precise output voltage regulation in dynamic circumstances. | Use specific components, include regulation circuits, and set up feedback control systems to guarantee precise performance. |
| Transient Responses | Performance may be impacted by controlling transient responses during load or input changes and parasitic elements. | Optimize circuit design for maximum performance by carrying out comprehensive evaluations and implementing compensating plans. |
| Size and Weight | It may be necessary to use larger inductor and capacitor sizes to meet the system’s requirements. | Discover cutting-edge component technologies and lightweight materials to enhance performance. |
| Complexity | Complex configurations of the control and feedback systems have developed to fulfill the requirements of sophisticated applications. | Work with experts in control systems to simplify processes and create cutting-edge automation algorithms. |
| Cost Implications | The components and design complexity may raise production costs, affecting the system’s economic feasibility. | Analyze affordable options that satisfy exacting performance standards. |
| Temperature Management | Increased system temperatures are caused by amplified power losses. | To maximize cooling efficiency, develop and implement cutting-edge thermal management technologies. |
| Scalability | Scaling at different power levels presents challenges. | Create systems that can easily adjust to changing requirements by collaborating with experts in power systems. |
| Practical Implementation Challenges | Integrating the system with existing systems poses certain challenges. | To enable smooth integration and carry out comprehensive field testing, work closely with industry partners. |
| Application Range | Extensive usage of the technology in low-power applications is not feasible. | Collaborating with domain experts to provide individualized solutions, investigate hybrid solutions to increase application scope. |
| (a) | |||||||||||||||||||||
| References | [49] | [57] | [58] | [59] | [60] | [61] | [62] | [63] | |||||||||||||
| Converter type | M-QBC-1 | Bidirectional QBC | QBC-1 | M-QBC-2 | M-QBC-3 | QBC-2 | M-QBC-4 | M-QBC-5 | |||||||||||||
| Boosting type | VMC | QBC | QBC | Switching Capacitor | coupled inductor | QBC | Switch Inductor | Switch Inductor and Capacitor | |||||||||||||
| Voltage gain | |||||||||||||||||||||
| No of components | S | 1 | 4 | 1 | 2 | 1 | 1 | 2 | 1 | ||||||||||||
| L | 3 | 2 | 2 | 2 | 3 | 2 | 2 | 2 | |||||||||||||
| C | 4 | 2 | 2 | 4 | 3 | 2 | 2 | 2 | |||||||||||||
| D | 7 | 0 | 3 | 4 | 5 | 3 | 2 | 3 | |||||||||||||
| Voltage stress (Switch) | |||||||||||||||||||||
| Voltage Stress (Diode) | |||||||||||||||||||||
| Control Techniques | PWM | PWM | SMC | Soft switching/PWM | PWM | current-control | average current mode control | PWM | |||||||||||||
| Input current type | Continuous | Non pulsating | Pulsating | continuous | Continuous | Pulsating | Non pulsating | Continues | |||||||||||||
| Input Source | Renewable | battery | PV | Solar | DC Source | DC Source | Solar/FC | Solar | |||||||||||||
| Common ground | Yes | Yes | Yes | Yes | No | Yes | Yes | No | |||||||||||||
| application | Sustainable Energy | EV/HEV | Microgrid | sustainable energy | Microgrid | sustainable energy | EV | Renewable energy | |||||||||||||
| efficiency | 94% | 94.7% | 95% | 95.3% | 94.8% | 94% | 95% | 94.4% | |||||||||||||
| Hardware Implementation | Yes | Yes | Yes | Yes | Yes | No | No | No | |||||||||||||
| Cost | Minimum | High | Low | High | High | Low | Medium | Medium | |||||||||||||
| Feature | Reduces the switch’s voltage stress | Absolute common ground with a broad voltage spectrum | System design more stable. | ZVS and ZCS reduce switching losses and reverse recovery. | High voltage strains are reduced via passive clamping circuits. | Enhanced performance and stability | Reducing the copper losses | Reduced capacitor voltage stress | |||||||||||||
| (b) | |||||||||||||||||||||
| References | [64] | [65] | [66] | [67] | [68] | [69] | |||||||||||||||
| Converter type | QBC-3 | M-QBC-6 | M-QBC-7 | M-QBC-8 | Quadratic Buck-Boost | M-QBC-9 | |||||||||||||||
| Boosting type | Interleaved | Switched Capacitor | Switched Inductor | Coupled Inductors | Quadratic | Switched Inductor | |||||||||||||||
| Voltage gain | |||||||||||||||||||||
| No of components | S | 4 | 2 | 2 | 2 | 2 | 2 | ||||||||||||||
| L | 5 | 2 | 4 | 2 | 3 | 2 | |||||||||||||||
| C | 5 | 4 | 5 | 5 | 3 | 4 | |||||||||||||||
| D | 7 | 4 | 5 | 5 | 2 | 4 | |||||||||||||||
| Voltage stress (Switch) | |||||||||||||||||||||
| Voltage stress (Diode) | |||||||||||||||||||||
| Control techniques | PWM | PWM | Voltage Control | PWM | PWM | Voltage Control | |||||||||||||||
| Input Source | Renewable Energy | Renewable Energy | Solar | Solar | Renewable Energy | PV | |||||||||||||||
| Common ground | No | Yes | Yes | Yes | Yes | Yes | |||||||||||||||
| Application | microgrid | Microgrid | Microgrid | Microgrid | Grid | Energy Storage | |||||||||||||||
| Efficiency | 95.82% | 90% | 96.28% | 94.3% | 95.96 | 93.6 | |||||||||||||||
| Hardware implementation | Yes | Yes | Yes | Yes | Yes | Yes | |||||||||||||||
| Cost | V. High | High | V. High | V. High | Medium | High | |||||||||||||||
| Feature | Reduce the Current Ripple | Low voltage stresses | Less stress on the voltage across the output diodes | Switches and diodes have minimal voltage stress. | Decreased input/output capacitor current stress | Low stress across devices | |||||||||||||||
| (c) | |||||||||||||||||||||
| References | [70] | [71] | [72] | [73] | [74] | [75] | |||||||||||||||
| Converter type | Quadratic Buck-Boost | Quadratic Boost–Cuk | QBC-4 | QBC-5 | Quadratic Buck-Boost | M-QBC-10 | |||||||||||||||
| Boosting type | Quadratic | Quadratic | Quadratic | Quadratic | Switch Capacitor | Voltage Doubler | |||||||||||||||
| Voltage gain | |||||||||||||||||||||
| No of components | S | 1 | 1 | 1 | 2 | 2 | 2 | ||||||||||||||
| L | 3 | 3 | 2 | 2 | 2 | 2 | |||||||||||||||
| C | 3 | 4 | 2 | 3 | 2 | 5 | |||||||||||||||
| D | 5 | 4 | 3 | 3 | 2 | 5 | |||||||||||||||
| Voltage stress (Switch) | |||||||||||||||||||||
| Voltage stress (Diode) | |||||||||||||||||||||
| Control techniques | Voltage Control | Voltage Control | Sliding-Mode Controllers | Modified Sliding-Mode Controllers | Voltage Control | Voltage Control | |||||||||||||||
| Input Source | Battery | Fuel Cell | DC Source | Solar | Battery | Renewable Energy | |||||||||||||||
| Common ground | Yes | Yes | Yes | Yes | Yes | Yes | |||||||||||||||
| Application | Industrial applications | EVs | EVs | Microgrid | Industry | Microgrid | |||||||||||||||
| Efficiency | 92% | 94% | 94.4% | 89% | 91.4% | 94.3% | |||||||||||||||
| Hardware implementation | No | Yes | No | Yes | Yes | No | |||||||||||||||
| Cost | High | Medium | Low | Low | Medium | High | |||||||||||||||
| Feature | Simple construction design | Low voltage stress on switch and output components | A fixed-frequency PWM-based SM controller is proposed. | discusses DCM operates at variable switching frequency. | Zero output voltage ripple is possible. | Low input/output current ripple | |||||||||||||||
| (d) | |||||||||||||||||||||
| References | [76] | [77] | [78] | [79] | [80] | [81] | |||||||||||||||
| Converter type | M-QBC-11 | QBC-6 | Ultrahigh Boost | M-QBC-12 | Buck-Boost | M-QBC-13 | |||||||||||||||
| Boosting type | Switched Capacitor | QBC | Voltage multiplier | Multiplier Cell | Zeta | Coupled Inductor | |||||||||||||||
| Voltage gain | |||||||||||||||||||||
| No of components | S | 2 | 2 | 2 | 2 | 1 | 1 | ||||||||||||||
| L | 2 | 3 | 2 | 3 | 3 | 4 | |||||||||||||||
| C | 2 | 5 | 4 | 3 | 4 | 4 | |||||||||||||||
| D | 2 | 5 | 4 | 2 | 4 | 5 | |||||||||||||||
| Voltage stress (Switch) | |||||||||||||||||||||
| Voltage stress (Diode) | |||||||||||||||||||||
| Control Techniques | PWM | Modified Current | Voltage Control | Modified Voltage | Voltage Control | PWM | |||||||||||||||
| Input Source | Renewable energy | DC Source | Battery | Renewable energy | DC Source | Fuel Cell | |||||||||||||||
| Common ground | Yes | Yes | Yes | Yes | Yes | No | |||||||||||||||
| Application | Low Energy Storage | Microgrid | EVs | Microgrid | Renewable energy | EVs | |||||||||||||||
| Efficiency | 94.5% | 93.4% | 96.4% | 93.6 | 94.2% | 94.5% | |||||||||||||||
| Hardware implementation | Yes | No | Yes | No | Yes | Yes | |||||||||||||||
| Cost | Medium | Low | High | High | Medium | V. High | |||||||||||||||
| Feature | Minimize the output voltage ripple | Propose voltage-mode control techniques | higher gain with high efficiency. | Ultra-high level of voltage gains with a low stress across diode | Low voltage stress on diode | Voltage stress on the power switch is less | |||||||||||||||
Disclaimer/Publisher’s Note: The statements, opinions and data contained in all publications are solely those of the individual author(s) and contributor(s) and not of MDPI and/or the editor(s). MDPI and/or the editor(s) disclaim responsibility for any injury to people or property resulting from any ideas, methods, instructions or products referred to in the content. |
© 2024 by the authors. Licensee MDPI, Basel, Switzerland. This article is an open access article distributed under the terms and conditions of the Creative Commons Attribution (CC BY) license (https://creativecommons.org/licenses/by/4.0/).
Share and Cite
Kumar, M.; Panda, K.P.; Naayagi, R.T.; Thakur, R.; Panda, G. A Critical Analysis of Quadratic Boost Based High-Gain Converters for Electric Vehicle Applications: A Review. Sensors 2024, 24, 2186. https://doi.org/10.3390/s24072186
Kumar M, Panda KP, Naayagi RT, Thakur R, Panda G. A Critical Analysis of Quadratic Boost Based High-Gain Converters for Electric Vehicle Applications: A Review. Sensors. 2024; 24(7):2186. https://doi.org/10.3390/s24072186
Chicago/Turabian StyleKumar, Madhav, Kaibalya Prasad Panda, Ramasamy T. Naayagi, Ritula Thakur, and Gayadhar Panda. 2024. "A Critical Analysis of Quadratic Boost Based High-Gain Converters for Electric Vehicle Applications: A Review" Sensors 24, no. 7: 2186. https://doi.org/10.3390/s24072186
APA StyleKumar, M., Panda, K. P., Naayagi, R. T., Thakur, R., & Panda, G. (2024). A Critical Analysis of Quadratic Boost Based High-Gain Converters for Electric Vehicle Applications: A Review. Sensors, 24(7), 2186. https://doi.org/10.3390/s24072186

