An Open-Circuit Fault Diagnosis Method for Three-Level Neutral Point Clamped Inverters Based on Multi-Scale Shuffled Convolutional Neural Network
Abstract
1. Introduction
2. Working Principle and Analysis of Fault Characteristics of Three-Level NPC Inverter
2.1. Working Principle
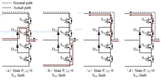
2.2. Analysis of Fault Characteristics
3. Diagnosis Method for Open-Circuit Faults in Three-Level NPC Inverter Based on MSSCNN
- Collection of three-phase current data under different operating conditions, both with open-circuit faults and fault-free states.
- Normalization of the collected current data, and selection of a portion of the data from different operating conditions as the training set, while the remaining data are used as the test set.
- Building the MSSCNN model on the PyCharm platform, which consists of three main parts: initial feature extraction, deep feature extraction and feature aggregation and output. Taking into account the effectiveness of feature extraction, classification and computational complexity, the number of output channels for these three parts is set to 24, 192 and 1024, respectively. The model initially extracts features from the input current data using ordinary convolution, then further extracts high-dimensional fault information features using the MSSCNN basic module (BM) and downsampling module (DM). Finally, it aggregates the extracted information and outputs the diagnostic result.
- The training set is used to train the model, and the diagnostic effect of the model is verified through the test set.
3.1. Data Preprocessing
3.1.1. Data Normalization
3.1.2. Dataset Production
3.2. MSSCNN Fault Diagnosis Model
4. Experimental Verification
4.1. Experimental Platform
4.2. Data Acquisition
4.3. Analysis and Comparison of Diagnostic Effect
5. Conclusions
Supplementary Materials
Author Contributions
Funding
Institutional Review Board Statement
Informed Consent Statement
Data Availability Statement
Acknowledgments
Conflicts of Interest
References
- Rodriguez, J.; Bernet, S.; Steimer, P.K.; Lizama, I.E. A Survey on Neutral-Point-Clamped Inverters. IEEE Trans. Ind. Electron. 2010, 57, 2219–2230. [Google Scholar] [CrossRef]
- Kouro, S.; Malinowski, M.; Gopakumar, K.; Pou, J.; Franquelo, L.G.; Wu, B.; Rodriguez, J.; Pérez, M.A.; Leon, J.I. Recent Advances and Industrial Applications of Multilevel Converters. IEEE Trans. Ind. Electron. 2010, 57, 2553–2580. [Google Scholar] [CrossRef]
- Yang, S.; Bryant, A.; Mawby, P.; Xiang, D.; Ran, L.; Tavner, P. An Industry-Based Survey of Reliability in Power Electronic Converters. IEEE Trans. Ind. Applicat. 2011, 47, 1441–1451. [Google Scholar] [CrossRef]
- Prejbeanu, R.G. A Sensor-Based System for Fault Detection and Prediction for EV Multi-Level Converters. Sensors 2023, 23, 4205. [Google Scholar] [CrossRef]
- Xu, S.; Huang, W.; Wang, H.; Zheng, W.; Wang, J.; Chai, Y.; Ma, M. A Simultaneous Diagnosis Method for Power Switch and Current Sensor Faults in Grid-Connected Three-Level NPC Inverters. IEEE Trans. Power Electron. 2022, 38, 1104–1118. [Google Scholar] [CrossRef]
- Yang, C.; Gui, W.; Chen, Z.; Zhang, J.; Peng, T.; Yang, C.; Karimi, H.R.; Ding, S.X. Voltage Difference Residual-Based Open-Circuit Fault Diagnosis Approach for Three-Level Converters in Electric Traction Systems. IEEE Trans. Power Electron. 2020, 35, 3012–3028. [Google Scholar] [CrossRef]
- Ge, X.; Pu, J.; Gou, B.; Liu, Y.-C. An Open-Circuit Fault Diagnosis Approach for Single-Phase Three-Level Neutral-Point-Clamped Converters. IEEE Trans. Power Electron. 2018, 33, 2559–2570. [Google Scholar] [CrossRef]
- Caseiro, L.M.A.; Mendes, A.M.S. Real-Time IGBT Open-Circuit Fault Diagnosis in Three-Level Neutral-Point-Clamped Voltage-Source Rectifiers Based on Instant Voltage Error. IEEE Trans. Ind. Electron. 2015, 62, 1669–1678. [Google Scholar] [CrossRef]
- Ma, X.; Li, M.; Wei, S.; Shi, H. Open Circuit Fault Diagnosis of T-Type Inverter. Trans. China Electrotech. Soc. 2018, 33, 2324–2333. [Google Scholar] [CrossRef]
- Mendes, A.M.S.; Abadi, M.B.; Cruz, S.M.A. Fault Diagnostic Algorithm for Three-Level Neutral Point Clamped AC Motor Drives, Based on the Average Current Park’s Vector. IET Power Electron. 2014, 7, 1127–1137. [Google Scholar] [CrossRef]
- Choi, U.-M.; Jeong, H.-G.; Lee, K.-B.; Blaabjerg, F. Method for Detecting an Open-Switch Fault in a Grid-Connected NPC Inverter System. IEEE Trans. Power Electron. 2012, 27, 2726–2739. [Google Scholar] [CrossRef]
- Li, B.; Cui, J.; He, Y.; Shi, L.; Liu, X. Fault Diagnosis of Active Neutral Point Clamped Three-Level Inverter Based on Energy Spectrum Entropy and Wavelet Neural Network. Trans. China Electrotech. Soc. 2020, 35, 2216–2225. [Google Scholar] [CrossRef]
- Yang, H.; Xing, W.; Chen, C.; Zhang, W.; Li, C.; Xiang, X.; Li, W. A Fault Detection and Location Strategy for Sub-Module Open-circuit Fault in Modular Multilevel Converters Based on Random Forest Binary Classifier. Proc. CSEE 2023, 43, 3916–3928. [Google Scholar] [CrossRef]
- Ma, X.; Dai, Z.; He, Z.; Ma, J.; Wang, Y.; Wang, Y. Learning Traffic as Images: A Deep Convolutional Neural Network for Large-Scale Transportation Network Speed Prediction. Sensors 2017, 17, 818. [Google Scholar] [CrossRef]
- Guo, S.; Yang, T.; Gao, W.; Zhang, C. A Novel Fault Diagnosis Method for Rotating Machinery Based on a Convolutional Neural Network. Sensors 2018, 18, 1429. [Google Scholar] [CrossRef]
- Hang, J.; Shu, X.; Ding, S.; Huang, Y. Robust Open-Circuit Fault Diagnosis for PMSM Drives Using Wavelet Convolutional Neural Network With Small Samples of Normalized Current Vector Trajectory Graph. IEEE Trans. Ind. Electron. 2023, 70, 7653–7663. [Google Scholar] [CrossRef]
- Deng, X.; Wan, C.; Jiang, L.; Gao, G.; Huang, Y. Open-Switch Fault Diagnosis of Three-Phase PWM Converter Systems for Magnet Power Supply on EAST. IEEE Trans. Power Electron. 2023, 38, 1064–1078. [Google Scholar] [CrossRef]
- Yuan, W.; Li, Z.; He, Y.; Cheng, R.; Lu, L.; Ruan, Y. Open-Circuit Fault Diagnosis of NPC Inverter Based on Improved 1-D CNN Network. IEEE Trans. Instrum. Meas. 2022, 71, 3510711. [Google Scholar] [CrossRef]
- Xing, Z.; He, Y.; Zhang, W. An Online Multiple Open-Switch Fault Diagnosis Method for T-Type Three-Level Inverters Based on Multimodal Deep Residual Filter Network. IEEE Trans. Ind. Electron. 2023, 70, 10669–10679. [Google Scholar] [CrossRef]
- Kim, S.-H.; Yoo, D.-Y.; An, S.-W.; Park, Y.-S.; Lee, J.-W.; Lee, K.-B. Fault Detection Method Using a Convolution Neural Network for Hybrid Active Neutral-Point Clamped Inverters. IEEE Access 2020, 8, 140632–140642. [Google Scholar] [CrossRef]
- He, K.; Zhang, X.; Ren, S.; Sun, J. Deep Residual Learning for Image Recognition. In Proceedings of the 2016 IEEE Conference on Computer Vision and Pattern Recognition (CVPR), Las Vegas, NV, USA, 27–30 June 2016; pp. 770–778. [Google Scholar] [CrossRef]
- Ma, N.; Zhang, X.; Zheng, H.-T.; Sun, J. ShuffleNet V2: Practical Guidelines for Efficient CNN Architecture Design. In Computer Vision—ECCV 2018; Springer: Munich, Germany, 2018; Volume 11218, pp. 122–138. [Google Scholar] [CrossRef]
- Howard, A.; Sandler, M.; Chen, B.; Wang, W.; Chen, L.-C.; Tan, M.; Chu, G.; Vasudevan, V.; Zhu, Y.; Pang, R.; et al. Searching for MobileNetV3. In Proceedings of the 2019 IEEE/CVF International Conference on Computer Vision (ICCV), Seoul, Republic of Korea, 27 October–2 November 2019; pp. 1314–1324. [Google Scholar] [CrossRef]
- Ioffe, S.; Szegedy, C. Batch Normalization: Accelerating Deep Network Training by Reducing Internal Covariate Shift. arXiv 2015, arXiv:1502.03167. [Google Scholar] [CrossRef]
- Glorot, X.; Bordes, A.; Bengio, Y. Deep Sparse Rectifier Neural Networks. J. Mach. Learn. Res. 2011, 15, 315–323. [Google Scholar]
- Boureau, Y.-L.; Bach, F.; LeCun, Y.; Ponce, J. Learning Mid-Level Features for Recognition. In Proceedings of the 2010 IEEE Computer Society Conference on Computer Vision and Pattern Recognition, San Francisco, CA, USA, 13–18 June 2010; pp. 2559–2566. [Google Scholar] [CrossRef]
- Howard, A.G.; Zhu, M.; Chen, B.; Kalenichenko, D.; Wang, W.; Weyand, T.; Andreetto, M.; Adam, H. MobileNets: Efficient Convolutional Neural Networks for Mobile Vision Applications. arXiv 2017, arXiv:1704.04861. [Google Scholar] [CrossRef]
- Laurens, V.D.M.; Geoffrey, H. Visualizing data using t-SNE. J. Mach. Learn. Res. 2008, 9, 2579–2625. [Google Scholar]















| Switching State | Sx1 | Sx2 | Sx3 | Sx4 | Output Voltage vxo |
|---|---|---|---|---|---|
| P | 1 | 1 | 0 | 0 | Vdc/2 |
| O | 0 | 1 | 1 | 0 | 0 |
| N | 0 | 0 | 1 | 1 | −Vdc/2 |
| vxo Variation | P | O | N | ||||
|---|---|---|---|---|---|---|---|
| ix ≥ 0 | ix < 0 | ix ≥ 0 | ix < 0 | ix ≥ 0 | ix < 0 | ||
| Fault IGBT (S) | Sx1 | Vdc/2→0 | -- | -- | -- | -- | -- |
| Sx2 | Vdc/2→−Vdc/2 | -- | 0→−Vdc/2 | -- | -- | -- | |
| Sx3 | -- | -- | -- | 0→Vdc/2 | -- | −Vdc/2→Vdc/2 | |
| Sx4 | -- | -- | -- | -- | -- | −Vdc/2→0 | |
| Fault IGBT (S) | Three-Phase Current Waveforms |
|---|---|
| SA1 | ![]() |
| SA2 | ![]() |
| SA3 | ![]() |
| SA4 | ![]() |
| Fault IGBT (S) | Label | Fault IGBT (S) | Label | Fault IGBT (S) | Label |
|---|---|---|---|---|---|
| None | 0 | SB1 | 5 | SC1 | 9 |
| SA1 | 1 | SB2 | 6 | SC2 | 10 |
| SA2 | 2 | SB3 | 7 | SC3 | 11 |
| SA3 | 3 | SB4 | 8 | SC4 | 12 |
| SA4 | 4 |
| Model | Basic Modules and Downsampling Modules |
|---|---|
| MSSCNN (Model of this paper) | ![]() |
| CNN [20] | ![]() |
| ResNet [21] | ![]() |
| ShuffleNet V2 [22] | ![]() |
| Mobilenet V3 [23] | ![]() |
| Data Set | Modulation Index | Fundamental Frequency (Hz) | Sample Number |
|---|---|---|---|
| Test set | 0.9 | 50 | 390 |
| 0.6 | 30 | 390 | |
| 0.3 | 20 | 390 | |
| Training set | 0.9 | 30 | 910 |
| 0.9 | 20 | 910 | |
| 0.6 | 50 | 910 | |
| 0.6 | 20 | 910 | |
| 0.3 | 50 | 910 | |
| 0.3 | 30 | 910 |
| SNR (dB) | Accuracy (%) | ||||
|---|---|---|---|---|---|
| MSSCNN | CNN | ResNet | MobileNet V3 | ShuffleNet V2 | |
| 6 | 98.20 | 95.89 | 87.26 | 97.35 | 96.83 |
| 8 | 98.81 | 98.29 | 98.80 | 97.78 | 97.09 |
| 10 | 99.65 | 99.23 | 99.14 | 99.05 | 99.31 |
| Model | Params | FLOPs | Memory | MemR + W |
|---|---|---|---|---|
| MSSCNN | 256,248 | 2,264,136 | 0.24 MB | 1.44 MB |
| CNN | 1,034,328 | 11,382,600 | 0.25 MB | 4.38 MB |
| ResNet | 1,058,856 | 11,640,648 | 0.27 MB | 4.71 MB |
| MobileNet V3 | 378,864 | 4,049,256 | 0.35 MB | 1.76 MB |
| ShuffleNet V2 | 258,984 | 2,413,992 | 0.30 MB | 1.58 MB |
Disclaimer/Publisher’s Note: The statements, opinions and data contained in all publications are solely those of the individual author(s) and contributor(s) and not of MDPI and/or the editor(s). MDPI and/or the editor(s) disclaim responsibility for any injury to people or property resulting from any ideas, methods, instructions or products referred to in the content. |
© 2024 by the authors. Licensee MDPI, Basel, Switzerland. This article is an open access article distributed under the terms and conditions of the Creative Commons Attribution (CC BY) license (https://creativecommons.org/licenses/by/4.0/).
Share and Cite
Yan, Y.; Wu, J.; Cao, Y.; Liu, B.; Li, C.; Shi, T. An Open-Circuit Fault Diagnosis Method for Three-Level Neutral Point Clamped Inverters Based on Multi-Scale Shuffled Convolutional Neural Network. Sensors 2024, 24, 1745. https://doi.org/10.3390/s24061745
Yan Y, Wu J, Cao Y, Liu B, Li C, Shi T. An Open-Circuit Fault Diagnosis Method for Three-Level Neutral Point Clamped Inverters Based on Multi-Scale Shuffled Convolutional Neural Network. Sensors. 2024; 24(6):1745. https://doi.org/10.3390/s24061745
Chicago/Turabian StyleYan, Yan, Jiaqi Wu, Yanfei Cao, Bo Liu, Chen Li, and Tingna Shi. 2024. "An Open-Circuit Fault Diagnosis Method for Three-Level Neutral Point Clamped Inverters Based on Multi-Scale Shuffled Convolutional Neural Network" Sensors 24, no. 6: 1745. https://doi.org/10.3390/s24061745
APA StyleYan, Y., Wu, J., Cao, Y., Liu, B., Li, C., & Shi, T. (2024). An Open-Circuit Fault Diagnosis Method for Three-Level Neutral Point Clamped Inverters Based on Multi-Scale Shuffled Convolutional Neural Network. Sensors, 24(6), 1745. https://doi.org/10.3390/s24061745










