Evaluation of a Non-Enzymatic Electrochemical Sensor Based on Co(OH)2-Functionalized Carbon Nanotubes for Glucose Detection
Abstract
1. Introduction
2. Materials and Methods
2.1. Instruments Y Reagents
2.2. Structural Characterization
2.3. Modification of the Glassy Carbon Electrode
2.3.1. Cleaning of the Glassy Carbon Electrode
2.3.2. Preparation of the fCNT/Co(OH)2 Electrode
2.4. Electrochemical Characterization of the fCNT/Co(OH)2 Electrode
2.5. Glucose Detection
3. Results
3.1. Structural Characterization
3.1.1. Transmission Electron Microscopy
3.1.2. Fourier Transform Infrared Spectroscopy
3.1.3. Raman Spectroscopy
3.1.4. X-Ray Diffraction
3.2. Electrochemical Characterization of the fCNT/Co(OH)2 Electrode
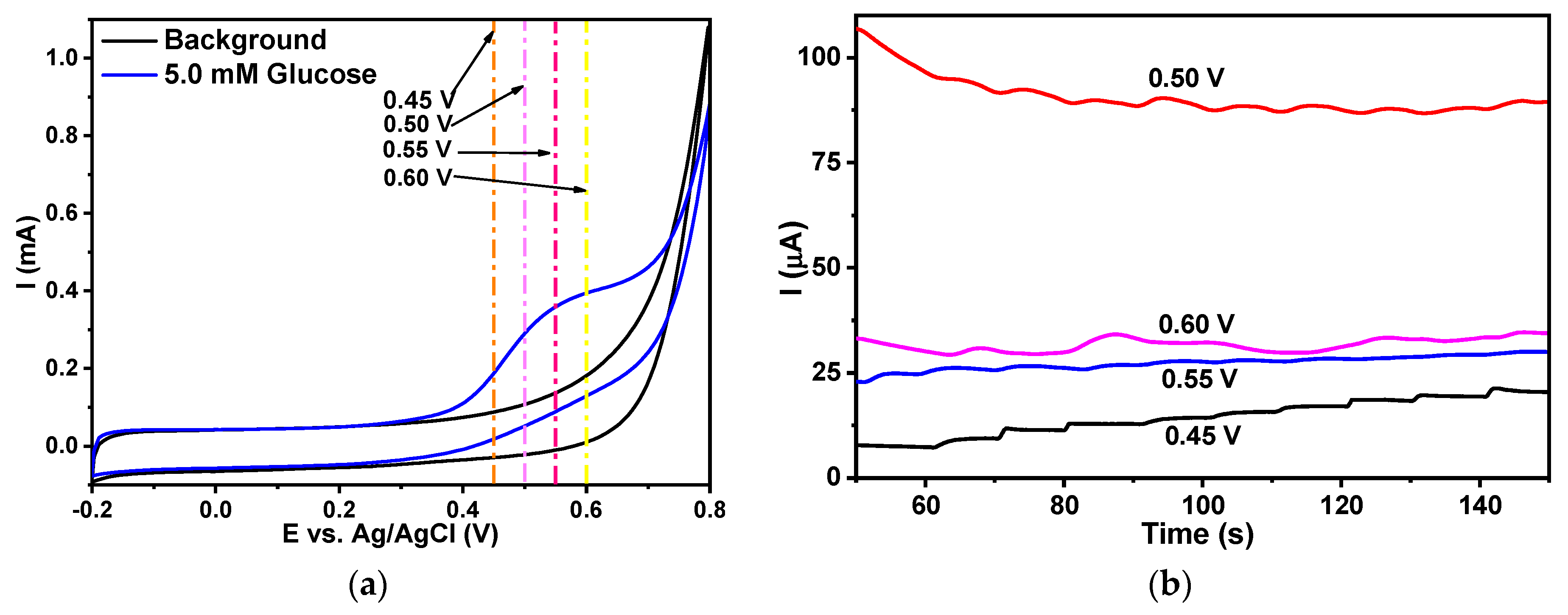
3.3. Glucose Detection
4. Discussion
| Electrode (*) | Electrolyte | Sensitive (µA/µM−1cm−2) | Linear Range (µmol L−1) | Detection Limit (µmol L−1) | Technique | Reference |
|---|---|---|---|---|---|---|
| Pd-ZnO NRs/GCE | PBS, 0.1 M | 0.640 | 0.0–1.0 | 0.300 | DPV | [54] |
| MOF-74(Ni)/GCE | KOH, 0.05 M | 1.290 | 10–4000 | 4.700 | I-t plot | [55] |
| SBHyd-MWCNTs/GC | KOH, 0.1 M | 1.100 | 1000–5000 | 0.090 | I-t plot | [56] |
| Ag@TiO2@ZIF-67/GCE | NaOH, 0.1 M | 0.788 | 48–1000 | 0.990 | I-t plot | [57] |
| CuO/rGOg/CNF/GCE | NaOH, 0.1 M | 0.630 | 1000–5300 | 0.100 | I-t plot | [58] |
| NiCoP/Ti | NaOH, 0.1 M | 14,856 | 1000–7000 | 0.130 | I-t plot | [59] |
| Ni-MOF | NaOH, 0.1 M | 14,845 | 40–2000 | 0.085 | I-t plot | [60] |
| Au-N-GQDs/GCE | NaOH, 0.1 M | - | 0.01–0.05 | 3.310 | ECL | [61] |
| Co3O4/NiCo2O4 DSNCs@G/GCE | NaOH, 0.1 M | 304 | 10–3520 | 0.384 | I-t plot | [62] |
| Co3NNW/TM | NaOH, 0.1 M | 3325.6 | 1–2500 | 0.050 | I-t plot | [42] |
| (fCNTs)/Co(OH)2/GCE | NaOH, 0.1 M | 0.028 | 50–700 | 43.200 | I-t plot | Current study |
5. Conclusions
Author Contributions
Funding
Institutional Review Board Statement
Informed Consent Statement
Data Availability Statement
Acknowledgments
Conflicts of Interest
References
- Dagogo-Jack, S. The Global Burden of Diabetes: An Overview BT. In Diabetes Mellitus in Developing Countries and Underserved Communities; Springer: Berlin/Heidelberg, Germany, 2017; ISBN 978-3-319-41559-8. [Google Scholar]
- Teymourian, H.; Barfidokht, A.; Wang, J. Electrochemical Glucose Sensors in Diabetes Management: An Updated Review (2010–2020). Chem. Soc. Rev. 2020, 49, 7671–7709. [Google Scholar] [CrossRef]
- Carchi, T.; Lapo, B.; Alvarado, J.; Montero, P.J.E.; Llorca, J.; Fernández, L. A Nafion Film Cover to Enhance the Analytical Performance of the CuO/Cu Electrochemical Sensor for Determination of Chemical Oxygen Demand. Sensors 2019, 19, 669. [Google Scholar] [CrossRef] [PubMed]
- Tafur, J.; Espinoza-Montero, P.; Manciati, C.; Fierro-Naranjo, C.; Swain, G.M.; Fernández, L. Evaluation of BDD Electrode in the Determination of Cd(II), Pb(II) and Hg(II) in Wastewater Mining (Portovelo-Zaruma, Provincia de El Oro, Ecuador) [Evaluación de Electrodos de Diamante Dopado Con Boro En La Determinación de Cd(II), Pb(II) y Hg(II) En Aguas Residuales Mineras (Portovelo - Zaruma, Provincia de El Oro, Ecuador)]. Rev. Tec. Ing. Univ. Zulia 2018, 41, 104–112. [Google Scholar]
- Valera, D.; Sánchez, M.; Domínguez, J.R.; Alvarado, J.; Espinoza-Montero, P.J.; Carrera, P.; Bonilla, P.; Manciati, C.; González, G.; Fernández, L. Electrochemical Determination of Lead in Human Blood Serum and Urine by Anodic Stripping Voltammetry Using Glassy Carbon Electrodes Covered with Ag-Hg and Ag-Bi Bimetallic Nanoparticles. Anal. Methods 2018, 10, 4114–4121. [Google Scholar] [CrossRef]
- Ruiz-Caro, P.; Espada-Bellido, E.; García-Guzmán, J.J.; Bellido-Milla, D.; Vázquez-González, M.; Cubillana-Aguilera, L.; Palacios-Santander, J.M. An Electrochemical Alternative for Evaluating the Antioxidant Capacity in Walnut Kernel Extracts. Food Chem. 2022, 393, 133417. [Google Scholar] [CrossRef]
- Méndez-Durazno, C.; Cisneros-Perez, P.A.; Loja-Ojeda, B.A.; Monge-Sevilla, R.; Romero-Estévez, D.; Fernández, L.; Espinoza-Montero, P.J. Antioxidant Capacity through Electrochemical Methods and Chemical Composition of Oenocarpus Bataua and Gustavia Macarenensis from the Ecuadorian Amazon. Antioxidants 2023, 12, 318. [Google Scholar] [CrossRef] [PubMed]
- Oliveira-Neto, J.R.; Rezende, S.G.; De Fátima Reis, C.; Benjamin, S.R.; Rocha, M.L.; De Souza Gil, E. Electrochemical Behavior and Determination of Major Phenolic Antioxidants in Selected Coffee Samples. Food Chem. 2016, 190, 506–512. [Google Scholar] [CrossRef] [PubMed]
- Treanor, M.J.; Lozano-Sanchez, P.; Bunga, Y.; Schaub, R.; Caffio, M. Implementation of a Simple Functionalisation of Graphene (Gii-Sens) in the Determination of a Suitable Linker for Use in Biocatalytic Devices. Appl. Surf. Sci. 2025, 680, 161426. [Google Scholar] [CrossRef]
- Hatada, M.; Loew, N.; Inose-Takahashi, Y.; Okuda-Shimazaki, J.; Tsugawa, W.; Mulchandani, A.; Sode, K. Development of a Glucose Sensor Employing Quick and Easy Modification Method with Mediator for Altering Electron Acceptor Preference. Bioelectrochemistry 2018, 121, 185–190. [Google Scholar] [CrossRef]
- Zhu, Z.; Garcia-Gancedo, L.; Flewitt, A.J.; Xie, H.; Moussy, F.; Milne, W.I. A Critical Review of Glucose Biosensors Based on Carbon Nanomaterials: Carbon Nanotubes and Graphene. Sensors 2012, 12, 5996–6022. [Google Scholar] [CrossRef]
- Liu, J.; Shen, J.; Ji, S.; Zhang, Q.; Zhao, W. Research Progress of Electrode Materials for Non-Enzymatic Glucose Electrochemical Sensors. Sens. Diagn. 2023, 2, 36–45. [Google Scholar] [CrossRef]
- Wei, M.; Qiao, Y.; Zhao, H.; Liang, J.; Li, T.; Luo, Y.; Lu, S.; Shi, X.; Lu, W.; Sun, X. Electrochemical Non-Enzymatic Glucose Sensors: Recent Progress and Perspectives. Chem. Commun. 2020, 56, 14553–14569. [Google Scholar] [CrossRef] [PubMed]
- Wu, M.; Zhu, J.; Ren, Y.; Yang, N.; Hong, Y.; Wang, W.; Huang, W.; Si, W.; Dong, X. NH2-GQDs-Doped Nickel-Cobalt Oxide Deposited on Carbon Cloth for Nonenzymatic Detection of Glucose. Adv. Mater. Interfaces 2020, 7, 1901578. [Google Scholar] [CrossRef]
- Wang, J.; Bao, Y.; Cui, C.; Zhang, Z.; Li, S.; Pan, J.; Zhang, Y.; Tu, G.; Wang, J.; Li, Z. Fabrication of Dispersive α-Co(OH) 2 Nanosheets on Graphene Nanoribbons for Boosting Their Oxygen Evolution Performance. J. Mater. Sci. 2019, 54, 7692–7701. [Google Scholar] [CrossRef]
- Ullah khan, N.; Prasad Sharma, B.; Hussain Tumrani, S.; Zahoor, M.; Ali Soomro, R.; Küçükdeniz, T.; Karakuş, S.; Ramadan Elsharkawy, E.; Lu, J.; El-Bahy, S.M.; et al. Enhanced Detection of Glucose with Carbon Quantum Dot-Modified Copper Oxide: Computational Insight and Machine Learning Modeling of Electrochemical Sensing. Microchem. J. 2024, 204, 110936. [Google Scholar] [CrossRef]
- Gupta, J.; Arya, S.; Verma, S.; Singh, A.; Sharma, A.; Singh, B.; Prerna; Sharma, R. Performance of Template-Assisted Electrodeposited Copper/Cobalt Bilayered Nanowires as an Efficient Glucose and Uric Acid Senor. Mater. Chem. Phys. 2019, 238, 121969. [Google Scholar] [CrossRef]
- Liu, S.; Zeng, W.; Li, Y. Synthesis of ZnCo2O4 Microrods Grown on Nickel Foam for Non-Enzymatic Glucose Sensing. Mater. Lett. 2020, 259, 126820. [Google Scholar] [CrossRef]
- Vasiliou, F.; Plessas, A.K.; Economou, A.; Thomaidis, N.; Papaefstathiou, G.S.; Kokkinos, C. Graphite Paste Sensor Modified with a Cu(II)-Complex for the Enzyme-Free Simultaneous Voltammetric Determination of Glucose and Uric Acid in Sweat. J. Electroanal. Chem. 2022, 917, 116393. [Google Scholar] [CrossRef]
- Wang, F.; Shi, F.; Chen, C.; Huang, K.; Chen, N.; Xu, Z. Electrochemical Fabrication of Co(OH)2 Nanoparticles Decorated Carbon Cloth for Non-Enzymatic Glucose and Uric Acid Detection. Microchim. Acta 2022, 189, 385. [Google Scholar] [CrossRef]
- Wang, G.; He, X.; Wang, L.; Gu, A.; Huang, Y.; Fang, B.; Geng, B.; Zhang, X. Non-Enzymatic Electrochemical Sensing of Glucose. Microchim. Acta 2012, 180, 161–186. [Google Scholar] [CrossRef]
- Zhu, X.; Tong, X.; Li, Z.; Fang, F.; Bian, Q.; E, Y.; Chen, P.; Li, L.; Qian, K. CuxO Nanoparticles Loaded LTA Zeolite as Non-Enzymatic and Noble-Metal-Free Sensing Platform for Accurate and Fast Glucose Detection. Chem. Eng. J. 2024, 494, 153175. [Google Scholar] [CrossRef]
- Salam, M.A.; Burk, R. Synthesis and Characterization of Multi-Walled Carbon Nanotubes Modified with Octadecylamine and Polyethylene Glycol. Arab. J. Chem. 2017, 10, S921–S927. [Google Scholar] [CrossRef]
- Alamer, F.A.; Alnefaie, M.A.; Salam, M.A. Preparation and Characterization of Multi-Walled Carbon Nanotubes-Filled Cotton Fabrics. Results Phys. 2022, 33, 105205. [Google Scholar] [CrossRef]
- Alvarez-Paguay, J.; Fernández, L.; Bolaños-Méndez, D.; González, G.; Espinoza-Montero, P.J. Evaluation of an Electrochemical Biosensor Based on Carbon Nanotubes, Hydroxyapatite and Horseradish Peroxidase for the Detection of Hydrogen Peroxide. Sens. Biosensing Res. 2022, 37, 100514. [Google Scholar] [CrossRef]
- Fernández, L.; Alvarez-Paguay, J.; González, G.; Uribe, R.; Bolaños-Mendez, D.; Piñeiros, J.L.; Celi, L.; Espinoza-Montero, P.J. Electrochemical Sensor for Hydrogen Peroxide Based on Prussian Blue Electrochemically Deposited at the TiO2-ZrO2–Doped Carbon Nanotube Glassy Carbon-Modified Electrode. Front. Chem. 2022, 10, 884050. [Google Scholar] [CrossRef]
- Jerez-Masaquiza, M.D.; Fernández, L.; González, G.; Montero-Jiménez, M.; Espinoza-Montero, P.J. Electrochemical Sensor Based on Prussian Blue Electrochemically Deposited at ZrO2 Doped Carbon Nanotubes Glassy Carbon Modified Electrode. Nanomaterials 2020, 10, 1328. [Google Scholar] [CrossRef]
- Singh, B.P.; Samal, S.; Nayak, S.; Majhi, S.M.; Besra, L.; Bhattacharjee, S. The Production of a Multi-Walled Carbon Nanotube/Hexamethylene Diisocyanate Nanocomposite Coating on Copper by Electrophoretic Deposition. Surf. Coat. Technol. 2011, 206, 1319–1326. [Google Scholar] [CrossRef]
- Yuwen, T.; Shu, D.; Zou, H.; Yang, X.; Wang, S.; Zhang, S.; Liu, Q.; Wang, X.; Wang, G.; Zhang, Y.; et al. Carbon Nanotubes: A Powerful Bridge for Conductivity and Flexibility in Electrochemical Glucose Sensors. J. Nanobiotechnol. 2023, 21, 1–29. [Google Scholar] [CrossRef]
- Gegenschatz, S.A.; Chiappini, F.A.; Teglia, C.M.; Muñoz de la Peña, A.; Goicoechea, H.C. Binding the Gap between Experiments, Statistics, and Method Comparison: A Tutorial for Computing Limits of Detection and Quantification in Univariate Calibration for Complex Samples. Anal. Chim. Acta 2022, 1209, 339342. [Google Scholar] [CrossRef]
- Misra, A.; Tyagi, P.K.; Rai, P.; Misra, D.S. FTIR Spectroscopy of Multiwalled Carbon Nanotubes: A Simple Approachto Study the Nitrogen Doping. J. Nanosci. Nanotechnol. 2007, 7, 1820–1823. [Google Scholar] [CrossRef] [PubMed]
- Zdrojek, M.; Gebicki, W.; Jastrzebski, C.; Melin, T.; Huczko, A. Studies of Multiwall Carbon Nanotubes Using Raman Spectroscopy and Atomic Force Microscopy. Solid State Phenom. 2004, 99–100, 265–268. [Google Scholar] [CrossRef]
- Moosavi, S.M.; Ghassabian, S. Linearity of Calibration Curves for Analytical Methods: A Review of Criteria for Assessment of Method Reliability. In Calibration and Validation of Analytical Methods—A Sampling of Current Approaches; IntechOpen Limited: London, UK, 2018. [Google Scholar] [CrossRef]
- Yudianti, R.; Onggo, H.; Sudirman; Saito, Y.; Iwata, T.; Azuma, J.I. Analysis of Functional Group Sited on Multi-Wall Carbon Nanotube Surface. Open Mater. Sci. J. 2011, 5, 242–247. [Google Scholar] [CrossRef]
- Farnsworth, A.; Chirima, G.; Yu, F. Raman Spectroscopy: A Key Technique in Investigating Carbon-Based Materials. Spectroscopy 2021, 36, 9–14. [Google Scholar]
- Orlando, A.; Franceschini, F.; Muscas, C.; Pidkova, S.; Bartoli, M.; Rovere, M.; Tagliaferro, A. A Comprehensive Review on Raman Spectroscopy Applications. Chemosensors 2021, 9, 262. [Google Scholar] [CrossRef]
- Theyab, E.J.; Muhammed, M.N.; Abdulrazzak, F.H.; Ajobree, A.M.; Jassem, Z.M.; Radhi, I.M.; Mammadova, S.; Abdullah, K.T.; Ali, K.; Ismail, A.A.; et al. X-ray Diffraction Analysis for Main Peaks and the Noises of Single and Multi-Walled Carbon Nanotubes. Open Access Res. J. Eng. Technol. 2023, 4, 1–7. [Google Scholar] [CrossRef]
- McMurdie, H.F.; Morris, M.C.; Evans, E.H.; Paretzkin, B.; Wong-Ng, W.; Ettlinger, L.; Hubbard, C.R. Standard X-ray Diffraction Powder Patterns from the JCPDS Research Associateship. Powder Diffr. 1986, 1, 64–77. [Google Scholar] [CrossRef]
- Grujicic, D.; Pesic, B. Electrochemical and AFM Study of Cobalt Nucleation Mechanisms on Glassy Carbon from Ammonium Sulfate Solutions. Electrochim. Acta 2004, 49, 4719–4732. [Google Scholar] [CrossRef]
- Rios-Reyes, C.H.; Granados-Neri, M.; Mendoza-Huizar, L.H. Kinetic Study of the Cobalt Electrodeposition onto Glassy Carbon Electrode from Ammonium Sulfate Solutions. Quim. Nova 2009, 32, 2382–2386. [Google Scholar] [CrossRef]
- Granados Neri, M.; Mendoza-Huizar, L.H. Cobalt Electrodeposition Process from Electrolytic Baths Based on CoSO4 and (NH4) 2 SO4. Influence of [Co(II)]. ECS Trans. 2009, 20, 375–383. [Google Scholar] [CrossRef]
- Xie, F.; Cao, X.; Qu, F.; Asiri, A.M.; Sun, X. Cobalt Nitride Nanowire Array as an Efficient Electrochemical Sensor for Glucose and H2O2 Detection. Sens. Actuators B Chem. 2018, 255, 1254–1261. [Google Scholar] [CrossRef]
- Shahrokhian, S.; Ezzati, M.; Hosseini, H. Fabrication of a Sensitive and Fast Response Electrochemical Glucose Sensing Platform Based on Co-Based Metal-Organic Frameworks Obtained from Rapid in Situ Conversion of Electrodeposited Cobalt Hydroxide Intermediates. Talanta 2020, 210, 120696. [Google Scholar] [CrossRef] [PubMed]
- Lota, G.; Fic, K.; Frackowiak, E. Carbon Nanotubes and Their Composites in Electrochemical Applications. Energy Environ. Sci. 2011, 4, 1592–1605. [Google Scholar] [CrossRef]
- Hassan, M.H.; Vyas, C.; Grieve, B.; Bartolo, P. Recent Advances in Enzymatic and Non-Enzymatic Electrochemical Glucose Sensing. Sensors 2021, 21, 4672. [Google Scholar] [CrossRef] [PubMed]
- de la Escosura-Muñiz, A.; Maltez-da Costa, M.; Merkoçi, A. Controlling the Electrochemical Deposition of Silver onto Gold Nanoparticles: Reducing Interferences and Increasing the Sensitivity of Magnetoimmuno Assays. Biosens. Bioelectron. 2009, 24, 2475–2482. [Google Scholar] [CrossRef] [PubMed]
- Kityk, A.; Pavlik, V.; Hnatko, M. Breaking Barriers in Electrodeposition: Novel Eco-Friendly Approach Based on Utilization of Deep Eutectic Solvents. Adv. Colloid. Interface Sci. 2024, 334, 103310. [Google Scholar] [CrossRef]
- Casella, I.G.; Gatta, M. Study of the Electrochemical Deposition and Properties of Cobalt Oxide Species in Citrate Alkaline Solutions. J. Electroanal. Chem. 2002, 534, 31–38. [Google Scholar] [CrossRef]
- Agnihotri, A.S.; Varghese, A.; M, N. Transition Metal Oxides in Electrochemical and Bio Sensing: A State-of-Art Review. Appl. Surf. Sci. Adv. 2021, 4, 100072. [Google Scholar] [CrossRef]
- Remaggi, G.; Zaccarelli, A.; Elviri, L. 3D Printing Technologies in Biosensors Production: Recent Developments. Chemosensors 2022, 10, 65. [Google Scholar] [CrossRef]
- Cândido de Oliveira, T.C.; da Silva, D.N.; Borges, M.M.C.; Barbosa, T.G.; da Trindade, S.O.D.; Pereira, A.C. 3D-Printed Electrochemical Sensors: A Comprehensive Review of Clinical Analysis Applications. Analytica 2024, 5, 552–575. [Google Scholar] [CrossRef]
- Sharma, A.; Faber, H.; Khosla, A.; Anthopoulos, T.D. 3D Printed Electrochemical Devices for Bio-Chemical Sensing: A Review. Mater. Sci. Eng. R Rep. 2023, 156, 100754. [Google Scholar] [CrossRef]
- Cardoso, R.M.; Kalinke, C.; Rocha, R.G.; dos Santos, P.L.; Rocha, D.P.; Oliveira, P.R.; Janegitz, B.C.; Bonacin, J.A.; Richter, E.M.; Munoz, R.A.A. Additive-Manufactured (3D-Printed) Electrochemical Sensors: A Critical Review. Anal. Chim. Acta 2020, 1118, 73–91. [Google Scholar] [CrossRef] [PubMed]
- Yuan, Q.; Zhang, Z.; Li, L. Electrochemical Sensor Based on Glassy Carbon Electrode Modified by Palladium Doped ZnO Nanostructures for Glucose Detection. Int. J. Electrochem. Sci. 2020, 15, 5245–5254. [Google Scholar] [CrossRef]
- Peng, X.; Wan, Y.; Wang, Y.; Liu, T.; Zou, P.; Wang, X.; Zhao, Q.; Ding, F.; Rao, H. Flower-like Ni(II)-Based Metal-Organic Framework-Decorated Ag Nanoparticles: Fabrication, Characterization and Electrochemical Detection of Glucose. Electroanalysis 2019, 31, 2179–2186. [Google Scholar] [CrossRef]
- Gupta, R.; Yadav, M.; Singh, S.; Ganesan, V.; Singh, B. Design and Development of a Multiwalled Carbon Nanotubes-Based Copper (II) Schiff Base Complex for the Facile Non-Enzymatic Electrochemical Sensing of Glucose. J. Mater. Sci. 2023, 58, 12312–12330. [Google Scholar] [CrossRef]
- Arif, D.; Hussain, Z.; Sohail, M.; Liaqat, M.A.; Khan, M.A.; Noor, T. A Non-Enzymatic Electrochemical Sensor for Glucose Detection Based on Ag@TiO2@ Metal-Organic Framework (ZIF-67) Nanocomposite. Front. Chem 2020, 8, 573510. [Google Scholar] [CrossRef]
- Ye, D.; Liang, G.; Li, H.; Luo, J.; Zhang, S.; Chen, H.; Kong, J. A Novel Nonenzymatic Sensor Based on CuO Nanoneedle/Graphene/Carbon Nanofiber Modified Electrode for Probing Glucose in Saliva. Talanta 2013, 116, 223–230. [Google Scholar] [CrossRef]
- Wang, Z.; Cao, X.; Liu, D.; Hao, S.; Du, G.; Asiri, A.M.; Sun, X. Ternary NiCoP Nanosheet Array on a Ti Mesh: A High-Performance Electrochemical Sensor for Glucose Detection. Chem. Commun. 2016, 52, 14438–14441. [Google Scholar] [CrossRef]
- Lu, W.; Wu, X. Ni-MOF Nanosheet Arrays: Efficient Non-Noble-Metal Electrocatalysts for Non-Enzymatic Monosaccharide Sensing. New J. Chem. 2018, 42, 3180–3183. [Google Scholar] [CrossRef]
- Ran, P.; Song, J.; Mo, F.; Wu, J.; Liu, P.; Fu, Y. Nitrogen-Doped Graphene Quantum Dots Coated with Gold Nanoparticles for Electrochemiluminescent Glucose Detection Using Enzymatically Generated Hydrogen Peroxide as a Quencher. Microchim. Acta 2019, 186, 1–7. [Google Scholar] [CrossRef]
- Xue, B.; Li, K.; Feng, L.; Lu, J.; Zhang, L. Graphene Wrapped Porous Co3O4/NiCo2O4 Double-Shelled Nanocages with Enhanced Electrocatalytic Performance for Glucose Sensor. Electrochim. Acta 2017, 239, 36–44. [Google Scholar] [CrossRef]














| Electrode | Area (cm2) | Capacitance (F cm−2) |
|---|---|---|
| GCE | 2.3774 × 10−6 | 0.00605267 |
| fCNTs/GCE | 1.403 × 10−5 | 0.07693774 |
| Co(OH)2-fCNTs/GCE | 1.4035 × 10−5 | 0.14189475 |
| Regression Statistics | |
|---|---|
| Multiple correlation coefficient | 0.995 |
| Determination coefficient R | 0.990 |
| Adjusted R | 0.990 |
| Typical error | 0.549 |
| Data number | 14 |
| Intercept | 8.413 |
| Slope | 0.028 |
| Detection Limit | 43.200 |
| Quantitation Limit | 129.601 |
| DOF | Sum of Squares | Mean Square | F | Critical Value of F | |
|---|---|---|---|---|---|
| Regression | 1 | 389.744 | 389.744 | 1291.601 | 1.37801 × 1013 |
| Residual | 12 | 3.621 | 0.302 | ||
| Total | 13 | 393.365 |
Disclaimer/Publisher’s Note: The statements, opinions and data contained in all publications are solely those of the individual author(s) and contributor(s) and not of MDPI and/or the editor(s). MDPI and/or the editor(s) disclaim responsibility for any injury to people or property resulting from any ideas, methods, instructions or products referred to in the content. |
© 2024 by the authors. Licensee MDPI, Basel, Switzerland. This article is an open access article distributed under the terms and conditions of the Creative Commons Attribution (CC BY) license (https://creativecommons.org/licenses/by/4.0/).
Share and Cite
Bolaños-Mendez, D.; Fernández, L.; Uribe, R.; Cunalata-Castro, A.; González, G.; Rojas, I.; Chico-Proano, A.; Debut, A.; Celi, L.A.; Espinoza-Montero, P. Evaluation of a Non-Enzymatic Electrochemical Sensor Based on Co(OH)2-Functionalized Carbon Nanotubes for Glucose Detection. Sensors 2024, 24, 7707. https://doi.org/10.3390/s24237707
Bolaños-Mendez D, Fernández L, Uribe R, Cunalata-Castro A, González G, Rojas I, Chico-Proano A, Debut A, Celi LA, Espinoza-Montero P. Evaluation of a Non-Enzymatic Electrochemical Sensor Based on Co(OH)2-Functionalized Carbon Nanotubes for Glucose Detection. Sensors. 2024; 24(23):7707. https://doi.org/10.3390/s24237707
Chicago/Turabian StyleBolaños-Mendez, Diego, Lenys Fernández, Rafael Uribe, Alisson Cunalata-Castro, Gema González, Isamara Rojas, Andrés Chico-Proano, Alexis Debut, Luis Alberto Celi, and Patricio Espinoza-Montero. 2024. "Evaluation of a Non-Enzymatic Electrochemical Sensor Based on Co(OH)2-Functionalized Carbon Nanotubes for Glucose Detection" Sensors 24, no. 23: 7707. https://doi.org/10.3390/s24237707
APA StyleBolaños-Mendez, D., Fernández, L., Uribe, R., Cunalata-Castro, A., González, G., Rojas, I., Chico-Proano, A., Debut, A., Celi, L. A., & Espinoza-Montero, P. (2024). Evaluation of a Non-Enzymatic Electrochemical Sensor Based on Co(OH)2-Functionalized Carbon Nanotubes for Glucose Detection. Sensors, 24(23), 7707. https://doi.org/10.3390/s24237707

