Smart Rumble Strip System to Prevent Over-Height Vehicle Collisions
Abstract
1. Introduction
1.1. Review of Risk Mitigation Methods against Over-Height Vehicle Striking
1.2. Warning Signs and Passive Warning Systems
1.3. Over-Height Detection and Warning (OHD-W) Systems
1.4. Broadcasting and Vehicle Intervention
1.5. Impact Cushions and Structural Health Monitoring
1.6. Objectives of This Work
2. Conceptual Framework of the Smart Rumble Strips
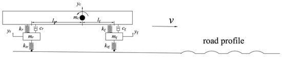
Theoretical Framework
- mc: Mass of the vehicle chassis;
- mf, mr: Mass of the front and rear axle;
- I: Moment of inertia of the vehicle body about the center of gravity;
- kf, kr, ktr, ktf: Spring constants of the front suspension, rear suspension, front tire and rear tire, respectively;
- cf, cr: Damping coefficients of the front and rear suspensions;
- lf, lr: Distance from the CG to the front and rear axles;
- yc, yf, yr: Vertical displacement of the vehicle body’s center of gravity and the front and rear axles;
- θ: Pitch angle of the vehicle body;
- yrf, yrr: Road input at front and rear axles.
- mc = 3500 kg
- mf = mr = 500 kg
- lf = 1.5 m
- lr = 3.5 m
- I = 3000 kgm2
- kf = kr = 30 kN/m
- ktr = ktf = 200 kN/m
- cf = cr = 1500 Ns/m
3. Proof-of-Concept Road Tests and Prototype Development
3.1. Road Tests
3.2. Prototype Development
4. Discussion on Practical Implementation
- Geometric requirements
- The overall housing of the system is shallow to minimize excavation on existing pavement.
- Adequate distance between the sensors and the smart rumble strips, allowing for the deployment to complete before the offending vehicle arrives. This is a function of design speed of the strip of the road.
- Detection and control requirements
- An over-height detection system, such as an infrared beam break sensor or a non-contact displacement sensor, is used to identify vehicles that exceed height restrictions. The detection system must operate in day and night conditions.
- A microcontroller receives the signal from the sensor and triggers the deployment of rumble strips. The microcontroller must be contained in a robust housing within the smart rumble strip system to avoid the ingress of water or dust. The control unit may also be moved to a roadside housing.
- Mechanical and electrical requirements
- Rumble strips should be designed with sufficient strength to withstand design axle wheel loads in both deployed and undeployed states.
- Stringent protection against water and dust ingress.
- Efficient mechanical design is necessary to ensure a swift response with low power consumption.
- Availability of electrical power supply.
5. Conclusions
- A conceptual framework of a smart, sensor-triggered mechanical rumble strip system was presented;
- The governing equations of a half car model traveling over a rumble strip road profile were reviewed and a numerical example was illustrated;
- Physical road tests were conducted using a 3.5-ton truck to quantify the cabin noise and vibration generated by different arrangements of rumble strips;
- A proof-of-concept model testbed with controlling software and mechanical design was tested and verified in an outdoor environment;
- Requirements for full-scale implementation were discussed.
Funding
Data Availability Statement
Conflicts of Interest
References
- Welch, W.M. No Deaths after Wash. State Bridge Collapses; USA Today: McLean, VA, USA, 2013. [Google Scholar]
- Matthews, A. The M20 Miracle! Motorway Bridge Which Collapsed in Heavy Bank Holiday Traffic after Being Hit by a Lorry Leaves Just One Motorcyclist Injured; Daily Mail: London, UK, 2016. [Google Scholar]
- Korssen, T. Montague Street Bridge Warning Gantry Installed after It Was Hit More Than 100 Times; Herald Sun: Melbourne, Australia, 2016. [Google Scholar]
- Hamblin, A.; Korssen, T.; Hosking, W. Passengers Trapped in Bus on Montague Street after Major Crash; Herald Sun: Melbourne, Australia, 2016. [Google Scholar]
- Fu, C.C.; Burhouse, J.R.; Chang, G.L. Overheight Vehicle Collisions with Highway Bridges. J. Transp. Res. Board Natl. Res. Counc. 2004, 1865, 80–88. [Google Scholar] [CrossRef]
- Osegueda, R.; Garcia-Diaz, A.; Ashur, S.; Melchor, O.; Chang, S.H.; Carrasco, C.; Kuyumcu, A. GIS-Based Network Routing Procedures for Overweight and Oversized Vehicles. J. Transp. Eng. 1999, 125, 324–331. [Google Scholar] [CrossRef]
- Nguyen, B.; Brilakis, I. Understanding the Problem of Bridge and Tunnel Strikes Caused by Over-height Vehicles. Transp. Res. Procedia 2016, 14, 3915–3924. [Google Scholar] [CrossRef]
- Chan, R. Over-height Collision Prevention System with Smart Rumble Strips. In Proceedings of the Austroads Bridge Conference, Melbourne, Australia, 2–6 April 2017. [Google Scholar]
- AS1742.1; Manual of Uniform Traffic Control Devices—General Introduction and Index of Signs. Standards Australia: Sydney, Australia, 2014.
- Horberry, T.; Halliday, M.; Gale, A.G. Bridge strike reduction: Optimising the design of markings. Accid. Anal. Prev. 2002, 34, 581–588. [Google Scholar] [CrossRef] [PubMed]
- Hanchey, C.M.; Exley, S.F. Overheight warning systems in Mississippi. Inst. Transp. Eng. J. 1990, 60, 24–29. [Google Scholar]
- Sinfield, J.V. Synthesis Study: Development of an Electronic Detection and Warning System to Prevent Overheight Vehicles from Impacting Overhead Bridges; Joint Transportation Research Program, Indiana Department of Transportation, Purdue University: West Lafayette, IN, USA, 2010. [Google Scholar]
- Urazghildiiev, I.; Ragnarsson, R.; Ridderstrom, P.; Rydberg, A.; Ojefors, E.; Wallin, K.; Enochsson, P.; Ericson, M.; Lofqvist, G. Vehicle Classification Based on the Radar Measurement of Height Profiles. Intell. Transp. Syst. IEEE Trans. 2007, 8, 245–253. [Google Scholar] [CrossRef]
- Chacon, P.J.; Park, J.-Y.; Aly, A.M.; Voyiadjis, G.Z.; Choi, J.-W. A Moving Vehicle Height Monitoring Sensor System for Overheight Impact Avoidance. Infrastructures 2021, 6, 91. [Google Scholar] [CrossRef]
- Dai, F.; Park, M.-W.; Sandidge, M.; Brilakis, I. A vision-based method for on-road truck height measurement in proactive prevention of collision with overpasses and tunnels. Autom. Constr. 2015, 50, 29–39. [Google Scholar] [CrossRef]
- CSIRO. TruckOn—Overhead Collision Prevention. Available online: https://research.csiro.au/data61/truckon-overhead-collision-prevention/ (accessed on 12 February 2024).
- Yang, M.; Qiao, P. Analysis of cushion systems for impact protection design of bridges against overheight vehicle collision. Int. J. Impact Eng. 2010, 37, 1220–1228. [Google Scholar] [CrossRef]
- Qiao, P.; Yang, M.; Mosallam, A.S. Impact analysis of I-Lam sandwich system for over- height collision protection of highway bridges. Eng. Struct. 2004, 26, 1003–1012. [Google Scholar] [CrossRef]
- Baral, K.; Tatar, J.; Zhang, Q. High-Performance Impact-Resistant Concrete Mixture for Transportation Infrastructure Applications. Transp. Res. Rec. 2019, 2673, 628–635. [Google Scholar] [CrossRef]
- Mehrani, E.; Ayoub, A.; Ayoub, A. Evaluation of fiber optic sensors for remote health monitoring of bridge structures. Mater. Struct. 2009, 42, 183–199. [Google Scholar] [CrossRef]
- Song, G.; Olmi, C.; Gu, H. An overheight vehicle bridge collision monitoring system using piezoelectric transducers. Smart Mater. Struct. 2007, 16, 462–468. [Google Scholar] [CrossRef]
- Das, S.; Brenkus, N.R.; Tatar, J. Strategies for Prevention, Protection, and Repair of Bridge Girders Vulnerable to Over-height Vehicle Impacts: A State-of-the-Art Review. Structures 2022, 44, 514–533. [Google Scholar] [CrossRef]
- Corkle, J.; Marti, M.; Montebello, D. Synthesis on the Effectiveness of Rumble Strips; Minnesota Local Road Research Board: St. Paul, MN, USA, 2001. [Google Scholar]
- Harwood, D. Synthesis of Highway Practice 191—Use of Rumble Strips to Enhance Safety; Transport Research Board: Washington, DC, USA, 1993. [Google Scholar]
- Zhou, S.; Song, G.; Sun, M.; Ren, Z. Nonlinear dynamic analysis of a quarter vehicle system with external periodic excitation. Int. J. Non-Linear Mech. 2016, 84, 82–93. [Google Scholar] [CrossRef]
- Ahamed, M.M.; Natrayan, L. Structural and dynamic analysis of automotive quarter car model suspension system for different materials. Mater. Today Proc. 2022, 62, 2291–2296. [Google Scholar] [CrossRef]
- Huang, C.-J.; Lin, J.-S.; Chen, C.-C. Road-adaptive algorithm design of half-car active suspension system. Expert Syst. Appl. 2010, 37, 4392–4402. [Google Scholar] [CrossRef]
- Zhang, H.; Cheng, K.; Wang, E.; Rakheja, S.; Su, C.-Y. Nonlinear Behaviors of a Half-Car Magneto- Rheological Suspension System Under Harmonic Road Excitation. IEEE Trans. Veh. Technol. 2023, 72, 8592–8600. [Google Scholar] [CrossRef]
- Jiao, L. Vehicle Model for Tyre-Ground Contact Force Evaluation; KTH Royal Institute of Technology: Stockholm, Sweden, 2013. [Google Scholar]
- Di Mascio, P.; Loprencipe, G.; Moretti, L.; Puzzo, L.; Zoccali, P. Bridge Expansion Joint in Road Transition Curve: Effects Assessment on Heavy Vehicles. Appl. Sci. 2017, 7, 599. [Google Scholar] [CrossRef]

















| Test ID | Rumble Strip Arrangement | Spacing (mm) | Peak Acceleration (g) | Acceleration RMS (g) | Cabin Noise (dB) |
|---|---|---|---|---|---|
| T1 | 3 × 2 | 500 | 0.656 | 0.097 | 85.6 |
| T2 | 3 × 2 | 1000 | 1.679 | 0.116 | 86.0 |
| T3 | 3 × 2 | 1500 | 3.389 | 0.128 | 86.5 |
| T4 | 5 × 2 | 500 | 1.020 | 0.115 | 89.0 |
| T5 | 5 × 2 | 1000 | 1.312 | 0.119 | 91.2 |
| T6 | 5 × 2 | 1500 | 1.052 | 0.101 | 96.7 |
Disclaimer/Publisher’s Note: The statements, opinions and data contained in all publications are solely those of the individual author(s) and contributor(s) and not of MDPI and/or the editor(s). MDPI and/or the editor(s) disclaim responsibility for any injury to people or property resulting from any ideas, methods, instructions or products referred to in the content. |
© 2024 by the author. Licensee MDPI, Basel, Switzerland. This article is an open access article distributed under the terms and conditions of the Creative Commons Attribution (CC BY) license (https://creativecommons.org/licenses/by/4.0/).
Share and Cite
Chan, R.W.K. Smart Rumble Strip System to Prevent Over-Height Vehicle Collisions. Sensors 2024, 24, 6191. https://doi.org/10.3390/s24196191
Chan RWK. Smart Rumble Strip System to Prevent Over-Height Vehicle Collisions. Sensors. 2024; 24(19):6191. https://doi.org/10.3390/s24196191
Chicago/Turabian StyleChan, Ricky W. K. 2024. "Smart Rumble Strip System to Prevent Over-Height Vehicle Collisions" Sensors 24, no. 19: 6191. https://doi.org/10.3390/s24196191
APA StyleChan, R. W. K. (2024). Smart Rumble Strip System to Prevent Over-Height Vehicle Collisions. Sensors, 24(19), 6191. https://doi.org/10.3390/s24196191

