Dynamic Simulation and Modeling of a Novel NeuRaiSya for Railway Monitoring System Using Petri Nets
Abstract
1. Introduction
2. Petri Nets and Their Types and Applications
- (1)
- Timed Petri nets (TPNs) integrate time as a crucial element, allowing the modeling of systems where the timing and duration of events and transitions are vital. This modeling approach includes the concept of time to represent systems where the duration of transitions and the timing of events are fundamental aspects. It includes time parameters associated with transitions, indicating the time required for transitions to occur. It is used for modeling real-time systems where the timing of events is critical. Object enhanced time Petri nets (OETPNs) extend beyond classical Petri nets (PNs) by incorporating tokens that model both passive and active objects (execution threads) [10].
- (2)
- Colored Petri nets (CPNs) extend the basic Petri net model by assigning colors or additional attributes to tokens, places, or transitions. This model uses different types or colors of tokens to represent different entities or conditions, providing a more expressive way to represent information. It offers flexibility in modeling systems with diverse and complex attributes, such as concurrent processes with different properties. CPNs reduce the complexity of modeling [13].
- (a)
- P is a finite set of places.
- (b)
- T is a finite set of transitions such that P ∩ T = ϕ.
- (c)
- A ⊆ (P × T) ∪ (T × P) is a set of arcs from place to transition and from transition to place, which indicates where the token flows.
- (d)
- Σ is a set of color sets. This set contains all possible colors, operations, and functions used within the colored Petri net.
- (e)
- V is the finite set of the type of variables.
- (f)
- C: P → Σ is a color function. It maps places in P into colors in Σ.
- (g)
- G: T → Λv is a guard function that assigns a guard to each transition.
- (h)
- E: A → Λv is an arc expression function. It maps each arc a ∈ A into the expression e.
- (i)
- I is an initialization function. It maps each place p into an initialization expression i.
- (3)
- Stochastic Petri nets (SPNs) introduce random or probabilistic elements to model systems with uncertainty or variability in the occurrence of events. This model assigns probabilities to transitions, indicating the likelihood of their occurrence. It is useful for modeling systems where events have probabilistic characteristics, such as communication networks or manufacturing systems. The extension of SPNs is Generalized Stochastic Petri Nets (GSPNs). The GSPN model is the conventional Generalised Stochastic Petri Net formalism for describing the operational behavior of a dynamic system. It is a graphical and mathematical framework designed for the modeling of concurrent and distributed systems.
Different Simulation Tools of Petri Nets
- (a)
- TINA simulation is a tool designed for the examination of Petri nets and timed Petri nets. Petri nets are used as a formalization tool to model different train situations, such as overtaking, following, and station avoidance. The reachability graph of the Petri net model is calculated using the TINA version 3.8.0 simulation software, enabling the determination of whether the given train operation scheduling meets station requirements [21].
- (b)
- “PetriNet Editor + PetriNet Engine” is based on the open-source Petri net editor PNEditor 0.9.2, which has been created for the support of modeling of systems using timed interpreted Petri nets. As a result, it enables the implementation of control algorithms on Arduino-type microcontrollers and other compatible microcontrollers as well [22].
- (c)
- PNet is used an alternative pure Python 3.0 library for Petri net modeling by reducing its object-oriented programming overheads to its minimum and adding Python functions as an alternative type of transition rule. Hence, PNet is expected to make it easier for beginners to start working with Petri nets before moving on to more comprehensive libraries like SNAKES. PNet has been incorporated into COPADS, a library of algorithms and data structures, developed entirely in the Python programming language and has no third party [23].
- (d)
- PetriBaR is a MATLAB toolbox version 1.0.0.0 (12.4 KB) used for the analysis and control of Petri nets. PetriBaR is a collection of functions designed for fundamental Petri net analysis, including computing T-invariants, siphons, and reachability graphs, as well as performing monitor design, reachability analysis, state estimation, fault diagnosis, and opacity verification [24].
- (e)
- ORIS software 1.0 presents an exclusive approach for quantitatively modeling and analyzing non-Markovian models. It incorporates a novel graphical editor and a Java library that facilitates both transient and steady-state analysis. The software architecture, tailored to integrate new features of Petri models and advanced analysis methods, positions ORIS as a versatile research tool for assessing innovative solutions in discrete-event systems. ORIS has demonstrated successful applications across diverse contexts and application domains, serving, for example, as a graphical user interface for evaluating performability measures in railway signaling systems [25].
- (f)
- CPN Tools 4.0 (Colored Petri Net Tools) is a software bundle designed for the creation, simulation, and examination of colored Petri nets. Featuring a user-friendly interface, it facilitates both qualitative and quantitative analyses. It is used for assessing the performance of wireless sensor networks. CPN Tools was utilized to scrutinize quantitative properties through the monitor technique [26,27].
- (g)
- PIPE2 4.3.0 (Platform Independent Petri Net Editor 2) is a modeling instrument for Petri nets, enabling users to generate, modify, and scrutinize Petri net models. It accommodates various types of Petri nets. PIPE2 was used to design a Petri net model of Unistar CSV24 [28].
- (h)
- GreatSPN 3.1 (Graphical Editor for Petri Nets) is a utility designed for the modeling and examination of Generalized Stochastic Petri Nets (GSPNs). It facilitates both qualitative and quantitative evaluations of system behavior. It is used for performance evaluation by predicting performance parameters. GreatSPN emerged in the 2000s as a tool for constructing Petri nets, and over time, it has undergone significant development, incorporating various features. It has evolved to support formalisms like stochastic, colored, and stochastic colored, as well as the commonly used simple place and transition formalism. GreatSPN provides a range of tools to simplify the creation of system representations, including features for generating reachability graphs, verifying for dead markings, and facilitating the token [29,30].
3. NeuRaiSya System Model
3.1. Petri Nets Model of the Study Based on the Train with Related Issues
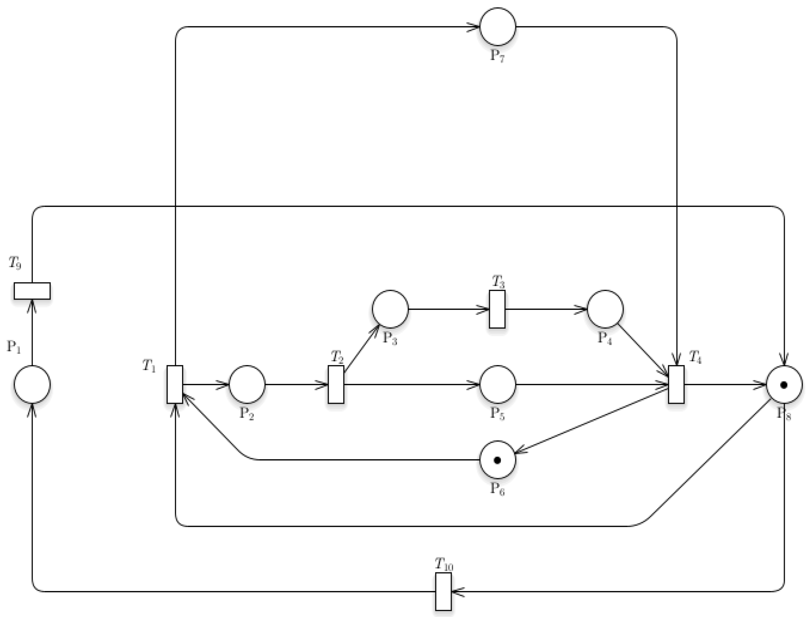
- The initial token is located at P15, which indicates that the train is ready to enter the station. Another token is located at P12 and P6, indicating that the recording of the leaving train was successful and the signal for train acceptance is ready.
- Upon firing T1, this specifies that the train is moving from one station to another. The tokens would move from their initial position to P2, P7, and P9. The following places indicate that the station is in the process of accepting a train, enabling human counting via a CCTV monitoring system, and that its arrival time is successfully recorded.
- Firing T2 indicates that the train would stop at the station to unload passengers. The token then moves to P3 and P5, opting for the train doors to open and the train to be stationary.
- For the train to reach its state for moving out of the station (T4), T3 and T5 must be fired, which specify that the train could unload its passengers and that the data for the train arrival were successfully sent to the database.
- Firing T4 moves the token to P6, P11, P8, and P13. P6 implies that the station is ready to accept another train, while P11 describes the train’s leave time recording. Subsequently, P13 shows that the sensors connected to the train are ready to record the train’s discrete data. P8, on the other hand, indicates that the train may travel to the next station or undergo repairs if necessary.
- If the train undergoes regular operation and encounters no technical problems, transition 8 should be fired. For T8 to be fired, the train’s velocity, acceleration, speed, and location should be recorded. A token at P14 would indicate the success of the process.
- If the train experiences technical issues, the train token should be moved to P16 to prompt troubleshooting of the train.
- While at this position, transitions T12 and T13 can be fired. Minor repair stations constitute T12, while major repairs constitute T13. Firing T12 instigates a resolution for minor repairs. This would lead to the train going back to regular operation.
- If significant repairs are required, T13 is to be fired. The train token moves to P18, which stipulates that the maintenance crew is doing assistance. Simultaneously, data are delivered indicating that the train is experiencing an issue, as described by P19. During this process, the station cannot accept another train since significant repairs are being performed (described in the Petri net system by an inhibitor arc).
- The tokens then move to P20, indicating that the train is receiving major repairs and is ready for final checking (T15). The train would undergo normal operations after the major repairs, prompting the whole system to repeat its processes.
3.2. Dynamics of Train Departure
3.3. Dynamics of Train Operations with Passenger Counting Model
3.4. Timestamp Data Collection Model
3.5. Train Speed and Location Model
4. Results and Discussion
Author Contributions
Funding
Institutional Review Board Statement
Informed Consent Statement
Data Availability Statement
Conflicts of Interest
References
- Prescott, D.; Remenyte, R.; Chiachio, M.; Saleh, A. An optimized asset management petri net model for railway sections. Mater. Res. Proc. 2023, 27, 285–291. [Google Scholar]
- Trivella, A.; Corman, F. Modeling system dynamics of interacting cruising trains to reduce the impact of power peaks. Expert Syst. Appl. 2023, 230, 120650. [Google Scholar] [CrossRef]
- Department of Transportation and Communications. The Supplementary Survey on North South Commuter Rail Project (Phase II-A) in the Republic of the Philippines. 2015. Available online: https://openjicareport.jica.go.jp/pdf/12245908.pdf (accessed on 9 December 2023).
- Deplomo, B.N.I.; Villaberde, J.F.; Paglinawan, A.C. Train Passengers Prediction for Railway Management System Using Regression Analysis. In Proceedings of the 2021 7th International Conference on Computer and Communications (ICCC), Chengdu, China, 10–13 December 2021; pp. 1767–1772. [Google Scholar]
- Balboa, A.; Abreu, O.; González-Villa, J.; Alvear, D. Intelligent emergency management system for railway transport. Transp. Res. Procedia 2021, 58, 193–200. [Google Scholar] [CrossRef]
- Lu, Y.; Mei, G. A Deep Learning Approach for Predicting Two-Dimensional Soil Consolidation Using Physics-Informed Neural Networks (PINN). Mathematics 2022, 10, 2949. [Google Scholar] [CrossRef]
- Cai, S.; Mao, Z.; Wang, Z.; Yin, M.; Karniadakis, G.E. Physics-informed neural networks (PINNs) for fluid mechanics: A review. Acta Mech. Sin. 2021, 37, 1727–1738. [Google Scholar] [CrossRef]
- Szymula, C.; Bešinović, N.; Nachtigall, K. Quantifying periodic railway network capacity using petri nets and macroscopic fundamental diagram. Transp. Res. Part C Emerg. Technol. 2024, 158, 104436. [Google Scholar] [CrossRef]
- Li, Y.; Tong, Y.; Demuro, M.; Giua, A. Safety-oriented Testing for High-speed Rail Onboard Equipment Using Petri Nets. In Proceedings of the Algorithms & Theories for the Analysis of Event Data and Petri Nets for Twin Transition 2023, Lisbon, Portugal, 26–27 June 2023; Volume 3424. [Google Scholar]
- Janabi, D.A.; Letia, T.S. Analysis of Applications Conceived by Object Enhanced Time Petri Nets. In Proceedings of the 2019 23rd International Conference on System Theory, Control and Computing (ICSTCC), Sinaia, Romania, 9–11 October 2019; pp. 279–286. [Google Scholar]
- Ji, Y.; Ou, D.; Zhang, L.; Tang, C.; Phichitthanaset, V. Railway emergency plan modeling based on Petri net. Smart Resilient Transp. 2021, 3, 235–248. [Google Scholar] [CrossRef]
- Enache, M.F.; Al-Janabi, D.; Letia, T.S. Railway modeling with object enhanced time Petri nets. In Proceedings of the 2018 IEEE International Conference on Automation, Quality and Testing, Robotics (AQTR), Cluj-Napoca, Romania, 24–26 May 2018; pp. 1–6. [Google Scholar] [CrossRef]
- Orlov, S.P.; Susarev, S.V.; Uchaikin, R.A. Application of Hierarchical Colored Petri Nets for Technological Facilities’ Maintenance Process Evaluation. Appl. Sci. 2021, 11, 5100. [Google Scholar] [CrossRef]
- Yu, W.; Kong, J.; Ding, Z.; Zhai, X.; Li, Z.; Guo, Q. Modeling and Analysis of ETC Control System with Colored Petri Net and Dynamic Slicing. ACM Trans. Embed. Comput. Syst. 2023, 23, 1–27. [Google Scholar] [CrossRef]
- Nasrfard, F.; Mohammadi, M.; Karimi, M. A Petri net model for optimization of inspection and preventive maintenance rates. Electr. Power Syst. Res. 2023, 216, 109003. [Google Scholar] [CrossRef]
- Zeng, Y.; Duan, R.; Feng, T.; Huang, S.; He, J. A fault diagnostic system based on Petri nets and gray relational analysis for train–ground wireless communication systems. Proc. Inst. Mech. Eng. Part O J. Risk Reliab. 2021, 235, 1102–1117. [Google Scholar] [CrossRef]
- Badmus, T.A.; Remenyte-Prescott, R.; Prescott, D. A novel fault detection and diagnostic Petri net methodology for dynamic systems. Proc. Inst. Mech. Eng. Part O J. Risk Reliab. 2023, 1748006X231212539. [Google Scholar] [CrossRef]
- Li, C.; Wei, Y.; Li, C.; Ma, B.; Wang, A. Simulation Evaluation and Analysis of Heavy-load Train Maintenance Mode Based on Petri Net. IOP Conf. Ser. Earth Environ. Sci. 2021, 676, 012132. [Google Scholar] [CrossRef]
- Melani, A.H.D.A.; Michalski, M.A.D.C.; Murad, C.A.; Caminada Netto, A.; de Souza, G.F.M. Generalized Stochastic Petri Nets for Planning and Optimizing Maintenance Logistics of Small Hydroelectric Power Plants. Energies 2022, 15, 2742. [Google Scholar] [CrossRef]
- Cunillera, A.; Bešinović, N.; Lentink, R.M.; van Oort, N.; Goverde, R.M. A Literature Review on Train Motion Model Calibration. IEEE Trans. Intell. Transp. Syst. 2023, 24, 3660–3677. [Google Scholar] [CrossRef]
- Wang, L.; Tong, Y.; Wang, X. Feasibility Verification of Train Operations Using Petri Nets. In Proceedings of the 2020 Chinese Control and Decision Conference (CCDC), Hefei, China, 22–24 August 2020; pp. 1–6. [Google Scholar] [CrossRef]
- Kučera, E.; Haffner, O.; Drahoš, P.; Leskovský, R.; Cigánek, J. PetriNet Editor + PetriNet Engine: New Software Tool for Modelling and Control of Discrete Event Systems Using Petri Nets and Code Generation. Appl. Sci. 2020, 10, 7662. [Google Scholar] [CrossRef]
- Chay, Z.E.; Goh, B.F.; Ling, M.H. PNet: A Python Library for Petri Net Modeling and Simulation. arXiv 2023, arXiv:2302.12054. [Google Scholar]
- Liu, S.; Tong, Y.; Seatzu, C.; Giua, A. PetriBaR: A MATLAB Toolbox for Petri Nets Implementing Basis Reachability Approaches. IFAC PapersOnLine 2018, 51, 316–322. [Google Scholar] [CrossRef]
- Paolieri, M.; Biagi, M.; Carnevali, L.; Vicario, E. The ORIS Tool: Quantitative Evaluation of Non-Markovian Systems. IEEE Trans. Softw. Eng. 2019, 47, 1211–1225. [Google Scholar] [CrossRef]
- Zhang, X.; Liu, Z. Modeling and Verification of Radio Broadcast Communication Scenario for CTCS-3 High-Speed Railway Circuity System. In Proceedings of the International Conference on Electrical and Information Technologies for Rail Transportation, Singapore, 22–24 October 2021; pp. 280–290. [Google Scholar]
- Zroug, S.; Kahloul, L.; Tigane, S.; Hamani, N.; Benharzallah, S. A new formal approach for performance evaluation of green MAC protocol in energy harvesting WSNs. Telecommun. Syst. 2023, 84, 53–67. [Google Scholar] [CrossRef]
- Leblebici, A.S. Petri Net Modeling and Controller Design of Unistar CSV24 Point Machine. Demiryolu Mühendisliği 2023, 17, 211–222. [Google Scholar] [CrossRef]
- Jyotish, N.K.; Singh, L.K.; Kumar, C. A state-of-the-art review on performance measurement petri net models for safety critical systems of NPP. Ann. Nucl. Energy 2022, 165, 108635. [Google Scholar] [CrossRef]
- Schmidt, M.; Weik, N.; Zieger, S.; Schmeink, A.; Niesen, N. A Generalized Stochastic Petri Net Model for Performance Analysis of Trackside Infrastructure in Railway Station Areas under Uncertainty. In Proceedings of the 2019 IEEE Intelligent Transportation Systems Conference—ITSC, Auckland, New Zealand, 27–30 October 2019; pp. 3732–3737. [Google Scholar] [CrossRef]
- Gómez-Martínez, E.; Rodríguez, R.J.; Benac-Earle, C.; Etxeberria, L.; Illarramendi, M. A methodology for model-based verification of safety contracts and performance requirements. Proc. Inst. Mech. Eng. Part O J. Risk Reliab. 2018, 232, 227–247. [Google Scholar] [CrossRef]













| Place Name | P/T | Meaning |
|---|---|---|
| Park | P1 | The train is parked/waiting for the signal from the station/train ahead if it is occupied. |
| MovingIn | P2 | While this is enabled, a station is currently letting in a train. The specific station is dependent on where it is located. |
| Unloading | P3 | While this is enabled, the station is letting the train unload its passengers. |
| Loading | P4 | While this is enabled, the station is letting the train load its passengers. |
| Stationary | P5 | While this is enabled, the train within that station is not moving. |
| Signal | P6 | While this is enabled, the station is ready to accept new trains within itself. |
| HumanCounting | P7 | While this is enabled, the station is recording the amount of people within itself. |
| MovingOut | P8 | While this is enabled, the train is mobile and can have two possibilities during travel issue or no issues. |
| RecordArrivalTime | P9 | While this is enabled, the station is recording the time the train has arrived. |
| ArrivalRecorded | P10 | While this is enabled, the train’s arrival has been successfully recorded. |
| RecordLeave-Time | P11 | While this is enabled, the station has recorded the last train’s leave time and is thus ready to accept the next train. |
| LeaveRecorded | P12 | While this is enabled, the train’s departure has been successfully recorded. |
| RecordArdData | P13 | While this is enabled, the Arduino within the train is reading the speed, location, angular velocity, and acceleration of the train it is on. |
| ArdDataSuccess | P14 | While this is enabled, the Arduino data have been successfully recorded. |
| Arrival | P15 | While this is enabled, the train is ready to enter the station. |
| Troubleshoot | P16 | While this is enabled, the system is currently troubleshooting the train’s issues with the help of the crew. |
| Resolved | P17 | While this is enabled, the train has resolved the issues it has faced. |
| Assistance | P18 | While this is enabled, the train is receiving help to get itself out of the railway to receive maintenance. |
| ExperiencingIssue | P19 | While this is enabled, the train has encountered an issue and is thus trying to troubleshoot itself. |
| Maintained | P20 | While this is enabled, the train has finished receiving maintenance. |
| Ready | T1 | While this is enabled, the train is ready to move. |
| Stop | T2 | The train goes from moving train to stop status. |
| Wait | T3 | The train unloads the passengers. |
| Ready or Ready Out | T4 | After the train loads the passengers, the train is ready to move. |
| SendArrivalToDatabase | T5 | Send the sensors data to the database once the train has arrived. |
| SendLeaveToDatabase | T6 | Send the sensors data to the database once the train has departed. |
| SendArdToDatabase | T7 | Once the Arduino data have been recorded, they are sent to the database. |
| JourneyEnd | T8 | This transition fires when the train’s journey has been safe and has ended with no issues. |
| Send to Parking | T9 | Send the train to the parking area. |
| Send out to Parking | T10 | Send the train out of the parking area. |
| Send to Repair Station | T11 | Send the train to the repair station for troubleshooting. |
| Send to Minor Repair Station | T12 | Send the train to the minor repair station if the issue is non-fatal. |
| Send to Major Repair Station | T13 | Send the train to the major repair station if the issue is fatal. |
| Send out of Repair Station | T14 | Send the train out of the repair station if the issue is addressed. |
| Send to Final Checking | T15 | Send the train to final checking if assistance to major issue is addressed. |
| JourneyEnd | T16 | This transition fires when the train’s journey has been safe and has ended with no issues. |
| Model Number | Model Scenario | Reachability Status |
|---|---|---|
| Model 1 Model 2 | Train Departure Train Operations with Passenger Counting | Reachable Reachable |
| Model 3 Model 4 Model 5 | Timestamp Data Collection Train Speed and Location Train Related-Issues | Reachable Reachable Reachable |
Disclaimer/Publisher’s Note: The statements, opinions and data contained in all publications are solely those of the individual author(s) and contributor(s) and not of MDPI and/or the editor(s). MDPI and/or the editor(s) disclaim responsibility for any injury to people or property resulting from any ideas, methods, instructions or products referred to in the content. |
© 2024 by the authors. Licensee MDPI, Basel, Switzerland. This article is an open access article distributed under the terms and conditions of the Creative Commons Attribution (CC BY) license (https://creativecommons.org/licenses/by/4.0/).
Share and Cite
Deplomo, B.N.I.; Villaverde, J.F.; Paglinawan, A.C. Dynamic Simulation and Modeling of a Novel NeuRaiSya for Railway Monitoring System Using Petri Nets. Sensors 2024, 24, 4095. https://doi.org/10.3390/s24134095
Deplomo BNI, Villaverde JF, Paglinawan AC. Dynamic Simulation and Modeling of a Novel NeuRaiSya for Railway Monitoring System Using Petri Nets. Sensors. 2024; 24(13):4095. https://doi.org/10.3390/s24134095
Chicago/Turabian StyleDeplomo, Bhai Nhuraisha I., Jocelyn F. Villaverde, and Arnold C. Paglinawan. 2024. "Dynamic Simulation and Modeling of a Novel NeuRaiSya for Railway Monitoring System Using Petri Nets" Sensors 24, no. 13: 4095. https://doi.org/10.3390/s24134095
APA StyleDeplomo, B. N. I., Villaverde, J. F., & Paglinawan, A. C. (2024). Dynamic Simulation and Modeling of a Novel NeuRaiSya for Railway Monitoring System Using Petri Nets. Sensors, 24(13), 4095. https://doi.org/10.3390/s24134095
