An Online Monitoring Method for Low-Frequency Dielectric Loss Angle of Mining Cables
Abstract
1. Introduction
- (1)
- Under the industrial frequency conditions, the value of the dielectric loss angle tan δ when the cable insulation is normal is particularly small, even if the insulation level of the cable decreases, the change of tan δ value remains small, and it is difficult to characterize the change of tan δ in the cable insulation level. Solving the problem of low sensitivity of the cable dielectric loss angle tangent value to the insulation level change under the industrial frequency condition is the key to online monitoring of the dielectric loss angle.
- (2)
- Due to the existence of core resistance and residual inductance in the cable, when the load current flows into the load equipment at the end of the cable, there will also be part of the voltage on the core resistance and residual inductance, resulting in a large voltage difference between the first and last ends of the cable, and the voltage difference will change with the change in the cable load current. Therefore, when the voltage to ground at different locations on the cable is selected as the reference phase for online monitoring of the cable dielectric loss angle, the monitoring results are often different.
2. Methods and Principles
2.1. Signal Injection Method
2.2. Feasibility Analysis of Low Frequency Signal Injection Method
2.3. Double-End Synchronous Measurement Method
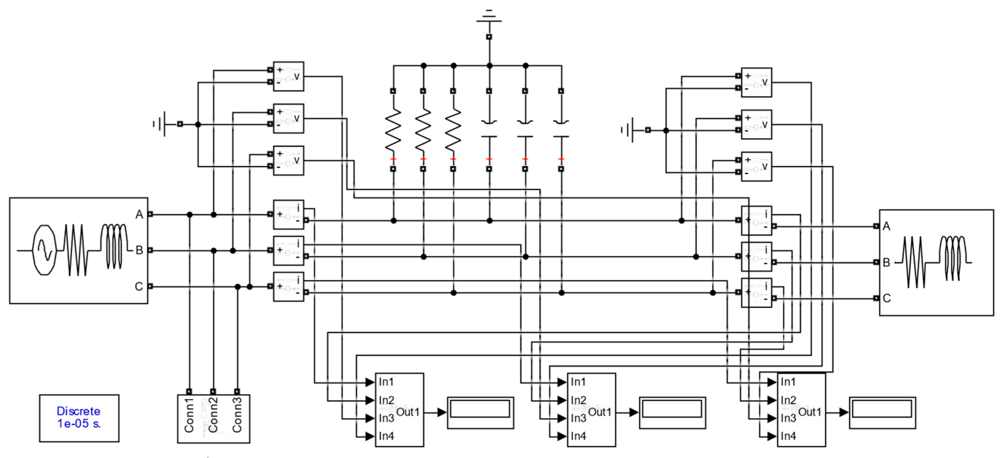
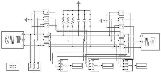
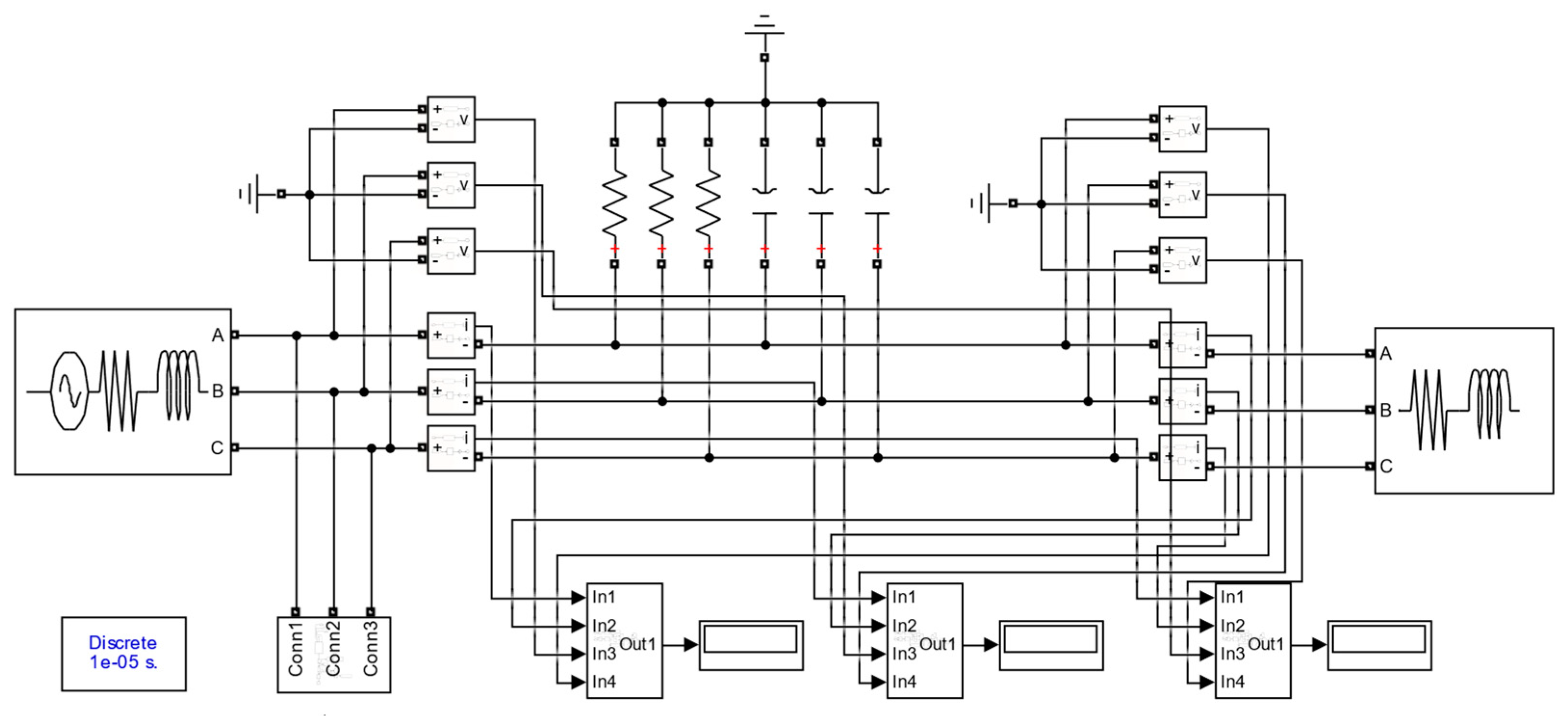
3. Simulation Analysis
3.1. Simulation Model Building
3.2. Dielectric Loss Angle Simulation under Different Aging Conditions
- (1)
- Set the equivalent insulation resistance of cable phase A to 100 MΩ and the equivalent distributed capacitance to 340 nF to characterize the slight aging of the insulation of cable phase A.
- (2)
- Set the equivalent insulation resistance of phase B of the cable to 50 MΩ and the equivalent distributed capacitance to 360 nF to characterize the moderate aging of the insulation of phase B of the cable.
- (3)
- Set the equivalent insulation resistance of the phase C of the cable to 10 MΩ and the equivalent distributed capacitance to 380 nF to characterize the severe aging of the C phase insulation of the cable.
- (4)
- Set the equivalent insulation resistance of phase A of the cable to 1 MΩ and the equivalent distributed capacitance to 400 nF to characterize the insulation failure of phase A of the cable.
- (5)
- Set the equivalent insulation resistance of phase A to 30 MΩ and the equivalent distributed capacitance to 370 nF, set the equivalent insulation resistance of phase B to 5 MΩ and the equivalent distributed capacitance to 390 nF and set phase C to the normal value of the cable insulation to characterize the simultaneous failure of the cable insulation of phases A and B.
- (6)
- Set the equivalent insulation resistance of phase A to 20 MΩ and the equivalent distributed capacitance to 375 nF, set the equivalent insulation resistance of phase B to 10 MΩ and the equivalent distributed capacitance to 380 nF and set the equivalent insulation resistance of phase C to 1 MΩ and the equivalent distributed capacitance to 400 nF to characterize the simultaneous failure of the cable insulation of phases A, B and C.
3.3. Dielectric Loss Angle Simulation under Water Tree Aging
4. Error Analysis
4.1. Effect of Grid Harmonics
4.2. Effect of Frequency Fluctuations of the Injected Signal
5. Conclusions
- (1)
- Through the cable tan δ values under different aging conditions, it can be found that the proposed method in this paper can accurately reflect the insulation level of the cable. When the aging phenomenon occurs in the cable insulation, the dielectric loss angle tan δ of the aging phase will change with the aging degree, and the deeper the aging degree, the larger the tan δ value.
- (2)
- When using the double-end synchronous measurement method for tan δ calculation, the sum of the voltage phasors at the first and last ends is selected as the reference phase, the tan δ value is not affected by the load current, and the calculation is more accurate.
- (3)
- By building the cable water tree aging model and simulating the dielectric loss angle tan δ values under different lengths of water trees, the dielectric loss angle of the aging phase where water tree aging occurs increases with the increase in the water tree length, and there is almost no change in the non-aging phase.
- (4)
- Grid harmonics do not affect the measurement of tan δ value. When the frequency of the injected signal fluctuates in the range of 9.5~10.5 Hz, the relative error of tan δ measurement does not exceed 0.25%, which has less influence on the monitoring of cable insulation tan δ value.
Author Contributions
Funding
Institutional Review Board Statement
Informed Consent Statement
Data Availability Statement
Conflicts of Interest
References
- Fu, W.; Xu, Y.; Gao, Y. A Study on Insulation Monitoring Technology of High-Voltage Cables in Underground Coal Mines Based on Decision Tree. Comput. Intel. Neurosci. 2022, 2022, 2247017. [Google Scholar] [CrossRef] [PubMed]
- Feng, C.; Yang, M.; Zeng, X.; Chen, P. Mine Cable Insulation Double-End Synchronous Monitoring with 5G Transmission Technology. In Proceedings of the 2020 IEEE 3rd Student Conference on Electrical Machines and Systems (SCEMS), Jinan, China, 4–6 December 2020; pp. 1025–1030. [Google Scholar]
- Gu, Y.; Li, W.; He, X. Analysis and Control of Bipolar LVDC Grid with DC Symmetrical Component Method. IEEE Trans. Power Syst. 2016, 31, 685–694. [Google Scholar] [CrossRef]
- Wang, S.; Li, H.; Liu, Q.; Huang, Q.; Liu, Y. Design of a DC Residual Current Sensor Based on the Improved DC Component Method. In Proceedings of the 2020 IEEE Power & Energy Society General Meeting (PESGM), Montreal, QC, Canada, 2–6 August 2020; IEEE: New York, NY, USA, 2020. [Google Scholar]
- Wu, Y.; Zhang, P. A Novel Online Monitoring Scheme for Underground Power Cable Insulation Based on Common-Mode Leakage Current Measurement. IEEE Trans. Ind. Electron. 2022, 69, 13586–13596. [Google Scholar] [CrossRef]
- Wu, Y.; Yang, Y.; Lin, Q.; Zhang, Q.; Zhang, P. Online Monitoring for Underground Power Cable Insulation Based on Resonance Frequency Analysis Under Chirp Signal Injection. IEEE Trans. Ind. Electron. 2023, 70, 1961–1972. [Google Scholar] [CrossRef]
- Wu, Y.; Yang, Y.; Wang, Z.; Zhang, P. Online Monitoring for Underground Power Cable Insulation Based on Common-Mode Signal Injection. IEEE Trans. Ind. Electron. 2022, 69, 7360–7371. [Google Scholar] [CrossRef]
- Zhu, B.; Yu, X.; Tian, L.; Wei, X. Insulation Monitoring and Diagnosis of Faults in Cross-Bonded Cables Based on the Resistive Current and Sheath Current. IEEE Access 2022, 10, 46057–46066. [Google Scholar] [CrossRef]
- Zhang, H.; Duan, Y.; Su, J.; Li, S.; Hu, X.; Yao, J. Development and Application of XLPE High Voltage Cable Grounding Circulation Online Monitoring System. In Proceedings of the 2nd International Conference on Frontiers of Materials Synthesis and Processing (FMSP), Sanya, China, 10–11 November 2019; IOP: Bristol, UK, 2019; Volume 493. [Google Scholar]
- Catterson, V.M.; Bahadoorsingh, S.; Rudd, S.; McArthur, S.D.J.; Rowland, S.M. Identifying Harmonic Attributes from Online Partial Discharge Data. IEEE Trans. Power Deliv. 2011, 26, 1811–1819. [Google Scholar] [CrossRef]
- Wu, R.; Chang, C. The Use of Partial Discharges as an Online Monitoring System for Underground Cable Joints. IEEE Trans. Power Deliv. 2011, 26, 1585–1591. [Google Scholar] [CrossRef]
- Zheng, D.; Lu, G.; Zhang, P. An Improved Online Stator Insulation Monitoring Method Based on Common-Mode Impedance Spectrum Considering the Effect of Aging Position. IEEE Trans. Ind. Appl. 2022, 58, 3558–3566. [Google Scholar] [CrossRef]
- Renforth, L.A.; Giussani, R.; Mendiola, M.T.; Dodd, L. Online Partial Discharge Insulation Condition Monitoring of Complete High-Voltage Networks. IEEE Trans. Ind. Appl. 2019, 55, 1021–1029. [Google Scholar] [CrossRef]
- Pan, W.; Zhao, K.; Xie, C.; Li, X.; Chen, J.; Hu, L. Distributed Online Monitoring Method and Application of Cable Partial Discharge Based on phi-OTDR. IEEE Access 2019, 7, 144444–144450. [Google Scholar] [CrossRef]
- IEEE Draft Guide for Field Testing of Shielded Power Cable Systems Using Very Low Frequency (VLF) (Less Than 1 Hz). IEEE P400.2/D12 January 2012. 11 April 2012, pp. 1–55. Available online: https://ieeexplore.ieee.org/document/6182570 (accessed on 24 April 2023).
- Pang, B.; Zhu, B.; Wei, X.; Wang, S.; Li, R. On-line Monitoring Method for Long Distance Power Cable Insulation. IEEE Trans. Dielectr. Electr. Insul. 2016, 23, 70–76. [Google Scholar] [CrossRef]
- Yang, Y.; Hepburn, D.M.; Zhou, C.; Jiang, W.; Yang, B.; Zhou, W. On-line Monitoring and Trending of Dielectric Loss in a Cross-bonded HV Cable System. In Proceedings of the 2015 IEEE 11th International Conference on the Properties and Applications of Dielectric Materials (ICPADM), Sydney, NSW, Australia, 19–22 July 2015; pp. 301–304. [Google Scholar]
- Zhu, G.; Zhou, K.; Lu, L.; Li, Y.; Xi, H.; Zeng, Q. Online Monitoring of Power Cables Tangent Delta Based on Low-Frequency Signal Injection Method. IEEE Trans. Instrum. Meas. 2021, 70, 1–8. [Google Scholar] [CrossRef]
- IEC60038:2009; IEC Standard Voltages. IEC: Geneva, Switzerland.
- Hameed, S.K.M.; Joseph, J.; Sindhu, T.K. Detection of Location and size of Water Tree in XLPE Cables by Frequency Response Analysis: A Simulation Study. In Proceedings of the 2016 IEEE Region 10 Conference (TENCON), IEEE Region 10 Conference (TENCON), Singapore, 22–25 November 2016; pp. 622–626. [Google Scholar]













| Load Resistance/Ω | tan δ1/% | tan δ2/% | tan δ3/% |
|---|---|---|---|
| 10 | 0.45872 | 0.38267 | 0.01463 |
| 50 | 0.14726 | 0.08669 | 0.01463 |
| 100 | 0.09285 | 0.03745 | 0.01463 |
| 200 | 0.05808 | 0.01896 | 0.01463 |
| 300 | 0.03651 | 0.00982 | 0.01463 |
| Measurement Phase | tan δA/% | tan δB/% | tan δC/% |
|---|---|---|---|
| Normal insulation | 0.01463 | 0.01463 | 0.01463 |
| Slight aging of phase A | 0.04679 | 0.01463 | 0.01463 |
| Moderate aging of phase B | 0.01463 | 0.08838 | 0.01463 |
| Severe aging of phase C | 0.01463 | 0.01463 | 0.4186 |
| Insulation fault of phase A | 3.9769 | 0.01463 | 0.01463 |
| AB two-phase insulation fault | 0.1433 | 0.8158 | 0.01463 |
| ABC three-phase insulation fault | 0.2121 | 0.4186 | 3.9769 |
| Length/μm | Rwt/MΩ | Cwt/fF | R1/Ω | C1/pF | R2/Ω | C2/pF |
|---|---|---|---|---|---|---|
| 100 | 0.48 | 0.11 | 8.14 × 109 | 2.50 | 3.58 × 1010 | 202.50 |
| 200 | 0.24 | 0.24 | 4.07 × 109 | 5.00 | 1.79 × 1010 | 405.00 |
| 300 | 0.16 | 0.37 | 2.72 × 109 | 7.50 | 1.19 × 1010 | 607.50 |
| 400 | 0.12 | 0.44 | 2.14 × 109 | 9.51 | 0.94 × 1010 | 810.00 |
| 500 | 0.10 | 0.55 | 1.63 × 109 | 12.49 | 0.72 × 1010 | 1012.50 |
Disclaimer/Publisher’s Note: The statements, opinions and data contained in all publications are solely those of the individual author(s) and contributor(s) and not of MDPI and/or the editor(s). MDPI and/or the editor(s) disclaim responsibility for any injury to people or property resulting from any ideas, methods, instructions or products referred to in the content. |
© 2023 by the authors. Licensee MDPI, Basel, Switzerland. This article is an open access article distributed under the terms and conditions of the Creative Commons Attribution (CC BY) license (https://creativecommons.org/licenses/by/4.0/).
Share and Cite
Wang, Y.; Chen, P.; Feng, C.; Cao, J. An Online Monitoring Method for Low-Frequency Dielectric Loss Angle of Mining Cables. Sensors 2023, 23, 4273. https://doi.org/10.3390/s23094273
Wang Y, Chen P, Feng C, Cao J. An Online Monitoring Method for Low-Frequency Dielectric Loss Angle of Mining Cables. Sensors. 2023; 23(9):4273. https://doi.org/10.3390/s23094273
Chicago/Turabian StyleWang, Yanwen, Peng Chen, Chen Feng, and Jiyuan Cao. 2023. "An Online Monitoring Method for Low-Frequency Dielectric Loss Angle of Mining Cables" Sensors 23, no. 9: 4273. https://doi.org/10.3390/s23094273
APA StyleWang, Y., Chen, P., Feng, C., & Cao, J. (2023). An Online Monitoring Method for Low-Frequency Dielectric Loss Angle of Mining Cables. Sensors, 23(9), 4273. https://doi.org/10.3390/s23094273

