Automation and Optimization of Rat Heart Decellularization Using a Vibrating Fluid Column
Abstract
1. Introduction
2. Automated Decellularization through Software Optimization
2.1. Experimental System
2.1.1. Hardware Implementation
- The Raspberry Pi power supply;
- A 64 GB micro-SD card used not only for the operating system but also for image storage;
- A monitor (Figure 1. 1);
- An HDMI-DVI cable used to connect the monitor to the Raspberry Pi board;
- A keyboard;
- A mouse.
2.1.2. Software Implementation
2.2. Experimental Results
2.2.1. Monitoring System
2.2.2. Spectrophotometric Test
3. Experimental Pressure-Controlled Device with a Vibrating Fluid Column
3.1. Experimental Setup
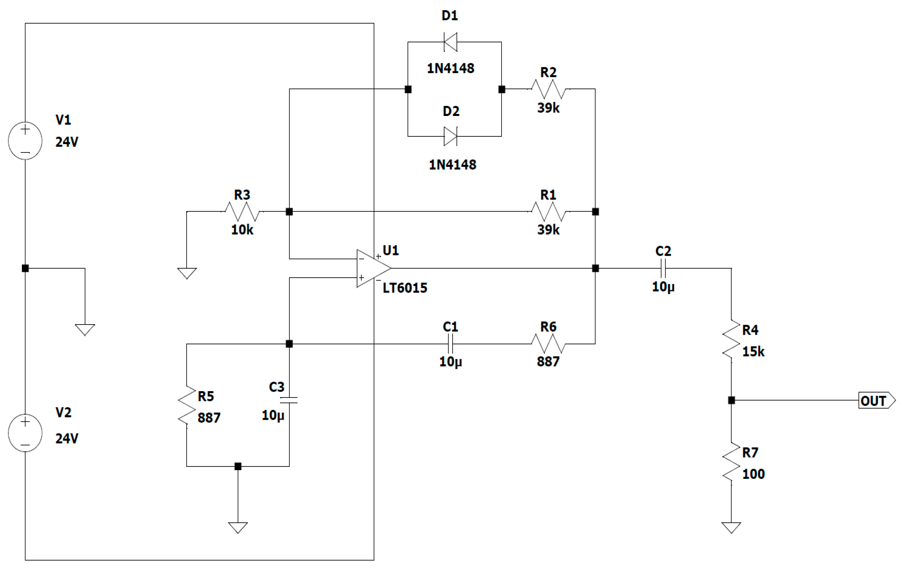
3.1.1. System Components
- The maximum forward voltage for the bridge rectifier is
- At a frequency of f = 50 Hz,and produces a voltage drop of 3 A, such that VL ≈ 0.44 V.
- The ripple voltage that occurs when discharging the electrolytic capacitor is
3.1.2. Experimental Protocol
3.2. Experimental Results
3.2.1. Monitoring System
- Lot A (n = 3 hearts), which used an experimental device with a vibrating fluid column to superimpose an oscillating hydrostatic pressure with a frequency of 18 Hz over the perfusion pressure;
- Lot B (n = 3 hearts), which served as the control group for the validation of the experimental results. Herein, the vibrating fluid column is off/not powered.
3.2.2. Spectrophotometric Test
4. Conclusions
Author Contributions
Funding
Institutional Review Board Statement
Informed Consent Statement
Data Availability Statement
Acknowledgments
Conflicts of Interest
References
- Kneser, U.; Schaefer, D.J.; Polykandriotis, E.; Horch, R.E. Tissue Engineering of Bone: The Reconstructive Surgeon’s Point of View. J. Cell. Mol. Med. 2006, 10, 7–19. [Google Scholar] [CrossRef]
- Lanza, R.; Langer, R.; Vacanti, J.P.; Atala, A. (Eds.) Principles of Tissue Engineering; Academic Press: Cambridge, MA, USA, 2020. [Google Scholar]
- Ott, H.C.; Matthiesen, T.S.; Goh, S.-K.; Black, L.D.; Kren, S.M.; Netoff, T.I.; Taylor, D.A. Perfusion-Decellularized Matrix: Using Nature’s Platform to Engineer a Bioartificial Heart. Nat. Med. 2008, 14, 213–221. [Google Scholar] [CrossRef]
- Gilbert, T.W.; Sellaro, T.L.; Badylak, S.F. Decellularization of Tissues and Organs. Biomaterials 2006, S0142961206001682. [Google Scholar] [CrossRef]
- Barnes, C.A.; Brison, J.; Michel, R.; Brown, B.N.; Castner, D.G.; Badylak, S.F.; Ratner, B.D. The Surface Molecular Functionality of Decellularized Extracellular Matrices. Biomaterials 2011, 32, 137–143. [Google Scholar] [CrossRef]
- Badylak, S.F.; Freytes, D.O.; Gilbert, T.W. Extracellular Matrix as a Biological Scaffold Material: Structure and Function. Acta Biomater. 2009, 5, 1–13. [Google Scholar] [CrossRef]
- Reing, J.; Brown, B.N.; Daly, K.A.; Freund, J.M.; Gilbert, T.; Hsiong, S.X.; Huber, A.; Kullas, K.E.; Tottey, S.; Wolf, M.T.; et al. The Effects of Processing Methods upon Mechanical and Biologic Properties of Porcine Dermal Extracellular Matrix Scaffolds. Biomaterials 2010, 31, 8626–8633. [Google Scholar] [CrossRef]
- Fitzpatrick, J.C.; Clark, P.M.; Capaldi, F.M. Effect of Decellularization Protocol on the Mechanical Behavior of Porcine Descending Aorta. Int. J. Biomater. 2010, 2010, 620503. [Google Scholar] [CrossRef]
- Brown, B.N.; Barnes, C.A.; Kasick, R.T.; Michel, R.; Gilbert, T.; Beer-Stolz, D.; Castner, D.G.; Ratner, B.D.; Badylak, S.F. Surface Characterization of Extracellular Matrix Scaffolds. Biomaterials 2010, 31, 428–437. [Google Scholar] [CrossRef]
- Rosso, F.; Giordano, A.; Barbarisi, M.; Barbarisi, A. From Cell-ECM Interactions to Tissue Engineering. J. Cell. Physiol. 2004, 199, 174–180. [Google Scholar] [CrossRef]
- Jirik, M.; Gruber, I.; Moulisova, V.; Schindler, C.; Cervenkova, L.; Palek, R.; Rosendorf, J.; Arlt, J.; Bolek, L.; Dejmek, J.; et al. Semantic Segmentation of Intralobular and Extralobular Tissue from Liver Scaffold H&E Images. Sensors 2020, 20, 7063. [Google Scholar] [CrossRef]
- Robinson, K.A.; Li, J.; Mathison, M.; Redkar, A.; Cui, J.; Chronos, N.A.; Matheny, R.G.; Badylak, S.F. Extracellular Matrix Scaffold for Cardiac Repair. Circulation 2005, 112, I-135–I-143. [Google Scholar] [CrossRef]
- Meyer, S.R.; Chiu, B.; Churchill, T.A.; Zhu, L.; Lakey, J.R.; Ross, D.B. Comparison of Aortic Valve Allograft Decellularization Techniques in the Rat. J. Biomed. Mater. Res. Part A 2006, 79A, 254–262. [Google Scholar] [CrossRef]
- Lu, H.; Hoshiba, T.; Kawazoe, N.; Chen, G. Comparison of Decellularization Techniques for Preparation of Extracellular Matrix Scaffolds Derived from Three-Dimensional Cell Culture. J. Biomed. Mater. Res. Part A 2012, 100, 2507–2516. [Google Scholar] [CrossRef]
- Aamodt, J.M.; Grainger, D.W. Extracellular Matrix-Based Biomaterial Scaffolds and the Host Response. Biomaterials 2016, 86, 68–82. [Google Scholar] [CrossRef]
- Young, B.M.; Antczak, L.-A.M.; Shankar, K.; Heise, R.L. A Two-Step Bioreactor for Decellularized Lung Epithelialization. Cells Tissues Organs 2021, 210, 301–310. [Google Scholar] [CrossRef]
- Harvard Apparatus, HPC-3, Hydrostatic Perfusion Chamber for Organ and Tissue Decellularization. Available online: http://www.harvardapparatus.com/media/harvard/pdf/RM1_54.pdf (accessed on 14 August 2022).
- Ott, H.C.; Clippinger, B.; Conrad, C.; Schuetz, C.; Pomerantseva, I.; Ikonomou, L.; Kotton, D.; Vacanti, J.P. Regeneration and Orthotopic Transplantation of a Bioartificial Lung. Nat. Med. 2010, 16, 927–933. [Google Scholar] [CrossRef]
- Poornejad, N.; Momtahan, N.; Salehi, A.S.M.; Scott, D.R.; A Fronk, C.; Roeder, B.L.; Reynolds, P.R.; Bundy, B.C.; Cook, A.D. Corrigendum: Efficient decellularization of whole porcine kidneys improves reseeded cell behavior (2016 Biomed. Mater. 11 025003). Biomed. Mater. 2018, 13, 069501. [Google Scholar] [CrossRef]
- Guyette, J.P.; Gilpin, S.E.; Charest, J.M.; Tapias, L.F.; Ren, X.; Ott, H.C. Perfusion Decellularization of Whole Organs. Nat. Protoc. 2014, 9, 1451–1468. [Google Scholar] [CrossRef]
- Azhim, A.; Takahashi, T.; Muramatsu, K.; Morimoto, Y.; Tanaka, M. Decellularization of Meniscal Tissue Using Ultrasound Chemical Process for Tissue-Engineered Scaffold Applications. In Proceedings of the 6th World Congress of Biomechanics (WCB 2010), Singapore, 1–6 August 2010; Lim, C.T., Goh, J.C.H., Eds.; Springer: Berlin/Heidelberg, Germany, 2010; Volume 31, pp. 915–918. [Google Scholar] [CrossRef]
- Azhim, A.; Ono, T.; Fukui, Y.; Morimoto, Y.; Furukawa, K.; Ushida, T. Preparation of decellularized meniscal scaffolds using sonication treatment for tissue engineering. In Proceedings of the 2013 35th Annual International Conference of the IEEE Engineering in Medicine and Biology Society (EMBC), Osaka, Japan, 3–7 July 2013; pp. 6953–6956. [Google Scholar] [CrossRef]
- Azhim, A.; Syazwani, N.; Morimoto, Y.; Furukawa, K.; Ushida, T. The Use of Sonication Treatment to Decellularize Aortic Tissues for Preparation of Bioscaffolds. J. Biomater. Appl. 2014, 29, 130–141. [Google Scholar] [CrossRef]
- Hazwani, A.; Sha’Ban, M.; Azhim, A. Structural Integrity of Aortic Scaffolds Decellularized by Sonication Decellularization System. In Proceedings of the 2018 IEEE-EMBS Conference on Biomedical Engineering and Sciences (IECBES), Sarawak, Malaysia, 3–6 December 2018; pp. 352–355. [Google Scholar] [CrossRef]
- Mason, T.J. Sonochemistry and Sonoprocessing: The Link, the Trends and (Probably) the Future. Ultrason. Sonochem. 2003, 10, 175–179. [Google Scholar] [CrossRef]
- Barbulescu, G.I.; Bojin, F.M.; Ordodi, V.L.; Goje, I.D.; Barbulescu, A.S.; Paunescu, V. Decellularized Extracellular Matrix Scaffolds for Cardiovascular Tissue Engineering: Current Techniques and Challenges. Int. J. Mol. Sci. 2022, 23, 13040. [Google Scholar] [CrossRef]
- Barbulescu, G.I.; Buica, T.P.; Goje, I.D.; Bojin, F.M.; Ordodi, V.L.; Olteanu, G.E.; Heredea, R.E.; Paunescu, V. Optimization of Complete Rat Heart Decellularization Using Artificial Neural Networks. Micromachines 2022, 13, 79. [Google Scholar] [CrossRef]
- Barbulescu, G.I.; Bojin, F.M.; Ordodi, V.L.; Goje, I.D.; Buica, T.P.; Gavriliuc, O.I.; Baderca, F.; Hoinoiu, T.; Paunescu, V. Innovative Biotechnology for Generation of Cardiac Tissue. Appl. Sci. 2021, 11, 5603. [Google Scholar] [CrossRef]
- Bonciog, D.D.; Ordodi, V.L.; Lascu, M.R.; Mâțiu-Iovan, L.; Ciobanu, D.C. Software Validation for Automatic Heart Decellularization. In Proceedings of the 2021 16th International Conference on Engineering of Modern Electric Systems (EMES), Oradea, Romania, 10–11 June 2021; pp. 1–4. [Google Scholar] [CrossRef]
- Bonciog, D.D.; Ordodi, V.L.; Lascu, M.R.; Matiu-Iovan, L.; Ciobanu, D.C. Software Optimization used to Automate Decellularization. In Proceedings of the 2022 International Symposium on Electronics and Telecommunications (ISETC), Timisoara, Romania, 10–11 November 2022; pp. 1–5. [Google Scholar] [CrossRef]
- Bonciog, D.; Mâțiu-Iovan, L.I.L.I.A.N.A.; Bărbulescu, G.; Burian, C.; Goje, D.; Buică, P.; Păunescu, V.; Ordodi, V. Modified Langendoff Device for Rat Heart Decellularization; Fiziologia-Physiology: Timișoara, Romania, 2019; Volume 2, pp. 17–20. [Google Scholar]
- Balon, B.; Simic, M. Using Raspberry Pi Computers in Education. In Proceedings of the 2019 42nd International Convention on Information and Communication Technology, Electronics and Microelectronics (MIPRO), Opatija, Croatia, 20–24 May 2019; pp. 671–676. [Google Scholar] [CrossRef]
- Mayerhöfer, T.G.; Pipa, A.V.; Popp, J. Beer’s Law-Why Integrated Absorbance Depends Linearly on Concentration. ChemPhysChem 2019, 20, 2748–2753. [Google Scholar] [CrossRef]
- Gadagkar, S.R.; Call, G.B. Computational Tools for Fitting the Hill Equation to Dose–Response Curves. J. Pharmacol. Toxicol. Methods 2015, 71, 68–76. [Google Scholar] [CrossRef]
- Maghsoudlou, P.; Georgiades, F.; Smith, H.; Milan, A.; Shangaris, P.; Urbani, L.; Loukogeorgakis, S.P.; Lombardi, B.; Mazza, G.; Hagen, C.; et al. Optimization of Liver Decellularization Maintains Extracellular Matrix Micro-Architecture and Composition Predisposing to Effective Cell Seeding. PLoS ONE 2016, 11, e0155324. [Google Scholar] [CrossRef]
- Hashimoto, Y.; Funamoto, S.; Sasaki, S.; Honda, T.; Hattori, S.; Nam, K.; Kimura, T.; Mochizuki, M.; Fujisato, T.; Kobayashi, H.; et al. Preparation and Characterization of Decellularized Cornea Using High-Hydrostatic Pressurization for Corneal Tissue Engineering. Biomaterials 2010, 31, 3941–3948. [Google Scholar] [CrossRef]
- Alexandru, B.C. Teză de Doctorat; UMF “V. Babeș” Timișoara: Timișoara, Romania, 2017. [Google Scholar]
- Hood, J.L.L. 80–100 WATT MOSFET AUDIO AMPLIFIER. Wirel. World 1982, 88, 40–42. [Google Scholar]
- Bishop, G. Power Amplifiers. In Audio Circuits and Projects; Springer: Berlin/Heidelberg, Germany, 1985; pp. 61–97. [Google Scholar]
- Kalyani, V.; Surana, S.; Syed, S. Design and Simulation of VFOA Based Wein Bridge Oscillator Using NI Multisim and Ultiboard and Their Applications. Available online: https://www.researchgate.net/profile/Vijay-Kalyani/publication/281555629_Design_and_Simulation_of_VFOA_Based_Wein_Bridge_Oscillator_Using_NI_Multisim_and_Ultiboard_and_their_Applications/links/55ed9aa608ae3e1218482081/Design-and-Simulation-of-VFOA-Based-Wein-Bridge-Oscillator-Using-NI-Multisim-and-Ultiboard-and-their-Applications.pdf (accessed on 14 August 2022).
- Keskin, A. Wien Bridge oscillator performances using current and voltage feedback amplifiers. In Proceedings of the IJCI Proceedings of International Conference on Signal Processing, Çanakkale, Turkey, 24–26 September 2003; Volume 1. [Google Scholar]
- Sabin, I. Dispozitive Electronice și Optoelectronice; Politehnica Timișoara: Timișoara, Romania, 2014. [Google Scholar]
- Storr, W. Basic Electronics Tutorials. Retrieved 2014, 12, 2014. [Google Scholar]
- Horowitz, P. The Art of Electronics, 3rd ed.; Cambridge University Press: Cambridge, UK, 2015. [Google Scholar]
- Chen, Z.; Li, T.; Zhang, B. Morphine Postconditioning Protects Against Reperfusion Injury in the Isolated Rat Hearts. J. Surg. Res. 2008, 145, 287–294. [Google Scholar] [CrossRef]
- Blasig, I.E.; Ebert, B.; Hennig, C.; Pali, T.; Tosaki, A. Inverse Relationship between ESR Spin Trapping of Oxyradicals and Degree of Functional Recovery during Myocardial Reperfusion in Isolated Working Rat Heart. Cardiovasc. Res. 1990, 24, 263–270. [Google Scholar] [CrossRef]
- Mirica, N.; Luculescu, M.; Răducan, A.; Ordodi, V.; Duicu, O.; Borya, C.; Fira–Mlădinescu, O.; Muntean, D. Dichotomic effects of Diayoxide and Cyclosporine A on contractile function and infarct size in Langendorff perfused rat hearts. In Proceedings of the 8th International Congress on Coronary Artery Disease, Prague, Czech Republic, 11–14 October 2009; pp. 21–26. [Google Scholar]
- Manta, I.; Cucuianu, M.; Benga, G.; Hodârnău, A. Metode Biochimice în laboratorul Clinic; Ed. Dacia: Cluj-Napoca, Romania, 1976. [Google Scholar]
- Chakraborty, C.; Kishor, A.; Rodrigues, J.J. Novel Enhanced-Grey Wolf Optimization Hybrid Machine Learning Technique for Biomedical Data Computation. Comput. Electr. Eng. 2022, 99, 107778. [Google Scholar] [CrossRef]
- Kumar, A.; Abhishek, K.; Chakraborty, C.; Kryvinska, N. Deep Learning and Internet of Things Based Lung Ailment Recognition Through Coughing Spectrograms. IEEE Access 2021, 9, 95938–95948. [Google Scholar] [CrossRef]


















| Nr. | Name | Nr. | Name |
|---|---|---|---|
| 1 | Heart | 14 | Bridge rectifier |
| 2 | Cannula | 15 | Center-tapped transformer |
| 3 | Electromagnetic assembly | 16 | Pressure transducer amplifier |
| 4 | Permanent magnet | 17 | Comparator module |
| 5 | Coil | 18 | Reference voltage |
| 6 | Ferromagnetic bar | 19 | Power amplifier 2 |
| 7 | Decellularization chamber | 20 | Solid-state relay |
| 8 | Magnetic bar | 21 | Snubber circuit |
| 9 | Magnetic stirrer | 22 | Step-down transformer |
| 10 | Power amplifier 1 | 23 | Peristaltic pump |
| 11 | Wien oscillator | M~ | Peristaltic pump AC motor |
| 12 | Voltage regulator | M | Mechanical pressure gauge |
| 13 | Capacitor filter | P | Pressure transducer |
| Vibrating Fluid Column | |
|---|---|
| Lot A (E1) | Yes |
| Lot B (E2) | No (Control) |
Disclaimer/Publisher’s Note: The statements, opinions and data contained in all publications are solely those of the individual author(s) and contributor(s) and not of MDPI and/or the editor(s). MDPI and/or the editor(s) disclaim responsibility for any injury to people or property resulting from any ideas, methods, instructions or products referred to in the content. |
© 2023 by the authors. Licensee MDPI, Basel, Switzerland. This article is an open access article distributed under the terms and conditions of the Creative Commons Attribution (CC BY) license (https://creativecommons.org/licenses/by/4.0/).
Share and Cite
Bonciog, D.-D.; Lascu, M.-R.; Mâțiu-Iovan, L.; Ordodi, V.L. Automation and Optimization of Rat Heart Decellularization Using a Vibrating Fluid Column. Sensors 2023, 23, 4045. https://doi.org/10.3390/s23084045
Bonciog D-D, Lascu M-R, Mâțiu-Iovan L, Ordodi VL. Automation and Optimization of Rat Heart Decellularization Using a Vibrating Fluid Column. Sensors. 2023; 23(8):4045. https://doi.org/10.3390/s23084045
Chicago/Turabian StyleBonciog, Dumitru-Daniel, Mihaela-Ruxandra Lascu, Liliana Mâțiu-Iovan, and Valentin Laurențiu Ordodi. 2023. "Automation and Optimization of Rat Heart Decellularization Using a Vibrating Fluid Column" Sensors 23, no. 8: 4045. https://doi.org/10.3390/s23084045
APA StyleBonciog, D.-D., Lascu, M.-R., Mâțiu-Iovan, L., & Ordodi, V. L. (2023). Automation and Optimization of Rat Heart Decellularization Using a Vibrating Fluid Column. Sensors, 23(8), 4045. https://doi.org/10.3390/s23084045

