Low-Cost Electronics for Automatic Classification and Permittivity Estimation of Glycerin Solutions Using a Dielectric Resonator Sensor and Machine Learning Techniques
Abstract
Simple Summary
Abstract
1. Introduction
2. Materials and Methods
2.1. DR Sensor Overview
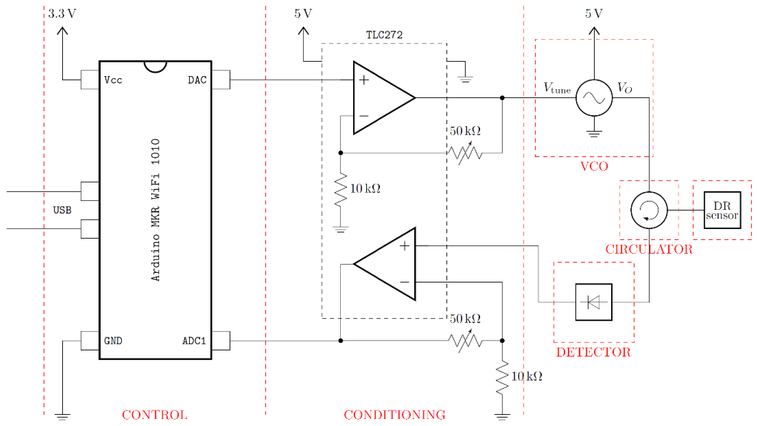
2.2. Electronic Instrumentation: From Vector Network Analyzer to Low-Cost Detection Devices
2.3. Measurement Protocol
2.4. Analysis Techniques
3. Results and Discussion
3.1. Signal Characterization
3.2. Principal Component Analysis (PCA)
3.3. Glycerin Classification
3.4. Permittivity Estimation
4. Conclusions
Author Contributions
Funding
Institutional Review Board Statement
Informed Consent Statement
Data Availability Statement
Acknowledgments
Conflicts of Interest
References
- Pagliaro, M.; Rossi, M. Chapter 1 Glycerol: Properties and Production. In The Future of Glycerol (2); The Royal Society of Chemistry: London, UK, 2010; pp. 1–28. ISBN 978-1-84973-046-4. [Google Scholar]
- Reck, R.A. Other Applications of Glycerine. In Glycerine; CRC Press: Boca Raton, FL, USA, 2018; pp. 435–442. [Google Scholar]
- Mast, R. Functions of Glycerine in Cosmetics. In Glycerine; CRC Press: Boca Raton, FL, USA, 2018; pp. 223–275. [Google Scholar]
- Maquirriain, M.A.; Tonutti, L.G.; Querini, C.A.; Pisarello, M.L. Crude Glycerine Characterization: Analysis of Free Fatty Acids, Fatty Acid Methyl Esters, and Acylglycerides. Biomass. Convers. Biorefin. 2022, 12, 4889–4899. [Google Scholar] [CrossRef]
- Bateni, H.; Saraeian, A.; Able, C.; Karimi, K. Biodiesel Purification and Upgrading Technologies; Springer: Cham, Switzerland, 2019; pp. 57–100. [Google Scholar]
- Mayani, M.G.; Herraiz-Martinez, F.J.; Domingo, J.M.; Giannetti, R.; Garcia, C.R.M. A Novel Dielectric Resonator-Based Passive Sensor for Drop-Volume Binary Mixtures Classification. IEEE Sens. J. 2021, 21, 20156–20164. [Google Scholar] [CrossRef]
- Mayani, M.G.; Herraiz-Martinez, F.J.; Domingo, J.M.; Giannetti, R. Resonator-Based Microwave Metamaterial Sensors for Instrumentation: Survey, Classification, and Performance Comparison. IEEE Trans. Instrum. Meas. 2021, 70, 1–14. [Google Scholar] [CrossRef]
- Keyrouz, S.; Caratelli, D. Dielectric Resonator Antennas: Basic Concepts, Design Guidelines, and Recent Developments at Millimeter-Wave Frequencies. Int. J. Antennas. Propag. 2016, 2016, 6075680. [Google Scholar] [CrossRef]
- Dash, S.K.K.; Khan, T.; Antar, Y.M.M. A State-of-Art Review on Performance Improvement of Dielectric Resonator Antennas. Int. J. RF Microw. Comput.-Aided Eng. 2018, 28, e21270. [Google Scholar] [CrossRef]
- Mehrotra, P.; Chatterjee, B.; Sen, S. EM-Wave Biosensors: A Review of RF, Microwave, Mm-Wave and Optical Sensing. Sensors 2019, 19, 1013. [Google Scholar] [CrossRef] [PubMed]
- Muñoz-Enano, J.; Vélez, P.; Gil, M.; Martín, F. Planar Microwave Resonant Sensors: A Review and Recent Developments. Appl. Sci. 2020, 10, 2615. [Google Scholar] [CrossRef]
- Alahnomi, R.A.; Zakaria, Z.; Yussof, Z.M.; Althuwayb, A.A.; Alhegazi, A.; Alsariera, H.; Rahman, N.A. Review of Recent Microwave Planar Resonator-Based Sensors: Techniques of Complex Permittivity Extraction, Applications, Open Challenges and Future Research Directions. Sensors 2021, 21, 2267. [Google Scholar] [CrossRef]
- Tanwar, S.; Nayyar, A.; Rameshwar, R. Machine Learning in Signal Processing: Applications, Challenges, and the Road Ahead; Chapman and Hall/CRC: New York, NY, USA, 2021. [Google Scholar]
- Cui, F.; Yue, Y.; Zhang, Y.; Zhang, Z.; Zhou, H.S. Advancing Biosensors with Machine Learning. ACS Sens. 2020, 5, 3346–3364. [Google Scholar] [CrossRef]
- Singh, A.; Sharma, A.; Ahmed, A.; Sundramoorthy, A.K.; Furukawa, H.; Arya, S.; Khosla, A. Recent Advances in Electrochemical Biosensors: Applications, Challenges, and Future Scope. Biosensors 2021, 11, 336. [Google Scholar] [CrossRef] [PubMed]
- Havelka, D.; Krivosudský, O.; Průša, J.; Cifra, M. Rational Design of Sensor for Broadband Dielectric Spectroscopy of Biomolecules. Sens. Actuators B Chem. 2018, 273, 62–69. [Google Scholar] [CrossRef]
- Chan, K.; Schillereff, D.N.; Baas, A.C.W.; Chadwick, M.A.; Main, B.; Mulligan, M.; O’Shea, F.T.; Pearce, R.; Smith, T.E.L.; van Soesbergen, A.; et al. Low-Cost Electronic Sensors for Environmental Research: Pitfalls and Opportunities. Prog. Phys. Geogr. 2021, 45, 305–338. [Google Scholar] [CrossRef]
- Heidt, B.; Siqueira, W.F.; Eersels, K.; Diliën, H.; van Grinsven, B.; Fujiwara, R.T.; Cleij, T.J. Point of Care Diagnostics in Resource-Limited Settings: A Review of the Present and Future of PoC in Its Most Needed Environment. Biosensors 2020, 10, 133. [Google Scholar] [CrossRef] [PubMed]
- Pai, N.P.; Vadnais, C.; Denkinger, C.; Engel, N.; Pai, M. Point-of-Care Testing for Infectious Diseases: Diversity, Complexity, and Barriers in Low- And Middle-Income Countries. PLoS Med. 2012, 9, e1001306. [Google Scholar] [CrossRef]
- Kondaveeti, H.K.; Kumaravelu, N.K.; Vanambathina, S.D.; Mathe, S.E.; Vappangi, S. A Systematic Literature Review on Prototyping with Arduino: Applications, Challenges, Advantages, and Limitations. Comput. Sci. Rev. 2021, 40, 100364. [Google Scholar] [CrossRef]
- Gajera, H.; Guha, D.; Kumar, C. New Technique of Dielectric Perturbation in Dielectric Resonator Antenna to Control the Higher Mode Leading to Reduced Cross-Polar Radiations. IEEE Antennas Wirel. Propag. Lett. 2017, 16, 445–448. [Google Scholar] [CrossRef]
- Galindo-Romera, G.; Carnerero-Cano, J.; Martínez-Martínez, J.J.; Herraiz-Martínez, F.J. An IoT Reader for Wireless Passive Electromagnetic Sensors. Sensors 2017, 17, 693. [Google Scholar] [CrossRef]
- Meaney, P.M.; Fox, C.J.; Geimer, S.D.; Paulsen, K.D. Electrical Characterization of Glycerin: Water Mixtures: Implications for Use as a Coupling Medium in Microwave Tomography. IEEE Trans. Microw. Theory Tech. 2017, 65, 1471–1478. [Google Scholar] [CrossRef]
- Ellison, W.J.; Lamkaouchi, K.; Moreau, J.-M. LIQUIDS Water: A Dielectric Reference Water: A Dielectric Reference Chapter I. J. Mol. Liq. 1996, 68, 171–279. [Google Scholar] [CrossRef]
- Sihvola, A. Mixing Rules with Complex Dielectric Coefficients. Subsurf. Sens. Technol. Appl. 2000, 1, 393–415. [Google Scholar] [CrossRef]
- Ebrahimi, A.; Tovar-Lopez, F.J.; Scott, J.; Ghorbani, K. Differential Microwave Sensor for Characterization of Glycerol–Water Solutions. Sens. Actuators B Chem. 2020, 321, 128561. [Google Scholar] [CrossRef]
- Li, M.; Wibowo, S.; Li, W.; Li, L.D. Quantitative Spectral Data Analysis Using Extreme Learning Machines Algorithm Incorporated with PCA. Algorithms 2021, 14, 18. [Google Scholar] [CrossRef]
- Lever, J.; Krzywinski, M.; Altman, N. Points of Significance: Principal Component Analysis. Nat. Methods 2017, 14, 641–642. [Google Scholar] [CrossRef]
- Bzdok, D.; Krzywinski, M.; Altman, N. Points of Significance: Machine Learning: Supervised Methods. Nat. Methods 2018, 15, 5–6. [Google Scholar] [CrossRef] [PubMed]
- Nello, C.; John, S.-T. An Introduction to Support Vector Machines: And Other Kernel-Based Learning Methods; Cambridge University Press: Cambridge, UK, 2000; ISBN 9780521780193. [Google Scholar]
- Cawley, G.C.; Talbot, N.L.C. On Over-Fitting in Model Selection and Subsequent Selection Bias in Performance Evaluation. J. Mach. Learn. Res. 2010, 11, 2079–2107. [Google Scholar]
- Markel, V.A. Introduction to the Maxwell Garnett Approximation: Tutorial. J. Opt. Soc. Am. A 2016, 33, 1244. [Google Scholar] [CrossRef] [PubMed]














| εr Maxwell–Garnett Mixing Rule | εr Literature | |
|---|---|---|
| Air | 1 | 1 |
| Gly80% | 11.17 | 17.00 |
| Gly70% | 13.72 | 27.45 |
| Gly60% | 16.83 | 39.00 |
| Gly50% | 20.72 | 51.55 |
| Gly40% | 25.71 | 58.78 |
| Gly30% | 32.34 | 65.25 |
| Gly20% | 41.61 | 69.23 |
| Gly10% | 55.43 | 74.32 |
| Water | 78.30 | 78.30 |
| Model | C | γ |
|---|---|---|
| VNA Classification | 2620 | 0.00087 |
| VNA Regression glycerin (%) | 4000 | 0.01224 |
| VNA Regression mixing rule values | 4000 | 0.01362 |
| VNA Regression literature values | 4540 | 0.01243 |
| ER Classification | 4197 | 0.00100 |
| ER Regression glycerin (%) | 10,000 | 0.00323 |
| ER Regression mixing rule values | 9357 | 0.00623 |
| ER Regression literature values | 8247 | 0.00288 |
| Models | VNA Accuracy | ER Accuracy |
|---|---|---|
| SVM | 99.33% | 97.41% |
| VNA RMSE | ER RMSE | |
| SVR Glycerin (%) | 0.70% | 1.93% |
| SVR mixing rule values | 0.629 | 2.091 |
| SVR literature values | 0.599 | 1.119 |
Disclaimer/Publisher’s Note: The statements, opinions and data contained in all publications are solely those of the individual author(s) and contributor(s) and not of MDPI and/or the editor(s). MDPI and/or the editor(s) disclaim responsibility for any injury to people or property resulting from any ideas, methods, instructions or products referred to in the content. |
© 2023 by the authors. Licensee MDPI, Basel, Switzerland. This article is an open access article distributed under the terms and conditions of the Creative Commons Attribution (CC BY) license (https://creativecommons.org/licenses/by/4.0/).
Share and Cite
Monteagudo Honrubia, M.; Matanza Domingo, J.; Herraiz-Martínez, F.J.; Giannetti, R. Low-Cost Electronics for Automatic Classification and Permittivity Estimation of Glycerin Solutions Using a Dielectric Resonator Sensor and Machine Learning Techniques. Sensors 2023, 23, 3940. https://doi.org/10.3390/s23083940
Monteagudo Honrubia M, Matanza Domingo J, Herraiz-Martínez FJ, Giannetti R. Low-Cost Electronics for Automatic Classification and Permittivity Estimation of Glycerin Solutions Using a Dielectric Resonator Sensor and Machine Learning Techniques. Sensors. 2023; 23(8):3940. https://doi.org/10.3390/s23083940
Chicago/Turabian StyleMonteagudo Honrubia, Miguel, Javier Matanza Domingo, Francisco Javier Herraiz-Martínez, and Romano Giannetti. 2023. "Low-Cost Electronics for Automatic Classification and Permittivity Estimation of Glycerin Solutions Using a Dielectric Resonator Sensor and Machine Learning Techniques" Sensors 23, no. 8: 3940. https://doi.org/10.3390/s23083940
APA StyleMonteagudo Honrubia, M., Matanza Domingo, J., Herraiz-Martínez, F. J., & Giannetti, R. (2023). Low-Cost Electronics for Automatic Classification and Permittivity Estimation of Glycerin Solutions Using a Dielectric Resonator Sensor and Machine Learning Techniques. Sensors, 23(8), 3940. https://doi.org/10.3390/s23083940

