Effect of the Coil Excitation Method on the Performance of a Dual-Coil Inductive Displacement Transducer
Abstract
1. Introduction
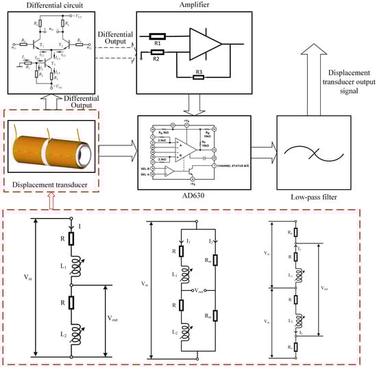
2. Structure and Operating Principle of a Dual-Coil Inductive Displacement Transducer
2.1. Structure of Dual-Coil Inductive Displacement Transducer
2.2. Principle of Operation
2.3. Electromagnetic Characteristic Analysis
2.4. Electrical Characteristic Analysis
2.5. The Principle of the Conditioning Circuit
3. Excitation Method for Dual-Coil Inductive Displacement Transducers
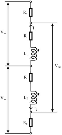
3.1. Dual-Coil Series Excitation Method
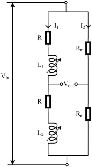
3.2. Dual-Coil Parallel Excitation Method
4. Effect of the Coil Excitation Method on the Performance of Displacement Transducers
4.1. Basic Data Testing of Dual-Coil Inductive Displacement Transducers
4.2. Effects of the Excitation Method on Displacement Transducer Performance
5. Excitation Method for Dual-Coil Inductive Displacement Transducers
5.1. Experimental Program Design
5.2. Results of Experimental Tests
6. Conclusions
- (1)
- A conditioning circuit with the AD630 chip as the core enables the demodulation of the output signal of a dual-coil inductive displacement transducer. Three excitation methods are proposed, namely DCSTW, DCSFW, and DCPD. The influence of three excitation methods on the performance of the transducer is analyzed.
- (2)
- Experiments show that DCSTW can only perform single-direction displacement testing; DCPD and DCSFW can perform bi-directional displacement testing. DCSTW has maximum amplitude variation and optimal linearity. The linearity of DCSTW is the best, 35.67% higher than DCPD and 17.52% higher than DCSFW. DCPD has the highest sensitivity, 29.53% higher than DCSTW and 39.44% higher than DCSFW. DCPD has minimum phase shift and optimal sensitivity. The sensitivity is positively correlated with the phase shift, and can be improved by reducing the phase shift.
- (3)
- In this paper, the working mechanism of the dual-coil inductive displacement transducer and the demodulation principle of the transducer are analyzed in depth. A suitable adjustment circuit is provided, which provides the basis for selecting an appropriate coil excitation method. The results of this study are beneficial to improving the performance of the dual coil displacement transducer.
Author Contributions
Funding
Institutional Review Board Statement
Informed Consent Statement
Data Availability Statement
Acknowledgments
Conflicts of Interest
References
- Babu, A.; George, B. Design and Development of a New Non-Contact Inductive Displacement Sensor. IEEE Sens. J. 2016, 18, 976–984. [Google Scholar] [CrossRef]
- Ren, Y.J.; Zhao, G.F.; Qian, M.; Feng, Z.H. A highly sensitive triple-coil inductive debris sensor based on an effective unbalance compensation circuit. Meas. Sci. Technol. 2019, 30, 015108. [Google Scholar] [CrossRef]
- Sandra, K.R.; Kumar, A.S.A.; George, B.; Kumar, V.J. A Linear Differential Inductive Displacement Sensor With Dual Planar Coils. IEEE Sens. J. 2019, 19, 457–464. [Google Scholar] [CrossRef]
- Grima, A.; Di Castro, M.; Masi, A.; Sammut, N. Design Enhancements of an Ironless Inductive Position Sensor. IEEE Trans. Instrum. Meas. 2020, 69, 1362–1369. [Google Scholar] [CrossRef]
- Grima, A.; Di Castro, M.; Masi, A.; Sammut, N. Frequency response characterization of ironless inductive position sensors with long cables. In Proceedings of the 3rd ICMIE, Lille, France, 26 September 2018. [Google Scholar]
- Jiao, D.; Ni, L.; Zhu, X.; Zhe, J.; Zhao, Z.; Lyu, Y.; Liu, Z. Measuring gaps using planar inductive sensors based on calculating mutual inductance. Sens. Actuator APhys. 2019, 295, 59–69. [Google Scholar] [CrossRef]
- Mirzaei, M.; Ripka, P.; Chirtsov, A.; Grim, V. Temperature stability of the transformer position transducer for pneumatic cylinder. J. Magn. Magn. Mater. 2020, 503, 166636. [Google Scholar] [CrossRef]
- Liu, R.; Bu, H. Design on LVDT displacement sensor based on AD598. Sens. Transducers 2013, 160, 68–73. [Google Scholar]
- Reverter, F.; Gasulla, M. Timer-Based Demodulator for AM Sensor Signals Applied to an Inductive Displacement Sensor. IEEE Trans. Instrum. Meas. 2017, 66, 2780–2788. [Google Scholar] [CrossRef]
- Lu, X.; Tian, G.; Wang, Z.; Li, W.; Yang, D.; Li, H.; Wang, Y.; Ni, J.; Zhang, Y. Research on the Time Drift Stability of Differential Inductive Displacement Sensors with Frequency Output. Sens. 2022, 22, 6234. [Google Scholar] [CrossRef]
- Li, W.; Hu, J.; Su, Z.; Hu, J.; Wang, D. Analysis and design of axial inductive displacement sensor. Measurement 2022, 187, 110159. [Google Scholar] [CrossRef]
- Yang, Z.; Song, J.; Cai, W.; Lu, G.; Zhang, Z. Analysis of the influence of a solenoid magnetic field in the azimuth transmission system. Sci. Rep. 2021, 11, 16242. [Google Scholar] [CrossRef] [PubMed]
- Petrone, C.; Sorti, S.; Dalane, E.; Mehl, B.; Russenschuck, S. Induction-coil measurement system for normal-and superconducting solenoids. IEEE Trans. Appl. Supercond. 2022, 32, 21600573. [Google Scholar] [CrossRef]
- He, Q.; Fan, S.; Chen, N.; Tan, R.; Chen, F.; Fan, D. Analysis of Inductive Displacement Sensors with Large Range and Nanoscale Resolution. Appl. Sci. 2021, 11, 10134. [Google Scholar] [CrossRef]
- Ozaki, M.; Yagitani, S.; Takahashi, K.; Imachi, T.; Koji, H.; Higashi, R. Equivalent Circuit Model for the Electric Field Sensitivity of a Magnetic Search Coil of Space Plasma. IEEE Sens. J. 2015, 15, 1680–1689. [Google Scholar] [CrossRef]
- Ren, Z.; Li, H.; Yu, W. Research on Coil Impedance of Self-Inductive Displacement Sensor Considering Core Eddy Current. Sensors 2021, 21, 6292. [Google Scholar] [CrossRef]
- Liu, D.; Zhang, H.; Xiao, X.; Ma, Q.; Li, H.; Tian, G.; Gao, B.; Wu, J. RLC Parameters Measurement and Fusion for High-Sensitivity Inductive Sensors. IEEE Trans. Instrum. Meas. 2022, 71, 3178493. [Google Scholar] [CrossRef]
- Braun, T.; Reuter, J.; Rudolph, J. Position Observation for Proportional Solenoid Valves by Signal Injection. In Proceedings of the 7th IFAC Symposium on Mechatronic Systems, Loughborough University, Leicestershire, UK, 5–8 September 2016; pp. 74–79. [Google Scholar]
- Kumar, P.; George, B.; Kumar, V.J. A simple signal conditioning scheme for inductive sensors. In Proceedings of the 2013 Seventh ICST, Wellington, New Zealand, 3–5 December 2013; pp. 512–515. [Google Scholar]
- Djuric, S.M.; Djuric, N.M.; Damnjanovic, M.S. The optimal useful measurement range of an inductive displacement sensor. Inf. Midem J. Microelectron. Electron. Compon. Mater. 2015, 45, 132–141. [Google Scholar]
- Xu, X.; Suganuma, Y.; Dhirani, A.-A. Low-Cost, High-Performance Lock-in Amplifier for Pedagogical and Practical Applications. J. Chem. Educ. 2020, 97, 1167–1171. [Google Scholar] [CrossRef]
- Chen, D.; Yang, W.; Pan, M. Design of Impedance Measuring Circuits Based on Phase-Sensitive Demodulation Technique. IEEE Trans. Instrum. Meas. 2011, 60, 1276–1282. [Google Scholar] [CrossRef]
- Nagarajan, P.R.; George, B.; Kumar, V.J. A Linearizing Digitizer for Wheatstone Bridge Based Signal Conditioning of Resistive Sensors. IEEE Sens. J. 2017, 17, 1696–1705. [Google Scholar] [CrossRef]
- Drumea, A.; Svasta, P.; Blejan, M. Modelling and simulation of an inductive displacement sensor for mechatronic systems. In Proceedings of the 33rd International Spring Seminar on Electronics Technology, Warsaw, Poland, 12–16 May 2010; pp. 304–307. [Google Scholar]
- Liu, Y.-T.; Zhang, K.; Xu, Y. Inductive Displacement Sensors Based on the Integrated Demodulation Chip. In Proceedings of the 4th International Symposium on Software Reliability, Industrial Safety, Cyber Security and Physical Protection for Nuclear Power Plant, Guiyang, China, 21–23 August 2019; pp. 101–111. [Google Scholar]
- Gal-Katziri, M.; Hajimiri, A. Analysis and Design of Coupled Inductive Bridges for Magnetic Sensing Applications. IEEE J. Solid-State Circuit 2019, 54, 1883–1894. [Google Scholar] [CrossRef]
- Hu, J.; Li, W.; Su, Z.; Wang, D. Analytical design and experiment of radial inductive displacement sensor with full-bridge structure for magnetic bearings. Rev. Sci. Instrum. 2021, 92, 064703. [Google Scholar] [CrossRef]
- Chattopadhyay, S.; Bera, S.C. Modification of the Maxwell–Wien bridge for accurate measurement of a process variable by an inductive transducer. IEEE Trans. Instrum. Meas. 2010, 59, 2445–2449. [Google Scholar] [CrossRef]
- Wang, K.; Zhang, L.; Le, Y.; Zheng, S.; Han, B.; Jiang, Y. Optimized Differential Self-Inductance Displacement Sensor for Magnetic Bearings: Design, Analysis and Experiment. IEEE Sens. J. 2017, 17, 4378–4387. [Google Scholar] [CrossRef]
- Gunasekaran, V.; George, B.; Aniruddhan, S.; Janardhanan, D.D.; Palur, R.V. Performance Analysis of Oscillator-Based Read-Out Circuit for LVDT. IEEE Trans. Instrum. Meas. 2019, 68, 1080–1088. [Google Scholar] [CrossRef]
- Reinholz, D. A Novel Wide-Bandwidth Linear Inductive Differential Position Sensor. Master’s Thesis, University of British Columbia, Vancouver, BC, Canada, 2022. [Google Scholar]
- Li, H.; Ren, Z.; Chen, R.; Yu, W. Influence of structural parameters on the static performance of self-inductive radial displacement sensor. Meas. Sci. Technol. 2022, 33, 125106. [Google Scholar] [CrossRef]
- Guo, Y.-X.; Lai, C.; Shao, Z.-B.; Xu, K.-L.; Li, T. Differential Structure of Inductive Proximity Sensor. Sensors 2019, 19, 2210. [Google Scholar] [CrossRef]

Represents the direction of magnetic flux,
Represents an increase in inductance,
Represents a reduction in inductance.
Represents the direction of magnetic flux,
Represents an increase in inductance,
Represents a reduction in inductance.
















| Equation | y = a + bx | |
| Plot | Coil 1 | Coil 1 |
| Weight | No Weighting | |
| Intercept | 16.04207 ± 0.0781 | 29.88891 ± 0.10094 |
| Slope | 0.87012 ± 0.00839 | −0.92165 ± 0.01052 |
| Residual Sum of Squares | 1.63189 | 2.89542 |
| Pearson’s r | 0.99856 | −0.99792 |
| R-Square (COD) | 0.99713 | 0.99585 |
| dj. R-Square | 0.99703 | 0.99572 |
Disclaimer/Publisher’s Note: The statements, opinions and data contained in all publications are solely those of the individual author(s) and contributor(s) and not of MDPI and/or the editor(s). MDPI and/or the editor(s) disclaim responsibility for any injury to people or property resulting from any ideas, methods, instructions or products referred to in the content. |
© 2023 by the authors. Licensee MDPI, Basel, Switzerland. This article is an open access article distributed under the terms and conditions of the Creative Commons Attribution (CC BY) license (https://creativecommons.org/licenses/by/4.0/).
Share and Cite
Xu, J.; Li, Y.; Li, R.; Yang, J.; Yu, X. Effect of the Coil Excitation Method on the Performance of a Dual-Coil Inductive Displacement Transducer. Sensors 2023, 23, 3703. https://doi.org/10.3390/s23073703
Xu J, Li Y, Li R, Yang J, Yu X. Effect of the Coil Excitation Method on the Performance of a Dual-Coil Inductive Displacement Transducer. Sensors. 2023; 23(7):3703. https://doi.org/10.3390/s23073703
Chicago/Turabian StyleXu, Jikang, Yanchao Li, Ruichuan Li, Junru Yang, and Xiaodong Yu. 2023. "Effect of the Coil Excitation Method on the Performance of a Dual-Coil Inductive Displacement Transducer" Sensors 23, no. 7: 3703. https://doi.org/10.3390/s23073703
APA StyleXu, J., Li, Y., Li, R., Yang, J., & Yu, X. (2023). Effect of the Coil Excitation Method on the Performance of a Dual-Coil Inductive Displacement Transducer. Sensors, 23(7), 3703. https://doi.org/10.3390/s23073703
