Design of a Current Sensing System with TIA Gain of 160 dBΩ and Input-Referred Noise of 1.8 pArms for Biosensor
Abstract
1. Introduction
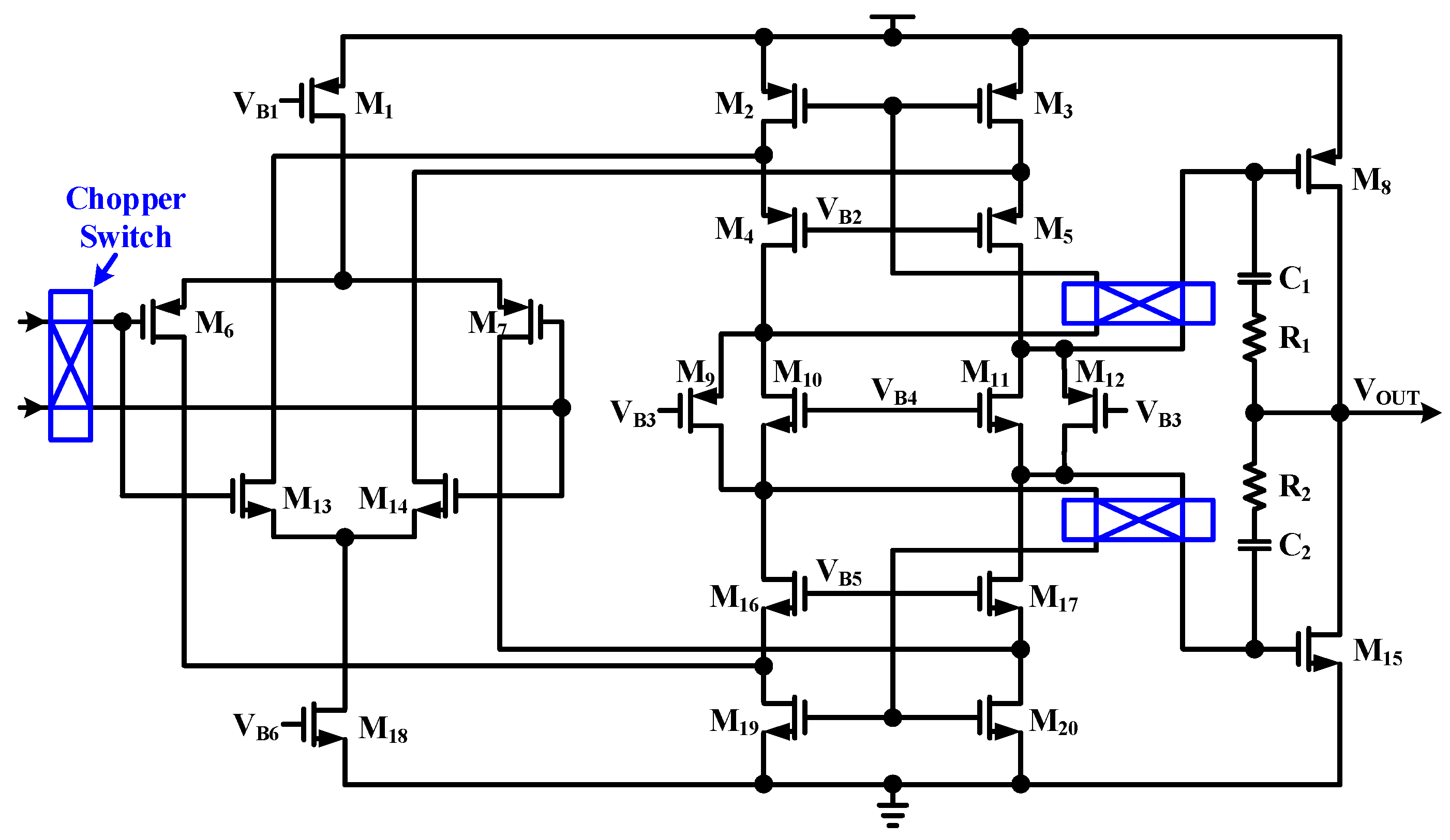
2. The Proposed Current Sensing System
3. Experimental Results
4. Conclusions
Author Contributions
Funding
Institutional Review Board Statement
Informed Consent Statement
Data Availability Statement
Conflicts of Interest
References
- Goud, K.Y.; Moonla, C.; Mishra, R.K.; Yu, C.; Narayan, R.; Litvan, I.; Wang, J. Wearable electrochemical microneedle sensor for continuous monitoring of levodopa: Toward parkinson management. ACS Sens. 2019, 4, 2196–2204. [Google Scholar] [CrossRef] [PubMed]
- Zhang, Z.; Li, M.; Zuo, Y.; Chen, S.; Zhuo, Y.; Lu, M.; Shi, G.; Gu, H. In vivo monitoring of pH in subacute PD mouse brains with a ratiometric electrochemical microsensor based on poly(melamine) films. ACS Sens. 2022, 7, 235–244. [Google Scholar] [CrossRef] [PubMed]
- Galenkamp, N.S.; Soskine, M.; Hermans, J.; Wloka, C.; Maglia, G. Direct electrical quantification of glucose and asparagine from bodily fluids using nanopores. Nat. Commun. 2018, 9, 4085. [Google Scholar] [CrossRef] [PubMed]
- Chavis, A.E.; Brady, K.T.; Hatmaker, G.A.; Angevine, C.E.; Kothalawala, N.; Dass, A.; Robertson, J.W.F.; Reiner, J.E. Single molecule nanopore spectrometry for peptide detection. ACS Sens. 2017, 2, 1319–1328. [Google Scholar] [CrossRef] [PubMed]
- Yu, J.-S.; Hong, S.C.; Wu, S.; Kim, H.-M.; Lee, C.; Lee, J.-S.; Lee, J.E.; Kim, K.-B. Differentiation of selectively labeled peptides using solid-state nanopores. Nanoscale 2019, 11, 2510–2520. [Google Scholar] [CrossRef]
- Niu, H.; Li, M.-Y.; Ying, Y.-L.; Long, Y.-T. An engineered third electrostatic constriction of aerolysin to manipulate heterogeneously charged peptide transport. Chem. Sci. 2022, 13, 2456–2461. [Google Scholar] [CrossRef]
- Wu, Y.; Gooding, J.J. The application of single molecule nanopore sensing for quantitative analysis. Chem. Soc. Rev. 2022, 51, 3862–3885. [Google Scholar] [CrossRef]
- Si, W.; Yang, H.; Wu, G.; Zhang, Y.; Sha, J. Velocity control of protein translocation through a nanopore by tuning the fraction of benzenoid residues. Nanoscale 2021, 13, 15352–15361. [Google Scholar] [CrossRef]
- Liu, S.-C.; Ying, Y.-L.; Li, W.-H.; Wan, Y.-J.; Long, Y.-T. Snapshotting the transient conformations and tracing the multiple pathways of single peptide folding using a solid-state nanopore. Chem. Sci. 2021, 12, 3282–3289. [Google Scholar] [CrossRef]
- Cairns-Gibson, D.F.; Cockroft, S.L. Funtionalised nanopores: Chemical and biological modifications. Chem. Sci. 2022, 13, 1869–1882. [Google Scholar] [CrossRef]
- Oh, S.; Lee, M.-K.; Chi, S.-W. Single-molecule analysis of interaction between p53TAD and MDM2 using aerolysin nanopores. Chem. Sci. 2021, 12, 5883–5891. [Google Scholar] [CrossRef] [PubMed]
- Seo, G.; Lee, G.; Kim, M.J.; Baek, S.-H.; Choi, M.; Ku, K.B.; Lee, C.-S.; Jun, S.; Park, D.; Kim, H.G.; et al. Rapid detection of COVID-19 causative virus (SARS-CoV-2) in human nasopharyngeal swab specimens using field-effect transistor-based biosensor. ACS Nano. 2020, 14, 5135–5142. [Google Scholar] [CrossRef] [PubMed]
- Yan, H.; Zhang, Z.; Weng, T.; Zhu, L.; Zhang, P.; Wang, D.; Liu, Q. Recognition of bimolecular logic operation pattern based on a solid-state nanopore. Sensors 2021, 21, 33. [Google Scholar] [CrossRef] [PubMed]
- Hiratani, M.; Kawano, R. DNA logic operation with nanopore decoding to recognize microRNA patterns in small cell lung cancer. Anal. Chem. 2018, 90, 8531–8537. [Google Scholar] [CrossRef]
- Xue, L.; Cadinu, P.; Nadappuram, B.P.; Kang, M.; Ma, Y.; Korchev, Y.; Ivanov, A.P.; Edel, J.B. Gated single-molecule transport in double-barreled nanopores. ACS Appl. Mater. Interfaces 2018, 10, 38621–38629. [Google Scholar] [CrossRef]
- Kalman, E.B.; Sudre, O.; Vlassiouk, I.; Siwy, Z.S. Control of ionic transport through gated single conical nanopores. Anal. Bioanal. Chem. 2009, 394, 413–419. [Google Scholar] [CrossRef]
- Ren, R.; Zhang, Y.; Nadappuram, B.P.; Akpinar, B.; Klenerman, D.; Ivanov, A.P.; Edel, J.B.; Korchev, Y. Nanopore extended field-effect transistor for selective single-molecule biosensing. Nat. Commun. 2017, 8, 586. [Google Scholar] [CrossRef]
- Han, D.; Crouch, G.M.; Chao, Z.; Fullerton-Shirey, S.K.; Go, D.B.; Bohn, P.W. Nanopore-templated silver nanoparticle arrays photopolymerized in zero-mode waveguides. Front. Chem. 2019, 7, 216. [Google Scholar] [CrossRef]
- Chen, Q.; Liu, Z. Fabrication and applications of solid-state nanopores. Sensors 2019, 19, 1886. [Google Scholar] [CrossRef]
- Djekic, D.; Fantner, G.; Lips, K.; Ortmanns, M.; Anders, J. A 0.1% THD, 1-MΩ to 1-GΩ tunable, temperature-compensated transimpedance amplifier using a multi-element pseudo-resistor. IEEE J. Solid-State Circuits 2018, 53, 1913–1923. [Google Scholar] [CrossRef]
- Haberle, M.; Djekic, D.; Fantner, G.E.; Lips, K.; Ortmanns, M.; Anders, J. An integrator-differentiator TIA using a multi-element pseudo-resistor in its DC servo loop for enhanced noise performance. In Proceedings of the IEEE European Solid State Circuits Conference (ESSCIRC 2018), Dresden, Germany, 3–6 September 2018; pp. 294–297. [Google Scholar]
- Taherzadeh-Sani, M.; Hussaini, S.M.H.; Rezaee-Dehsorkh, H.; Nabki, F.; Sawan, M. A 170-dBΩ CMOS TIA with 52-pA input-referred noise and 1-MHz bandwidth for very low current sensing. IEEE Trans. Very Large Scale Integr. (VLSI) Syst. 2017, 25, 1756–1766. [Google Scholar] [CrossRef]
- Hogervorst, R.; Tero, J.P.; Eschauzier, R.G.H.; Huijsing, J.H. A compact power-efficient 3 V CMOS rail-to-rail input/output operational amplifier for VLSI cell libraries. IEEE J. Solid-State Circuits 1994, 29, 1505–1513. [Google Scholar] [CrossRef]
- Kim, J.; Maitra, R.; Pedrotti, K.D.; Dunbar, W.B. A patch-clamp ASIC for nanopore-based DNA analysis. IEEE Trans. Biomed. Circuits Syst. 2013, 7, 285–295. [Google Scholar] [CrossRef] [PubMed]
- Rosenstein, J.K.; Wanunu, M.; Merchant, C.A.; Drndic, M.; Shepard, K.L. Integrated nanopore sensing platform with sub-microsecond temporal resolution. Nat. Methods 2012, 9, 487–492. [Google Scholar] [CrossRef]














| Components | Parameter |
|---|---|
| R1 | 1 kΩ~100 MΩ |
| R2 | 100 kΩ |
| R3 | 100 kΩ |
| C1 | 10 pF |
| C2 | 100 pF |
| VCM | 0.75 V |
| Components | Value | Components | Value |
|---|---|---|---|
| M1, M2, M3 | 48 µm/3 µm | M18, M19, M20 | 16 µm/3 µm |
| M4, M5, M6, M7 | 24 µm/3 µm | VB1 | 3 V |
| M8 | 48 µm/3 µm | VB2 | 2.6 V |
| M9, M12 | 12 µm/3 µm | VB3 | 1.4 V |
| M10, M11 | 4 µm/3 µm | VB4 | 2.7 V |
| M13, M14, M16, M17 | 8 µm/3 µm | VB5 | 1.6 V |
| M15 | 16 µm/3 µm | VB6 | 1.2 V |
| Parameter | [22] | [24] | [25] | This Work |
|---|---|---|---|---|
| Technology (nm) | 130 CMOS | 350 CMOS | 130 CMOS | 130 CMOS |
| Feedback topology | capacitive | resistive | capacitive | resistive |
| Active area of TIA (mm2) | 0.2 | 0.3 | 0.2 | 0.36 |
| Power consumption of TIA (mW) | 30 | 0.5 | 5 | 0.4 |
| TIA Gain (dBΩ) | 170 | 168 | 160 | 160 |
| Input-referred noise (pArms) | 0.4 | 4.2 | 1 | 1.8 |
Disclaimer/Publisher’s Note: The statements, opinions and data contained in all publications are solely those of the individual author(s) and contributor(s) and not of MDPI and/or the editor(s). MDPI and/or the editor(s) disclaim responsibility for any injury to people or property resulting from any ideas, methods, instructions or products referred to in the content. |
© 2023 by the authors. Licensee MDPI, Basel, Switzerland. This article is an open access article distributed under the terms and conditions of the Creative Commons Attribution (CC BY) license (https://creativecommons.org/licenses/by/4.0/).
Share and Cite
Kim, D.; Byun, S.; Pu, Y.; Huh, H.; Jung, Y.; Kim, S.; Lee, K.-Y. Design of a Current Sensing System with TIA Gain of 160 dBΩ and Input-Referred Noise of 1.8 pArms for Biosensor. Sensors 2023, 23, 3019. https://doi.org/10.3390/s23063019
Kim D, Byun S, Pu Y, Huh H, Jung Y, Kim S, Lee K-Y. Design of a Current Sensing System with TIA Gain of 160 dBΩ and Input-Referred Noise of 1.8 pArms for Biosensor. Sensors. 2023; 23(6):3019. https://doi.org/10.3390/s23063019
Chicago/Turabian StyleKim, Donggyu, Sungjun Byun, Younggun Pu, Hyungki Huh, Yeonjae Jung, Seokkee Kim, and Kang-Yoon Lee. 2023. "Design of a Current Sensing System with TIA Gain of 160 dBΩ and Input-Referred Noise of 1.8 pArms for Biosensor" Sensors 23, no. 6: 3019. https://doi.org/10.3390/s23063019
APA StyleKim, D., Byun, S., Pu, Y., Huh, H., Jung, Y., Kim, S., & Lee, K.-Y. (2023). Design of a Current Sensing System with TIA Gain of 160 dBΩ and Input-Referred Noise of 1.8 pArms for Biosensor. Sensors, 23(6), 3019. https://doi.org/10.3390/s23063019

