Study of Nonlinear Excitation Circuits for Fluxgate Magnetometer
Abstract
1. Introduction
2. Calculations and Simulations
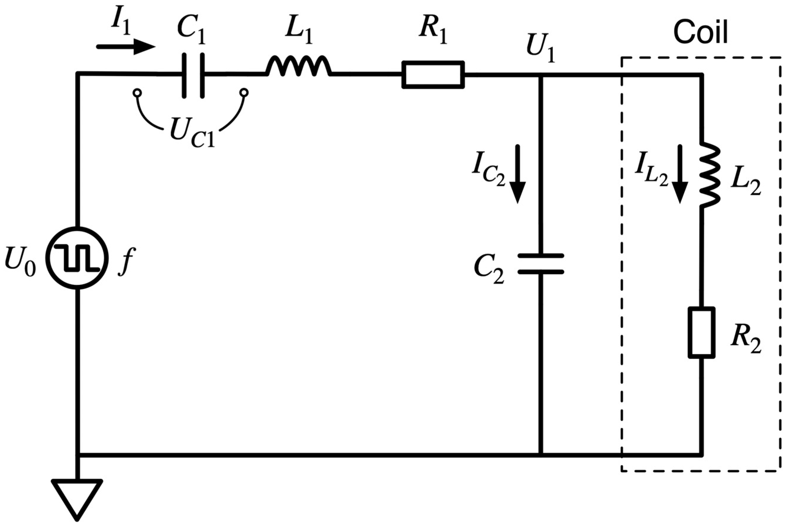
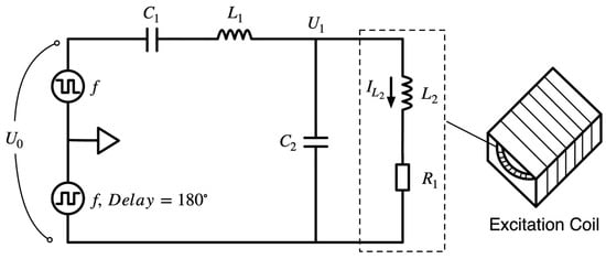
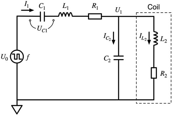
2.1. Excitation Circuit
2.2. Mathematical Calculation
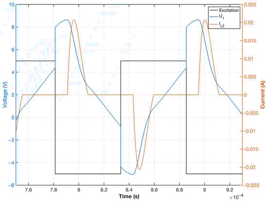
2.3. Nonlinear Simulation
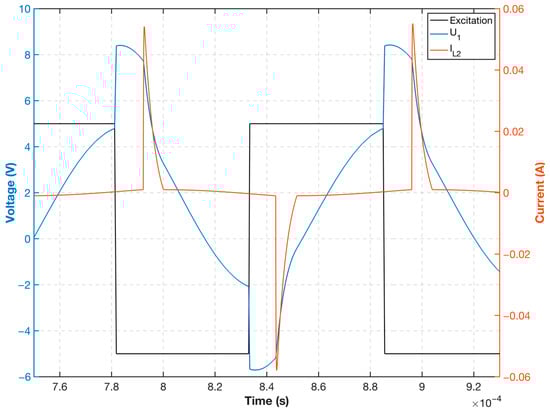
3. Experiments and Discussion
4. Conclusions
Author Contributions
Funding
Institutional Review Board Statement
Informed Consent Statement
Data Availability Statement
Conflicts of Interest
References
- Lenz, J.E. A review of magnetic sensors. Proc. IEEE 1990, 78, 973. [Google Scholar] [CrossRef]
 - Savarapu, R.; Sohan, A.; Kollu, P. Fabrication advancements in integrated fluxgate sensors: A mini review. Adv. Eng. Mater. 2022, 24, 2101040. [Google Scholar] [CrossRef]
 - Du, A.M.; Zhang, Y.; Li, H.Y.; Qiao, D.H. The Chinese Mars rover fluxgate magnetometers. Space Sci. Rev. 2020, 216, 135. [Google Scholar] [CrossRef]
 - Janosek, M.; Butta, M.; Dressler, M.; Fourie, C. 1-pt noise fluxgate magnetometer for geomagnetic measurements and unshielded magnetocardiography. IEEE Trans. Instrum. Meas. 2020, 69, 2552. [Google Scholar] [CrossRef]
 - Wang, Y.; Wu, S.J.; Lu, H.; Cheng, D.F. Output performance optimization for RTD fluxgate sensor based on dynamic permeability. Sci. China Inf. Sci. 2016, 59, 112213. [Google Scholar] [CrossRef]
 - Hrakova, D.; Ripka, P.; Butta, M. Sensitivity and Noise of Parallel Fluxgate Sensor with Amorphous Wire Cores. J. Magn. Magn. Mater. 2022, 563, 169981. [Google Scholar] [CrossRef]
 - Butta, M.; Schutte, B.P. Low-Noise Orthogonal Fluxgate Using Flipped Current Joule Annealing. IEEE Trans. Magn. 2019, 55, 1–6. [Google Scholar] [CrossRef]
 - Miles, D.M.; Ciurzynski, M.; Barona, D. Low-noise permalloy ring cores for fluxgate magnetometers. Geosci. Instrum. Method Data Syst. 2019, 8, 227. [Google Scholar] [CrossRef]
 - Yan, B.; Zhu, W.; Zhuang, X.; Lu, Z.; Fang, G. Coil optimization in a fluxgate magnetometer with Co₆₈.₂Fe₄.₃Si₁₂.₅B₁₅ amorphous wire cores for geomagnetic station observation. IEEE Trans. Instrum. Meas. 2021, 70, 1. [Google Scholar]
 - Schoinas, S.; El Guamra, A.-M.; Moreillon, F.; Passeraub, P. Fabrication and Characterization of a Flexible Fluxgate Sensor with Pad-Printed Solenoid Coils. Sensors 2020, 20, 2275. [Google Scholar] [CrossRef] [PubMed]
 - Lei, C.; Sun, X.-C.; Zhou, Y. Noise Analysis and Improvement of a Micro-Electro-Mechanical-Systems Fluxgate Sensor. Measurement 2018, 122, 1–5. [Google Scholar] [CrossRef]
 - Yuan, K.; Du, A.; Zhao, L.; Sun, S.; Feng, X.; Zhang, C.; Zhang, Y.; Qin, H. Ring-Core Fluxgate Sensor for High Operation Temperatures up to 220 °C. Micromachines 2022, 13, 2158. [Google Scholar] [CrossRef] [PubMed]
 - Zhang, C.H.; Zhang, Y.M.; Wang, X.H.; Gao, J.X. A method to reduce excitation circuit noise of fluxgate sensor. Mod. Phys. Lett. B 2022, 36, 2150606. [Google Scholar] [CrossRef]
 - Ripka, P.; Billingsley, S.W. Fluxgate: Tuned vs. untuned output. IEEE Trans. Magn. 1998, 34, 1303. [Google Scholar] [CrossRef]
 - Ye, W.; Zhu, W.; Zhang, L.; Fang, G. A Quantitative Model for the Sensitivity of Untuned Voltage Output Fluxgate Sensors. IEEE Sens. J. 2016, 16, 7876–7883. [Google Scholar] [CrossRef]
 - Yang, S.; Liu, S.; Feng, W.; Guo, B. SPICE circuit model of voltage excitation fluxgate sensor. Iet. Sci. Meas. Technol. 2013, 7, 145. [Google Scholar] [CrossRef]
 - Shen, X.; Teng, Y.; Hu, X. Design of a Low-Cost Small-Size Fluxgate Sensor. Sensors 2021, 21, 6598. [Google Scholar] [CrossRef] [PubMed]
 - Murata, N.; Karo, H.; Sasada, I.; Shimizu, T. Fundamental Mode Orthogonal Fluxgate Magnetometer Applicable for Measurements of DC and Low-Frequency Magnetic Fields. IEEE Sens. J. 2018, 18, 2705–2712. [Google Scholar] [CrossRef]
 - Song, S.X.; Deng, M.; Chen, K.; Yuan, Z.Z. Excitation module for orthogonal fundamental mode fluxgate sensor. J. Inst. 2020, 15, P05007. [Google Scholar] [CrossRef]
 - Chan, J.H.; Vladimirescu, A.; Gao, X.C. Nonlinear transformer model for circuit simulation. IEEE Trans. Comput. Aided Des. Integr. Circuits Syst. 1991, 10, 476. [Google Scholar] [CrossRef]
 














Disclaimer/Publisher’s Note: The statements, opinions and data contained in all publications are solely those of the individual author(s) and contributor(s) and not of MDPI and/or the editor(s). MDPI and/or the editor(s) disclaim responsibility for any injury to people or property resulting from any ideas, methods, instructions or products referred to in the content.  | 
© 2023 by the authors. Licensee MDPI, Basel, Switzerland. This article is an open access article distributed under the terms and conditions of the Creative Commons Attribution (CC BY) license (https://creativecommons.org/licenses/by/4.0/).
Share and Cite
Zhang, C.; Zhang, Y.; Wang, X.; Meng, H. Study of Nonlinear Excitation Circuits for Fluxgate Magnetometer. Sensors 2023, 23, 2618. https://doi.org/10.3390/s23052618
Zhang C, Zhang Y, Wang X, Meng H. Study of Nonlinear Excitation Circuits for Fluxgate Magnetometer. Sensors. 2023; 23(5):2618. https://doi.org/10.3390/s23052618
Chicago/Turabian StyleZhang, Chenhao, Yiming Zhang, Xuhong Wang, and Hongyan Meng. 2023. "Study of Nonlinear Excitation Circuits for Fluxgate Magnetometer" Sensors 23, no. 5: 2618. https://doi.org/10.3390/s23052618
APA StyleZhang, C., Zhang, Y., Wang, X., & Meng, H. (2023). Study of Nonlinear Excitation Circuits for Fluxgate Magnetometer. Sensors, 23(5), 2618. https://doi.org/10.3390/s23052618
        
