System Identification Methodology of a Gas Turbine Based on Artificial Recurrent Neural Networks
Abstract
1. Introduction
2. Operation of the GT
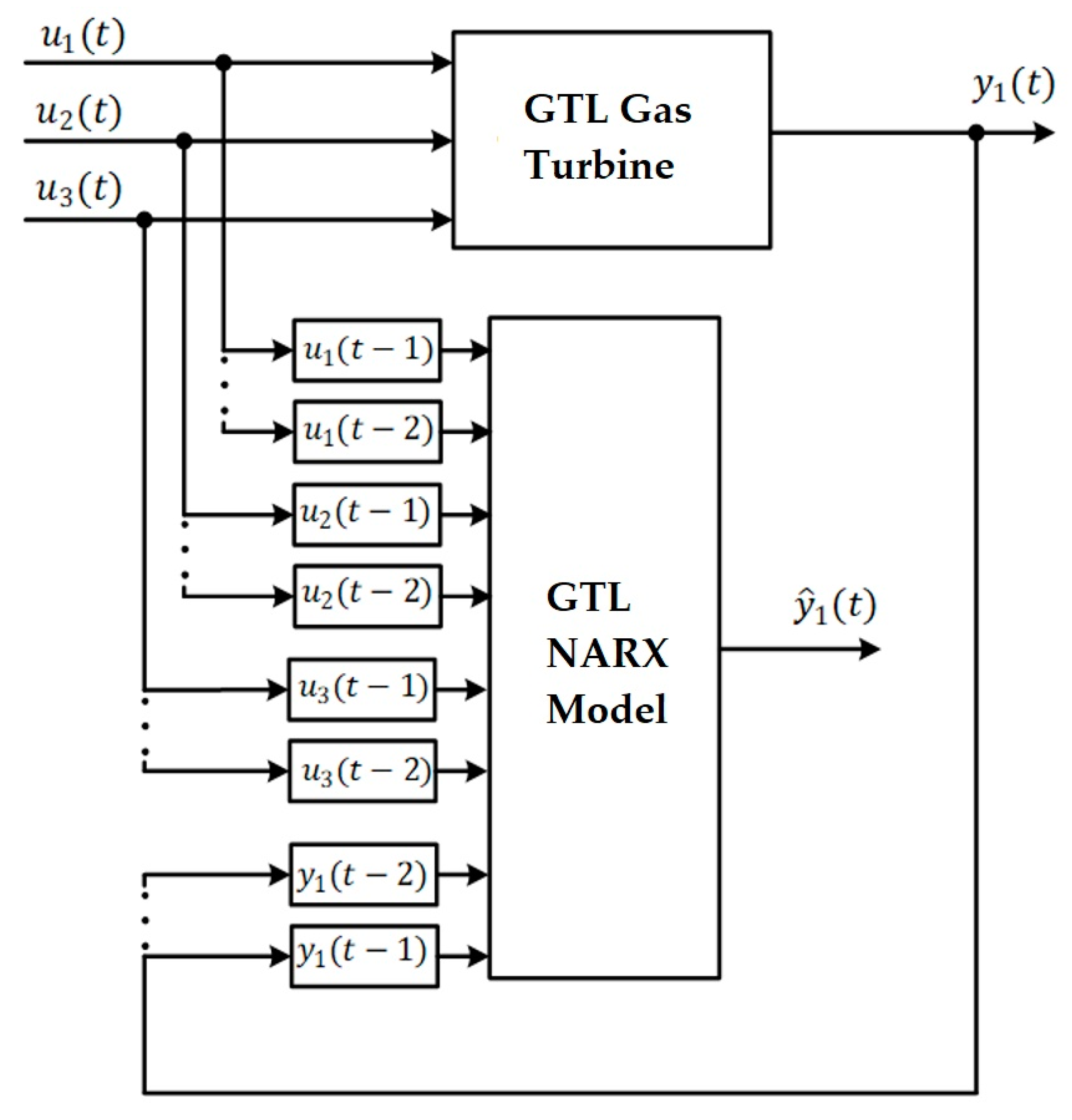
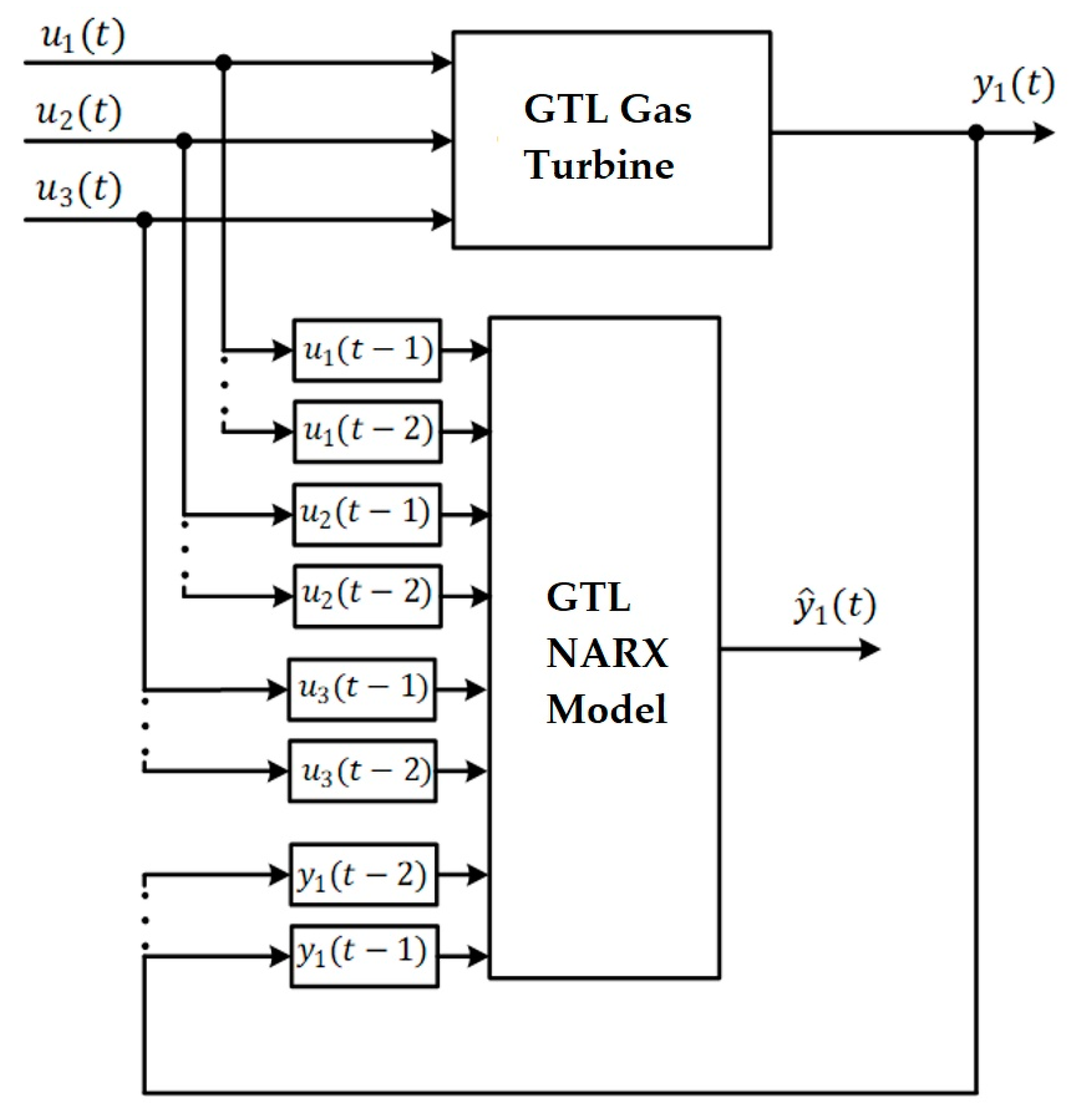
3. The NARX Model
4. Systematic Method to Build the NARX Model
4.1. GT Variables (P1)
4.2. Dataset (P2)
4.3. Preprocessing (P3)
4.4. Variable Selection (P4)
4.5. Error Metrics (P5)
4.6. Design (P6)
4.7. Training and Validation (P7)
4.8. Fine Tuning (P8)
4.9. Testing (P9)
5. Case Study: Single Shaft Open Cycle Gas Turbine
6. Conclusions
Author Contributions
Funding
Institutional Review Board Statement
Informed Consent Statement
Data Availability Statement
Conflicts of Interest
References
- Singh, R.; Setiawan, A.D. Biomass energy policies and strategies: Harvesting potential in India and Indonesia. Renew. Sustain. Energy Rev. 2013, 22, 332–345. [Google Scholar] [CrossRef]
- Aslanidou, I.; Rahman, M.; Zaccaria, V.; Kyprianidis, K.G. Micro Gas Turbines in the Future Smart Energy System: Fleet Monitoring, Diagnostics, and System Level Requirements. Front. Mech. Eng. 2021, 7, 676853. [Google Scholar] [CrossRef]
- Giampaolo, T. Gas Turbine Handbook: Principles and Practices, 3rd ed.; Fairmont Press/CRC Press: Lilburn, GA, USA, 2006; Available online: https://www.academia.edu/8075953/Gas_Turbine_Handbook_Principles_and_Practices (accessed on 14 May 2022).
- Rodriguez, A.; Garduno, R.; Gerardo, L. PI Fuzzy Gain-Scheduling Speed Control at Startup of a Gas-Turbine Power Plant. IEEE Trans. Energy Convers. 2011, 26, 310–317. [Google Scholar] [CrossRef]
- Bahlawan, H.; Morini, M.; Pinelli, M.; Spina, P.R.; Venturini, M. Development of Reliable NARX Models of Gas Turbine Cold, Warm, and Hot Start-Up. J. Eng. Gas Turbines Power 2018, 140, 071202-1. [Google Scholar] [CrossRef]
- Yoru, Y.; Karakoc, T.H.; Hepbasli, A. Application of Artificial Neural Network (ANN) Method to Exergetic Analysis of Gas Turbines. In Proceedings of the International Symposium on Heat Transfer in Gas Turbine Systems, Antalya, Turkey, 9–14 August 2009; Available online: https://www.researchgate.net/publication/256002552_APPLICATION_OF_ARTIFICIAL_NEURAL_NETWORK_ANN_METHOD_TO_EXERGETIC_ANALYSES_OF_GAS_TURBINES (accessed on 24 November 2022).
- Boyce, M.P. Gas Turbine Engineering Handbook, 4th ed.; Gulf Professional Publishing: Houston, TX, USA, 2012; Available online: https://www.elsevier.com/books/gas-turbine-engineering-handbook/boyce/978-0-12-383842-1 (accessed on 24 November 2022).
- Schobeiri, M.T.; Attia, M.; Lippke, C. GETRAN: A generic, modularly structured computer code for simulation of dynamic behavior of aero- and power generation gas turbine engines. J. Eng. Gas Turbine Power 1994, 116, 483–494. [Google Scholar] [CrossRef]
- Agarwal, M. A systematic classification of neural-network-based control. Control Syst. 1997, 17, 75–93. [Google Scholar]
- Agüero, J.L.; Beroqui, M.; Molina, R. Combined cycle plants: Models and in-situ reliability tests. In Proceedings of the Power Engineering Society Summer Meeting. Conference Proceedings, Vancouver, BC, Canada, 15–19 July 2001; pp. 1788–1793, Cat. No. 01CH37262. [Google Scholar]
- Bahrami, S.; Ghaffari, A.; Sadati, S.; Thern, M. Identifying a simplified model for heavy duty gas turbine. J. Mech. Sci. Technol. 2014, 28, 2399–2408. [Google Scholar] [CrossRef]
- Ghorbani, H.; Ghaffari, A.; Rahnama, M. Constrained model predictive control implementation for a heavy-duty gas turbine power plant. WSEAS Trans. Syst. Control 2008, 3, 507–516. [Google Scholar]
- Reale, F.; Sannino, R. Numerical Modeling of Energy Systems Based on Micro Gas Turbine: A Review. Energies 2022, 15, 900. [Google Scholar] [CrossRef]
- Verda, V.; Borchiellini, R. Exergetic and economic evaluation of control strategies for a gas turbine plant. J. Energy 2004, 29, 2253–2271. [Google Scholar] [CrossRef]
- Rowen, W.I. Simplified mathematical representations of single-shaft gas turbines in mechanical drive service. Turbomach. Int. 1992, 33, 26–32. [Google Scholar]
- Sajad, A.; Mokrova, N.V. Black-Box Identification of Gas Turbine Output Parameters Using Dynamic Neural Network. In Proceedings of the International Multi-Conference on Industrial Engineering and Modern Technologies (FarEastCon), Vladivostok, Russia, 6–7 October 2020. [Google Scholar] [CrossRef]
- Salehi, A.; Montazeri-Gh, M. Black box modeling of a turboshaft gas turbine engine fuel control unit based on neural NARX. J. Eng. Marit. Environ. 2018, 233, 1–8. [Google Scholar] [CrossRef]
- Hanachi, H.; Liu, J.; Mechefske, C. Multi-mode diagnosis of a gas turbine engine using an adaptive neuro-fuzzy system. Chin. J. Aeronaut. 2017, 31, 1–9. [Google Scholar] [CrossRef]
- Nikpey, H.; Assadi, M.; Breuhaus, P.; Mørkved, P.T. Experimental evaluation and ANN modeling of a recuperative micro gas turbine burning mixtures of natural gas and biogas. Appl. Energy 2014, 117, 30–41. [Google Scholar] [CrossRef]
- De Giorgi, M.G.; Strafella, L.; Ficarella, A. Neural Nonlinear Autoregressive Model with Exogenous Input (NARX) for Turboshaft Aeroengine Fuel Control Unit Model. Aerospace 2021, 8, 206. [Google Scholar] [CrossRef]
- Ruanoa, A.E.; Flemingb, P.J.; Teixeiraa, C.; Rodríguez, K.; Fonseca, C.M. Nonlinear identication ofaircraft gas-turbine dynamics. Neurocomputing 2003, 55, 551–579. [Google Scholar] [CrossRef]
- Asgari, H.; Chen, X.; Morini, M.; Pinelli, M.; Sainudiin, R.; Ruggero, P.; Venturini, M. NARX Models for Simulation of the Start-up Operation of a Single-Shaft Gas Turbine. Appl. Therm. Eng. 2015, 93, 368–376. [Google Scholar] [CrossRef]
- Han, J.C. Fundamental Gas Turbine Heat Transfer. J. Therm. Sci. Eng. Appl. 2013, 5, 021007–1. [Google Scholar] [CrossRef]
- Asgari, H.; Chen, X. Gas Turbines Modeling, Simulation, and Control Using Artificial Neural Networks; CRC Press: Boca Raton, FL, USA; Taylor & Francis Group: Abingdon, UK, 2016; Available online: https://www.taylorfrancis.com/books/mono/10.1201/b18956/gas-turbines-modeling-simulation-control-hamid-asgari-xiaoqi-chen (accessed on 23 November 2022).
- Ibrahem, M.A.; Akhrif, O.; Moustapha, H.; Staniszewski, M. Nonlinear generalized predictive controller based on ensemble of NARX models for industrial gas turbine engine. Energy 2021, 230, 120700. [Google Scholar] [CrossRef]
- Moursi, A.S.A.; El-Fishawy, N.; Djahel, S.; Shouman, M.A. Enhancing PM2.5 Prediction Using NARX-Based Combined CNN and LSTM Hybrid Model. Sensors 2022, 22, 4418. [Google Scholar] [CrossRef]
- Bartolini, C.M.; Caresana, F.; Comodi, G.; Pelagalli, L.; Renzi, M.; Vagni, S. Application of artificial neural networks to micro gas turbines. Energy Convers. Manag. 2011, 52, 781–788. [Google Scholar] [CrossRef]
- Rahmounea, M.B.; Hafaifaa, A.; Kouzoua, A.; Chenc, X.; Chaibetd, A. Gas turbine monitoring using neural network dynamic nonlinearautoregressive with external exogenous input modeling. Math. Comput. Simul. 2021, 179, 23–47. [Google Scholar] [CrossRef]
- Asgari, H.; Chen, X.; Mohammad, B.; Sainudiin, R. Artificial Neural Network Based System Identification for a Single-Shaft Gas Turbine. J. Eng. Gas Turbines Power 2013, 135, 092601–1. [Google Scholar] [CrossRef]
- Asgari, H.; Chen, X.; Menhaj, M.B.; Sainudiin, R. Modeling and Simulation of the Start-Up Operation of a Heavy-Duty Gas Turbine by Using NARX Models. In Proceedings of the ASME Turbo Expo, American Society of Mechanical Engineers. New York, NY, USA, 2014; Volume 3A. [Google Scholar] [CrossRef]
- Nikpey, H.; Assadi, M.; Breuhaus, P. Development of an optimized artificial neural network model for combined heat and power micro gas turbines. Appl. Energy 2013, 108, 137–148. [Google Scholar] [CrossRef]
- Diaconescu, E. The use of NARX Neural Networks to predict Chaotic Time Series. WSEAS Trans. Comput. Res. 2008, 3, 182–191. [Google Scholar]
- McKinney, W. Python for Data Analysis, Data Wrangling with Pandas, NumPy, and IPython, 2nd ed.; O’Reilly Media, Inc.: Sebastopol, CA, USA, 2018. [Google Scholar]
- Zaki, M.J.; Meira, W. Data Mining and Analysis, Foundations and Algorithms; Cambridge University Press: Cambridge, UK, 2014; pp. 202–208. ISBN 978-0-521-76633-3. [Google Scholar]
- García, S.; Luengo, J.; Herrera, F. Data Preprocessing in Data Mining; Springer International Publishing: Cham, Switzerland, 2015; pp. 140–151. [Google Scholar] [CrossRef]
- Spiegel, M.R. Theory and Problems of Statistics; McGraw Hill: New York, NY, USA, 1999; pp. 311–318. ISBN -0-07-060282-6. [Google Scholar]
- Moon, S.W.; Kim, T.S. Advanced Gas Turbine Control Logic Using Black Box Models for Enhancing Operational Flexibility and Stability. Energies 2020, 13, 5703. [Google Scholar] [CrossRef]
- Alsarayreh, M.; Mohamed, O.; Matar, M. Modeling a Practical Dual-Fuel Gas Turbine Power Generation System Using Dynamic Neural Network and Deep Learning. Sustaninability 2022, 14, 870. [Google Scholar] [CrossRef]
- PAwełczyk, M.; FularA, S.; SePe, M.; De lucha, A.; Badora, M. IndustrIal gas turbIne operatIng parameters monitoring and data-driven prediction. Eksploat. I NiEzawodNosc–MaiNtENaNcE REliability 2020, 22, 2020. [Google Scholar] [CrossRef]
- De Giorgi, M.G.; Quarta, M. Hybrid MultiGene Genetic Programming-Artificial neural networks approach for dynamic performance prediction of an aeroengine. Aerosp. Sci. Technol. 2020, 103, 105902. [Google Scholar] [CrossRef]
- Mohamed, O.; Khalil, A. Progress in Modeling and Control of Gas Turbine Power Generation Systems: A Survey. Energies 2020, 13, 2358. [Google Scholar] [CrossRef]
- Hamid, A.; Ory, E. Prediction of Dynamic Behavior of a Single Shaft Gas Turbine Using NARX Models. In Proceedings of the ASME Turbo Expo 2021: Turbomachinery Technical Conference and Exposition, Virtual, Online, 7–11 June 2021. [Google Scholar] [CrossRef]
- Lazzaretto, A.; Toffolo, A. Analytical and Neural Network Models for Gas Turbine Design and Off-Design Simulation. J. Appl. Thermodyn. 2001, 4, 173–182. [Google Scholar]
- Witten, I.H.; Frank, E.; Hall, M.A. Data Mining: Practical Machine Learning Tools and Techniques, 3rd ed.; Morgan Kaufmann Publishers: Burlington, MA, USA, 2011; Chapter 6; pp. 235–241. [Google Scholar]
- Géron, A. Hands-On Machine Learning with Scikit-Learn, Keras, and TensorFlow, 2nd ed.; O’Reilly Media, Inc.: Sevastopol, CA, USA, 2019; Chapter 18. [Google Scholar]
- Tsogkas, S. matlab-utils/crossValidation.m; GitHub, Inc.: San Francisco, CA, USA, 2014; Available online: https://github.com/tsogkas/matlab-utils/blob/master/crossValidation.m (accessed on 26 November 2022).
- MATLAB R2022b. Cross-Validate Machine Learning Model. MathWorks Help Center. 2022. Available online: https://es.mathworks.com/help/stats/classificationsvm.crossval.html (accessed on 26 November 2022).
- Stack Overflow. Cross Validation in Weka. Available online: https://stackoverflow.com/questions/10437677/cross-validation-in-weka (accessed on 26 November 2022).
- Unpingco, J. Python for Probability, Statistics, and Machine Learning; Springer International Publishing: Cham, Switzerland, 2016; Chapter 4; pp. 215–222. [Google Scholar]
- Dreyfus, G. Neural Networks, Methodology and Applications, 2nd ed.; Springer: Berlin/Heidelberg, Germany, 2004; Chapter 4; p. 260. [Google Scholar]
- Foust, A. Siemens Expands Footprint in the Middle East with SGT6-5000F Power Plant Solutions and New Gas Turbine Manufacturing Facility; Siemens AG Energy Sector: Munich, Germany, 2012; Available online: https://www.siemens-energy.com/global/en/offerings/power-generation/gas-turbines/sgt6-5000f.html (accessed on 26 November 2022).













| Characteristic | Value |
|---|---|
| Number of axes | 1 |
| Rotational speed | 3600 rpm |
| Compression ratio | 15.8 |
| Inlet temperature | 599 °C |
| Outlet temperature | 1327 °C |
| Airflow range | 571 kg/s |
| Power | 215 MW |
| Heat ratio | 9643 kJ/kWh |
| Efficiency | 39.5 % |
| Input Variables | Output Variables |
|---|---|
| u1(t): Gas fuel flow (kg/s) | y1(t): Angular speed (RPM) |
| u2(t): Inlet air temperatura (°C) | |
| u3(t): Barometric pressure (INH2O) | |
| u4(t): Megawatt selected (MW) | |
| u5(t): Inlet pressure (kPa) |
Disclaimer/Publisher’s Note: The statements, opinions and data contained in all publications are solely those of the individual author(s) and contributor(s) and not of MDPI and/or the editor(s). MDPI and/or the editor(s) disclaim responsibility for any injury to people or property resulting from any ideas, methods, instructions or products referred to in the content. |
© 2023 by the authors. Licensee MDPI, Basel, Switzerland. This article is an open access article distributed under the terms and conditions of the Creative Commons Attribution (CC BY) license (https://creativecommons.org/licenses/by/4.0/).
Share and Cite
Aquize, R.; Cajahuaringa, A.; Machuca, J.; Mauricio, D.; Mauricio Villanueva, J.M. System Identification Methodology of a Gas Turbine Based on Artificial Recurrent Neural Networks. Sensors 2023, 23, 2231. https://doi.org/10.3390/s23042231
Aquize R, Cajahuaringa A, Machuca J, Mauricio D, Mauricio Villanueva JM. System Identification Methodology of a Gas Turbine Based on Artificial Recurrent Neural Networks. Sensors. 2023; 23(4):2231. https://doi.org/10.3390/s23042231
Chicago/Turabian StyleAquize, Rubén, Armando Cajahuaringa, José Machuca, David Mauricio, and Juan M. Mauricio Villanueva. 2023. "System Identification Methodology of a Gas Turbine Based on Artificial Recurrent Neural Networks" Sensors 23, no. 4: 2231. https://doi.org/10.3390/s23042231
APA StyleAquize, R., Cajahuaringa, A., Machuca, J., Mauricio, D., & Mauricio Villanueva, J. M. (2023). System Identification Methodology of a Gas Turbine Based on Artificial Recurrent Neural Networks. Sensors, 23(4), 2231. https://doi.org/10.3390/s23042231

