A CMOS Image Sensor Dark Current Compensation Using In-Pixel Temperature Sensors †
Abstract
:1. Introduction
2. CMOS Image Sensor with In-Pixel Temperature Sensors
2.1. In-Pixel Temperature Sensor Based on 4T CMOS Image Sensor
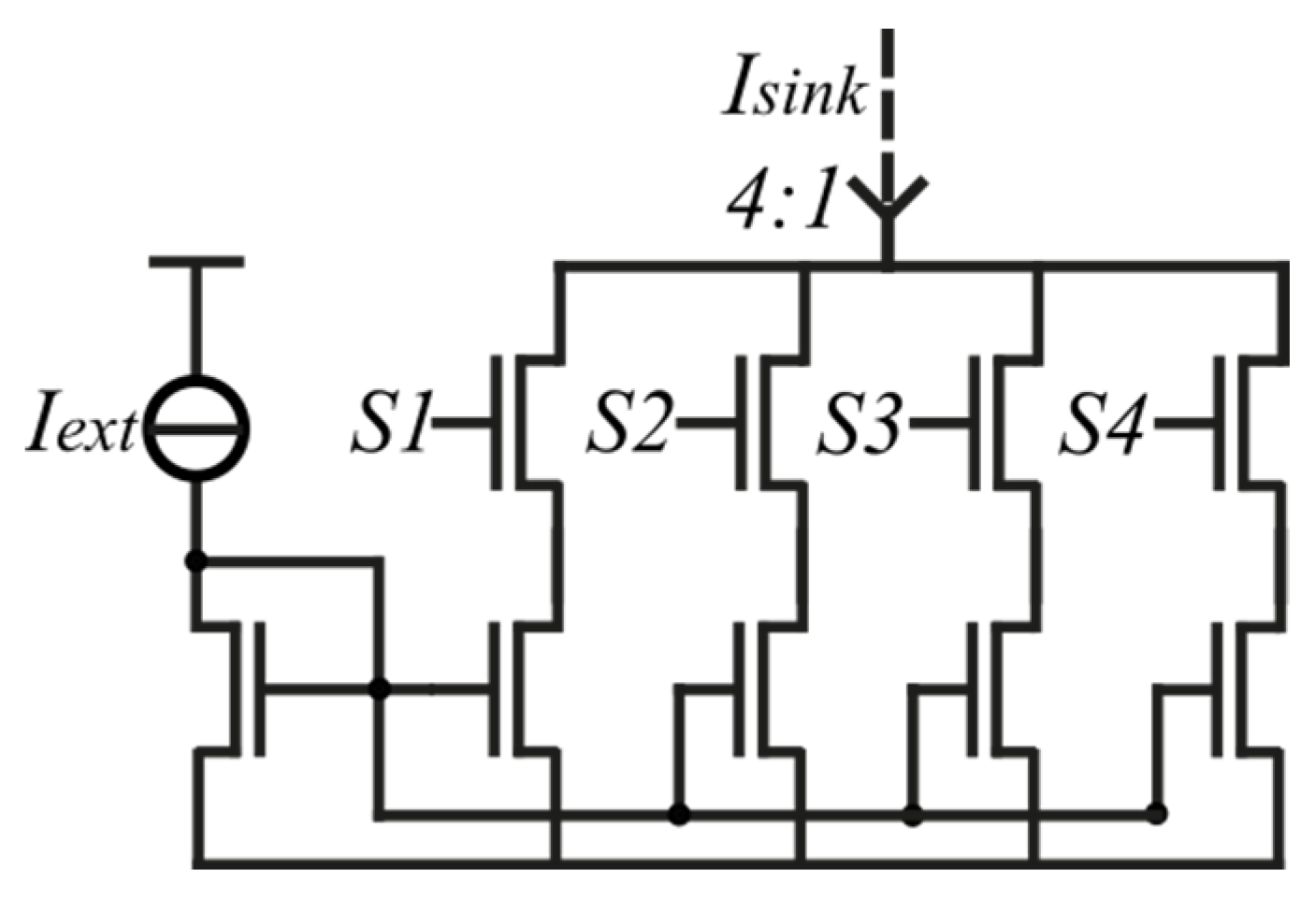
2.2. Read-Out System
3. Dark Current Compensation Technique
4. Measurement Results and Discussion
4.1. Parameters of the Pixel
4.2. Dark Signal and Dark Current
4.3. Temperature Sensor
4.4. Dark Current Compensation Technique
4.5. Discussion
5. Conclusions
Author Contributions
Funding
Institutional Review Board Statement
Informed Consent Statement
Data Availability Statement
Acknowledgments
Conflicts of Interest
References
- De Graaf, G.; Abarca Prouza, A.; Wolffenbuttel, R.F. Flow compensation in a MEMS dual-thermal conductivity detector for hydrogen sensing in natural gas. In Proceedings of the 18th International Conference on Solid-State Sensors, Actuators and Microsystems (TRANSDUCERS), Anchorage, AK, USA, 21–25 June 2015; pp. 1203–1206. [Google Scholar] [CrossRef]
- Roche, P.; Lysinger, M.; Gasiot, G.; Daveau, J.-M.; Zamanian, M.; Dautriche, P. Growing Interest of Advanced Commercial CMOS Technologies for Space and Medical Applications. Illustration with a New Nano-Power and Radiation-Hardened SRAM in 130 nm CMOS. In Proceedings of the 2008 14th IEEE International On-Line Testing Symposium, Rhodes, Greece, 7–9 July 2008; pp. 46–48. [Google Scholar] [CrossRef]
- Wong, L.S.Y.; Hossain, S.; Ta, A.; Edvinsson, J.; Rivas, D.H.; Naas, H. A very low-power CMOS mixed-signal IC for implantable pacemaker applications. IEEE J. Solid-State Circuits 2004, 39, 2446–2456. [Google Scholar] [CrossRef]
- Sherry, H.; Grzyb, J.; Zhao, Y.; Al Hadi, R.; Cathelin, A.; Kaiser, A.; Pfeiffer, U. A 1kpixel CMOS camera chip for 25fps real-time terahertz imaging applications. In Proceedings of the 2012 IEEE International Solid-State Circuits Conference, San Francisco, CA, USA, 19–23 February 2012; pp. 252–254. [Google Scholar] [CrossRef]
- Teuner, A.; Hillebrand, M.; Hosticka, B.J.; Park, S.-B.; Santos Conde, J.E.; Stevanovic, N. Surveillance sensor systems using CMOS imagers. In Proceedings of the 10th International Conference on Image Analysis and Processing, Venice, Italy, 27–29 September 1999; pp. 1124–1127. [Google Scholar] [CrossRef]
- Ay, S.U.; Lesser, M.P.; Fossum, E.R. CMOS active pixel sensor (APS) imager for scientific applications. In Proceedings of the SPIE the International Society for Optical Engineering, Waikoloa, HI, USA, 24 December 2002; Volume 4836, pp. 271–278. [Google Scholar]
- Schanz, M.; Nitta, C.; Bubmann, A.; Hosticka, B.J.; Wertheimer, R.K. A high-dynamic-range CMOS image sensor for automotive applications. IEEE J. Solid-State Circuits 2000, 35, 932–938. [Google Scholar] [CrossRef]
- Janesick, J.; Putnam, G. Developments and applications of high-performance CCD and CMOS imaging arrays. Annu. Rev. Nucl. Part. Sci. 2003, 53, 263–300. [Google Scholar] [CrossRef]
- McIlrath, L.G. A low-power low-noise ultrawide-dynamic-range CMOS imager with pixel-parallel A/D conversion. IEEE J. Solid-State Circuits 2001, 36, 846–853. [Google Scholar] [CrossRef]
- El-Desouki, M.; Jamal Deen, M.; Fang, Q.; Liu, L.; Tse, F.; Armstrong, D. CMOS Image Sensors for High Speed Applications. Sensors 2009, 9, 430–444. [Google Scholar] [CrossRef] [PubMed]
- Sukhavasi, S.B.; Sukhavasi, S.B.; Elleithy, K.; Abuzneid, S.; Elleithy, A. CMOS Image Sensors in Surveillance System Applications. Sensors 2021, 21, 488. [Google Scholar] [CrossRef] [PubMed]
- Hsiu-Yu, C.; Ya-Chin, K. An ultra-low dark current CMOS imager sensor cell using n+ ring reset. IEEE Electron. Device Lett. 2002, 23, 538–540. [Google Scholar] [CrossRef]
- Kwon, H.I.; Kang, I.M.; Park, B.G.; Lee, J.D.; Park, S.S. The analysis of dark signals in the CMOS APS imagers from the characterization of test structures. IEEE Trans. Electron. Devices 2004, 51, 178–184. [Google Scholar] [CrossRef]
- Nakamura, J. Image Sensors and Signal Processing for Digital Still Cameras; Taylor & Francis Group: New York, NY, USA, 2005; pp. 67–72. [Google Scholar]
- Joseph, D.; Collins, S. Temperature Dependence of Fixed Pattern Noise in Logarithmic CMOS Image Sensors. In Proceedings of the 2007 IEEE Instrumentation & Measurement Technology Conference IMTC 2007, Warsaw, Poland, 1–3 May 2007; pp. 1–6. [Google Scholar] [CrossRef]
- Ackland, B.; Dickinson, D. Camera on a chip. In Proceedings of the 1996 IEEE International Solid-State Circuits Conference. Digest of Technical Papers, ISSCC, San Francisco, CA, USA, 10 February 1996; pp. 22–25. [Google Scholar] [CrossRef]
- Yu-Chuan, S.; Chung-Yu, W. A new CMOS pixel structure for low-dark-current and large-array-size still imager applications. IEEE Trans. Circuits Syst. I 2004, 51, 2204–2214. [Google Scholar] [CrossRef]
- Wang, X. Noise in Sub-Micron CMOS Image Sensors. Ph.D. Dissertation, Delft University of Technology, Delft, The Netherlands, 2008; pp. 46–68. [Google Scholar]
- Baranov, P.S.; Litvin, V.T.; Belous, D.A.; Mantsvetov, A.A. Dark current of the solid-state imagers at high temperature. In Proceedings of the IEEE Conference of Russian Young Researchers in Electrical and Electronic Engineering (EIConRus), St. Petersburg and Moscow, Russia, 1–3 February 2017; pp. 635–638. [Google Scholar] [CrossRef]
- Widenhorn, R.; Blouke, M.; Weber, A.; Rest, A.; Bodegom, E. Temperature dependence of dark current in a CCD. Electron. Imaging 2002, 4669, 193–201. [Google Scholar] [CrossRef]
- Abarca, A.; Theuwissen, A. Dark current compensation of a CMOS image sensor by using in-pixel temperature sensors. In Proceedings of the International Image Sensor Workshop 2023, Edinburgh, UK, 21–25 May 2023. [Google Scholar]
- Blouke, M.M. Diffusion dark current in front-illuminated CCDs and CMOS image sensors. In Proceedings of the Sensors, Cameras, and Systems for Industrial and Scientific Applications XIII, Burlingame, CA, USA, 29 February 2008; pp. 1–15. [Google Scholar] [CrossRef]
- Yasutomi, K.; Sadanaga, Y.; Takasawa, T.; Itoh, S.; Kawahito, S. Dark current characterization of CMOS global shutter pixels using pinned storage diodes. In Proceedings of the International Image Sensor Workshop—IISW, Hokkaido, Japan, 8−11 June 2011; pp. 8–11. [Google Scholar]
- Porter, W.C.; Kopp, B.; Dunlap, J.C.; Widenhorn, R.; Bodegom, E. Dark current measurements in a CMOS imager. In Proceedings of the Sensors, Cameras, and Systems for Industrial/Scientific Applications IX, San Jose, CA, USA, 29 February 2008; pp. 1–8. [Google Scholar] [CrossRef]
- Widenhorn, R.; Rest, A.; Blouke, M.; Berry, R.; Bodegom, E. Computation of dark frames in digital imagers. Electron. Imaging 2007, 6501, 650103–650111. [Google Scholar] [CrossRef]
- Beaudoin, P.M.; Audet, Y.; Ponce-Ponce, V.H. Dark current compensation in CMOS image sensors using a differential pixel architecture. In Proceedings of the 2009 Joint IEEE North-East Workshop on Circuits and Systems and TAISA Conference, Toulouse, France, 28 June–1 July 2009; pp. 1–4. [Google Scholar] [CrossRef]
- Abarca, A.; Xie, S.; Markenhof, J.; Theuwissen, A. Temperature Sensors Integrated into a CMOS Image Sensor. Proceedings 2017, 1, 358. [Google Scholar] [CrossRef]
- Abarca, A.; Xie, S.; Markenhof, J.; Theuwissen, A. Integration of 555 temperature sensors into a 64 × 192 CMOS image sensor. Sens. Actuators A Phys. 2018, 282, 243–250. [Google Scholar] [CrossRef]
- Abarca, A.; Theuwissen, A. In-Pixel Temperature Sensors with an Accuracy of ±0.25 °C, a 3σ Variation of ±0.7 °C in the Spatial Domain and a 3σ Variation of ±1 °C in the Temporal Domain. Micromachines 2020, 11, 665. [Google Scholar] [CrossRef] [PubMed]
- AD9826. Available online: https://www.analog.com/media/en/technical-documentation/data-sheets/AD9826.pdf (accessed on 5 September 2023).
- Fossum, E.R.; Hondongwa, D.B. A Review of the Pinned Photodiode for CCD and CMOS Image Sensors. IEEE J. Electron. Devices Soc. 2014, 2, 33–43. [Google Scholar] [CrossRef]
- Law, K.; Bermak, A.; Luong, H.C. A Sub-µW Embedded CMOS Temperature Sensor for RFID Food Monitoring Application. IEEE J. Solid-State Circuits 2010, 45, 1246–1252. [Google Scholar] [CrossRef]
- Abarca, A. In-Pixel Temperature Sensors for Dark Current Compensation of a CMOS Image Sensor. Ph.D. Dissertation, Delft University of Technology, Delft, The Netherlands, 13 September 2021. [Google Scholar] [CrossRef]
- Wang, F.; Theuwissen, A.J.P. Temperature Effect on the Linearity Performance of a CMOS Image Sensor. IEEE Sens. Lett. 2018, 2, 1–4. [Google Scholar] [CrossRef]
- Xie, S.; Theuwissen, A. Compensation for Process and Temperature Dependency in a CMOS Image Sensor. Sensors 2019, 19, 870. [Google Scholar] [CrossRef] [PubMed]
- Onaka-Masada, A.; Kadono, T.; Okuyama, R.; Hirose, R.; Kobayashi, K.; Suzuki, A.; Koga, Y.; Kurita, K. Reduction of Dark Current in CMOS Image Sensor Pixels Using Hydrocarbon-Molecular-Ion-Implanted Double Epitaxial Si Wafers. Sensors 2020, 20, 6620. [Google Scholar] [CrossRef] [PubMed]
















| Temperature [°C] | Exposure Time [s] | Median Value [%] | Nonuniformity [%] |
|---|---|---|---|
| −30 | 8 | 84 | 45 |
| −30 | 10 | 83 | 45 |
| −10 | 8 | 83 | 46 |
| 20 | 2 | 82 | 55 |
| 20 | 3 | 82 | 53 |
| 70 | 0.5 | 80 | 64 |
| 90 | 0.1 | 80 | 65 |
Disclaimer/Publisher’s Note: The statements, opinions and data contained in all publications are solely those of the individual author(s) and contributor(s) and not of MDPI and/or the editor(s). MDPI and/or the editor(s) disclaim responsibility for any injury to people or property resulting from any ideas, methods, instructions or products referred to in the content. |
© 2023 by the authors. Licensee MDPI, Basel, Switzerland. This article is an open access article distributed under the terms and conditions of the Creative Commons Attribution (CC BY) license (https://creativecommons.org/licenses/by/4.0/).
Share and Cite
Abarca, A.; Theuwissen, A. A CMOS Image Sensor Dark Current Compensation Using In-Pixel Temperature Sensors. Sensors 2023, 23, 9109. https://doi.org/10.3390/s23229109
Abarca A, Theuwissen A. A CMOS Image Sensor Dark Current Compensation Using In-Pixel Temperature Sensors. Sensors. 2023; 23(22):9109. https://doi.org/10.3390/s23229109
Chicago/Turabian StyleAbarca, Accel, and Albert Theuwissen. 2023. "A CMOS Image Sensor Dark Current Compensation Using In-Pixel Temperature Sensors" Sensors 23, no. 22: 9109. https://doi.org/10.3390/s23229109
APA StyleAbarca, A., & Theuwissen, A. (2023). A CMOS Image Sensor Dark Current Compensation Using In-Pixel Temperature Sensors. Sensors, 23(22), 9109. https://doi.org/10.3390/s23229109
