Active Reduction of Apparent Cable Capacitance
Abstract
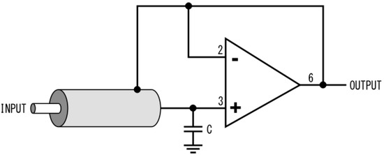
:1. Introduction
Cable Insulation
2. Materials and Methods
2.1. Simulation
- Active compensation;
- Compensation off.
2.2. Experiment
3. Results
4. Discussion
Author Contributions
Funding
Data Availability Statement
Conflicts of Interest
Abbreviations
| ARPA-E | Advanced Research Projects Agency-Energy |
| AWG | American Wire Gauge |
| DOE | Department of Energy |
| MSR | Molten Salt Reactor |
| NASA | National Aeronautical and Space Administration |
References
- Design and Fabrication of High-Temperature Radial Magnetic Bearing for Turbomachinery; Technical Report TM-2003-212300; NASA: Cleveland, OH, USA, 2003.
- Melin, A.M.; Kisner, R.A.; Drira, A.; Reed, F.K. Embedded Sensors and Controls to Improve Component Performance and Reliability—Bench-Scale Testbed Design Report; Technical Report ORNL/TM–2015/584, 1239763; Oak Ridge National Laboratory: Oak Ridge, TN, USA, 2015. [CrossRef]
- Melin, A.M.; Kisner, R.A. Embedded Sensors and Controls to Improve Component Performance and Reliability—Loop-Scale Testbed Design Report; Technical Report ORNL/TM–2016/563, 1338544; Oak Ridge National Laboratory: Oak Ridge, TN, USA, 2016. [CrossRef]
- EIA Standard RS-232-C: Interface between Data Terminal Equipment and Data Communication Equipment Employing Serial Binary Data Interchange; Electronic Industries Associations: Washington, DC, USA, 1969.
- Carlson, B. Maximum transmission distance for RS-232 computer cables. In Proceedings of the Conference Record of 1988 Annual Pulp and Paper Industry Technical Conference, Milwaukee, WI, USA, 6–10 June 1988; IEEE: Milwaukee, WI, USA, 1988; pp. 86–93. [Google Scholar] [CrossRef]
- Beaman, B. High performance mainframe computer cables. In Proceedings of the 1997 Proceedings 47th Electronic Components and Technology Conference, San Jose, CA, USA, 18–21 May 1997; IEEE: San Jose, CA, USA, 1997; pp. 911–917. [Google Scholar] [CrossRef]
- Konovalov, V. Determining the maximum permissible control cable lengths and measures to counteract excessive cable capacitance. In Proceedings of the 2008 International Conference—Modern Technique and Technologies, Tomsk, Russia, 24–28 March 2008; IEEE: Tomsk, Russia, 2008; pp. 32–35. [Google Scholar] [CrossRef]
- Shielded & Coaxial Cable Catalog; National Wire and Cable, Los Angeles, CA, USA. Available online: https://www.nationalwire.com/pdf/cat04_coaxial_cables.pdf (accessed on 15 September 2023).
- Widlar, R. Application Note 241 Working with High Impedance Op Amps; Texas Instruments: Dallas, TX, USA, 1998. Available online: https://www.ti.com/lit/an/snoa664/snoa664.pdf (accessed on 15 September 2023).
- Ultra Low Input Bias Current Instrumentation Amplifier; Burr-Brown: Tuscon, AZ, USA, 1994. Available online: https://www.ti.com/lit/ds/symlink/ina116.pdf (accessed on 15 September 2023).
- Hornak, J.; Trnka, P.; Kadlec, P.; Michal, O.; Mentlík, V.; Šutta, P.; Csányi, G.; Tamus, Z. Magnesium Oxide Nanoparticles: Dielectric Properties, Surface Functionalization and Improvement of Epoxy-Based Composites Insulating Properties. Nanomaterials 2018, 8, 381. [Google Scholar] [CrossRef] [PubMed]
- Haynes, W.M.; Lide, D.R.; Bruno, T.J. (Eds.) CRC Handbook of Chemistry and Physics, 97th ed.; CRC Press: Boca Raton, FL, USA, 2016. [Google Scholar] [CrossRef]












| Layer | Material | Outer Diameter [mm] |
|---|---|---|
| Inner Conductor | Bare Copper Clad Steel | 0.48 |
| Insulation | Polyethylene | 1.52 |
| Shield Layer | Tinned Copper | 1.93 |
| Jacket | Polyvinyl Chloride | 2.80 |
| Layer | Material | Outer Diameter [mm] |
|---|---|---|
| Inner Conductor | Tinned Copper | 0.965 |
| Insulation | Polyethylene | 3.05 |
| Inner Shield | Tinned Copper | 3.61 |
| Inner Jacket | Polyethylene | 4.50 |
| Outer Shield | Tinned Copper | 5.05 |
| Outer Jacket | Polyvinyl Chloride | 6.12 |
| Measurement Point 1 | Cable Type | Cable Capacitance [pF] |
|---|---|---|
| ➀➁ | Triaxial | 777 |
| ➀➂ | Triaxial | 627 |
| ➁➂ | Triaxial | 3170 |
| ➀➂ | Coaxial | 783 |
Disclaimer/Publisher’s Note: The statements, opinions and data contained in all publications are solely those of the individual author(s) and contributor(s) and not of MDPI and/or the editor(s). MDPI and/or the editor(s) disclaim responsibility for any injury to people or property resulting from any ideas, methods, instructions or products referred to in the content. |
© 2023 by the authors. This manuscript has been authored by UT-Battelle, LLC, under contract DE-AC05-00OR22725 with the US Department of Energy (DOE). The US government retains and the publisher, by accepting the article for publication, acknowledges that the US government retains a nonexclusive, paid-up, irrevocable, worldwide license to publish or reproduce the published form of this manuscript, or allow others to do so, for US government purposes. DOE will provide public access to these results of federally sponsored research in accordance with the DOE Public Access Plan (https://www.energy.gov/doe-public-access-plan). Licensee MDPI, Basel, Switzerland. This article is an open access article distributed under the terms and conditions of the Creative Commons Attribution (CC BY) license (https://creativecommons.org/licenses/by/4.0/).
Share and Cite
Melin, A.; Roberts, M.; Kisner, R. Active Reduction of Apparent Cable Capacitance. Sensors 2023, 23, 8319. https://doi.org/10.3390/s23198319
Melin A, Roberts M, Kisner R. Active Reduction of Apparent Cable Capacitance. Sensors. 2023; 23(19):8319. https://doi.org/10.3390/s23198319
Chicago/Turabian StyleMelin, Alexander, Michael Roberts, and Roger Kisner. 2023. "Active Reduction of Apparent Cable Capacitance" Sensors 23, no. 19: 8319. https://doi.org/10.3390/s23198319
APA StyleMelin, A., Roberts, M., & Kisner, R. (2023). Active Reduction of Apparent Cable Capacitance. Sensors, 23(19), 8319. https://doi.org/10.3390/s23198319

