Abstract
The IEEE 802.11 wireless local-area network (WLAN) has been deployed around the globe as a major Internet access medium due to its low cost and high flexibility and capacity. Unfortunately, dense wireless networks can suffer from poor performance due to high levels of radio interference resulting from adjoining access points (APs). To address this problem, we studied the AP transmission power optimization method, which selects the maximum or minimum power supplied to each AP so that the average signal-to-interference ratio (SIR) among the concurrently communicating APs is maximized.However, this method requires measurements of receiving signal strength (RSS) under all the possible combinations of powers. It may need intolerable loads and time as the number of APs increases. It also only considers the use of channel bonding (CB), although non-CB sometimes achieves higher performance under high levels of interference. In this paper, we present an AP interface setup optimization method using the throughput estimation model for concurrently communicating APs. The proposed method selects CB or non-CB in addition to the maximum or minimum power for each AP. This model approach avoids expensive costs of RSS measurements under a number of combinations. To estimate the RSS at an AP from another AP or a host, the model needs the distance and the obstacles between them, such as walls. Then, by calculating the estimated RSS with the model and calculating the SIR from them, the AP interface setups for a lot of APs in a large-scale wireless network can be optimized on a computer in a very short time. For evaluation, we conducted extensive experiments using Raspberry Pi for APs and Linux PCs for hosts under 12 network topologies in three buildings at Okayama University, Japan, and Jatiya Kabi Kazi Nazrul Islam University, Bangladesh. The results confirm that the proposed method selects the best AP interface setup with the highest total throughput in any topology.
1. Introduction
The IEEE 802.11 wireless local area network (WLAN) has been deployed around the world as a major Internet access medium due to its simple installation, the low cost of devices, and its flexible extensions [1,2,3,4,5]. In a WLAN, a user is connected to an access point (AP) through a wireless medium to the Internet access service. Then, the connection capacity and the coverage area of the Internet service can be enhanced by installing new APs in the service field. As a result, a lot of APs are often installed randomly in service fields with default channel and power settings. Unplanned AP deployments result in dense WLAN environments, particularly in highly populated areas [6]. Figure 1 illustrates the dense WLAN deployment example.
Figure 1.
Dense WLAN deployment example.
With dense WLAN deployment, a user often suffers from poor network performance caused by interference among the radio signals for data transmission between APs and hosts using the same or similar radio frequencies that have overlapping spectra. This interference problem may be mitigated by allocating the non-interfered orthogonal channels to the APs [7,8,9]. However, the number of orthogonal channels is limited in the IEEE 802.11 WLAN. In the popular 2.4 GHz band, this number is limited to two for channel bonding (CB) channels and four for non-CB channels. It is noted that a CB channel is often used to enhance the transmission capacity in a WLAN by bonding two adjacent channels into one channel.
As another way to reduce the interference in the dense WLANs, a reduction in the transmission power of the AP should be considered. Low transmission power can shorten the transmission rage and make the interfered signal weak. However, it can also decrease the data transmission capacity of the link and the coverage area of the AP. Therefore, it is crucial to set the proper transmission power for each AP, considering the relative positions of the APs and the hosts in the network field.
To address the abovementioned problem, we previously proposed the AP transmission power optimization method for concurrently communicating APs in a WLAN. After assigning the orthogonal channels to minimize the interference, this method selects either the maximum or minimum transmission power to each AP such that the average signal-to-interference ratio (SIR) among the APs is maximized [10,11].
However, in this method, the necessary received signal strength (RSS) for calculating the SIR needs to be measured under the possible combinations of transmission powers of the APs. They include the RSS of the target signal from its associated host and the RSS of the interference signals from other Wi-Fi devices. The measurements may result in intolerable loads and time for the user when the number of APs increases. Furthermore, only the CB was considered in the previous method, although it was observed that the use of non-CB channels for some APs sometimes offers a higher throughput when the APs are very closely located in a dense WLAN. A non-CB channel can decrease spectrum overlapping among the APs and increase the number of orthogonal channels, which can make wireless links less susceptible to interference.
In this paper, we propose an AP interface setup optimization method using the throughput estimation model [12,13] for concurrently communicating APs. The method selects either the CB or non-CB, in addition to the selection of either the maximum or minimum transmission power to each AP. This model approach is adopted to avoid the costs of RSS measurements under this increasing number of combinations. Using the throughput estimation model, the necessary RSS to calculate the SIR under all combinations of the CB/non-CB and the maximum/minimum power is instantly estimated. After estimating the SIR, the best combination for the highest SIR is selected as the best AP interface setup.
For evaluations of the proposal, we conducted extensive experiments using Raspberry Pi for APs and Linux PCs for hosts under 12 network topologies in three buildings at Okayama University in Japan and at Jatiya Kabi Kazi Nazrul Islam University in Bangladesh. The results confirm that the proposed method selects the best AP interface setup of the CB/non-CB and the maximum/minimum transmission power selections that offers the highest total throughput in any topology.
The novelty of the proposed method is that the AP interface setup, including the selection of CB or non-CB and the selection of the maximum or minimum transmission power is optimized by the throughput estimation model simulations without conducting RSS measurement experiments under multiple combinations. The throughput estimation model is a simple two-stage model that can be easily implemented and tuned. To estimate the RSS at an AP from another AP or a host, the model needs the distance and the obstacles between them, such as walls. Then, by calculating the estimated RSS with the model and calculating the SIR accordingly, the AP interface setups for a lot of APs in a large-scale wireless network can be optimized on a computer in a very short time.
The weak point of the proposed method may be the accuracy of the throughput estimation model. However, it is only used to estimate the RSS, not the throughput, and calculate the SIR from the RSS. Thus, the result is not sensitive to the model accuracy. The impact of the model accuracy of the proposed method will be investigated in future studies.
The rest of this paper is organized as follows. Section 2 introduces related works in the literature. Section 3 reviews our previous work. Section 4 presents AP interface optimization using the throughput estimation model. Section 5 presents the experiment setup for evaluations. Section 6, Section 7, and Section 8.1 show the experimental results. Finally, Section 9 concludes this paper with directions for future work.
2. Related Works
In this section, we introduce some related works in the literature on transmission power optimizations in a WLAN. They address the joint channel and power assignment in dense WLANs.
In [14], Wu et al. proposed a joint channel allocation and power control scheme to minimize interference and improve the throughput. First, channels are allocated to the APs based on the principle that neighboring APs should have large channel spacing. Then, the power is adjusted according to the signal-to-interference-noise ratio (SINR), ranging from the lowest power value to the default power value. However, only simulation results are presented, and only non-CB channels are used.
In [15], Kachroo et al. proposed a combined channel assignment and power optimization method to reduce interference. First, the optimal channel assignment is determined while keeping the other parameters such as the power and the position to constant. Then, the transmission power of each AP is optimized, taking the coverage area threshold into consideration. Again, only 20 MHz non-CB channels were used in simulations.
In [16] Garcia et al. proposed a heuristic algorithm for determining the optimal channel and power transmission configuration for the APs within a network. The signal-to-interference noise ratio (SINR) is considered as the metric for optimization. For SINR, an overlapping factor is assumed for channel spacing, and the average data rate is provided in accordance with SINR. However, no real measurement was provided to substantiate the proposal other than simulations.
In [9], Tewari et al. proposed a joint transmission power and partially overlapping channel (POC) assignment algorithm to maximize the network performance in dense WLANs. The authors considered only non-CB POCs, and the effectiveness was verified in simulations only.
In [17], Shitara et al. proposed a transmission power control scheme using an indicator that is issued from a neighbor AP. When the channel occupancy rate increases, the AP issues the indicator. The other APs adjust transmission powers based on the previous actions when they receive it. The effectiveness was verified only in simulations.
In [18], Daldoul et al. introduced the power constraints and the impacts on data rates in IEEE802.11n/ac protocols. A rate-ordering scheme called MinstrelHT is defined to select the best data rate to improve the performance. The effectiveness was verified only in simulations.
In [19], Zhao et al. proposed a joint power control and channel allocation method based on the reinforcement learning algorithm that combines the statistical channel state information to reduce the interference. An event-driven strategy is introduced to trigger the learning process and reacquire the optimal strategy. Only 20 MHz non-CB channels were considered in simulations.
In [20], Girmay et al. proposed a joint mode selection, channel allocation, and power control algorithm based on particle swarm optimization (PSO) to maximize the overall throughput. The mixed-integer nonlinear problem (MINP) is utilized to reduce the interference while ensuring the minimum data rate requirements for Wi-Fi users. However, only simulations were used to evaluate the proposal.
In [21], Garroppo et al. proposed an efficient technique for energy efficiency in WLANs. It switches off the powers of some APs and controls the transmission powers when the user activity is low. However, they only considered off-peak hours of Internet usage to optimize energy consumption. Most researchers evaluate the effectiveness of their proposals using only non-CB channels and simulations. On the other hand, the proposed method leverages both non-CB and CB channels, and the effectiveness is evaluated in both real testbed experiments and simulations. Some existing approaches increase the average or total network throughput by assigning either proper channel numbers or transmission powers to APs, while others use both. The proposed method selects the channel type and the transmission power for each AP simultaneously based on the average SIR. Table 1 compares the proposal and with related works in terms of relevant implementation issues.
Table 1.
Comparisons of relevant issues between related works and our proposal.
3. Review of Previous Studies
In this section, we review our previous studies of the AP transmission power optimization method [11] and the throughput estimation model [12,13].
3.1. AP Transmission Power Optimization Method
First, we review the AP transmission power optimization method. The proposed method only considers either the minimum or maximum transmission power of an AP, although a modern AP supports a wide range of transmission power levels. However, our limitation of the power selection comes from our prior work reported in [22]. In this study, we measured the throughput using the testbed system when the AP transmission power was gradually changed from the minimum to the maximum, including medium values in various topologies. Then, we found that the throughput was highest when we selected either the maximum or minimum power at each AP in any topology. The best selection is different from the AP in each topology. Therefore, we studied the method of selecting the best transmission power for each AP in the given topology and found that the power selection resulting in the largest SIR in the topology results in the highest overall throughput. In this study, we propose a method of selecting the best transmission power by using the SIR estimated by the throughput estimation model.
3.1.1. Significance of SIR
In a WLAN, the network performance can be maximized by properly setting up the interface, considering the capacity, the interference, and the coverage area [17,23]. The signal-to-interference ratio (SIR) is the metric used to assess the quality of a wireless communication link. SIR can characterize both the link capacity and the interference by taking the ratio between the received signal strength (RSS) and the interfered signals in the targeted device. A higher SIR suggests higher network performance, as reported in [24,25].
3.1.2. Method Procedure
The procedure of the method is described here for three concurrently communicating APs using CB channels, where each AP is associated with one host. The Linux commands and bash scripts for the testbed implementation of this method are described in Appendix A.
- Assign either the maximum () or minimum () transmission power to each AP. There are eight power combinations for the three APs.
- For each power combination, measure the following received signal strength (RSS) at the APs:
- : RSS of the signal from host at for
- : RSS of the signal from at for
- : RSS of the signal from an unknown AP in another WLAN at for .
- Convert the measured RSS from to using the following equation:where:
- represents the RSS in Decibel-Milliwatt units (dBm); and
- represents the RSS in Milliwatt units (mW).
- Calculate the SIR of each AP () and using the following equation:
- Calculate the average SIR () using the following equation:where , , and are the SIR of , , and , respectively.
- Find the power combination that has the highest average SIR among all power combinations, and assign the corresponding powers to the APs.
3.1.3. Limitations
In this AP transmission power optimization method, two limitations should be pointed out. The first limitation is the sole use of the CB channel for any AP, since 40 MHz CB channels basically provide higher throughputs than 20 MHz non-CB channels. However, CB channels can make APs more susceptible to interference due to fewer non-interfered channels than non-CB channels. It has been found that in busy WLAN environments where several APs are communicating concurrently in the same field, non-CB channels may deliver higher performance than CB channels for APs. Thus, both CB and non-CB channels should be properly used for APs.
The second limitation is the exponential increase in the RSS measurements with the number of APs. In this method, RSS measurement is necessary for all the power combinations of the APs to obtain SIR for them, which is not suitable for practical applications. If the CB/non-CB channel assignment is additionally considered in addition to the power selection, the measurement loads are further increased. Thus, approaches other than measurement should be adopted to avoid the loads of RSS measurements.
3.2. Throughput Estimation Model
Next, we review the throughput estimation model. The throughput estimation model has two equations to estimate the throughput between a source node (AP) and a destination node (host). First, it estimates the receiving signal strength (RSS) at the host by using the log distance path loss model. Then, it converts the estimated RSS into the corresponding throughput using the sigmoid function.
- The RSS ( ()) at the host is estimated as follows:where represents the signal strength at from the AP (source) for no obstacles, is the path loss exponent, d (m) represents the link distance from the AP, is the number of type-k walls along the path between the AP and the host, and is the signal attenuation factor () for the type-k wall in the environment.
- The throughput (, ) of a link between the AP and the host is calculated based on as follows:where a, b, and c are the constant parameters of the sigmoid function that are to be tuned.
4. AP Interface Setup Optimization Method
In this section, we present the AP interface optimization method using the throughput estimation model.
4.1. Solutions to Limitations
In the proposed method, the CB/non-CB selection and the throughput estimation model are newly introduced to address the limitations of the previous method discussed in Section 3.1.3.
First, the channel type selections of CB or non-CB to the APs in addition to transmission powers are newly considered in the interface setup optimization method to maximize the total throughput by reducing interference among them. When non-CB channels are selected, more orthogonal channels can be assigned to the APs.
Second, the throughput estimation model is used to estimate the required RSS to calculate SIR instead of measuring it using the real devices. This model approach can substantially reduce the necessary time to optimize the AP interface setup.
4.2. Procedure
Figure 2 shows the flow of the AP interface optimization method. The procedure for N APs is described as follows:
Figure 2.
Flow of the AP interface setup optimization method.
- Enumerate all the possible combinations of the CB/non-CB channel and the transmission power (channel type and power) for N APs. For one AP, four (channel type and power) combinations exist: , , , and . Thus, there are (channel type and power) combinations for N APs;
- Select one (channel type and power) combination and estimate the necessary RSS (, , or ) by assigning them to the corresponding APs using the throughput estimation model;
- Convert the unit of the estimated RSS from to using Equation (1);
- When the average SIR is not calculated for some (channel type and power) combinations, go back to step 2;
- Find the (channel type, and power) combination that has the highest average SIR among all the (channel type and power) combinations and assign the corresponding channels and the transmission powers to the APs.
5. Experimental Setups
In this section, we discuss the setups used in our experiments for evaluation.
5.1. Running Platform
Table 2 shows the PC platform used to run the proposed method.
Table 2.
PC platform.
5.2. Model Parameters
Table 3 shows the parameter values in the throughput estimation model. and represent the value of , which is the signal strength at 1 m from the AP when the maximum and minimum transmission power are assigned to the AP, respectively.
Table 3.
Parameters in the throughput estimation model.
5.3. Devices and Software for Measurements
In our experiments, Raspberry Pi [26] with a USB wireless NIC adapter is adopted for the AP by running Host Access Point Daemon (hostapd) [27]. The built-in NIC adapter of Raspberry Pi is used for the 20 MHz non-CB channel. The USB wireless NIC adapter is used for the 40 MHz CB channel, since the built-in NIC adapter of the adopted Raspberry Pi does not support the CB. A laptop PC with a Linux operating system (OS) is used for the server and the host. The 2.4 GHz frequency band is used for experiments.
To measure the throughput of a wireless link, TCP downlink traffic from the server to the host is generated using iperf [28] with a 477 kbyte TCP window and an 8 kbyte buffer. The server is connected to the AP by a wire. TCP downlink traffic is common in WLANs, since users often download data from servers on the Internet using TCP through web site accesses. The Linux tool iw [29] is used to measure RSS at the APs and to change the transmission power of the AP. Table 4 shows the specifications of the devices and software used in the experiments.
Table 4.
Devices and software specifications.
5.4. Network Topologies and Fields
To evaluate the proposed AP interface setup optimization method through experiments, 13 network topologies in three network fields are considered. Table 5 shows the locations of the APs and the hosts in the field for each topology. For any topology, the AP and its associated host are located in the same room as the usual situation in a WLAN.
Table 5.
Device locations.
Topologies 1–6 are made on the 3rd floor of the Engineering Building #2 at Okayama University (OU-Eng), Japan. In this field, there are eight rooms with two different room sizes of 7 m × 6 m and m × 6 m and one corridor with a size of 30 m × m. Six topologies are designed to consider different interference levels in experiments.
Topologies 7–10 are made on the 2nd floor of the Graduate School of Natural Science and Technology Building at Okayama University (OU-Grad), Japan. In this field, there is one large room of 17 m × 16 m in size and seven rooms with various sizes. Among them, the large room and the three rooms with a size of 9 m × 6 m are used. Four network topologies are designed to consider different interference levels.
Topologies 11–14 are made on the 2nd floor of the Science Building at Jatiya Kabi Kazi Nazrul Islam University (JU-Sci), Bangladesh. In this field, there are six rooms with two different room sizes of 8 m × 7 m and 4 m × 7 m and one corridor with a size of 32 m × m. Four topologies are designed to consider different interference levels in experiments.
Two APs and hosts are used in topologies 1, 2, 7, and 8; three APs and hosts are used in topologies 3, 4, 5, 6, 9, and 10; five APs and hosts are used in topologies 11 and 12; and 10 and 15 APs and hosts are used in topologies 13 and 14, respectively. Each AP is connected to one server PC by a wired cable, and one host PC is connected by wireless signal.Traffic is generated and downloaded to the host at the server using iperf.
6. Experimental Results in OU-Eng
In this section, we present experimental results for two APs and three APs at OU-Eng.
6.1. Results for Two APs
This section presents the experiment results for two APs in two interference scenarios of high and low interference, where all the possible (channel type and power) combinations of two APs are considered.
6.1.1. Case 1: High Interference
In topology 1, the two APs are placed closely together in the same room (), as shown in Figure 3. The distance between and is m. This topology can result in strong interference between the APs.
Figure 3.
Topology 1 for high interference in OU-Eng.
Table 6 shows the estimated SIR () obtained from the RSS esimated by the model, the average SIR () from the RSS measured in the experiment, and the summation of the measured throughputs of the two links or the total throughput () for each of the four transmission power combinations and the three CB/non-CB channel combinations for the two APs. In relation to the transmission power, only the high or low transmission powers appear to produce optimal throughput and are represented here by H and L, respectively.
Table 6.
Results for topology 1 in OU-Eng.
The results indicate that the estimated SIR can identify the optimal combination of power and channel type that provides the highest total throughput. Thus, the efficacy of the proposed method is confirmed for this topology. In this topology, the combination of two CB channels and with powers actually provides the highest total throughput. This result is justified based on the following observations:
- The use of two CB channels can allow for the utilization of the full capacity of the frequency spectrum, maximizing the total throughput;
- Since the APs are located in the same room, one with the minimum power can reduce the cochannel interference and increase the throughput;
- Due to network congestion in the environment, the low power in can maximize the total throughput in this network field.
6.1.2. Case 2: Low Interference
In topology 2, is located in , and is located in the corridor in front of , as shown in Figure 4. The distance between the APs is significantly greater than the distance in topology 1. is separated from by several walls. Thus, this topology has less interference than topology 1. It is noted that the multipath effect is considered for to estimate the RSS of the interfered signal [12] because the direct signal along the line of sight (LOS) between the APs becomes weak due to the presence of the four walls. The selection of the indirect signal can reduce the number of boundaries and their impacts on signal strength.
Figure 4.
Topology 2 for low interference in OU-Eng.
The results presented in Table 7 once again confirm that the highest SIR estimated by this model yields the highest overall throughput. In topology 2, the two CBs with the powers have the maximum throughput, as explained by the following observations:
Table 7.
Results for topology 2 in OU-Eng.
- The usage of CB channels at the APs makes full use of the frequency spectrum;
- The low powers at both APs can help to avoid interference with other APs in this environment and improve the performance;
- The close distance between the AP and its associated host also contributes to the power selection reasoning.
6.2. Results for 3 APs
This section presents the experimental results in the four topologies for all possible (channel type and power) combinations of three APs.
6.2.1. Case 3: Very High Interference
In topology 3, the three APs are located close together in the same room (), as shown in Figure 5. The distance between and and that between and is m. This topology can cause strong interference among the APs.
Figure 5.
Topology 3 for very high interference in OU-Eng.
Table 8 shows the estimated SIR (), average SIR (), and total throughput () for each of the eight transmission power combinations and the four CB/non-CB channel combinations for the three APs.
Table 8.
Results for topology 3 in OU-Eng.
The results again confirm the correlation between the estimated SIR and the best combination of the power and the channel type, which offers the highest total throughput for a topology. Thus, the effectiveness of the proposed method is confirmed for three APs as well. In this topology, the combination of three non-CB channels using channels 1, 7, and 13 with powers actually provides the highest total throughput, as explained by the following observations:
- The use of a CB channel at an AP can be interfered with by any CB/non-CB channel of another AP in this strong interference case. Thus, the use of CB channels decreases the total throughput;
- On the other hand, the uses of three non-CB distant channels is less susceptible to interference, which can increase the total throughput;
- Because is located in the middle of and , the maximum power of and and the minimum power of can increase the transmission opportunities at and while reducing them at , which can increase the total throughput.
6.2.2. Case 4: High Interference
In topology 4, is located in , and and are located in ; these rooms are separated by one wall, as shown in Figure 6. The distance between and is , and that between and is m. This topology can cause moderate interference among the APs compared to topology 1.
Figure 6.
Topology 4 for high interference in OU-Eng.
The results presented in Table 9 show a similar trend, where the combination with the highest SIR estimated by the model offers the highest total throughput. In topology 4, the one-CB and two-non-CB combinations with the powers provide the highest throughput, as explained by the following observations:
Table 9.
Results for topology 4 in OU-Eng.
- The use of a CB channel at and can increase their transmission capacities;
- The use of distant non-CB channels at and can reduce the interference between them;
- The interference between and the other APs is much smaller than that in topology 1 due to the separating wall.
6.2.3. Case 5: Low Interference
In topology 5, is located in , is located in the refresh corner, and is located in the corridor in front of , as shown in Figure 7. The distances between the APs are much larger than those in the previous two topologies. is separated from and by a wall, whereas there is no wall between and . Thus, this topology has less interference than the previous two topologies.
Figure 7.
Topology 5 for low interference in OU-Eng.
The results presented in Table 10 follow a pattern in finding the best combination with the highest SIR estimated by the model, providing the highest total throughput. In topology 3, the combination of two CB channels and one non-CB channel with the powers provides the highest total throughput. It is noted that channel 13 is assigned to instead of channel 1 because channel 13 is less crowded in this field, as explained by the following observations:
Table 10.
Results for topology 5 in OU-Eng.
- The interference between and is minimized due to the distance and the separating wall. Thus, the orthogonal CB channels with minimum power can increase the total throughput while reducing the interference;
- Any non-CB/CB channel at can be interfered with by or . Thus, the non-CB channel with maximum power at can increase the total throughput by properly activating the CSMA/CA protocol against while minimizing the interference against .
6.2.4. Case 6: Very Low Interference
In topology 6, is located in , is located in , and is located in . They are separated by at least two walls, as shown in Figure 8. The distance between them is larger than that in the previous topologies. Thus, this topology has the lowest interference among the four topologies in Engineering Building #2.
Figure 8.
Topology 6 for very low interference in OU-Eng.
The results presented in Table 11 recur in finding the combination with the highest SIR estimated by the model, offering the highest total throughput. In topology 6, the combination of three CB channels with the powers provides the highest total throughput, as explained by the following observations:
Table 11.
Results for topology 6 in OU-Eng.
- The interference among the APs is minimized due to the distances and the separating walls between the APs. Thus, the use of the orthogonal CB channels with the maximum transmission power can increase the total throughput.
7. Experimental Results in OU-Grad
In this section, we present the experimental results for two APs and three APs in the Graduate School Building, Okayama University, Japan.
7.1. Result for Two APs
This section presents the experimental results involving two APs with high and low interference, as previously presented, with consideration of all the possible (channel type and power) combinations of two APs.
7.1.1. Case 7: High Interference
In topology 7, the two APs are in room F, as illustrated in Figure 9. The distance between and is m again. Although the room is larger than that in topology 1–6, there is strong interference between the APs due to their close proximity.
Figure 9.
Topology 7 for high interference in OU-Grad.
The results presented in Table 12 maintain that the combination with the highest SIR estimated by the model offers the highest total throughput. In topology 7, the combination of two CB channels with the powers provides the highest total throughput, as in topology 1 in OU-Eng.
Table 12.
Results for topology 7 in OU-Grad.
7.1.2. Case 8: Results for Low Interference
In topology 8, and are located in different rooms with separating walls between rooms A and E respectively, as shown in Figure 10. In this topology, and are three rooms apart. Thus, this topology is expected to have less interference than the previous topology in this building.
Figure 10.
Topology 8 for low interference in OU-Grad.
The results presented in Table 13 show that the combination with the highest SIR estimated by the model offers the highest total throughput. Topology 8 is reminiscent of topology 2 from OU-Eng in selecting the combination of two CB channels with the powers, which provides the highest total throughput. Here, the multipath effect is also considered for to estimate the RSS of the interfered signal.
Table 13.
Results for topology 8 in OU-Grad.
7.2. Results for Three APs
This section presents experimental results for three AP networks while the interference varies.
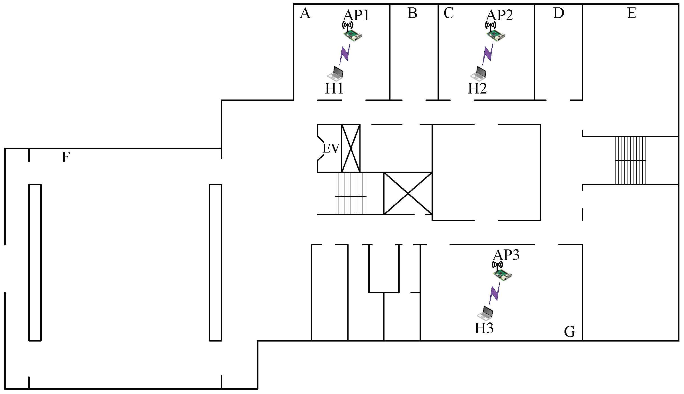
7.2.1. Case 9: High Interference
Figure 11 illustrates the high-interference scenario for topology 9 in OU-Grad with three APs. All three APs are located in the same room with a size of 17 m× 16 m. The distance between and and that between and is m. Each AP is connected to one host with a 1 m distance. This topology can cause strong interference among the APs due to the close proximity of the APs.
Figure 11.
Topology 9 for high interference in OU-Grad.
The results presented in Table 14 are persistent in that the combination with the highest SIR estimated by the model offers the highest total throughput. In topology 9, the combination of three non-CB channels with the powers provides the highest total throughput, as in topology 1 in the other building.
Table 14.
Results for topology 9 in OU-Grad.
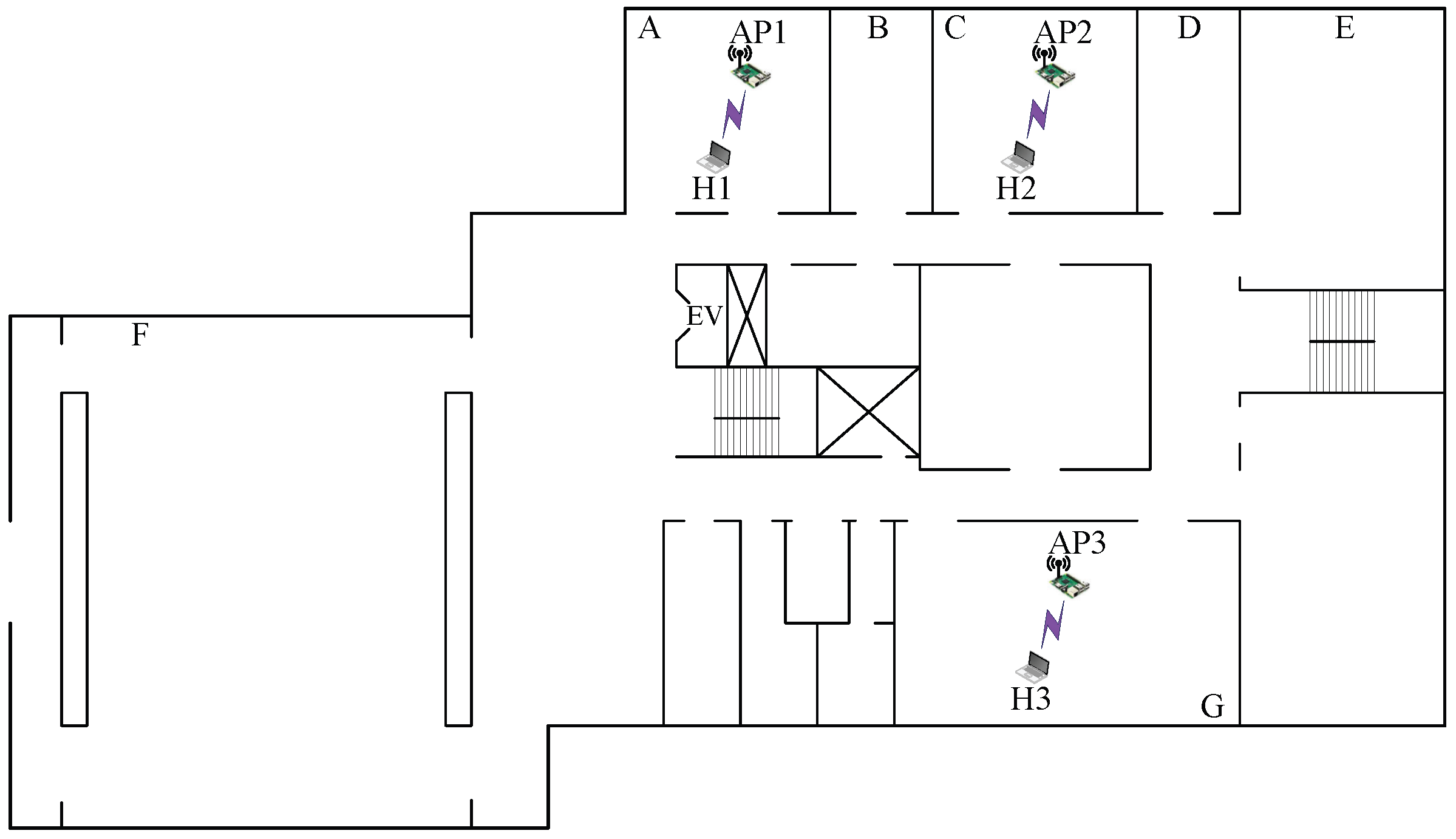
7.2.2. Case 10: Low Interference
In topology 10, , , and are located in different rooms with separating walls between rooms A, C, and G, respectively, as shown in Figure 12. In this topology, and are relatively closer to each other compared with . Thus, this topology experiences less interference than the aforementioned topology.
Figure 12.
Topology 10 for low interference in OU-Grad.
The results presented in Table 15 confirm that the combination with the highest SIR estimated by the model offers the highest total throughput. In topology 10, the combination of two CB channels and one non-CB channel with the powers provides the highest total throughput, as explained by the following observations:
Table 15.
Results for topology 10 in OU-Grad.
- The interference between and is small due to the distance and the presence of multiple walls. Thus, the use of orthogonal CB channels with maximum power can increase the total throughput while reducing the interference.
- Any CB/non-CB channel at can be interfered with at or . Thus, non-CB channel 13 with minimum power at can increase the total throughput by properly activating the CSMA/CA protocol against , which has small interference with .
8. Numerical Application in JU-Sci
In our experiments, the model-based method was found to discover the best channel-type–power combination. Now, we apply this method to a new network field with numerous APs where human assessment is difficult due to the large number of possible combinations.
8.1. Numerical Experiment with Five APs
This section presents the numerical experimental results of two topologies with every possible channel–power combination for five APs in JU-Sci. The distributions of APs and hosts are depicted in Figure 13 and Figure 14. Table 16 shows only the optimal channel–power combinations with the highest estimated SIR values. Channel–power combinations with lower estimated SIR values are not presented here due to the vast number of possibilities.
Figure 13.
Topology 11 for five APs in JU-Sci.
Figure 14.
Topology 12 for five APs in JU-Sci.
Table 16.
Results for five APs in JU-Sci.
The results presented in Table 16 indicate that the proposed estimation model can find the channel–power combination that provides the highest SIR for each topology. The transmission power adjustment and the combination of CB and non-CB resulted in the highest SIR to optimize the network performance, as justified by the following observations:
- In topology 11, is somewhat distant from other APs. Therefore, the CB assignment with high power at does not cause interference with the other APs. The next three APs, (-) are relatively close to each other. Therefore, the non-CB assignment with low power can lower the interference. The last AP () is outside of the coverage and can function on the CB with high power to maximize the network throughput.
- In topology 12, and are closely located but far from the other three APs. Consequently, CB assignment to both APs does not cause strong interfere with the other APs. The low power in can reduce the interference with . The remaining three APs (-) are positioned closely. Thus, non-CB assignment with high power to two end APs and CB assignment with L power to the middle AP can maximize the network throughput while minimizing interference.
8.2. Numerical Experiment with 10 APs
This section presents experimental results for 10 APs in JU-Sci. The distributions of APs and hosts are depicted in Figure 15. Table 17 shows the optimal channel–power combinations with the highest estimated SIR values.
Figure 15.
Topology 13 for 10 APs in JU-Sci.
Table 17.
Results for 10 APs in JU-Sci.
The topology induces high interference, since a large number of APs is placed in a small area. Nevertheless, from Table 17, we can see that the proposed method finds the best channel–power combination for this topology as well. Here, only the optimal channel–power combination with the highest estimated SIR is listed, as explained by the following observations:
- In topology 13, and are located in room 201 and are assigned non-CB channels 1 and 5, respectively. However, is assigned the maximum power, while is assigned minimum power. Since is in the corridor and is separated from the other APs by several walls, it is assigned the CB channel () with the maximum power;
- Next, , located in the middle, can be interfered by APs from either side. Inevitably, is assigned non-CB channel 7 with maximum power to cover its connected host on the other side of a wall;
- and , which are in the same room, perform best on non-CB channels 11 and 3 with minimum powers, respectively;
- , which is the only one AP in room 204, is assigned to CB channel () with the minimum power to reduce the interference, since the adjoining APs are assigned to non-CB channels;
- can be interfered from both sides, whereas is interfered from one side only; these APs are assigned to non-CB channels 13 and 1, respectively. In terms of the transmission power, , as a middle AP, is assigned the minimum power to reduce the interference. is assigned the maximum power, as it is located in the end room;
- The last AP, , receives a similar assignment to that of , since they are both located in the corridor, varying only in the channel ().
8.3. Numerical Experiment with 15 APs
This section presents the experimental results for 15 APs in JU-Sci. The locations of the APs and the hosts are depicted in Figure 16. In this topology, they cause high interference. Therefore, most of the APs are assigned to non-CB channels. Only two APs at the ends of the corridor are assigned to CB channels.
Figure 16.
Topology 14 for 15 APs in JU-Sci.
Table 18 shows the optimal channel–power combination with the highest estimated SIR. This topology has extremely high interference, since many APs are placed in a small field. Even in this very crowded environment, the proposed method finds the best channel-type–power combination for the optimal performance. The best combination can be explained by the following observations:
Table 18.
Results for 15 APs in JU-Sci.
- and in the corridor are separated from the other APs by multiple walls and distance. Thus, they are assigned to CB channels () and (), respectively, with the maximum power;
- The rest of the APs are assigned to non-CB channels, since they are closely located. The end APs, like and , and the isolated APs, like and , are assigned the maximum power. The remaining APs are assigned the minimum power to reduce the overall interference in the network.
Table 19 summarizes the experimental results presented in this paper. The results presented in Table 19 show that the proposed method works properly in all the network topologies in the three different buildings at different levels of interference.
Table 19.
Summary of overall experimental results.
It should be noted that the effectiveness of the proposal is verified by evaluating the estimated throughput relative to the measured throughput. However, comparisons with other methods are still worthy of further investigations in future work.
9. Conclusions
In this paper, we presented the access-point (AP) interface setup optimization method using the throughput estimation model for concurrently communicating APs in a wireless local area network (WLAN). The proposed method estimates the signal-to-interference ratio (SIR) for every combination of CB/non-CB channels and the maximum/minimum transmission power and selects that with the highest SIR. The experimental results obtained using two, three, and five APs in 12 different network topologies in three buildings with different interference levels confirm the validity of the proposal. In future works, we will examine the effect of channel assignment and apply the proposal to various network environments including different numbers of APs and hosts in a WLAN.
Author Contributions
Conceptualization, F.A. and N.F.; methodology, F.A. and N.F.; writing—original draft preparation, F.A. and N.F.; software and coding, F.A.; writing—original draft preparation, F.A. and N.F.; writing—review and editing, F.A. and N.F.; validation, F.A., N.F., E.E.H., B.W., D.K. and S.F.; supervision, N.F. All authors have read and agreed to the published version of the manuscript.
Funding
This research received no external funding.
Institutional Review Board Statement
Not applicable.
Informed Consent Statement
Not applicable.
Data Availability Statement
Not applicable.
Acknowledgments
The authors thank the reviewers for their thorough reading and helpful comments.
Conflicts of Interest
The authors declare no conflict of interest.
Appendix A. Linux Command
Appendix A.1. AP Configuration of Raspberry Pi
- Install hostapd using the following command:
- sudo apt-get install hostapd
- Modify the configuration file /etc/hostapd/hostapd.conf with the necessary configuration options. A simple example of hostapd.conf file is given below:
- interface=wlan0
- ieee80211n=1
- ssid=SSID
- wpa_passphrase=PASSWORD
- channel=13
- ht_capab=[HT40-][SHORT-GI-40][DSSSCCK
- -40][MAX-AMSDU-3839]
- Install DHCP server using the following command
- sudo apt-get install isc-dhcp-server
- Set the wireless adapter as default for DHCP request in /etc/default/isc-dhcp-server
- INTERFACEIPv4="wlan0"
Appendix A.2. Change Transmission Power in AP
The transmission power of the Raspberry Pi AP can be set by the following command:
- sudo iwconfig wlan0 txpower Pw
Here, represents the value of the transmission power. It should be noted that the maximum transmission power is 31 dB for non-CB and 20 dB for CB , and the minimum power is 0 dB for both cases.
Appendix A.3. Measurement of RSS
The RSS at Raspberry Pi AP or any Linux PC can be measured by the following command:
- iw dev wlan0 scan | egrep
- "signal:|SSID:"
Appendix A.4. Measurement of Single-Link Throughput
The throughput of a single link from a server to a client host can be measured using iperf. The commands for the server and the client host are given below:
- iperf -s
- iperf -c ip_of_server -w 477K -l 8K
Here, represents the server, is the client, is the TCP window size, and is the buffer size.
References
- Kwon, L.; Park, E.-C. Interference-Aware Two-Level Differentiated Transmission for Improving Downlink Spatial Reuse in Dense WLANs. Sensors 2022, 22, 4429. [Google Scholar] [CrossRef] [PubMed]
- Xu, X.; Jiang, T.; Gong, J.; Xu, H.; Qin, X. WLAN interference signal recognition using an improved quadruple generative adversarial network. Digit. Signal Process. 2021, 117, 103188. [Google Scholar] [CrossRef]
- Wollschlaeger, M.; Sauter, T.; Jasperneite, J. The future of industrial communication: Automation networks in the era of the internet of things and industry 4.0. IEEE Ind. Electron. Mag. 2017, 11, 17–27. [Google Scholar] [CrossRef]
- Mhatre, V.P.; Papagiannaki, K.; Baccelli, F. Interference mitigation through power control in high density 802.11 WLANs. In Proceedings of the 26th IEEE International Conference on Computer Communications, Anchorage, AK, USA, 6–12 May 2007. [Google Scholar] [CrossRef]
- Balazinska, M.; Castro, P. Characterizing mobility and network usage in a corporate wireless local-area network. In Proceedings of the 1st International Conference on Mobile Systems, Applications, and Services, San Francisco, CA, USA, 5–8 May 2003. [Google Scholar] [CrossRef]
- Kim, S.; Lee, K.; Kim, Y.; Shin, J.; Shin, S.; Chong, S. Dynamic control for on-demand interference-managed WLAN infrastructures. IEEE/ACM Trans. Netw. 2019, 28, 84–97. [Google Scholar] [CrossRef]
- Mamun, M.S.A.; Akhter, F. Partially overlapping channel assignment using bonded and non-bonded channels in IEEE 802.11 n WLAN. Comput. Mater. Contin. 2021, 71, 3161–3178. [Google Scholar] [CrossRef]
- Webber, J.; Yano, K.; Suga, N.; Hou, Y.; Nii, E.; Higashimori, T.; Mehbodniya, A.; Suzuki, Y. WLAN interference identification using a convolutional neural network for factory environments. J. Commun. 2021, 16, 276–283. [Google Scholar] [CrossRef]
- Tewari, B.P.; Ghosh, S.C. Combined power control and partially overlapping channel assignment for interference mitigation in dense WLAN. In Proceedings of the 31st IEEE International Conference on Advanced Information Networking and Applications (AINA), Taipei, Taiwan, 27–29 March 2017. [Google Scholar] [CrossRef]
- Akhter, F.; Yuanshuai, S.; Funabiki, N.; Briantoro, H.; Munene, K.I.; Rahman, M.M. Feasibility investigations of access-point transmission power optimization method under co-use of channel bonding and non channel bonding in wireless local-area network. In Proceedings of the 9th International Symposium on Computing and Networking Workshops (CANDARW), Matsue, Japan, 23–26 November 2021. [Google Scholar] [CrossRef]
- Briantoro, H.; Funabiki, N.; Munene, K.I.; Rahman, M.M.; Akhter, F.; Kao, W.C.; Kuribayashi, M. Generalization of transmission power optimization method for concurrently communicating multiple access-points in wireless local-area network. In Proceedings of the 8th IEEE International Symposium on Computing and Networking Workshops (CANDARW), Naha, Japan, 24–27 November 2020. [Google Scholar] [CrossRef]
- Funabiki, N.; Taniguchi, C.; Lwin, K.S.; Zaw, K.K.; Kao, W.C. A parameter optimization tool and its application to throughput estimation model for wireless LAN. Complex Intell. Softw. Intensive Syst. 2017, 611, 701–710. [Google Scholar] [CrossRef]
- Lwin, K.S.; Funabiki, N.; Taniguchi, C.; Zaw, K.K.; Mamun, M.S.A.; Kuribayashi, M.; Kao, W.C. A minimax approach for access point setup optimization in IEEE 802.11n wireless networks. Int. J. Netw. Comput. 2017, 7, 187–207. [Google Scholar] [CrossRef] [PubMed]
- Wu, Y.; Sun, Y.; Ji, Y.; Mao, J.; Liu, Y. A joint channel allocation and power control scheme for interference mitigation in high-density WLANs. In Proceedings of the 15th IEEE International Conference on Communication Technology, Guilin, China, 17–19 November 2013. [Google Scholar] [CrossRef]
- Kachroo, A.; Park, J.; Kim, H. Channel assignment with transmission power optimization method for high throughput in multi-access point wlan. In Proceedings of the IEEE International Wireless Communications and Mobile Computing Conference (IWCMC), Dubrovnik, Croatia, 24–28 August 2015. [Google Scholar] [CrossRef]
- Garcia, G.; Monego, H.I.; Pellenz, M.E.; Souza, R.D.; Munaretto, A.; Fonseca, M.S. An iterative heuristic approach for channel and power allocation in wireless networks. Ann. Telecommun. 2018, 73, 293–303. [Google Scholar] [CrossRef]
- Shitara, I.; Hiraguri, T.; Yano, K.; Egashira, N.; Kumagai, T. A study on transmission power control for wireless LAN under overlapping BSS environment. IEICE Commun. Express 2018, 7, 303–308. [Google Scholar] [CrossRef]
- Daldoul, Y.; Meddour, D.E.; Ksentini, A. IEEE 802.11 n/ac data rates under power constraints. In Proceedings of the IEEE International Conference on Communications (ICC), Kansas City, MO, USA, 20–24 May 2018. [Google Scholar] [CrossRef]
- Zhao, G.; Li, Y.; Xu, C.; Han, Z.; Xing, Y.; Yu, S. Joint power control and channel allocation for interference mitigation based on reinforcement learning. IEEE Access 2019, 7, 177254–177265. [Google Scholar] [CrossRef]
- Girmay, G.G.; Pham, Q.V.; Hwang, W.J. Joint channel and power allocation for device-to-device communication on licensed and unlicensed band. IEEE Access 2019, 7, 22196–22205. [Google Scholar] [CrossRef]
- Garroppo, R.G.; Nencioni, G.; Tavanti, L.; Gendron, B.; Scutell, M.G. Optimal access point power management for green IEEE 802.11 networks. Sensors 2021, 21, 2076. [Google Scholar] [CrossRef] [PubMed]
- Briantoro, H.; Funabiki, N.; Kuribayashi, M.; Munene, K.I.; Sudibyo, R.W.; Islam, M.M.; Kao, W.C. Transmission power optimization of concurrently communicating two access points in wireless local area network. Int. J. Mob. Comput. Multimed. Commun. 2020, 11, 1–25. [Google Scholar] [CrossRef]
- Roslan, I.; Kawasaki, T.; Nishiue, T.; Takaki, Y.; Ohta, C.; Tamaki, H. Control of transmission power and carrier sense threshold to enhance throughput and fairness for dense WLANs. In Proceedings of the IEEE International Conference on Information Networking (ICOIN), Kota Kinabalu, Malaysia, 13–15 January 2016. [Google Scholar] [CrossRef]
- Okuhara, D.; Yamamoto, K.; Nishio, T.; Morikura, M.; Abeysekera, H. Inversely proportional transmission power and carrier sense threshold setting for WLANs: Experimental evaluation of partial settings. In Proceedings of the 84th IEEE International Conference on Vehicular Technology Conference (VTC-Fall), Montreal, QC, Canada, 18–21 September 2016. [Google Scholar] [CrossRef]
- Vutukuru, M.; Balakrishnan, H.; Jamieson, K. Cross-layer wireless bit rate adaptation. In Proceedings of the International Conference on on Data communication, Barcelona, Spain, 16–21 August 2009. [Google Scholar] [CrossRef]
- Raspberry Pi: The Official Website of the Raspberry Pi Foundation. Available online: https://www.raspberrypi.org/ (accessed on 24 December 2022).
- Hostapd: IEEE 802.11 AP, IEEE 802.1X/WPA/WPA2/EAP/RADIUS Authenticator. Available online: https://w1.fi/hostapd/ (accessed on 24 December 2022).
- iPerf: The Ultimate Speed Test Tool for TCP, UDP and SCTP. Available online: https://iperf.fr/ (accessed on 24 December 2022).
- About iw. Available online: https://wireless.wiki.kernel.org/en/users/documentation/iw (accessed on 24 December 2022).
Disclaimer/Publisher’s Note: The statements, opinions and data contained in all publications are solely those of the individual author(s) and contributor(s) and not of MDPI and/or the editor(s). MDPI and/or the editor(s) disclaim responsibility for any injury to people or property resulting from any ideas, methods, instructions or products referred to in the content. |
© 2023 by the authors. Licensee MDPI, Basel, Switzerland. This article is an open access article distributed under the terms and conditions of the Creative Commons Attribution (CC BY) license (https://creativecommons.org/licenses/by/4.0/).















