Accurate Active and Reactive Power Sharing Based on a Modified Droop Control Method for Islanded Microgrids
Abstract
1. Introduction
2. Review of the Conventional Droop Control Method
2.1. Outer Droop Control Loop
2.2. Inner Voltage Regulation Loop
3. Proposed SACS-Injection-Based Modified Droop Method for Power Sharing
3.1. Motivated by the Secondary Control Strategy through PI Controller for Power Sharing
3.2. SACS-Injection-Based Modified Droop Control Method for Power Sharing
3.3. Overall Control Block Diagram
4. Parameter Design and Stability Analysis
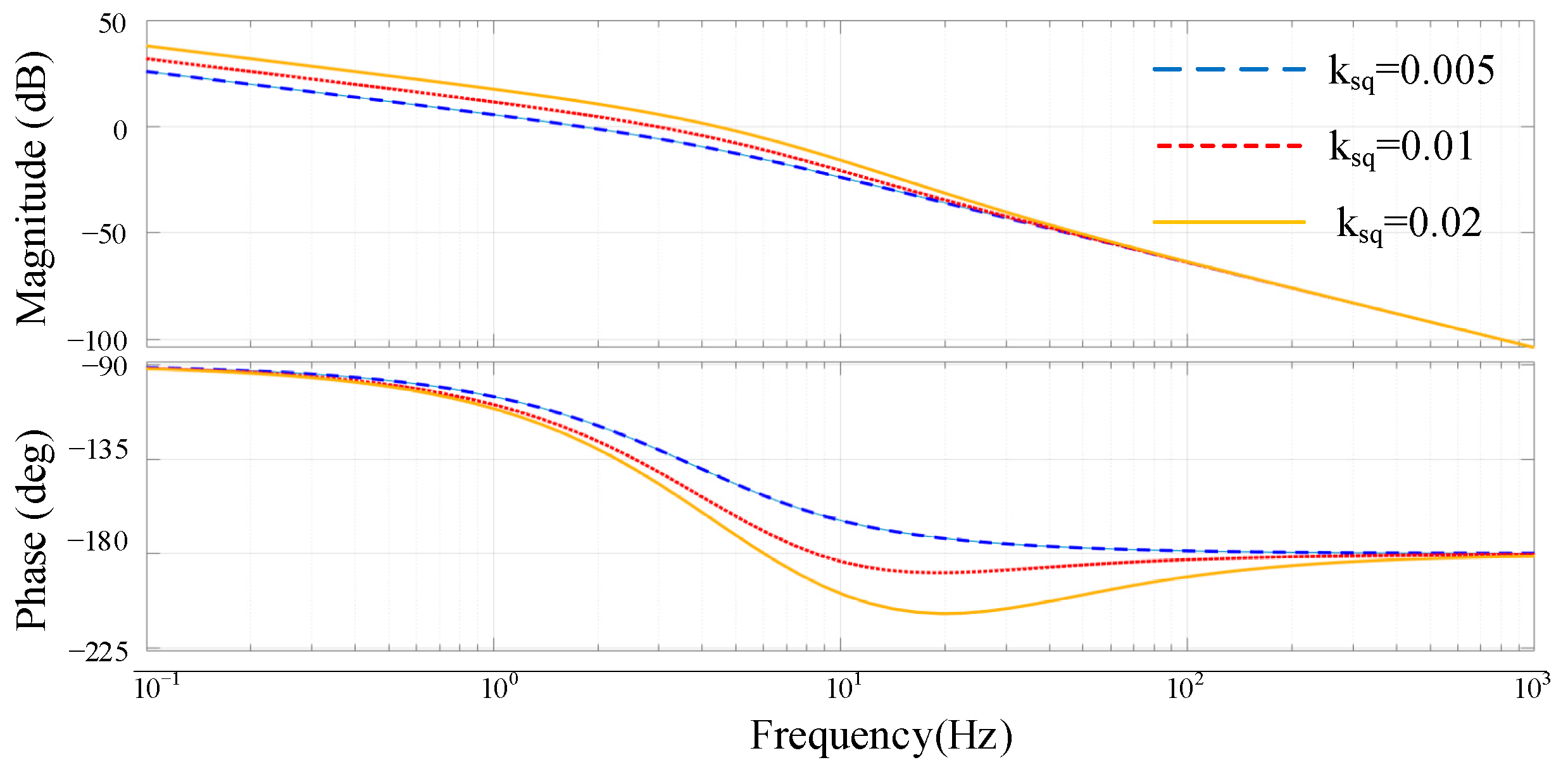
4.1. Design of the SACS Frequency and Amplitude
4.2. Design of the Gain Gq
4.3. Design of the Droop Coefficienst kp, kq and kssq
4.4. Stability Analysis
5. Simulation and Experimental Results
5.1. Simulation Results
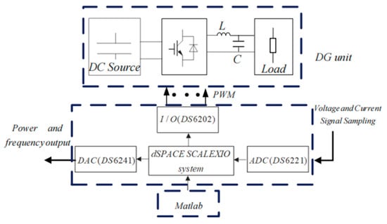
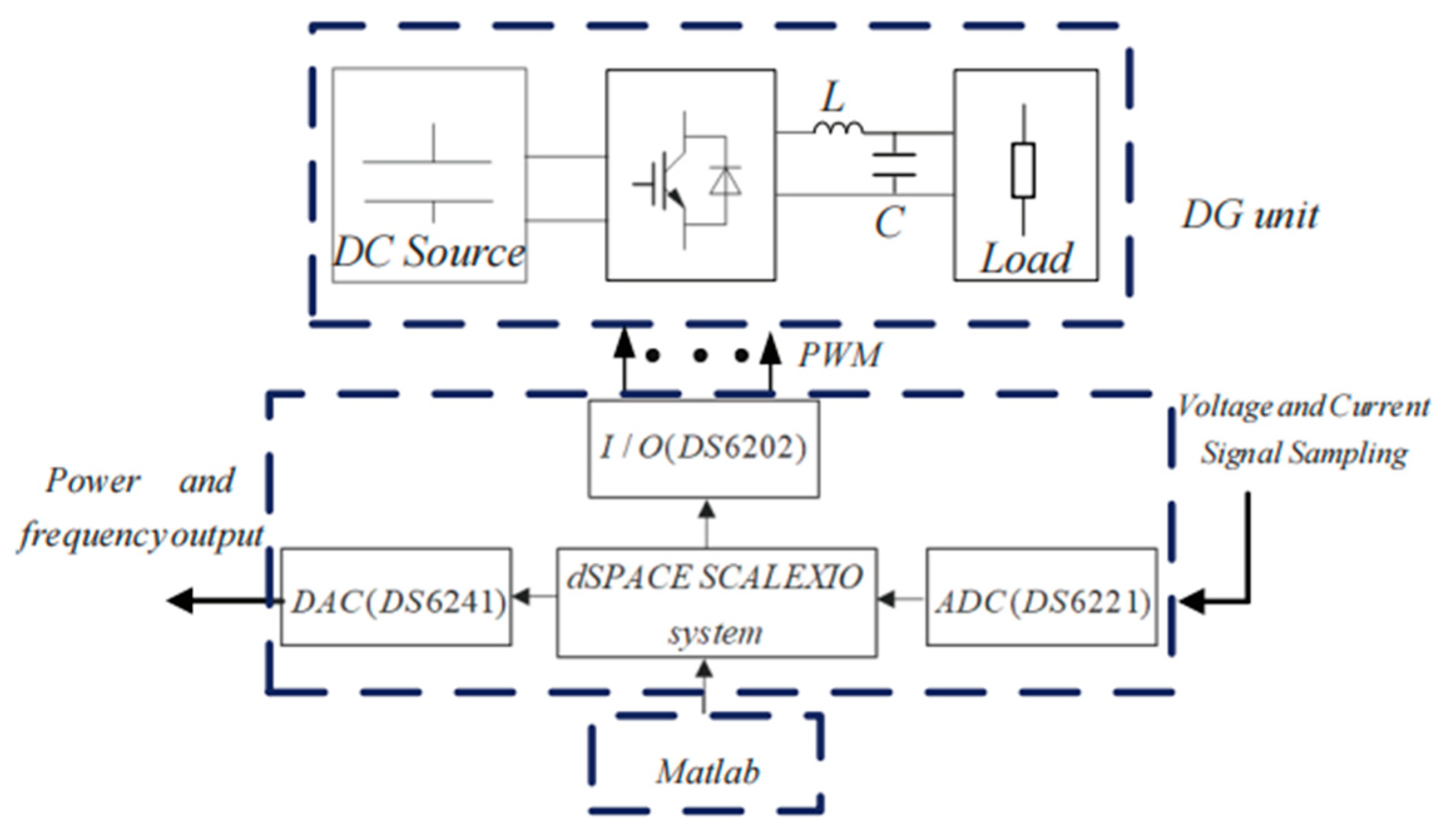
5.2. Experimental Verification
6. Conclusions
Author Contributions
Funding
Institutional Review Board Statement
Informed Consent Statement
Data Availability Statement
Conflicts of Interest
Nomenclature
| , | The local output voltage and current |
| , | The output active and reactive power of the inverter |
| , | The reference active and reactive power |
| , | The synthetic reference frequency and voltage amplitude |
| , | The nominal frequency and voltage amplitude respectively |
| , | The droop coefficients for the inverter-based DGs operated in the islanded mode. |
| , | The droop coefficients corresponding to the nth DG unit (n = 1, 2, ..., N) |
| , | The nominal active and reactive power of each DG |
| , | The output voltage of the DG and PCC voltage amplitude |
| , | The feeder reactance and resistance |
| The power angle difference between the DG and PCC voltages | |
| , | The transfer functions of the voltage-loop controller and the current-loop controller |
| , | The proportional gains |
| The fundamental or harmonic resonant gain term | |
| The cutoff frequency of the resonant controllers | |
| The resonant frequency | |
| The reference reactive power | |
| , | The proportion and integration gains |
| The reactive power of the injected SACS | |
| The amplifier gain, which is used for amplifying the reactive power of the SACS | |
| , | The reference frequency and the nominal frequency of the injected SACS |
| The SACS droop coefficient for reactive power sharing | |
| The frequency difference of the injected SACSs for the two DG units | |
| , | The injected SACS frequency of each DG unit |
| The phase difference of the injected SACS of each DG | |
| , | The local signals of output current and filter capacitor voltage for each DG unit |
| , | The fundamental current and SACS current |
| The SACS reactive power | |
| , | The output fundamental voltage and current components |
| , | Based on the αβ frame |
| , | The voltage and current components of the injected SACS |
| , | Based on αβ frame |
| Extra reference voltage generated by the injected SACSs | |
| The fundamental reference voltage | |
| The overall reference voltage | |
| , | The gain and cutoff frequency of the SACS resonant controller |
| The amplified gain | |
| , , | The droop coefficients |
| , , | the output fundamental voltage amplitude, reactive power and injected SACS reactive power of each DG unit, respectively, i = 1, 2 |
| The difference in the reactive power of the injected SACSs | |
| The total of load power of the reactive power of the injected SACSs | |
| , | The reference voltage and the nominal voltage amplitude of the and injected SACSs, respectively |
| The value of the virtual resistance | |
| , | The SACS voltage and line impedance, respectively, i = 1, 2 |
| The phase angle difference of the injected SACSs for the two DG units | |
| , | The maximum output active and reactive power of each DG unit |
| , | The maximum allowable deviations in the frequency and voltage amplitudes |
| The droop parameters of the injected SACSs | |
| The cut-off frequency of the low-pass filter |
References
- Han, Y.; Li, H.; Shen, P.; Coelho, E.A.A.; Guerrero, J.M. Review of Active and Reactive Power Sharing Strategies in Hierarchical Controlled Microgrids. IEEE Trans. Power Electron. 2017, 32, 2427–2451. [Google Scholar] [CrossRef]
- Rouzbahani, H.M.; Karimipour, H.; Lei, L. A review on virtual power plant for energy management. Sustain. Energy Technol. Assess. 2021, 47, 101370. [Google Scholar] [CrossRef]
- Rey, J.M.; Vargas, I.J.; Vergara, P.P.; Pinto, G.O.; Solano, J. Sizing of an autonomous microgrid considering droop control. Int. J. Electr. Power Energy Syst. 2021, 136, 107634. [Google Scholar] [CrossRef]
- Rosini, A.; Labella, A.; Bonfiglio, A.; Procopio, R.; Guerrero, J.M. A review of reactive power sharing control techniques for islanded microgrids. Renew. Sustain. Energy Rev. 2021, 141, 110745. [Google Scholar] [CrossRef]
- Sun, L.; Sun, K.; Hou, Y.; Hu, J. Optimized autonomous operation control to maintain the frequency, voltage and accurate sharing for DGs in islanded systems. IEEE Trans. Smart Grid 2020, 11, 3885–3895. [Google Scholar] [CrossRef]
- Mahmood, H.; Michaelson, D.; Jiang, J. Accurate reactive power sharing in an islanded microgird using adaptive virtual impedance. IEEE Trans. Power Electron. 2015, 30, 1605–1617. [Google Scholar] [CrossRef]
- Liang, X.; Karim, C.; Li, W.; Mitolo, M.; Shabbir, M. Adaptive virtual impedance-based reactive power sharing in virtual synchronous generator controlled microgrids. IEEE Trans. Ind. Appl. 2021, 57, 46–60. [Google Scholar] [CrossRef]
- Dou, C.; Zhang, Z.; Yue, D.; Song, M. Improved droop control based on virtual impedance and virtual power source in low-voltage microgrid. IET Gener. Transm. Distrib. 2017, 11, 1046–1054. [Google Scholar] [CrossRef]
- Li, M.; Wang, Y.; Liu, Y.; Xu, N.; Shu, S.; Lei, W. Enhanced Power Decoupling Strategy for Virtual Synchronous Generator. IEEE Access 2020, 8, 73601–73613. [Google Scholar] [CrossRef]
- Li, B.; Zhou, L.; Yu, X.; Zheng, C.; Liu, J. Improved power decoupling control strategy based on virtual synchronous generator. IET Power Electron. 2017, 10, 462–470. [Google Scholar] [CrossRef]
- Yao, W.; Chen, M.; Matas, J.; Guerrero, J.M.; Qian, Z.-M. Design and Analysis of the Droop Control Method for Parallel Inverters Considering the Impact of the Complex Impedance on the Power Sharing. IEEE Trans. Ind. Electron. 2011, 58, 576–588. [Google Scholar] [CrossRef]
- Guerrero, J.M.; Vasquez, J.C.; Matas, J.; de Vicuna, L.G.; Castilla, M. Hierarchical Control of Droop-Controlled AC and DC Microgrids—A General Approach Toward Standardization. IEEE Trans. Ind. Electron. 2011, 58, 158–172. [Google Scholar] [CrossRef]
- Lopes, J.; Moreira, C.; Madureira, A.G. Defining control strategies for microgirds islanded operation. IEEE Trans. Power Syst. 2006, 21, 916–924. [Google Scholar] [CrossRef]
- Micallef, A.; Apap, M.; Spiteri-Staines, C.; Guerrero, J.M.; Vasquez, J.C. Reactive Power Sharing and Voltage Harmonic Distortion Compensation of Droop Controlled Single Phase Islanded Microgrids. IEEE Trans. Smart Grid 2014, 5, 1149–1158. [Google Scholar] [CrossRef]
- Shafiee, Q.; Guerrero, J.M.; Vasquez, J.C. Distributed Secondary Control for Islanded Microgrids—A Novel Approach. IEEE Trans. Power Electron. 2014, 29, 1018–1031. [Google Scholar] [CrossRef]
- An, R.; Liu, Z.; Liu, J. Successive-Approximation-Based Virtual Impedance Tuning Method for Accurate Reactive Power Sharing in Islanded Microgrids. IEEE Trans. Power Electron. 2021, 36, 87–102. [Google Scholar] [CrossRef]
- Lu, J.; Savaghebi, M.; Zhang, B.; Hou, X.; Sun, Y.; Guerrero, J.M. Distributed Dynamic Event-Triggered Control for Accurate Active and Harmonic Power Sharing in Modular On-Line UPS Systems. IEEE Trans. Ind. Electron. 2022, 69, 13045–13055. [Google Scholar] [CrossRef]
- Chen, Z.; Pei, X.; Yang, M.; Peng, L. An Adaptive Virtual Resistor (AVR) Control Strategy for Low-Voltage Parallel Inverters. IEEE Trans. Power Electron. 2019, 34, 863–876. [Google Scholar] [CrossRef]
- Guerrero, J.M.; Matas, J.; De Vicuñna, L.G.; Castilla, M.; Miret, J. Wireless-Control Strategy for Parallel Operation of Distributed-Generation Inverters. IEEE Trans. Ind. Electron. 2006, 53, 1461–1470. [Google Scholar] [CrossRef]
- Li, Y.W.; Kao, C.-N. An Accurate Power Control Strategy for Power-Electronics-Interfaced Distributed Generation Units Operating in a Low-Voltage Multibus Microgrid. IEEE Trans. Power Electron. 2009, 24, 2977–2988. [Google Scholar] [CrossRef]
- Hu, Y.; Xiang, J.; Peng, Y.; Yang, P.; Wei, W. Decentralised control for reactive power sharing using adaptive virtual impedance. IET Gener. Transm. Distrib. 2018, 12, 1198–1205. [Google Scholar] [CrossRef]
- He, J.; Li, Y.W.; Guerrero, J.M.; Blaabjerg, F.; Vasquez, J.C. An Islanding Microgrid Power Sharing Approach Using Enhanced Virtual Impedance Control Scheme. IEEE Trans. Power Electron. 2013, 28, 5272–5282. [Google Scholar] [CrossRef]
- Xu, H.; Zhang, X.; Liu, F.; Shi, R.; Yu, C.; Cao, R. A Reactive Power Sharing Strategy of VSG Based on Virtual Capacitor Algorithm. IEEE Trans. Ind. Electron. 2017, 64, 7520–7531. [Google Scholar] [CrossRef]
- Xu, H.; Yu, C.; Liu, C.; Wang, Q.; Liu, F.; Li, F. An Improved Virtual Capacitor Algorithm for Reactive Power Sharing in Multi-Paralleled Distributed Generators. IEEE Trans. Power Electron. 2019, 34, 10786–10795. [Google Scholar] [CrossRef]
- Li, S.; Yan, S.; Zheng, J.; Deng, N. Active Power Sharing Control Strategy of Photovoltaic Microgrid Based on Adaptive Droop. IEEE Sens. J. 2022, 22, 23716–23723. [Google Scholar] [CrossRef]
- Rasool, A.; Fahad, S.; Yan, X.; Jiaoxin, J.; Rasool, H.; Jamil, M. A Virtual Parallel Inductor Approach for Mitigating Reactive Power Sharing Error in a VSG Controlled Microgrid. IEEE Syst. J. 2023, 17, 1363–1374. [Google Scholar] [CrossRef]
- Chen, Y.; Guerrero, J.M.; Shuai, Z.; Chen, Z.; Zhou, L.; Luo, A. Fast Reactive Power Sharing, Circulating Current and Resonance Suppression for Parallel Inverters Using Resistive-Capacitive Output Impedance. IEEE Trans. Power Electron. 2016, 31, 5524–5537. [Google Scholar] [CrossRef]
- Lee, C.-T.; Chu, C.-C.; Cheng, P.-T. A New Droop Control Method for the Autonomous Operation of Distributed Energy Resource Interface Converters. IEEE Trans. Power Electron. 2013, 28, 1980–1993. [Google Scholar] [CrossRef]
- Wang, Y.; Wang, X.; Chen, Z.; Blaabjerg, F. Distributed optimal control of reactive power and voltage in islanded microgrids. IEEE Trans. Ind. Appl. 2017, 53, 340–349. [Google Scholar] [CrossRef]
- Liu, B.; Wu, T.; Liu, Z.; Liu, J. A Small-AC-Signal Injection-Based Decentralized Secondary Frequency Control for Droop-Controlled Islanded Microgrids. IEEE Trans. Power Electron. 2020, 35, 11634–11651. [Google Scholar] [CrossRef]
- Coelho, E.A.A.; Cabaleiro, P.; Donoso, P.F. Small signal stability for single phase inverter connected to stiff ac system. In Proceedings of the IEEE-IAS Annual Meeting, Phoenix, AZ, USA, 3–7 October 1999; pp. 2180–2187. [Google Scholar]
- Micallef, A.; Apap, M.; Spiteri-Staines, C.; Guerrero, J.M. Secondary control for reactive power sharing in droop-controlled islanded microgrids. In Proceedings of the 2012 IEEE International Symposium on Industrial Electronics, Hangzhou, China, 28–31 May 2012; pp. 1627–1633. [Google Scholar]
- IEEE Standard 519-2014 (Revision of IEEE Std 519-1992); IEEE Recommended Practice and Requirements for Harmonic Control in Electric Power Systems. IEEE: Piscataway, NJ, USA, 2014.
- Kundru, P. Power System Stability and Control; McGraw-Hill: New York, NY, USA, 1994. [Google Scholar]


















| Reference | Communication or Communication-Less Control Method | Computational Algorithm Burden | Accurate Active Power Sharing | Accurate Reactive Power Sharing |
|---|---|---|---|---|
| [12] | Communication | Medium | Yes | Yes |
| [13] | Communication | Medium | Yes | Yes |
| [14] | Communication | Medium | Yes | Yes |
| [15] | Communication | High | Yes | Yes |
| [16] | Communication | Low | Yes | Yes |
| [17] | Communication | High | Yes | Not considered |
| [18] | Communication | High | Yes | Yes |
| [19] | Communication-less | low | Yes | No |
| [20] | Communication-less | High | Yes | Yes |
| [21] | Communication-less | Medium | Yes | No |
| [22] | Communication-less | Medium | Yes | No |
| [23] | Communication-less | High | Yes | No |
| [24] | Communication-less | High | Yes | No |
| [25] | Communication-less | High | Yes | No |
| [26] | Communication-less | Medium | Yes | No |
| [27] | Communication-less | Medium | Yes | No |
| Proposed | Communication-less | Low | Yes | Yes |
| Parameters | Value | |
|---|---|---|
| Simulation | Experiment | |
| Switching frequency fs | 20 kHz | 20 kHz |
| Fundamental frequency f | 50 Hz | 50 Hz |
| DC link voltage Udc | 800 V | 400 V |
| Fundamental voltage amplitude | 311 V | 155.5 V |
| Output filter inductance Lf | 1 mH | 1 mH |
| Output filter capacitance Cf | 150 uF | 150 uF |
| Feeder impedance of DG1(mH + Ω) | 4 + 0.3 | 4 + 0.3 |
| Feeder impedance of DG2(mH + Ω) | 3.5 + 0.2 | 3.5 + 0.2 |
| Feeder impedance of DG3(mH + Ω) | 3 + 0.1 | - |
| P-ω droop coeffificient kp | 1.15 × 10−4 | 1 × 10−3 |
| Q-E droop coeffificient kq | 1 × 10−3 | 1.5 × 10−3 |
| SACS voltage amplitude Ess0 | 2.5 | 1.25 |
| SACS frequency ωss | 200 Hz | 200 Hz |
| SACS droop coeffificient ksq | 2 × 10−3 | 8 × 10−3 |
| Gain Gq | 12 | 15 |
| Low pass fifilters ωcp | 31 | 31 |
| Virtual resistor Rv (Ω) | 8 | 5 |
| Load R1 (mH + Ω) | 10 + 15 | 18 + 13.8 |
| Load R2 (mH + Ω) | 0 + 15 | 5 + 13.8 |
Disclaimer/Publisher’s Note: The statements, opinions and data contained in all publications are solely those of the individual author(s) and contributor(s) and not of MDPI and/or the editor(s). MDPI and/or the editor(s) disclaim responsibility for any injury to people or property resulting from any ideas, methods, instructions or products referred to in the content. |
© 2023 by the authors. Licensee MDPI, Basel, Switzerland. This article is an open access article distributed under the terms and conditions of the Creative Commons Attribution (CC BY) license (https://creativecommons.org/licenses/by/4.0/).
Share and Cite
Zhang, Z.; Gao, S.; Zhong, C.; Zhang, Z. Accurate Active and Reactive Power Sharing Based on a Modified Droop Control Method for Islanded Microgrids. Sensors 2023, 23, 6269. https://doi.org/10.3390/s23146269
Zhang Z, Gao S, Zhong C, Zhang Z. Accurate Active and Reactive Power Sharing Based on a Modified Droop Control Method for Islanded Microgrids. Sensors. 2023; 23(14):6269. https://doi.org/10.3390/s23146269
Chicago/Turabian StyleZhang, Zhi, Sheng Gao, Caomao Zhong, and Zhaoyun Zhang. 2023. "Accurate Active and Reactive Power Sharing Based on a Modified Droop Control Method for Islanded Microgrids" Sensors 23, no. 14: 6269. https://doi.org/10.3390/s23146269
APA StyleZhang, Z., Gao, S., Zhong, C., & Zhang, Z. (2023). Accurate Active and Reactive Power Sharing Based on a Modified Droop Control Method for Islanded Microgrids. Sensors, 23(14), 6269. https://doi.org/10.3390/s23146269

