Next Article in Journal
Classifying Unstable and Stable Walking Patterns Using Electroencephalography Signals and Machine Learning Algorithms
Previous Article in Journal
A Simultaneous Localization and Mapping System Using the Iterative Error State Kalman Filter Judgment Algorithm for Global Navigation Satellite System
 
 
Font Type:
Arial Georgia Verdana
Font Size:
Aa Aa Aa
Line Spacing:
Column Width:
Background:
Communication

A Low-Cost Measurement Methodology for LiDAR Receiver Integrated Circuits

1
Department of Electronic and Electrical Engineering, Ewha Womans University, Seoul 03760, Republic of Korea
2
Graduate Program in Smart Factory, Ewha Womans University, Seoul 03760, Republic of Korea
*
Author to whom correspondence should be addressed.
Sensors 2023, 23(13), 6002; https://doi.org/10.3390/s23136002
Submission received: 21 April 2023 / Revised: 14 June 2023 / Accepted: 27 June 2023 / Published: 28 June 2023
(This article belongs to the Section Radar Sensors)

Abstract

This paper presents a test methodology to facilitate the measuring processes of LiDAR receiver ICs by avoiding the inherent walk error issue. In a typical LiDAR system, a costly laser diode driver emits narrow light pulses with fast rising edges, and the reflected pulses from targets enter an optical detector followed by an analog front-end (AFE) circuit. Then, the received signals pass through the cascaded amplifiers down to the time-to-digital converter (TDC) that can estimate the detection range. However, this relatively long signal journey leads to the significant decline of rising-edge slopes and the output pulse spreading, thus producing inherent walk errors in LiDAR receiver ICs. Compensation methods requiring complex algorithms and extra chip area have frequently been exploited to lessen the walk errors. In this paper, however, a simpler and lower-cost methodology is proposed to test LiDAR receiver ICs by employing a high-speed buffer and variable delay cells right before the TDC. With these circuits, both START and STOP pulses show very similar pulse shapes, thus effectively avoiding the walk error issue. Additionally, the time interval between two pulses is easily determined by varying the number of the delay cells. Test chips of the proposed receiver IC implemented in a 180-nm CMOS process successfully demonstrate easier and more accurate measurement results.

1. Introduction

Recently, light detection and ranging (LiDAR) systems have been popular in various applications including augmented reality glasses, robot navigation systems, autonomous vehicles, indoor monitoring sensors for dementia patients [1,2,3,4,5]. Typically, a pulsed time-of-flight (ToF) mechanism is exploited in LiDAR systems such that light signals with a pulse width of a few nanoseconds are transmitted to targets that are located within a feasible range. Then, the reflected pulses are detected and recovered by an optical receiver (Rx), and the distance to targets can be easily estimated by measuring the time interval between the transmitted START pulse and the received STOP pulse. Especially in an indoor-monitoring LiDAR sensor for senile dementia patients, where the detection range is limited to 5 m [1].
In general, a linear-mode LiDAR sensor exploits avalanche photodiodes (APDs) whereas a Geiger-mode sensor employs single photon avalanche diodes (SPADs). Although the Geiger-mode SPADs provide high gain (~108), they typically mandate very high bias voltages, need a quenching circuit to remove after-pulses, and suffer from low photon-detection efficiency, high dark count rate, limited dynamic range, and timing jitters. Linear-mode LiDAR sensors using APDs can avoid these issues. Nevertheless, the linear-mode sensors yield much lower gain especially with on-chip CMOS APDs, thus limiting their usage to the short-range applications.
Figure 1 shows the block diagram of a ToF LiDAR system, in which a laser diode driver emits START pulses and the reflected light pulses are detected in the Rx which consists of an optical detector (i.e., avalanche photodiode or APD) to generate photocurrents, a transimpedance amplifier (TIA) to convert the photocurrents to voltage output signals, a post-amplifier (PA) to amplify the voltage outputs further, and finally, a time-to-digital converter (TDC) to compare the arrival time of the initial START pulse and the received STOP pulse, thereby estimating the distance to targets. This architecture, however, gives rise to inherent defects in the optical measurements. Firstly, it necessitates a costly laser driver to emit narrow optical pulses [6,7,8,9,10,11]. Secondly, targets are necessary for optical testing. It should be noted that various targets with different reflectivities affect the measured results of the LiDAR Rx ICs [7,8,9]. Thirdly, when the transmitter (Tx) emits the optical pulses to targets, it must simultaneously send the electrical START pulses into the Rx. However, this electrical interconnection includes the parasitic components from I/O pads and bond wires between Tx and Rx, thereby causing undesired delays and signal distortions. Fourth, the electrical START pulses yield almost upright rising edges, whereas the rising edges of the STOP pulses show the finite and declined slopes. Hence, the inherent time difference, also known as a walk error, cannot be avoided in this measurement [9].
Therefore, we propose a CMOS optoelectronic receiver IC (CORIC) for simple low-cost testing of a LiDAR Rx, which comprises an analog front-end (AFE) circuit, a high-speed digital input buffer, a variable delay cell, and a two-dimensional (2D) modified TDC. In particular, the AFE can successfully recover narrow pulses within the detection range up to 10 m [10]. It consists of a dual-feedback folded-cascode differential TIA (DFD-TIA), an active single-to-differential (ASD) converter, a cross-coupled inverter-based post-amplifier (CI-PA), and a two-stage differential amplifier with negative impedance compensation (TDA-NIC). It should be noted that the fully differential configuration from the input stage in the DFD-TIA improves the common-mode rejection ratio (CMRR) and the power supply rejection ratio (PSRR) characteristics, which are critical factors for the signal integrity of the receiver even with the slight sacrifice of noise current spectral density.
The key contributions of this work can be summarized as follows:
  • A simple low-cost methodology is proposed to test LiDAR receiver ICs, discarding the need of costly complicated compensation algorithms.
  • By exploiting a high-speed buffer and variable delay cells right before the TDC, both START and STOP pulses can provide very similar pulse shapes, thus effectively avoiding the walk error issue during the measurements.
  • Time-interval between two pulses can be easily determined by varying the number of the delay cells.
This paper is organized as follows. Section 2 describes each circuit of the CORIC and the simulation results. Section 3 demonstrates the low-cost measurement results. Then, conclusions are made in Section 4.

2. Circuit Description

Figure 2 depicts the block diagram of the proposed CMOS optoelectronic receiver IC (CORIC), in which the AFE circuit includes an on-chip APD as an optical detector to avoid the undesired signal distortion occurred from the notorious parasitic components of the bond wire inductance and the parasitic capacitance of I/O pads. Additionally, it exploits a voltage-mode DFD-TIA for optical-to-electrical conversion, a CI-PA for gain boosting, and a TDA-NIC with active feedback for DC offset cancellation such that the fully differential signals (Vop and Von) can be generated. Thereafter, one of the differential signals passes through a high-speed digital input buffer (HS-DIB) that converts the differential voltage signals to a single-ended output (VIB_O) with a full swing. Then, VIB_O enters a variable delay line to mimic the time-interval (i.e., 1~15 ns in this work) between START and STOP pulses. Finally, the following TDC produces 4-bit digital codes which correspond to the designated time-intervals.

2.1. AFE Circuits

Figure 2 depicts the schematic diagrams of the crucial AFE circuits (i.e., DFD-TIA, CI-PA, and TDA-NIC with offset cancellation). Previously, various AFE optical receivers have been suggested [6,7,8,9,10,11,12,13] where off-chip APDs were mostly integrated on PC-boards via bond-wires. As previously mentioned, this bond–wire interconnection may lead to the considerable increase of packaging costs in the cases of multi-channel receiver arrays, and mandate on-chip electrostatic discharge protection diodes (ESD) which, however, deteriorate the receiver bandwidth and worsen the noise performance. Therefore, on-chip APDs can be an efficient alternative to replace the off-chip APDs to avoid these issues. Nonetheless, silicon on-chip APDs respond to lights only operating at infrared wavelengths. Besides, the practical CMOS implementation of on-chip APDs results in low responsivity [14]. Despite these shortcomings, we have optimized the AFE circuits with the exploitation of CMOS on-chip avalanche multiplication [10,15].
The crucial specifications of the AFE circuits include 85-dBΩ transimpedance gain, 700-MHz bandwidth, 15-pA/ H z noise current spectral density, and a 40-dB power supply rejection ratio for the proper operations of the following digital circuitry [10].

2.2. High-Speed Digital Input Buffer

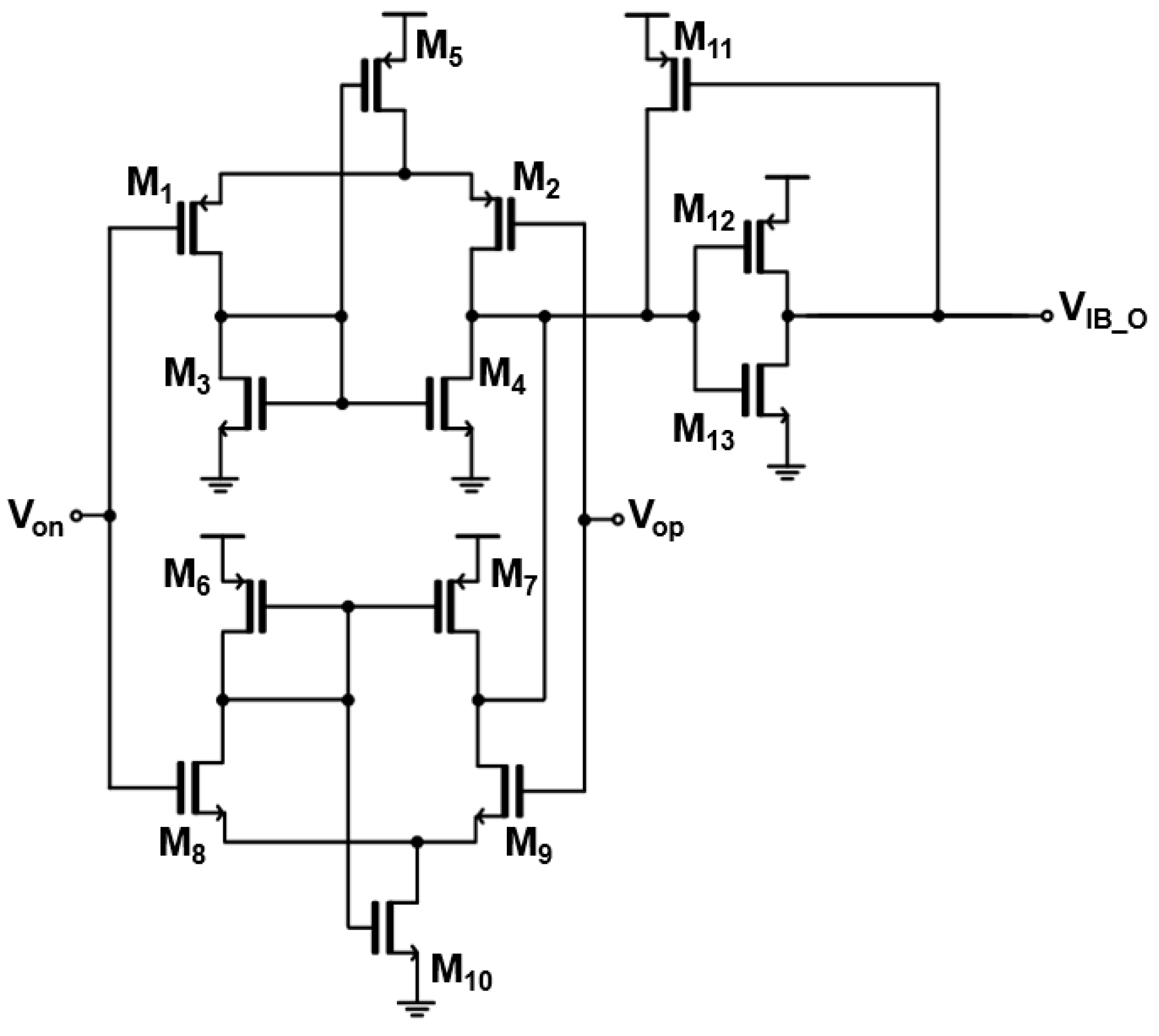
Thereafter, a high-speed digital input buffer (HS-DIB) is incorporated to convert the analog voltage signals from the preceding AFE circuit to full-swing digital signals so as to facilitate the timing estimations at the following TDC. Figure 3 shows the schematic diagram of the HS-DIB, in which an NMOS self-biased differential amplifier is connected in parallel with a PMOS self-biased differential amplifier.
If Vop is higher than Von, M1 and M9 are turned on while M2 and M8 are turned off. Then, the drain of M4 is low and VIB_O becomes high. If Von is higher than Vop, M2 & M8 are on while M1 & M9 are off. Then, the drain of M4 is high and VIB_O becomes low. When VIB_O is low, M11 helps to pull the drain of M4 to become completely high. Therefore, if Vop is higher than Von, VIB_O generates a rail-to-rail positive voltage signal, and vice versa. It should be noted that hysteresis is introduced by M11 because the HS-DIB may detect and boost even noises as weak signals. Hence, when the output (VIB_O) is low, M11 is turned on and it helps the output of the differential amplifier go towards ground rapidly [16].

2.3. Variable Delay Line

It is well known that LiDAR systems suffer walk errors significantly because an inherent difference exists in the slopes of rising edges between the START and STOP pulses. These walk errors lead to considerable timing errors, mandating a complex compensation algorithm. The START pulses are generated from the laser driver in a Tx while the STOP pulses enter the TDC via a number of paths including the AFE circuits in a Rx. Therefore, the slope of the STOP pulses becomes much lower than that of the START pulses. With this innate defect, it is very difficult to accurately measure the performance of newly proposed receivers unless the complicated compensation circuits are equipped. In this paper, we suggest a variable delay line which can eliminate the need of a costly laser diode driver in Tx and a walk error compensation circuit in Rx. This proposed variable delay line enables the measurement of the performance of Rx accurately with no risk of walk errors.
Figure 4a depicts the schematic diagram of the variable delay line, which consists of a series of inverter chains with MOS capacitors attached at the output of each inverter for the purpose of delay-control. The PMOS (M12) at the output helps to sharpen the falling edges of the STOP pulses. The MOS capacitors are turned on and off by using a 4-bit thermometer-to-binary decoder circuit. Figure 4b compares the output pulses (VIB_O) of HS-DIB with the simulated output pulses of the variable delay line in the case of 10-ns delay, where it can be clearly seen that the slope of the rising edges in both pulses is quite similar. The required specifications of the delay line are the variable delays from 1 ns to 10 ns so that the short-range detection can be successfully conducted.

2.4. Modified 2D Vernier TDC

In this work, the modified 2D Vernier architecture is exploited as a TDC circuit, in which resettable T-latch circuits are utilized to convert narrow input pulses to wide digital signals [17]. It can, therefore, avoid the notorious ambiguity of pulse overlapping between START and STOP pulses.
The specifications of the 2D Vernier TDC include the detection capability of the time intervals of 1–10 ns. Figure 5 illustrates the block diagram of the modified 2D Vernier TDC, where two resettable T-latch circuits are employed to maintain the high-state pulses until the arrival of the next input pulse and thus, the output ambiguity of the pulse overlapping between START and STOP pulses can be significantly reduced. In addition, with the resettable T-latch circuits, there is no need for dual threshold comparators to measure the time intervals, hence helping further to omit the walk errors. Consequently, errors would only occur due to the delay offset in a delay cell. In this work, each delay cell was designed to provide the delays of 3 ns (=t1) and 2 ns (=t2), respectively, so that the timing resolution of the modified 2D Vernier TDC becomes 1 ns (=t1 − t2).

2.5. Post-Layout Simulation Results

Figure 6 depicts the simulated results of the proposed CORIC, showing the effective correction of the error bits and allowing for the time difference (ΔT) of 10 ns that corresponds to the detection range of 1.5 m. This example generates the 15-bit output data of 000001111111111, which is finally converted to a 4-bit binary code of 1010 via a thermometer-to-binary (T2B) encoder. As long as the design space of the delay cells is large enough, the modified 2D Vernier TDC is expected to detect the reflected pulses within longer ranges.

3. Chip Fabrication and Measured Results

Figure 7 shows the chip photo of the proposed CORIC and its test setup, where the chip core occupies the area of 841 × 268 µm2. An 850-nm laser source driver (Seed LDD, Notice Korea Ltd., Anyang, Korea) with a laser diode (Qphotonics, Ann Arbor, MI, USA) was utilized to generate light pulses. DC measurements revealed 20.9 mW power dissipation from a single 1.8-V supply.
Figure 8 demonstrates the measured output pulses of the variable delay lines and finally, the measured 4-bit thermometer binary codes of the TDC output when the delay is set from 1 ns to 11 ns. It can clearly be seen that the STOP pulses of the variable delay line have almost identical shapes to the START pulses. For examples, the final 4-bit thermometer binary data of the TDC outputs result in 0100 which corresponds to the 15-bit 000001111111111 (i.e., Δt = 4 ns), whereas 1010 that corresponds to the 15-bit 000000000001111 (i.e., Δt = 10 ns). Hence, the proposed CORIC chip yields very similar START and STOP signals so that it can eliminate the notorious walk errors during the measurements for the AFEs of LiDAR sensors, as anticipated.
Table 1 compares the performance of the proposed CORIC chip with the previously reported LiDAR receivers. Ref. [6] depicts a frequency-compensated voltage-mode inverter TIA with a very low noise current spectral density that dissipates high-power and demands a large reverse bias for an off-chip APD for a high 50-A/W responsivity. Ref. [7] implemented an AFE with a separate analog-to-digital converter/time-to-digital converter (ADC/TDC) chip in a 65-nm CMOS, achieving long detection range with low power consumption. Yet, it utilized an off-chip APD with a 160-V bias voltage for 25-A/W responsivity. Ref. [9] suggested a differential-voltage-mode TIA that demonstrated a high transimpedance gain and a very large maximum detectable input current. However, AC coupling capacitors and bias resistors were necessary for an off-chip APD with 40-A/W responsivity. Additionally, a separate TDC chip was required for a wide input dynamic range. Ref. [10] realized a fully differential AFE with an on-chip CMOS P+/N-well APD that revealed the successful recovery of narrow 1-ns light pulses. Still, it demanded a costly laser diode for light emission and there was no TDC implemented above all. Ref. [11] improved timing dynamic range and sensitivity characteristics with dual-mode control. The input currents were switched either to a charge-sensitive amplifier or to a gated active load-assisted TIA, depending upon the intensity of input currents. In particular, walk errors were substituted for small input currents by reducing the time-constant of the pulse shaper. Ref. [13] obtained the minimum noise by utilizing the transimpedance-to-noise method. However, the input dynamic range was quite limited to 24.9 dB because of the high transimpedance gain with no gain control.

4. Conclusions

We have demonstrated a simple low-cost methodology to measure the performance of LiDAR receiver ICs, which effectively avoids the inherent walk error issues by exploiting a high-speed buffer and variable delay cells right before the TDC so that the START and STOP pulses provide very similar pulse shapes. Additionally, the time interval between two pulses is easily determined by varying the number of delay cells. Test chips of the proposed CMOS optoelectronic receiver IC implemented in a 180-nm CMOS process successfully demonstrate the more accurate measurements with no extra compensation schemes. Hence, it can be concluded that this work provides an easier and more accurate means of measuring the performance of the developed optical receiver ICs for the applications of short-range LiDAR sensors than conventional methods.

Author Contributions

Conceptualization, S.-M.P.; methodology, J.-E.J. and S.-M.P.; validation, J.-E.J.; writing—original draft preparation, S.-M.P.; writing—review and editing, Y.C., S.C. and S.-M.P.; visualization, J.-E.J.; supervision, S.-M.P.; project administration, S.-M.P.; funding acquisition, S.-M.P. All authors have read and agreed to the published version of the manuscript.

Funding

This work was supported by the National Research Foundation of Korea (NRF) grant funded by the Korean government (MSIP) (No. 2020R1A2C1008879). Additionally, this research was supported by the MSIT (Ministry of Science and ICT), Korea, under the ITRC (Information Technology Research Center) support program (IITP-2020-0-01847) supervised by the IITP (Institute for Information & Communications Technology Planning & Evaluation). In addition, this work was supported by the National Research Foundation (NRF), Korea, under project BK21 FOUR. The EDA tool and chip fabrication were supported by the IC Design Education Center.

Institutional Review Board Statement

Not applicable.

Informed Consent Statement

Not applicable.

Data Availability Statement

Not applicable.

Conflicts of Interest

The authors declare no conflict of interest.

References

  1. Perry, T.S. Look Out for Apple’s AR Glasses: With head-up displays, cameras, inertial sensors, and lidar on board, Apple’s augmented-reality glasses could redefine wearables. IEEE Spectr. 2020, 58, 26–54. [Google Scholar] [CrossRef]
  2. Van Nam, D.; Gon-Woo, K. Solid-state LiDAR based-SLAM: A concise review and application. In Proceedings of the 2021 IEEE International Conference on Big Data and Smart Computing (BigComp), Jeju Island, Republic of Korea, 17–20 January 2021; pp. 302–305. [Google Scholar]
  3. Roriz, R.; Cabral, J.; Gomes, T. Automotive LiDAR technology: A survey. IEEE Trans. Intell. Transp. Syst. 2021, 23, 6282–6297. [Google Scholar] [CrossRef]
  4. Yoon, D.; Joo, J.-E.; Park, S.M. Mirrored Current-Conveyor Transimpedance Amplifier for Home Monitoring LiDAR Sensors. IEEE Sens. J. 2020, 21, 5589–5597. [Google Scholar] [CrossRef]
  5. Hu, Y.; Joo, J.-E.; Kim, S.; Kim, H.; Park, S.; Kim, J.-H.; Kim, Y.; Park, S.M. An Indoor-Monitoring LiDAR Sensor for Patients with Alzheimer Disease Residing in Long-Term Care Facilities. Sensors 2022, 22, 7934. [Google Scholar]
  6. Wang, X.; Ma, R.; Li, D.; Zheng, H.; Liu, M.; Zhu, Z. A low walk error analog front-end circuit with intensity compensation for direct ToF LiDAR. IEEE Trans. Circuits Syst. I Regul. Pap. 2020, 67, 4309–4321. [Google Scholar] [CrossRef]
  7. Liu, M.; Liu, H.; Li, X.; Zhu, Z. A 60-m range 6.16-mW laser-power linear-mode LiDAR system with multiplex ADC/TDC in 65-nm CMOS. IEEE Trans. Circuits Syst. I Regul. Pap. 2019, 67, 753–764. [Google Scholar] [CrossRef]
  8. Kashmiri, M.; Behroozpour, B.; Petkov, V.P.; Wojciechowski, K.E.; Lang, C. A 4-GS/s 80-dB DR current-domain analog frontend for phase-coded pulse-compression direct time-of-flight automotive lidar. IEEE J. Solid-State Circuits 2020, 55, 3131–3145. [Google Scholar] [CrossRef]
  9. Kurtti, S.; Jansson, J.-P.; Kostamovaara, J. A CMOS Receiver–TDC Chip Set for Accurate Pulsed TOF Laser Ranging. IEEE Trans. Instrum. Meas. 2020, 69, 2208–2217. [Google Scholar] [CrossRef]
  10. Joo, J.-E.; Lee, M.-J.; Park, S.M. A CMOS Fully Differential Optoelectronic Receiver for Short-Range LiDAR Sensors. IEEE Sens. J. 2023, 23, 4930–4939. [Google Scholar] [CrossRef]
  11. Li, K.; Guo, J.; Zhao, Y. A CMOS AFE With 37-nA rms Input-Referred Noise and Marked 96-dB Timing DR for Pulsed LiDAR. IEEE Trans. Circuits Syst. I Regul. Pap. 2022, 69, 3565–3578. [Google Scholar] [CrossRef]
  12. Zheng, H.; Ma, R.; Liu, M.; Zhu, Z. A linear-array receiver analog front-end circuit for rotating scanner LiDAR application. IEEE Sens. J. 2019, 19, 5053–5061. [Google Scholar] [CrossRef]
  13. Khoeini, F.; Hadidian, B.; Zhang, K.; Afshari, E. A transimpedance-to-noise optimized analog front-end with high PSRR for pulsed ToF LiDAR receivers. IEEE Trans. Circuits Syst. I Regul. Pap. 2021, 68, 3642–3655. [Google Scholar] [CrossRef]
  14. Lee, M.-J.; Choi, W.-Y. Area-dependent photodetection frequency response characterization of silicon avalanche photodetectors fabricated with standard CMOS technology. IEEE Trans. Electron Devices 2013, 60, 998–1004. [Google Scholar] [CrossRef]
  15. Joo, J.-E.; Lee, M.-J.; Park, S.M. A CMOS optoelectronic receiver IC with an on-chip avalanche photodiode for home-monitoring LiDAR sensors. Sensors 2021, 21, 4364. [Google Scholar] [CrossRef] [PubMed]
  16. Baker, R.J. CMOS: Circuit Design, Layout, and Simulation; John Wiley & Sons: New York, NY, USA, 2019. [Google Scholar]
  17. Jang, Y.-M.; He, Y.; Cho, S.-B.; Kim, J.-H.; Park, S.M. A modified 2-D vernier time-to-digital converter using resettable T-latch. J. Semicond. Technol. Sci. 2019, 19, 477–484. [Google Scholar] [CrossRef]
Figure 1. Block diagram of a conventional LiDAR system.
Figure 1. Block diagram of a conventional LiDAR system.
Sensors 23 06002 g001
Figure 2. Block diagram of the proposed CMOS optoelectronic receiver IC (CORIC).
Figure 2. Block diagram of the proposed CMOS optoelectronic receiver IC (CORIC).
Sensors 23 06002 g002
Figure 3. Schematic diagram of the high-speed digital IB (HS-DIB).
Figure 3. Schematic diagram of the high-speed digital IB (HS-DIB).
Sensors 23 06002 g003
Figure 4. (a) Schematic diagram of the variable delay line and (b) the simulated output pulses with 10-ns delay.
Figure 4. (a) Schematic diagram of the variable delay line and (b) the simulated output pulses with 10-ns delay.
Sensors 23 06002 g004
Figure 5. Block diagram of the modified 2D Vernier TDC.
Figure 5. Block diagram of the modified 2D Vernier TDC.
Sensors 23 06002 g005
Figure 6. Simulation results of the proposed CORIC: (a) delayed T_START and T_STOP signals at each node, and (b) a 15-bit data output with a converted 4-bit binary code.
Figure 6. Simulation results of the proposed CORIC: (a) delayed T_START and T_STOP signals at each node, and (b) a 15-bit data output with a converted 4-bit binary code.
Sensors 23 06002 g006
Figure 7. Chip photo of the proposed CORIC and its test setup.
Figure 7. Chip photo of the proposed CORIC and its test setup.
Sensors 23 06002 g007
Figure 8. Measured outputs of the proposed variable delay line, and of the 2-D modified Vernier TDC when the delay is set to (a) 1ns, (b) 4 ns, (c) 8 ns, (d) 10 ns, and (e) 11 ns, respectively. (a) binary code (0001); (b) binar code (0100); (c) binary code (1000); (d) binary code (1010); (e) binary code (1011).
Figure 8. Measured outputs of the proposed variable delay line, and of the 2-D modified Vernier TDC when the delay is set to (a) 1ns, (b) 4 ns, (c) 8 ns, (d) 10 ns, and (e) 11 ns, respectively. (a) binary code (0001); (b) binar code (0100); (c) binary code (1000); (d) binary code (1010); (e) binary code (1011).
Sensors 23 06002 g008aSensors 23 06002 g008b
Table 1. Performance Summary of the Proposed CORIC with Prior Arts.
Table 1. Performance Summary of the Proposed CORIC with Prior Arts.
ParametersThis Work[6][7][9][10][11][13]
CMOS (nm)18018065350180180110
ArchitectureAFE+TDCAFEAFE+TDC *AFEAFEAFEAFE
Input configurationDiff.SESEDiff. (AC)Diff.SEDiff.
APD typeson-chipoff-chipoff-chipoff-chipon-chipoff-chipoff-chip
Responsivity (A/W)
(bias voltage)
2.72
(11 V)
50
(200 V)
25
(160 V)
40
(N/A)
2.72
(11.05 V)
50
(200 V)
0.9
(5 V)
Min. distance (m)0.34.2-0.50.231.440.086
Max. distance (m)3.0791621004.014411.5
Power diss. per channel (mW)20.920012.4418050.66641
Chip area (mm2)0.2252.20.8744.00.1140.330.023
AFE: analog front-end, SF: shunt feedback, FC: frequency compensation, Diff.: differential, SE: single-ended, AC: AC-coupled. * With a separate TDC chip, With 1-mW transmitted power assumed.
Disclaimer/Publisher’s Note: The statements, opinions and data contained in all publications are solely those of the individual author(s) and contributor(s) and not of MDPI and/or the editor(s). MDPI and/or the editor(s) disclaim responsibility for any injury to people or property resulting from any ideas, methods, instructions or products referred to in the content.

Share and Cite

MDPI and ACS Style

Joo, J.-E.; Choi, S.; Chon, Y.; Park, S.-M. A Low-Cost Measurement Methodology for LiDAR Receiver Integrated Circuits. Sensors 2023, 23, 6002. https://doi.org/10.3390/s23136002

AMA Style

Joo J-E, Choi S, Chon Y, Park S-M. A Low-Cost Measurement Methodology for LiDAR Receiver Integrated Circuits. Sensors. 2023; 23(13):6002. https://doi.org/10.3390/s23136002

Chicago/Turabian Style

Joo, Ji-Eun, Shinhae Choi, Yeojin Chon, and Sung-Min Park. 2023. "A Low-Cost Measurement Methodology for LiDAR Receiver Integrated Circuits" Sensors 23, no. 13: 6002. https://doi.org/10.3390/s23136002

APA Style

Joo, J.-E., Choi, S., Chon, Y., & Park, S.-M. (2023). A Low-Cost Measurement Methodology for LiDAR Receiver Integrated Circuits. Sensors, 23(13), 6002. https://doi.org/10.3390/s23136002

Note that from the first issue of 2016, this journal uses article numbers instead of page numbers. See further details here.

Article Metrics

Back to TopTop