A High-Efficiency Capacitor-Based Battery Equalizer for Electric Vehicles
Abstract
1. Introduction
2. Operation and Analysis of the Proposed Equalizer
2.1. Related Works
2.2. Contextualization of the Work
3. Design of the Proposed Equalizer
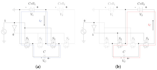
3.1. Power Stage Design
3.2. Controller Design
4. Comparison
5. Simulation Results
6. Conclusions
Author Contributions
Funding
Institutional Review Board Statement
Informed Consent Statement
Data Availability Statement
Conflicts of Interest
References
- Ghosh, A. Possibilities and challenges for the inclusion of the electric vehicle (EV) to reduce the carbon footprint in the transport sector: A review. Energies 2020, 13, 2602. [Google Scholar] [CrossRef]
- Lajunen, A.; Suomela, J.; Pippuri, J.; Tammi, K.; Lehmuspelto, T.; Sainio, P. Electric and hybrid electric non-road mobile machinery–present situation and future trends. World Electr. Veh. J. 2016, 8, 172–183. [Google Scholar] [CrossRef]
- Lutsey, N.; Nicholas, M. Update on electric vehicle costs in the United States through 2030. Int. Counc. Clean Transp. 2019, 12, 1–12. [Google Scholar]
- Sriram, K.V.; Michael, L.K.; Hungund, S.S.; Fernandes, M. Factors influencing adoption of electric vehicles—A case in India. Cogent Eng. 2022, 9, 2085375. [Google Scholar]
- Galvão, J.R.; Calligaris, L.B.; de Souza, K.M.; Gotz, J.D.; Junior, P.B.; Corrêa, F.C. Hybrid Equalization Topology for Battery Management Systems Applied to an Electric Vehicle Model. Batteries 2022, 8, 178. [Google Scholar] [CrossRef]
- Xing, Y.; Ma, E.W.; Tsui, K.L.; Pecht, M. Battery management systems in electric and hybrid vehicles. Energies 2011, 4, 1840–1857. [Google Scholar] [CrossRef]
- Aiello, O.; Crovetti, P.S.; Fiori, F. Susceptibility to EMI of a Battery Management System IC for electric vehicles. In Proceedings of the 2015 IEEE International Symposium on Electromagnetic Compatibility (EMC), Dresden, Germany, 16–22 August 2015; pp. 749–754. [Google Scholar]
- Aiello, O. Electromagnetic susceptibility of battery management systems’ ICs for electric vehicles: Experimental study. Electronics 2020, 9, 510. [Google Scholar] [CrossRef]
- Gabbar, H.A.; Othman, A.M.; Abdussami, M.R. Review of battery management systems (BMS) development and industrial standards. Technologies 2021, 9, 28. [Google Scholar] [CrossRef]
- Habib, A.A.; Hasan, M.K.; Issa, G.F.; Singh, D.; Islam, S.; Ghazal, T.M. Lithium-Ion Battery Management System for Electric Vehicles: Constraints, Challenges, and Recommendations. Batteries 2023, 9, 152. [Google Scholar] [CrossRef]
- Alvarez-Diazcomas, A.; Estévez-Bén, A.A.; Rodríguez-Reséndiz, J.; Martínez-Prado, M.A.; Carrillo-Serrano, R.V.; Thenozhi, S. A review of battery equalizer circuits for electric vehicle applications. Energies 2020, 13, 5688. [Google Scholar] [CrossRef]
- Rangarajan, S.S.; Sunddararaj, S.P.; Sudhakar, A.; Shiva, C.K.; Subramaniam, U.; Collins, E.R.; Senjyu, T. Lithium-ion batteries—The crux of electric vehicles with opportunities and challenges. Clean Technol. 2022, 4, 908–930. [Google Scholar] [CrossRef]
- Dik, A.; Omer, S.; Boukhanouf, R. Electric Vehicles: V2G for Rapid, Safe, and Green EV Penetration. Energies 2022, 15, 803. [Google Scholar] [CrossRef]
- Yu, P.; Li, M.; Wang, Y.; Chen, Z. Fuel cell hybrid electric vehicles: A review of topologies and energy management strategies. World Electr. Veh. J. 2022, 13, 172. [Google Scholar] [CrossRef]
- Zhou, L.; Lai, X.; Li, B.; Yao, Y.; Yuan, M.; Weng, J.; Zheng, Y. State Estimation Models of Lithium-Ion Batteries for Battery Management System: Status, Challenges, and Future Trends. Batteries 2023, 9, 131. [Google Scholar] [CrossRef]
- Manjarrez, L.H.; Ramos-Fernández, J.C.; Espinoza, E.S.; Lozano, R. Estimation of Energy Consumption and Flight Time Margin for a UAV Mission Based on Fuzzy Systems. Technologies 2023, 11, 12. [Google Scholar] [CrossRef]
- Doridant, A.; Abouda, K.; Givelin, P.; Thibaud, B. Battery management system demonstrator board design using EMC system simulation. In Proceedings of the 2019 International Symposium on Electromagnetic Compatibility—EMC EUROPE, Barcelona, Spain, 2–6 September 2019; pp. 427–432. [Google Scholar]
- Lelie, M.; Braun, T.; Knips, M.; Nordmann, H.; Ringbeck, F.; Zappen, H.; Sauer, D.U. Battery management system hardware concepts: An overview. Appl. Sci. 2018, 8, 534. [Google Scholar] [CrossRef]
- Brand, M.; Gläser, S.; Geder, J.; Menacher, S.; Obpacher, S.; Jossen, A.; Quinger, D. Electrical safety of commercial Li-ion cells based on NMC and NCA technology compared to LFP technology. World Electr. Veh. J. 2013, 6, 572–580. [Google Scholar] [CrossRef]
- Luo, X.; Kang, L.; Lu, C.; Linghu, J.; Lin, H.; Hu, B. An enhanced multicell-to-multicell battery equalizer based on bipolar-resonant LC converter. Electronics 2021, 10, 293. [Google Scholar] [CrossRef]
- Hu, X.; Cao, D.; Egardt, B. Condition monitoring in advanced battery management systems: Moving horizon estimation using a reduced electrochemical model. IEEE/ASME Trans. Mechatron. 2017, 23, 167–178. [Google Scholar] [CrossRef]
- Kim, T.; Adhikaree, A.; Pandey, R.; Kang, D.W.; Kim, M.; Oh, C.Y.; Baek, J.W. An on-board model-based condition monitoring for lithium-ion batteries. IEEE Trans. Ind. Appl. 2018, 55, 1835–1843. [Google Scholar] [CrossRef]
- Xiong, R.; Zhang, Y.; Wang, J.; He, H.; Peng, S.; Pecht, M. Lithium-ion battery health prognosis based on a real battery management system used in electric vehicles. IEEE Trans. Veh. Technol. 2018, 68, 4110–4121. [Google Scholar] [CrossRef]
- Ahmadi, S.; Bathaee, S.; Hosseinpour, A.H. Improving fuel economy and performance of a fuel-cell hybrid electric vehicle (fuel-cell, battery, and ultra-capacitor) using optimized energy management strategy. Energy Convers. Manag. 2018, 160, 74–84. [Google Scholar] [CrossRef]
- Lee, S.; Kim, J. Power capability analysis of lithium battery and supercapacitor by pulse duration. Electronics 2019, 8, 1395. [Google Scholar] [CrossRef]
- Li, W.; Cui, H.; Nemeth, T.; Jansen, J.; Uenluebayir, C.; Wei, Z.; Zhang, L.; Wang, Z.; Ruan, J.; Dai, H.; et al. Deep reinforcement learning-based energy management of hybrid battery systems in electric vehicles. J. Energy Storage 2021, 36, 102355. [Google Scholar] [CrossRef]
- Li, W.; Cui, H.; Nemeth, T.; Jansen, J.; Ünlübayir, C.; Wei, Z.; Feng, X.; Han, X.; Ouyang, M.; Dai, H.; et al. Cloud-based health-conscious energy management of hybrid battery systems in electric vehicles with deep reinforcement learning. Appl. Energy 2021, 293, 116977. [Google Scholar] [CrossRef]
- Ko, Y.; Choi, W. A new soc estimation for lfp batteries: Application in a 10 ah cell (hw 38120 l/s) as a hysteresis case study. Electronics 2021, 10, 705. [Google Scholar] [CrossRef]
- Mounica, V.; Obulesu, Y.P. Hybrid Power Management Strategy with Fuel Cell, Battery, and Supercapacitor for Fuel Economy in Hybrid Electric Vehicle Application. Energies 2022, 15, 4185. [Google Scholar] [CrossRef]
- Yan, F.; Wang, J.; Du, C.; Hua, M. Multi-Objective Energy Management Strategy for Hybrid Electric Vehicles Based on TD3 with Non-Parametric Reward Function. Energies 2023, 16, 74. [Google Scholar] [CrossRef]
- How, D.N.; Hannan, M.; Lipu, M.H.; Ker, P.J. State of charge estimation for lithium-ion batteries using model-based and data-driven methods: A review. IEEE Access 2019, 7, 136116–136136. [Google Scholar] [CrossRef]
- Daowd, M.; Omar, N.; Bossche, P.V.D.; Van Mierlo, J. Capacitor based battery balancing system. World Electr. Veh. J. 2012, 5, 385–393. [Google Scholar] [CrossRef]
- Baughman, A.C.; Ferdowsi, M. Double-tiered switched-capacitor battery charge equalization technique. IEEE Trans. Ind. Electron. 2008, 55, 2277–2285. [Google Scholar] [CrossRef]
- Uno, M.; Tanaka, K. Single-switch multioutput charger using voltage multiplier for series-connected lithium-ion battery/supercapacitor equalization. IEEE Trans. Ind. Electron. 2012, 60, 3227–3239. [Google Scholar] [CrossRef]
- Vicentini, R.; Da Silva, L.M.; Cecilio Junior, E.P.; Alves, T.A.; Nunes, W.G.; Zanin, H. How to measure and calculate equivalent series resistance of electric double-layer capacitors. Molecules 2019, 24, 1452. [Google Scholar] [CrossRef]
- Yasser, G.; Theophile, P.; Tedjani, M.; Sylvain, D. Modeling, Identification and Simulation of Hybrid Battery/Supercapacitor Storage System Used in Vehicular Applications. In Proceedings of the 2019 6th International Conference on Electric Vehicular Technology (ICEVT), Bali, Indonesia, 18–21 November 2019; pp. 156–162. [Google Scholar]
- Bui, T.M.; Niri, M.F.; Worwood, D.; Dinh, T.Q.; Marco, J. An Advanced Hardware-in-the-Loop Battery Simulation Platform for the Experimental Testing of Battery Management System. In Proceedings of the 2019 23rd International Conference on Mechatronics Technology (ICMT), Salerno, Italy, 23–26 October 2019; pp. 1–6. [Google Scholar]
- Barreras, J.V.; Fleischer, C.; Christensen, A.E.; Swierczynski, M.; Schaltz, E.; Andreasen, S.J.; Sauer, D.U. An advanced HIL simulation battery model for battery management system testing. IEEE Trans. Ind. Appl. 2016, 52, 5086–5099. [Google Scholar] [CrossRef]














| Author | Year | Model | Experiments | Results |
|---|---|---|---|---|
| [21] | 2018 | Optimization of electrochemical model-based moving horizon estimation (MHE) | Comparison with extended Kalman filtering (EKF) and unscented Kalman filtering (UKF) in terms of accuracy and fault tolerance | MHE is more accurate than the EKF and UKF models but problematic when implemented. |
| [22] | 2018 | Extended Kalman Filter-based online parameter identification with a smooth variable structure filter. | Validation by numerical simulation and experimental results in MATLAB. | Applicable to any type of battery with an SOC error of about 2% |
| [23] | 2018 | Linear aging model for remaining useful life and part load voltage curve. | Battery capacity estimation with low computational cost and predict RUL offline. | Estimation errors of up to 1.5%. |
| [24] | 2018 | Use of Advanced Vehicle Simulator for modeling. | Performance of the power system of the Fuel-Cell Hybrid Electric Vehicle in different aspects. | Battery SOC changes by less than 2%. |
| [25] | 2019 | Estimation of pulse power performance by considering the pulse duration of Lithium Battery and Supercapacitor. | Analyzing the equivalent model of a battery and the supercapacitor with series resistance and more than two RC ladders. | For a lithium battery module, a 44.4 V, 11 Ah, and a supercapacitor with 36 V, 30 F was presented. |
| [26] | 2021 | EMS based on deep reinforcement learning. | After the training process, the effectiveness of the trained EMS is validated under four new driving profiles. | The main energy source, as its SoC decreases from 90% to 67% during the validation process. |
| [27] | 2021 | Cloud-based multi-objective energy management strategy. | Controls the power split between two battery packs. | The model achieves 50.8 kJ and 49.5 kJ less energy loss. |
| [28] | 2021 | Estimating SoC by advanced hysteresis modeling method. | Use of Kalman filter and autoregressive exogenous to estimate the parameters of a LiFePO. | The model achieved around root mean square error of 0.69% and a mean absolute error of 0.47%. |
| [20] | 2021 | Bipolar-resonant LC converter for a multicell-to-multicell equalizer. | The proposed method was compared against five conventional equalization models for n cells/modules. | The proposed equalizer achieved 84.84% to 91.68% of efficiency when balancing powers from 1.426 W to 12.559 W in 8 lithium-ion battery cells |
| [29] | 2022 | The authors use a simulation model of a hybrid electric vehicle that includes a fuel cell, battery, and supercapacitor and evaluate the vehicle’s performance using a standard drive cycle. | A Matlab simulation model of a hybrid electric vehicle that includes a fuel cell, a battery, and a supercapacitor was carried out | The proposed hybrid strategy also reduces the energy demand of the vehicle’s heating and cooling system, helping to reduce energy consumption and improve the vehicle’s energy efficiency. |
| [30] | 2023 | Energy management strategy based on reinforcement learning using the Double Deterministic Reinforcement Learning (TD3) algorithm with a non-parametric reward function. | The experiments were carried out in an electric vehicle simulator | The results showed that the proposed energy management strategy achieved a reduction in energy consumption of 7.6% and an increase in driver satisfaction of 3.3% compared to a conventional energy management strategy. |
| Component | Typical Resistance [m] |
|---|---|
| Cell | 50 |
| MOSFET | 32 |
| Bidirectional switch | 60 |
| Capacitor | 50 |
| Equalizer | n Cells |
|---|---|
| Switched-capacitor [32] | capacitors MOSFETs |
| Double-tiered switched-capacitor [33] | capacitors MOSFETs |
| Single-capacitor [34] | 1 capacitor MOSFETs |
| Proposed equalizer | capacitors MOSFETs SPDTs |
| Component | Value |
|---|---|
| Battery cell | Q = 2500 mAh, = 4 A |
| Initial voltages | , , |
| Capacitor | 47 F |
| Switching frequency | 9500 Hz |
Disclaimer/Publisher’s Note: The statements, opinions and data contained in all publications are solely those of the individual author(s) and contributor(s) and not of MDPI and/or the editor(s). MDPI and/or the editor(s) disclaim responsibility for any injury to people or property resulting from any ideas, methods, instructions or products referred to in the content. |
© 2023 by the authors. Licensee MDPI, Basel, Switzerland. This article is an open access article distributed under the terms and conditions of the Creative Commons Attribution (CC BY) license (https://creativecommons.org/licenses/by/4.0/).
Share and Cite
Alvarez-Diazcomas, A.; Estévez-Bén, A.A.; Rodríguez-Reséndiz, J.; Carrillo-Serrano, R.V.; Álvarez-Alvarado, J.M. A High-Efficiency Capacitor-Based Battery Equalizer for Electric Vehicles. Sensors 2023, 23, 5009. https://doi.org/10.3390/s23115009
Alvarez-Diazcomas A, Estévez-Bén AA, Rodríguez-Reséndiz J, Carrillo-Serrano RV, Álvarez-Alvarado JM. A High-Efficiency Capacitor-Based Battery Equalizer for Electric Vehicles. Sensors. 2023; 23(11):5009. https://doi.org/10.3390/s23115009
Chicago/Turabian StyleAlvarez-Diazcomas, Alfredo, Adyr A. Estévez-Bén, Juvenal Rodríguez-Reséndiz, Roberto V. Carrillo-Serrano, and José M. Álvarez-Alvarado. 2023. "A High-Efficiency Capacitor-Based Battery Equalizer for Electric Vehicles" Sensors 23, no. 11: 5009. https://doi.org/10.3390/s23115009
APA StyleAlvarez-Diazcomas, A., Estévez-Bén, A. A., Rodríguez-Reséndiz, J., Carrillo-Serrano, R. V., & Álvarez-Alvarado, J. M. (2023). A High-Efficiency Capacitor-Based Battery Equalizer for Electric Vehicles. Sensors, 23(11), 5009. https://doi.org/10.3390/s23115009

