Transient Electromagnetic Processes Analysis in High Voltage Transmission Lines during Two-Phase Short Circuits
Abstract
1. Introduction
2. Examination of a Recent Study
3. Presentation of Basic Material
3.1. Hamilton–Ostrogradsky Principle
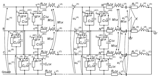
3.2. Mathematical Model of a Fragment of the Electric Network
4. Computer Simulation Outcome
4.1. Description of the Order and Parameters of the Simulation
4.2. Experiment No. 1
4.3. Experiment No. 2
5. Conclusions
Author Contributions
Funding
Institutional Review Board Statement
Informed Consent Statement
Data Availability Statement
Conflicts of Interest
References
- Lis, M.; Chaban, A.; Szafraniec, A.; Figura, R.; Levoniuk, V. Mathematical Model of a Part of an Opened Extra-High Voltage Electrical Grid. In Proceedings of the 14th International Scientific Conference, Forecasting in Electric Power Engineering (PE 2018), Podlesice, Poland, 26–28 September 2018. [Google Scholar]
- Zuo, J.; Fan, J.; Ouyang, Y.; Liu, H.; Yang, C.; Hao, C. Transmission Line Sag Measurement and Simulation Research Based on Non-Contact Electric Field Sensing. Sensors 2022, 22, 8379. [Google Scholar] [CrossRef] [PubMed]
- Lis, M.; Chaban, A.; Szafraniec, A.; Levoniuk, V.; Figura, R. Mathematical modelling of transient electromagnetic processes in a power grid. Prz. Elektrotech. 2019, 12, 160–163. [Google Scholar] [CrossRef]
- Simonyi, K. Theoretische Elektrotechnik; Deutscher Verlag der Wissenschaften: Berlin, Germany, 1956. [Google Scholar]
- Popenda, A.; Szafraniec, A.; Chaban, A. Dynamics of Electromechanical Systems Containing Long Elastic Couplings and Safety of Their Operation. Energies 2021, 14, 7882. [Google Scholar] [CrossRef]
- Lowczowski, K.; Olejnik, B. Monitoring, Detection and Locating of Transient Earth Fault Using Zero-Sequence Current and Cable Screen Earthing Current in Medium Voltage Cable and Mixed Feeders. Energies 2022, 15, 1066. [Google Scholar] [CrossRef]
- Chaban, A.; Levoniuk, V.; Figura, R. The mathematical model of high voltage switch as an element of a power system. Prz. Elektrotech. 2021, 7, 94–97. [Google Scholar]
- Chaban, A.; Perzyński, T.; Popenda, A.; Figura, R.; Levoniuk, V. Mathematical Modeling of Transient Processes in the Susceptible Motion Transmission in a Ship Propulsion System Containing a Shaft Synchronous Generator. Energies 2022, 15, 3266. [Google Scholar] [CrossRef]
- Szafraniec, A.; Halko, S.; Miroshnyk, O.; Figura, R.; Zharkov, A.; Vershkov, O. Magnetic field parameters mathematical modelling of windelectric heater. Prz. Elektrotech. 2021, 8, 36–41. [Google Scholar] [CrossRef]
- Andrade, L.; Leite, H.; Leao, M. Time-domain distributed parameters transmission line model for transient analysis. Prog. Electromagn. Res. B. 2013, 53, 25–46. [Google Scholar] [CrossRef][Green Version]
- Chaban, A.; Lis, M.; Szafraniec, A.; Chrzan, M.; Levoniuk, V. Interdisciplinary Modelling of Transient Processes in Local Electric Power Systems Including Long Supply Lines of Distributed Parameters. In Proceedings of the 2018 Applications of Electromagnetics in Modern Techniques and Medicine (PTZE), Raclawice, Poland, 9–12 September 2018; pp. 17–20. [Google Scholar]
- Czaban, A.; Lis, M.; Szafraniec, A.; Chrzan, M.; Levoniuk, V. Analysis of transient processes in a power supply system of concentrated and distributed parameters based on variational approaches. Prz. Elektrotech. 2018, 12, 154–157. [Google Scholar]
- Shi, Z.; Liu, L.; Xiao, P.; Geng, Z.; Fang, G. Applying transmission line theory to study the transmitting turn-off current in a long grounded wire. IEEE Trans. Antennas Propag. 2017, 10, 5112. [Google Scholar] [CrossRef]
- Kizilcay, M.; Teichmann, K.; Papenheim, S.; Malicki, P. Analysis of switching transients of an EHV transmission line consisting of mixed power cable and overhead line sections. In Proceedings of the 12th International Conference on Power Systems Transients, Seoul, Korea, 26–29 June 2017. [Google Scholar]
- Youssef, K.H.; Abouelenin, F.M. Analysis of Simultaneous Unbalanced Short Circuit and Open Conductor Faults in Power Systems with Untransposed Lines and Six-Phase Sections. Alex. Eng. J. 2016, 55, 369–377. [Google Scholar] [CrossRef]
- Nuricumbo-Guillén, R.; Cortés, F.P.E.; Gómez, P.; Martínez, C.T. Computation of transient profiles along nonuniform transmission lines including time-varying and nonlinear elements using the numerical Laplace transform. Energies 2019, 12, 3227. [Google Scholar] [CrossRef]
- Chen, C.; Han, Y.; Liu, J.; Mo, W.; Yuan, Z.; Huang, J.; Su, H.; Zhang, X.; Wu, K. Research on the lightning intruding overvoltage and protection measures of 500 kV AC fault current limiter. Energies 2019, 12, 3845. [Google Scholar] [CrossRef]
- Jung-Chien, L. Transient analysis of three-phase transmission lines with initial voltage and current distributions. Electr. Power Syst. Res. 1995, 3, 177–186. [Google Scholar]
- Pruski, P.; Paszek, S. Analysis of transient waveforms in a power system at asymmetrical short-circuits. Prz. Elektrotech. 2020, 2, 26–29. [Google Scholar] [CrossRef]
- Vijaya, T.С.; Nandhini, M.; Sundar, R.; Nithiyanantha, K. MATLAB based simulations model for three phases power system network. Int. J. Res. Appl. Sci. Eng. Technol. 2016, 11, 502–509. [Google Scholar]
- Shcherba, A.; Podoltsev, A.; Kucheryavaya, I. Electromagnetic processes in a cable line with polyethylene insulation at a voltage of 30 kV. Tech. Electrodyn. 2013, 1, 9–15. [Google Scholar]
- Rout, B.; Pati, B.B. MFO Ptimized Fractional Order Based Controller on Power System Stability. Proc. Eng. Technol. Innov. 2018, 8, 46–59. [Google Scholar]
- White, D.C.; Woodson, H.H. Electromagnetic Energy Conversion; John Wiley & Sons Inc.: New York, NY, USA, 1958. [Google Scholar]
- Chaban, A. Principle Gamіltona-Ostrogradskogo in Elektromechanіcal Systems; Soroky: Lviv, Ukraine, 2015. [Google Scholar]
- Levoniuk, V.R. Methods and Means of Analysis of Switching Transients Processes in Ultra High Voltage Transmission Lines on the Basis of Variational Approaches. Ph.D. Thesis, Department of Electrical Systems, Lviv National Agrarian University, Lviv, Ukraine, 2019. [Google Scholar]
- Chaban, A.; Lis, M.; Szafraniec, A.; Levoniuk, V. An application of the Hamil-ton-Ostrogradsky principle to the modeling of an asymmetrically loaded three-phase power line. Energies 2022, 15, 8255–8273. [Google Scholar] [CrossRef]
- Chaban, A.; Szafraniec, A.; Levoniuk, V. Mathematical modelling of transient processes in power systems considering effect of high-voltage circuit breakers. Prz. Elektrotech. 2019, 1, 49–52. [Google Scholar] [CrossRef]
- Chaban, A.; Levoniuk, V.; Drobot, I.; Herman, A. Mathematical model of electromagnetic processes in Lehera line at open-circuit operation. Electr. Eng. Electromech. 2016, 3, 30–35. [Google Scholar] [CrossRef]
- Chaban, A.; Lis, M.; Szafraniec, A.; Levoniuk, V. Mathematical Modelling of Transient Processes in a Three Phase Electric Power System for a Single Phase Short-Circuit. Energies 2022, 15, 1126. [Google Scholar] [CrossRef]













Disclaimer/Publisher’s Note: The statements, opinions and data contained in all publications are solely those of the individual author(s) and contributor(s) and not of MDPI and/or the editor(s). MDPI and/or the editor(s) disclaim responsibility for any injury to people or property resulting from any ideas, methods, instructions or products referred to in the content. |
© 2022 by the authors. Licensee MDPI, Basel, Switzerland. This article is an open access article distributed under the terms and conditions of the Creative Commons Attribution (CC BY) license (https://creativecommons.org/licenses/by/4.0/).
Share and Cite
Perzyński, T.; Levoniuk, V.; Figura, R. Transient Electromagnetic Processes Analysis in High Voltage Transmission Lines during Two-Phase Short Circuits. Sensors 2023, 23, 298. https://doi.org/10.3390/s23010298
Perzyński T, Levoniuk V, Figura R. Transient Electromagnetic Processes Analysis in High Voltage Transmission Lines during Two-Phase Short Circuits. Sensors. 2023; 23(1):298. https://doi.org/10.3390/s23010298
Chicago/Turabian StylePerzyński, Tomasz, Vitaliy Levoniuk, and Radosław Figura. 2023. "Transient Electromagnetic Processes Analysis in High Voltage Transmission Lines during Two-Phase Short Circuits" Sensors 23, no. 1: 298. https://doi.org/10.3390/s23010298
APA StylePerzyński, T., Levoniuk, V., & Figura, R. (2023). Transient Electromagnetic Processes Analysis in High Voltage Transmission Lines during Two-Phase Short Circuits. Sensors, 23(1), 298. https://doi.org/10.3390/s23010298

