Analysis of a Measurement Method and Test System for Pressure Change Rates in Commercial Vehicle Brake Chambers
Abstract
:1. Introduction
2. Analysis of PCR of Commercial Vehicle Brake Chambers for Braking Comfort
2.1. Classification of Commercial Vehicle Brake Chambers
2.2. PCR Threshold of Commercial Vehicle Brake Chambers for Braking Comfort
3. Measurement Method of PCR Based on Laminar Flow Resistance Tubes
4. Design of PCR Test System for Commercial Vehicle Brake Chambers
4.1. Overall Scheme of PCR Test System for Commercial Vehicle Brake Chambers
4.2. Hardware Design of PCR Test System for Commercial Vehicle Brake Chambers
4.3. Software Design of PCR Test System for Commercial Vehicle Brake Chambers
5. Simulation and Experimental Analysis of PCR Test System for Commercial Vehicle Brake Chambers
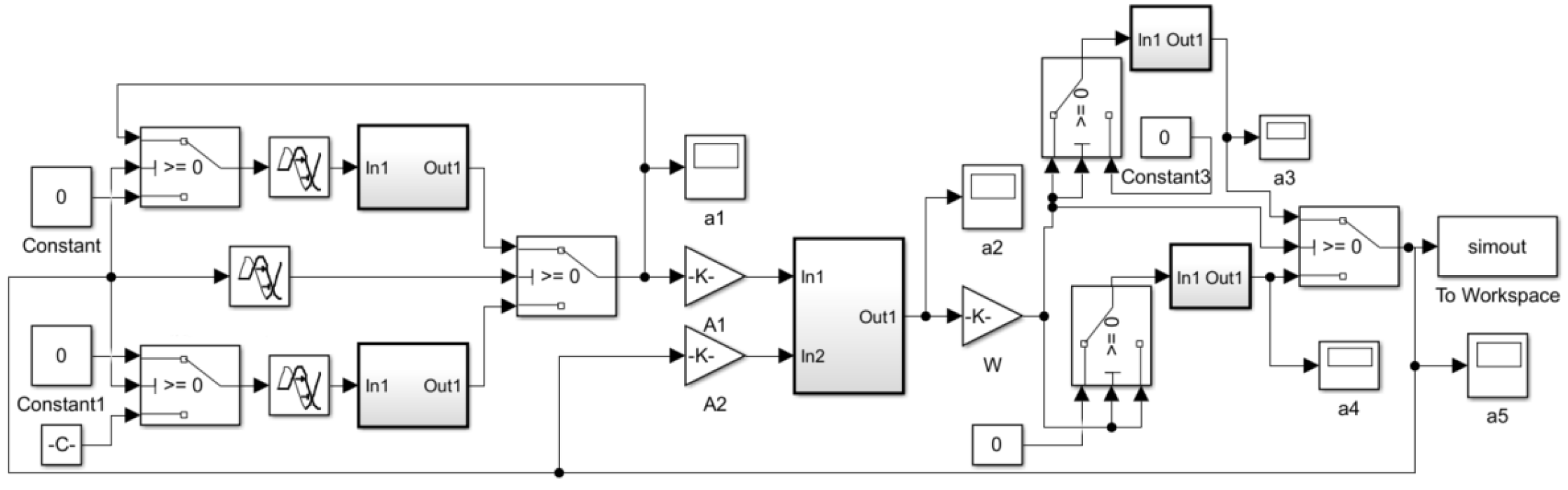
5.1. Simulation Model of PCR Test System for Commercial Vehicle Brake Chambers
5.1.1. Model of Electrical Proportional Valve
5.1.2. Model of Laminar Flow Resistance Tube
5.1.3. Model of Isothermal Vessel
5.2. Simulation Analysis of PCR Test System for Commercial Vehicle Brake Chambers
5.2.1. PCR of Commercial Vehicle Brake Chambers during Pressurization
5.2.2. PCR of Commercial Vehicle Brake Chambers during Depressurization
5.3. Experimental Analysis of PCR Test System for Commercial Vehicle Brake Chambesr
6. Performance Verification of PCR Test System for Commercial Vehicle Brake Chambers
6.1. Stability Verification of PCR Test System for Commercial Vehicle Brake Chambers
- (1)
- The test system parameters are configured and the standard values of test results are determined.
- (2)
- Test three to five times at the same moment under the same conditions and record the test data in chronological order.
- (3)
- After completing the cycle test, enter all test data into the Minitab table, calculate the control limits and plot the mean–standard deviation graph.
- (4)
- According to the graph, if the stability of the test system meets the requirements, the report will be recorded, and the stability analysis of the test system will be completed. If the stability of the test system does not meet the requirements, the reasons for the poor stability will be analyzed and improved, and the stability of the test system will be determined again.
6.2. Accuracy Verification of PCR Test System for Commercial Vehicle Brake Chambers
- (1)
- Data collection: test the PCR of the brake chamber for n times in succession at very short intervals and record the value Xi for each test. Before each test, the components such as the brake chamber must not be changed and the testers must be the same person.
- (2)
- Calculating the standard deviation Sg: calculate the average value based on the data values Xi with n times tests, and substitute each test value Xi and the average value into the standard deviation formula of the test results to obtain the standard deviation Sg.
- (3)
- Calculating the offset Bi: Substitute the reference value Xm and the average value of the test results into the formula for the absolute value of the difference between the average value of the test system test and the reference value of the test to obtain the offset Bi.
- (4)
- Calculating the accuracy index Cgk: Substitute the tolerance T, standard deviation Sg and offset Bi into the measurement capability index formula to obtain the accuracy index Cgk of the test system.
- (1)
- The PCR measurement results of the 0~0.3 MPa pressurization phase: the average measurement value is 1.0939 MPa/s, the measurement tolerance T is 2.6 MPa/s and the standard deviation Sg1 is 0.00723 MPa/s. According to the accuracy index calculation method, the accuracy index Cgk of the test system is 2.31, which is greater than 1.67, meeting the requirements for a qualified decision.
- (2)
- The PCR measurement results of the 0~0.5 MPa pressurization phase: the average measurement value is 1.6042 MPa/s, the measurement tolerance T is 2.6 MPa/s and the standard deviation Sg1 is 0.00721 MPa/s. According to the accuracy index calculation method, the accuracy index Cgk of the test system is 2.87, which is greater than 1.67, meeting the requirements for a qualified decision.
- (3)
- The PCR measurement results of the 0~0.7 MPa pressurization phase: the average measurement value is 2.2738 MPa/s, the measurement tolerance T is 2.6 MPa/s and the standard deviation Sg1 is 0.00785 MPa/s. According to the accuracy index calculation method, the accuracy index Cgk of the test system is 3.34, which is greater than 1.67, meeting the requirements for a qualified decision.
6.3. Repeatability and Reproducibility Verification of PCR Test System for Commercial Vehicle Brake Chambers
- (1)
- Repeatability and reproducibility evaluation of the test system with a pressurization target pressure of 0.3 MPa: is 0.00337 MPa, is 0.00133 MPa and the total variation TV is 0.10, so the repeatability–equipment variation EV is 0.01027, and the reproducibility-tester variation AV is 0.00307. The repeatability–reproducibility index %GRR is 7.15%, which is less than 10%, so the repeatability–reproducibility of the test system with a pressurization target pressure of 0.3 MPa is acceptable and meets the requirements.
- (2)
- Repeatability and reproducibility evaluation of test system with pressurization target pressure of 0.5 MPa: is 0.00563 MPa, is 0.00290 MPa and the total variation TV is 0.15, so the repeatability–equipment variation EV is 0.01718, and the reproducibility-tester variation AV is 0.00717. The repeatability–reproducibility index %GRR is 6.65%, which is less than 10%, so the repeatability–reproducibility of the test system with a pressurization target pressure of 0.5 MPa is acceptable and meets the requirements.
- (3)
- Repeatability and reproducibility evaluation of the test system with a pressurization target pressure of 0.7 MPa: is 0.00833 MPa, is 0.00231 MPa and the total variation TV is 0.22. So, the repeatability–equipment variation EV is 0.02542, and the reproducibility–tester variation AV is 0.00622. The repeatability–reproducibility index %GRR is 2.58%, which is less than 10%, so the repeatability–reproducibility of the test system with a pressurization target pressure of 0.7 MPa is acceptable and meets the requirements.
7. Conclusions
Author Contributions
Funding
Conflicts of Interest
References
- Lu, Y.; Xu, B.; Shi, Y.; Guo, B. Dynamic Modeling and Experimental Verification of Bus Pneumatic Brake System. Chin. Hydraul. Pneum. 2015, 9, 52–57. [Google Scholar]
- Ma, E. Study on the effective pressure bearing area of the pneumatic brake chamber. Mach. Des. Manuf. 2011, 12, 209–211. [Google Scholar]
- Zhou, J.; Chen, Q.; Luo, T. Simulation study of dynamic characteristics of spring brake chambers based on AMESim. J. East China Inst. Technol. Nat. Sci. Ed. 2017, 40, 4. [Google Scholar]
- Ma, Z.; Wu, J.; Zhang, Y.; Ming, J. Modeling, Experimentation and Sensitivity Analysis of a Pneumatic Brake System in Commercial Vehicles. SAE Int. J. Commer. Veh. 2014, 7, 37–44. [Google Scholar] [CrossRef]
- Lu, Y.; Xia, W.; Zhu, Q.; Zhao, J. Push Rod Stroke Fault Diagnosis for Air Brake Systems. Chin. Hydraul. Pneum. 2016, 1, 13–17. [Google Scholar]
- Palanivelu, S.; Patil, J.; Jindal, A.K. Modeling and Optimization of Pneumatic Brake System for Commercial Vehicles by Model Based Design Approach. In Proceedings of the Brake Colloquium & Exhibition—35th Annual, Orlando, FL, USA, 24–27 September 2017. [Google Scholar]
- Yang, F.; Li, G.; Hua, J.; Li, X.; Toshiharu, K. A New Method for Analysing the Pressure Response Delay in a Pneumatic Brake System Caused by the Influence of Transmission Pipes. Appl. Sci. 2017, 7, 941. [Google Scholar] [CrossRef] [Green Version]
- Meng, W.X.; Luo, H.J.; Qiang, P.; Zong, B.; Feng, H.J. Modeling of Pneumatic ABS Regulator Based on AMESim and its Characteristics Analysis. Mach. Electron. 2011, 9, 37–40. [Google Scholar] [CrossRef]
- Sui, L.H.; Yang, C.S.; Jie, Z. Design of a dynamic performance testing system for diaphragm spring brake chambers. Sci. Online 2013, 8, 760–763. [Google Scholar] [CrossRef]
- Hu, X.F.; Luo, Z.; Guo, B.; Liu, N.X.; Lu, Y. Characteristic Detection Construction and Experimental Analysis of Brake Chamber. Mach. Des. Manuf. 2013, 11, 3. [Google Scholar]
- Chu, L.; Ou, Y.; Zhang, Y.S. The mechanism study of ABS hydraulic control system brake pressure change rate. In Proceedings of the International Conference on Computer Engineering and Technology, Chengdu, China, 16 April 2010. [Google Scholar]
- Li, X.; Zhao, L.; Zhou, C.; Li, X.; Li, H. Pneumatic ABS Modeling and Failure Mode Analysis of Electromagnetic and Control Valves for Commercial Vehicles. Electronics 2020, 9, 318. [Google Scholar] [CrossRef] [Green Version]
- Li, Y.; Zhang, X.D.; Zhang, T. Design and Implementation of Polarity Testing System of Contact-less Solenoid Valve Based on Wireless Sensor Networks. J. Phys. Conf. 2021, 1750, 012054. [Google Scholar] [CrossRef]
- Feng, J.C.; Song, W.X.; Zhan, H.T.; Bai, J.C. Research on Testing System for an Intelligent and Connected Vehicle. J. Phys. Conf. Ser. 2020, 1576, 012047. [Google Scholar] [CrossRef]
- Li, D.F.; Qin, F.; Wang, W.W.; Xu, H.; Liu, J.Q. Design and verification of virtual test system for unmanned vehicle hardware-in-the-loop. J. Chang’an Univ. Nat. Sci. Ed. 2021, 41, 120–130. [Google Scholar]
- Chen, S.M.; Lu, Z.Q. Research on Repeatability and Reproducibility of Roundness Measuring System for Magnetic Casing Parts. Machinery 2017, 55, 91–94. [Google Scholar] [CrossRef]
- Mast, J.D.; Trip, A. Gauge R&R Studies for Destructive Measurements. J. Qual. Technol. 2005, 37, 40–49. [Google Scholar]
- Hu, Y.; Wang, T.H.; Chen, T.Y.; Song, N.P.; Yao, K.M. Design and implementation of testing system of LED driver power based on LabVIEW. Optik 2019, 200, 163411. [Google Scholar] [CrossRef]
- GB 12676–2014; Technical Requirements and Testing Methods for Commercial Vehicle and Trailer Braking Systems. Ministry of Industry and Information Technology: Beijing, China, 2014.
- GB 7258-2017; Technical Specifications for Safety of Power-Driven Vehicles Operating on Roads. Ministry of Industry and Information Technology: Beijing, China, 2017.
- Zhang, J.Z.; Xin, L.U.; Wang, L.F.; Chen, S.L.; Shoubo, L.I. A Study on the Drivability of Hybrid Electric Vehicle. In Proceedings of the 2008 SAE International Powertrains, Fuels and Lubricants Congress, Shanghai, China, 23 June 2008. [Google Scholar]
- Hu, J.; Yang, R.; Li, X.L.; Yang, F.; Li, G.Y. Factors Affecting the Rate of Change of Electronically Controlled Air Brake Pressure of Commercial Vehicles. Chin. Hydraul. Pneum. 2020, 4, 110–116. [Google Scholar] [CrossRef]

















| Jerk (m/s3) | Below 5.0 | 5.0~10.0 | Over 10.0 |
|---|---|---|---|
| Evaluation grade | Comfortable | Relatively comfortable | Uncomfortable |
| PCR (MPa/s) | Below 2.6 | 2.6~5.2 | Over 2.5 |
|---|---|---|---|
| Evaluation grade | Comfortable | Relatively comfortable | Uncomfortable |
| Components | Model | Parameter | Quantity |
|---|---|---|---|
| Pneumatic triplet | AC20-A | Interface diameter: 12 mm | 1 |
| Manual on–off valve | VHK3-06F-06F | Working pressure range: 0~1.0 MPa | 1 |
| Precision pressure-reducing valve | IR1020-01 | Pressure-regulating range: 0.01~0.8 MPa | 1 |
| Air storage tank | C3513010-S0300 | Volume: 25 L | 1 |
| Electric proportional valve | ITV2050-212L-X410 | Input voltage: 0–10 V | 1 |
| ABS solenoid valve | 3550010-R9800 | DC24 V | 1 |
| Brake chamber | C3519D010A | Inlet joint diameter: 12 mm | 1 |
| Pressure sensor | PSE540A-R06 | Measuring pressure range: 0~1.0 MPa | 1 |
| Differential pressure sensor | MB510 | Differential pressure range: 0~20 KPa | 1 |
| Switching mode power supply | MW D-60B | Output voltage: DC 24 V/5 V | 1 |
| Laminar Flow Resistance Tube Composition | Number | Inner Diameter (mm) | Outer Diameter (mm) | Length (mm) |
|---|---|---|---|---|
| Capillaries | 54 | 0.6 | 1 | 100 |
| Air ducts | 1 | 9 | 10 | 100 |
| Name | Size | Unit | Name | Size | Unit | Size |
|---|---|---|---|---|---|---|
| Effective area at the top of the valve stem | 4.13 × 10−4 | m2 | Intake spool spring pre-compression | 2.4 × 10−4 | m | 4.13 × 10−4 |
| Effective area at the bottom of the valve stem | 3.27 × 10−4 | m2 | Exhaust spool spring pre-compression | 1.6 × 10−4 | m | 3.27 × 10−4 |
| Stem assembly mass | 0.08 | kg | Equivalent spring stiffness | 220,000 | N/m | 0.08 |
Publisher’s Note: MDPI stays neutral with regard to jurisdictional claims in published maps and institutional affiliations. |
© 2022 by the authors. Licensee MDPI, Basel, Switzerland. This article is an open access article distributed under the terms and conditions of the Creative Commons Attribution (CC BY) license (https://creativecommons.org/licenses/by/4.0/).
Share and Cite
Li, G.; Shen, R.; Liu, Y.; Yang, F.; Hu, J. Analysis of a Measurement Method and Test System for Pressure Change Rates in Commercial Vehicle Brake Chambers. Sensors 2022, 22, 3427. https://doi.org/10.3390/s22093427
Li G, Shen R, Liu Y, Yang F, Hu J. Analysis of a Measurement Method and Test System for Pressure Change Rates in Commercial Vehicle Brake Chambers. Sensors. 2022; 22(9):3427. https://doi.org/10.3390/s22093427
Chicago/Turabian StyleLi, Gangyan, Rui Shen, Yudong Liu, Fan Yang, and Jian Hu. 2022. "Analysis of a Measurement Method and Test System for Pressure Change Rates in Commercial Vehicle Brake Chambers" Sensors 22, no. 9: 3427. https://doi.org/10.3390/s22093427
APA StyleLi, G., Shen, R., Liu, Y., Yang, F., & Hu, J. (2022). Analysis of a Measurement Method and Test System for Pressure Change Rates in Commercial Vehicle Brake Chambers. Sensors, 22(9), 3427. https://doi.org/10.3390/s22093427

