Low-Cost, Real-Time Polymerase Chain Reaction System for Point-of-Care Medical Diagnosis
Abstract
:1. Introduction
2. Materials and Methods
2.1. System Architecture
2.2. System Configuration
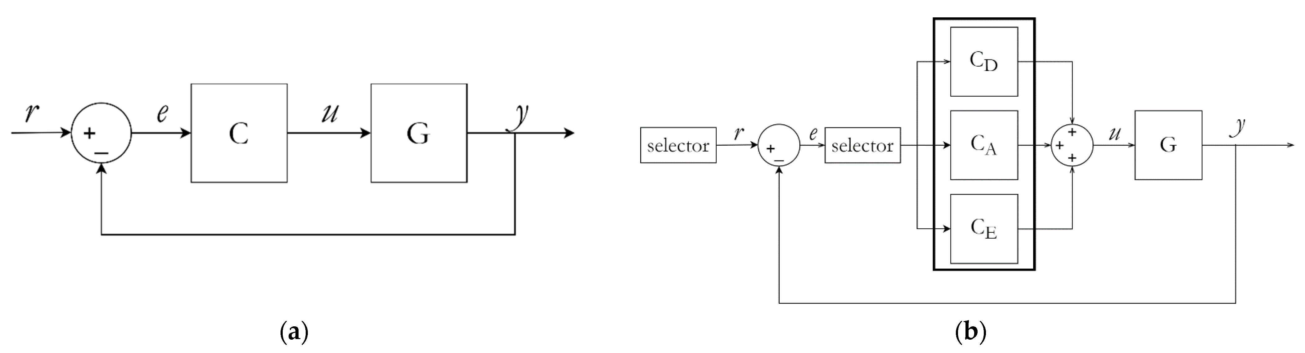
2.2.1. Control System
2.2.2. Photodetection Procedure
2.2.3. Quantitative DNA Analysis by PCR
2.3. System Automation and Versatility
2.4. Bill of Materials
2.5. Gel Electrophoresis Analysis
2.6. PCR Conditions
3. Results
3.1. Temperature Curve Analysis
3.2. Colony PCR Amplification for Listeria Detection
3.3. Bacterial Count Using Fluorescence
4. Conclusions
Author Contributions
Funding
Institutional Review Board Statement
Informed Consent Statement
Data Availability Statement
Conflicts of Interest
References
- Shafi, A.; Farooq, U.; Akram, K.; Khan, M.Z.; Hayat, Z.; Hayat, K. Molecular epidemiology of foodborne diseases. In Sequencing Technologies in Microbial Food Safety and Quality; CRC Press: Boca Raton, FL, USA, 2021; pp. 109–154. [Google Scholar] [CrossRef]
- Prevalence of Private Drinking Water Wells is Associated with Salmonellosis Incidence in Maryland, USA: An Ecological Analysis Using Foodborne Diseases Active Surveillance Network (FoodNet) Data (2007–2016). Available online: https://www.researchgate.net/publication/351506261_Prevalence_of_Private_Drinking_Water_Wells_is_Associated_with_Salmonellosis_Incidence_in_Maryland_USA_An_Ecological_Analysis_Using_Foodborne_Diseases_Active_Surveillance_Network_FoodNet_Data_2007-2016 (accessed on 24 January 2022).
- Hailu, W.; Helmy, Y.A.; Carney-Knisely, G.; Kauffman, M.; Fraga, D.; Rajashekara, G. Prevalence and antimicrobial resistance profiles of foodborne pathogens isolated from dairy cattle and poultry manure amended farms in northeastern Ohio, the United States. Antibiotics 2021, 10, 1450. [Google Scholar] [CrossRef]
- Islam, S.; Islam, R.; Rahman, T.; Habiba, U.; Nahian Rahman, M.; Halima, O. Linking between contamination of environmental water and salmonella foodborne illness: A Review. Indian J. Public Health Res. Dev. 2021, 12, 332–340. [Google Scholar] [CrossRef]
- Mboko, W.P.; Chhabra, P.; Valcarce, M.D.; Costantini, V.; Vinjé, J. Advances in understanding of the innate immune response to human norovirus infection using organoid models. J. Gen. Virol. 2022, 103, 001720. [Google Scholar] [CrossRef] [PubMed]
- Farahmand, M.; Moghoofei, M.; Dorost, A.; Shoja, Z.; Ghorbani, S.; Kiani, S.J.; Khales, P.; Esteghamati, A.; Sayyahfar, S.; Jafarzadeh, M.; et al. Global prevalence and genotype distribution of norovirus infection in children with gastroenteritis: A meta-analysis on 6 years of research from 2015 to 2020. Rev. Med. Virol. 2021, 32, e2237. [Google Scholar] [CrossRef] [PubMed]
- Zhu, H.; Zhang, H.; Xu, Y.; Laššáková, S.; Korabečná, M.; Neužil, P. PCR past, present and future. BioTechniques 2020, 69, 317–325. [Google Scholar] [CrossRef] [PubMed]
- Garibyan, L.; Avashia, N. Polymerase chain reaction. J. Investig. Dermatol. 2013, 133, 1–4. [Google Scholar] [CrossRef] [Green Version]
- Wright, W.F.; Simner, P.J.; Carroll, K.C.; Auwaerter, P.G. Progress report: Next-generation sequencing (NGS), multiplex polymerase chain reaction (PCR), and broad-range molecular assays as diagnostic tools for fever of unknown origin (FUO) investigations in adults. Clin. Infect. Dis. 2021, 74, 924–932. [Google Scholar] [CrossRef] [PubMed]
- Preston, C.M.; Harris, A.; Ryan, J.P.; Roman, B.; Marin, R., III; Jensen, S.; Everlove, C.; Birch, J.; Dzenitis, J.M.; Pargett, D.; et al. Underwater Application of quantitative PCR on an ocean mooring. PLoS ONE 2011, 6, e22522. [Google Scholar] [CrossRef] [Green Version]
- Liu, P.; Seo, T.S.; Beyor, N.; Shin, K.-J.; Scherer, J.R.; Mathies, R.A. Integrated portable polymerase chain reaction-capillary electrophoresis microsystem for rapid forensic short tandem repeat typing. Anal. Chem. 2007, 79, 1881–1889. [Google Scholar] [CrossRef] [PubMed]
- Noviyanti, F.; Shimizu, S.; Hosotani, Y.; Koseki, S.; Inatsu, Y.; Kawasaki, S. Predictive growth model of listeria monocytogenes under fluctuating temperature conditions in pasteurized milk by using real-time polymerase chain reaction. Foodborne Pathog. Dis. 2020, 17, 693–700. [Google Scholar] [CrossRef] [PubMed]
- Southern Labware. Thermal Cycler Model TC 9639 with Multi-Format Block *Upgraded* Now with Gradient Capabilites. Available online: https://www.southernlabware.com/thermal-cycler-model-tc-9639-with-multi-format-block.html?gclid=CjwKCAiA0KmPBhBqEiwAJqKK467VQosAOwT1yF-06pmatCSJKg9GaEtJFg4zWIMYTF7rOWt-FR-cjhoCPwgQAvD_BwE (accessed on 24 January 2022).
- Chai Bio—Molecular Testing for Everything. Customize Your Chai Open qPCR. Available online: https://www.chaibio.com/buy/openqpcr (accessed on 24 January 2022).
- Fisher Scientific. Techne Prime Pro 48 Real-Time qPCR System—PCR Equipment and Supplies, Thermal Cyclers. Available online: https://www.fishersci.com/shop/products/prime-pro-48-real-time-qpcr-system/PRIMEPRO48#?keyword= (accessed on 24 January 2022).
- Johnson, M. PCR Machines. Materials and Methods. Available online: https://www.labome.com/method/PCR-Machines.html#:~:text=A%20simple%20PCR%20machine%20like,over%2090%2C000%24%20for%20QuantStudio%2012k (accessed on 24 January 2022).
- Chan, K.; Wong, P.-Y.; Yu, P.; Hardick, J.; Wong, K.-Y.; Wilson, S.A.; Wu, T.; Hui, Z.; Gaydos, C.; Wong, S.S. A rapid and low-cost PCR thermal cycler for infectious disease diagnostics. PLoS ONE 2016, 11, e0149150. [Google Scholar] [CrossRef]
- An, J.; Jiang, Y.; Shi, B.; Wu, D.; Wu, W. Low-cost battery-powered and user-friendly real-time quantitative PCR system for the detection of multigene. Micromachines 2020, 11, 435. [Google Scholar] [CrossRef] [PubMed] [Green Version]
- A Micromachined Low-Power-Consumption Portable PCR System. Available online: https://www.researchgate.net/publication/267721096_A_Micromachined_Low-power-consumption_Portable_PCR_System (accessed on 15 January 2022).
- Schneegaß, I.; Bräutigam, R.; Köhler, J.M. Miniaturized flow-through PCR with different template types in a silicon chip thermocycler. Lab Chip 2001, 1, 42–49. [Google Scholar] [CrossRef] [PubMed]
- He, L.; Sang, B.; Wu, W. Battery-powered portable rotary real-time fluorescent qPCR with low energy consumption, low cost, and high throughput. Biosensors 2020, 10, 49. [Google Scholar] [CrossRef]
- Hennig, M.; Braun, D. Convective polymerase chain reaction around Micro Immersion Heater. Appl. Phys. Lett. 2005, 87, 183901. [Google Scholar] [CrossRef]
- Oda, R.P.; Strausbauch, M.A.; Huhmer, A.F.; Borson, N.; Jurrens, S.R.; Craighead, J.; Wettstein, P.J.; Eckloff, B.; Kline, B.; Landers, J.P. Infrared-mediated thermocycling for ultrafast polymerase chain reaction amplification of DNA. Anal. Chem. 1998, 70, 4361–4368. [Google Scholar] [CrossRef] [PubMed]
- Marcus, J.S.; Anderson, W.F.; Quake, S.R. Parallel Picoliter RT-PCR assays using Microfluidics. Anal. Chem. 2006, 78, 956–958. [Google Scholar] [CrossRef] [Green Version]
- Ahrberg, C.D.; Manz, A.; Chung, B.G. Polymerase chain reaction in microfluidic devices. Lab Chip 2016, 16, 3866–3884. [Google Scholar] [CrossRef] [PubMed] [Green Version]
- Center for Food Safety and Applied Nutrition. Listeria (listeriosis). U.S. Food and Drug Administration. Available online: https://www.fda.gov/food/foodborne-pathogens/listeria-listeriosis#:~:text=Listeria%20monocytogenes%20(L.,and%20other%20food%20preservation%20measures (accessed on 15 January 2022).
- Houghton, S.G.; Cockerill, F.R. Real-time PCR: Overview and applications. Surgery 2006, 139, 1–5. [Google Scholar] [CrossRef] [PubMed]
- Åström, K.J.; Hägglund, T. Revisiting the ziegler-nichols step response method for PID control. J. Process Control. 2004, 14, 635–650. [Google Scholar] [CrossRef]
- Joseph, E.A.; Olaiya, O.O. Cohen-Coon PID Tuning Method: A Better Option to Ziegler Nichols-PID Tuning Method. Comput. Eng. Intell. Syst. 2018, 9, 33–37. Available online: https://iiste.org/Journals/index.php/CEIS/article/view/42748 (accessed on 15 January 2022).
- Wakasa, Y.; Azakami, R.; Masuda, S.; Tanaka, K.; Nakashima, S. Online controller tuning via frit and recursive least-squares. IEEJ Trans. Electron. Inf. Syst. 2013, 133, 1950–1956. [Google Scholar] [CrossRef]
- Fahmy, R.A.; Badr, R.I.; Rahman, F.A. Adaptive PID controller using RLS for Siso stable and unstable systems. Adv. Power Electron. 2014, 2014, 1–5. [Google Scholar] [CrossRef]
- Weiner, I.D.; Hamm, L.L. Regulation of intracellular pH in the rabbit cortical collecting tubule. J. Clin. Investig. 1990, 85, 274–281. [Google Scholar] [CrossRef] [PubMed]
- Eggeling, C.; Widengren, J.; Rigler, R.; Seidel, C.A. Photobleaching of fluorescent dyes under conditions used for single-molecule detection: evidence of two-step photolysis. Anal. Chem. 1998, 70, 2651–2659. [Google Scholar] [CrossRef] [PubMed]











| Parts | Quantity | Cost (Total) |
|---|---|---|
| Peltier Plates | 2 | $63.14 |
| Heat Sink | 1 | $27.96 |
| ESP 8266 Microcontroller | 1 | $6.49 |
| ATMega 2560 Microcontroller | 1 | $15.99 |
| AS7341 Spectrometer | 1 | $15.95 |
| Custom PCB | 1 | $12.62 |
| LCD | 2 | $13.98 |
| 67.2 V, 2 A Power Adapter | 1 | $18.99 |
| 30 A Relay | 1 | $12 |
| 12 V, 20 A Power Adapter | 1 | $41.99 |
| Fan | 2 | $25.98 |
| Keypad | 1 | $4.50 |
| 1 Kg PLA filament | 1 | $17.99 |
| LED (Light Source) | 1 | $13.99 |
| Optical Filter | 1 | $38.60 |
| Heated Lid | 1 | - |
| Thermal Block | 1 | - |
| Miscellaneous | $10 | |
| Total cost | $340.17 | |
| Manufacture/Assembly time | 24 h (mostly 3D printing) |
| Amplicon Size | Analysis Type | Reagents |
|---|---|---|
| Listeria (115 bp) | Gel electrophoresis | 10 µL Select Master Mix |
| 1 µL F. primer 5′- CAA GCG TTG TCC GGA TTT ATT G -3′ | ||
| 1 µL R. primer 5′- GCA CTC CAG TCT TCC AGT TT -3′ | ||
| 1 µL template | ||
| 7 µL deionized H2O | ||
| Listeria (320 bp) | Gel electrophoresis | 10 µL Select Master Mix |
| 1 µL F. primer 5′- GGT GGA GCA TGT GGT TTA ATT C -3′ | ||
| 1 µL R. primer 5′- TTC GCG ACC CTT TGT ACT ATC -3′ | ||
| 1 µL template | ||
| 7 µL deionized H2O | ||
| Listeria (629 bp) | Gel electrophoresis | 10 µL Select Master Mix |
| 1 µL F. primer 5′- GTA GCG GTG AAA TGC GTA GA -3′ | ||
| 1 µL R. primer 5′- GCC TAC AAT CCG AAC TGA GAA TA -3′ | ||
| 1 µL template | ||
| 7 µL deionized H2O | ||
| Listeria (1057 bp) | Gel electrophoresis | 10 µL Select Master Mix |
| 1 µL F. primer 5′- TGG TTT CGG CTA TCG CTT AC -3′ | ||
| 1 µL R. primer 5′- CTT CGC GAC CCT TTG TAC TAT C -3′ | ||
| 1 µL template | ||
| 7 µL deionized H2O | ||
| Listeria (1456 bp) | Gel electrophoresis | 10 µL Select Master Mix |
| 1 µL F. primer 5′- CGA ACG AAC GGA GGA AGA G -3′ | ||
| 1 µL R. primer 5′- GGC TAC CTT GTT ACG ACT TCA -3′ | ||
| 1 µL template | ||
| 7 µL deionized H2O | ||
| Listeria (320 bp) | Fluorescence | 10 µL Select Master Mix |
| 1 µL F. primer 5′- GGT GGA GCA TGT GGT TTA ATT C -3′ | ||
| 1 µL R. primer 5′- TTC GCG ACC CTT TGT ACT ATC -3′ | ||
| 8 µL template (8 µL deionized H2O for negative control) | ||
| Listeria (629 bp) | Fluorescence | 10 µL Select Master Mix |
| 1 µL F. primer 5′- GTA GCG GTG AAA TGC GTA GA -3′ | ||
| 1 µL R. primer 5′- GCC TAC AAT CCG AAC TGA GAA TA -3′ | ||
| 8 µL template (8 µL deionized H2O for negative control) |
| Stage | Transition Rate |
|---|---|
| 95 °C–55 °C | −1 °C/s |
| 55 °C–72 °C | 1.89 °C/s |
| 72 °C–95 °C | 1.77 °C/s |
Publisher’s Note: MDPI stays neutral with regard to jurisdictional claims in published maps and institutional affiliations. |
© 2022 by the authors. Licensee MDPI, Basel, Switzerland. This article is an open access article distributed under the terms and conditions of the Creative Commons Attribution (CC BY) license (https://creativecommons.org/licenses/by/4.0/).
Share and Cite
Kadja, T.; Liu, C.; Sun, Y.; Chodavarapu, V.P. Low-Cost, Real-Time Polymerase Chain Reaction System for Point-of-Care Medical Diagnosis. Sensors 2022, 22, 2320. https://doi.org/10.3390/s22062320
Kadja T, Liu C, Sun Y, Chodavarapu VP. Low-Cost, Real-Time Polymerase Chain Reaction System for Point-of-Care Medical Diagnosis. Sensors. 2022; 22(6):2320. https://doi.org/10.3390/s22062320
Chicago/Turabian StyleKadja, Tchamie, Chengkun Liu, Yvonne Sun, and Vamsy P. Chodavarapu. 2022. "Low-Cost, Real-Time Polymerase Chain Reaction System for Point-of-Care Medical Diagnosis" Sensors 22, no. 6: 2320. https://doi.org/10.3390/s22062320
APA StyleKadja, T., Liu, C., Sun, Y., & Chodavarapu, V. P. (2022). Low-Cost, Real-Time Polymerase Chain Reaction System for Point-of-Care Medical Diagnosis. Sensors, 22(6), 2320. https://doi.org/10.3390/s22062320

