Analysis of Output Signal Distortion of Galvanic Isolation Circuits for Monitoring the Mains Voltage Waveform
Abstract
1. Introduction
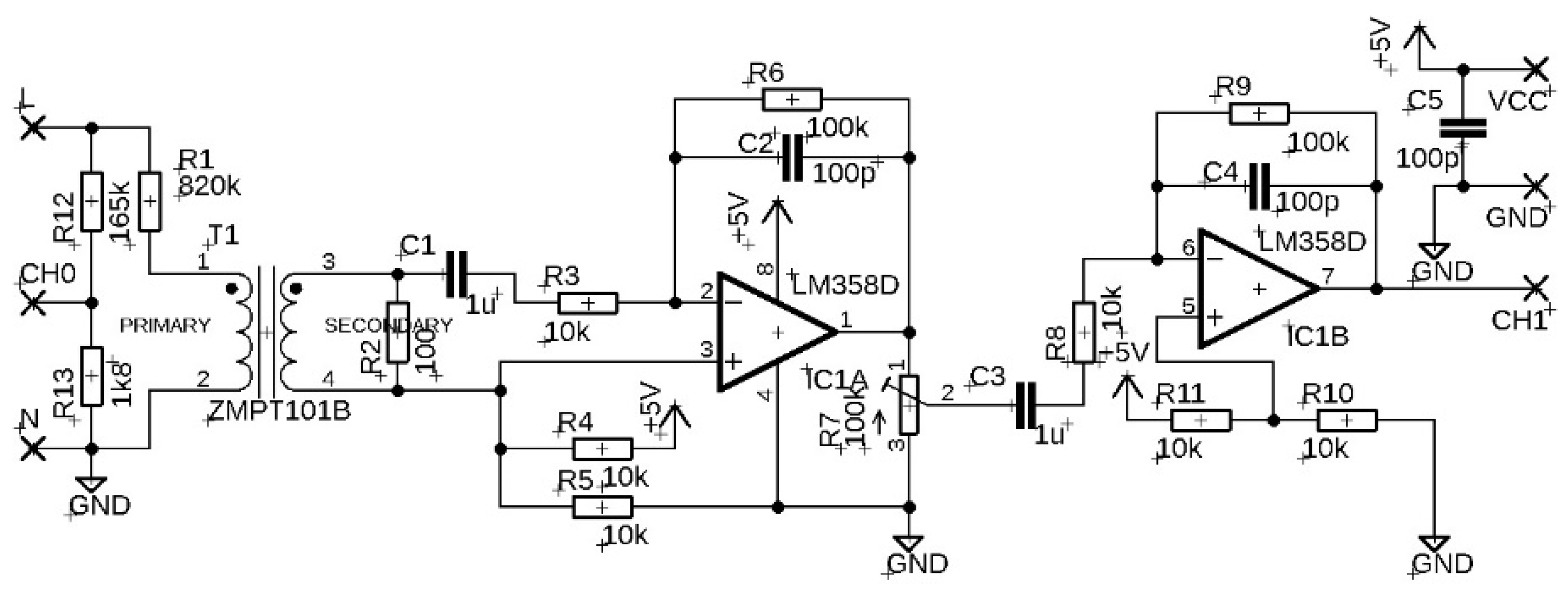
2. Materials and Methods
2.1. Comparison of the Relative Change in Total Harmonic Distortion of the Voltage Waveforms (THDu)
2.2. Comparison of Output Voltage Waveform Distortion Using the Ratio of the Area Bounded by the Input and Output Waveforms Relative to the Area Bounded by the Input Waveform and the Time Axis
2.3. Comparison of Output Signal Waveform Distortion in Terms of Active Power Calculation Accuracy
3. Results and Discussion
3.1. Comparison of the Relative Change in Total Harmonic Distortion of the Voltage Waveforms (THDu)
3.2. Comparison of Output Voltage Waveform Distortion Using the Ratio of the Area Bounded by the Input and Output Waveforms Relative to the Area Bounded by the Input Waveform and the Time Axis
3.3. Comparison of Output Signal Waveform Distortion in Terms of Active Power Calculation Accuracy
4. Conclusions
Author Contributions
Funding
Institutional Review Board Statement
Informed Consent Statement
Conflicts of Interest
References
- Božiková, M.; Bilčík, M.; Madola, V.; Szabóová, T.; Kubík, L.; Lendelová, J.; Cviklovič, V. The Effect of Azimuth and Tilt Angle Changes on the Energy Balance of Photovoltaic System Installed in the Southern Slovakia Region. Appl. Sci. 2021, 11, 8998. [Google Scholar] [CrossRef]
- Kupin, A.; Kuznetsov, D.; Muzyka, I.; Kumchenko, Y. Structure of Intellectual System for Optimize Self-Consumption of Energy Produced by Solar Panels in MicroGrid. In Proceedings of the 9th International Youth Science Forum “Litteris et Artibus” & 14th International Conference “Young Scientists Towards The Challenges Of Modern Technology”, Lviv, Ukraine, 21–23 November 2019. [Google Scholar]
- Schubert, E. Light-Emitting Diodes, 2nd ed.; Cambridge University Press: Cambridge, UK, 2006. [Google Scholar] [CrossRef]
- Kaczmarek, M. Two Channels Opto-Isolation Circuit for Measurements of the Differential Voltage of Voltage Transformers and Dividers. Energies 2022, 15, 2694. [Google Scholar] [CrossRef]
- De Maria, L.; Bartalesi, D.; Pistoni, N.C. Combined Optical Sensor and Capacitor Voltage Divider Arrangement for Voltage Control in Medium Voltage Switchboard Fiber. Procedia Eng. 2016, 168, 1597–1600. [Google Scholar] [CrossRef]
- Pereira, F.D.; Galeti, J.H.; Higuti, R.T.; Connelly, M.J.; Kitano, C. Real-Time Polarimetric Optical High-Voltage Sensor Using Phase-Controlled Demodulation. J. Lightw. Technol. 2018, 36, 3275–3283. [Google Scholar] [CrossRef]
- Delle Femine, A.; Gallo, D.; Landi, C.; Lo Schiavo, A.; Luiso, M. Low Power Contactless Voltage Sensor for Low Voltage Power Systems. Sensors 2019, 19, 3513. [Google Scholar] [CrossRef]
- European Committee for Electrotechnical Standardization (CENELEC) BS EN 50160:2010+A3:2019—Voltage Characteristics of Electricity Supplied by Public Distribution Networks; European Committee for Electrotechnical Standardization (CENELEC): Brussels, Belgium, 2019.
- Lamedica, R.; Ruvio, A.; Ribeiro, P.F.; Regoli, M. A Simulink model to assess harmonic distortion in MV/LV distribution networks with time-varying non linear loads. Simul. Model. Pract. Theory 2019, 90, 64–80. [Google Scholar] [CrossRef]
- IEEE Recommended Practices and Requirements for Harmonic Control in Electrical Power Systems. In IEEE Std 519-1992; Institute of Electrical and Electronics Engineers, Inc.: New York, NY, USA, 1993; pp. 1–112. [CrossRef]
- Arrillaga, J.; Smith, B.C.; Watson, N.R.; Wood, A.R. Power System Harmonic Analysis; John Wiley & Sons Ltd.: Hoboken, NJ, USA, 1997. [Google Scholar] [CrossRef]
- Harris, F.J. On the use of windows for harmonic analysis with the discrete Fourier transform. In Proceedings of the IEEE; IEEE: New York, NY, USA, 1978; Volume 66, pp. 51–83. [Google Scholar] [CrossRef]
- Shmilovitz, D. On the definition of total harmonic distortion and its effect on measurement interpretation. IEEE Trans. Power Deliv. 2005, 20, 526–528. [Google Scholar] [CrossRef]
- Ramljak, I.; Tokic, A. Harmonic emission of LED lighting. AIMS Energy 2019, 8, 1–26. [Google Scholar] [CrossRef]
- Stošović, M.A.; Dimitrijević, M.; Bojanić, S.; Nieto-Taladriz, O.; Litovski, V. Characterization of nonlinear loads in power distribution grid. Facta universitatis. Electron. Energy 2016, 29, 159–175. [Google Scholar] [CrossRef]
- Dugan, R.C.; Santoso, S.; McGranaghan, M.F.; Beaty, H.W. Electrical Power Systems Quality, 3rd ed.; McGraw Hill Professional: New York, NY, USA, 2012. [Google Scholar]
- Kaczmarek, M. Why Should We Test the Wideband Transformation Accuracy of Medium Voltage Inductive Voltage Transformers. Energies 2021, 14, 4432. [Google Scholar] [CrossRef]
- Filipović-Grčić, D.; Filipović-Grčić, B.; Krajtner, D. Frequency response and harmonic distortion testing of inductive voltage transformer used for power quality measurements. Procedia Eng. 2017, 202, 159–167. [Google Scholar] [CrossRef]
- Kruck, A. Designing Linear Amplifiers Using the IL 300 Optocoupler Application Note. Vishay, Document Number: 83708, Rev. 1.4. 2008. Available online: https://www.semanticscholar.org/paper/Designing-Linear-Amplifiers-Using-the-IL-300-Note-Kruck/3bd1c11dab8c10860f7a2ae92ae5049871bfef07 (accessed on 25 March 2022).
- Simoes, J.B.; Silva, R.M.C.; Morgado, A.M.L.S.; Correia, C.M. The optical coupling of analog signals. IEEE Trans. Nucl. Sci. 1996, 43, 1672–1674. [Google Scholar] [CrossRef]
















| K-2803GCE-1FL | BV EI 305 2055 | ZMPT101B on PCB | ZMPT101B | HCPL-4562 | AMC1211 | ||||||||
|---|---|---|---|---|---|---|---|---|---|---|---|---|---|
| Order | f(Hz) | Mains | Output | Mains | Output | Mains | Output | Mains | Output | Mains | Output | Mains | Output |
| 1 | 50 | 1.000 | 1.000 | 1.000 | 1.000 | 1.000 | 1.000 | 1.000 | 1.000 | 1.000 | 1.000 | 1.000 | 1.000 |
| 3 | 150 | 0.014 | 0.134 | 0.013 | 0.029 | 0.013 | 0.013 | 0.012 | 0.011 | 0.011 | 0.011 | 0.014 | 0.014 |
| 5 | 250 | 0.030 | 0.062 | 0.028 | 0.034 | 0.028 | 0.031 | 0.019 | 0.018 | 0.020 | 0.028 | 0.027 | 0.028 |
| 7 | 350 | 0.008 | 0.024 | 0.009 | 0.007 | 0.010 | 0.010 | 0.008 | 0.007 | 0.010 | 0.007 | 0.011 | 0.011 |
| 9 | 450 | 0.001 | 0.006 | 0.002 | 0.002 | 0.001 | 0.001 | 0.007 | 0.007 | 0.007 | 0.010 | 0.002 | 0.002 |
| K-2803GCE-1FL | BV EI 305 2055 | ZMPT101B on PCB | ZMPT101B | HCPL-4562 | AMC1211 | |
|---|---|---|---|---|---|---|
| THDu of mains [%] | 3.4 | 3.3 | 3.3 | 2.6 | 2.7 | 3.3 |
| THDu of fixture output [%] | 14.9 | 4.6 | 3.6 | 2.4 | 3.3 | 3.5 |
| increment of THDu [%] | 11.5 | 1.3 | 0.3 | −0.2 | 0.7 | 0.1 |
| relative increase in THDu [%] | 336.9 | 39.4 | 8.3 | −7.8 | 25.5 | 4.5 |
| phase shift in 1st harm. comp. [°] | −14.4 | −3.8 | −28.1 | −0.4 | −0.2 | 0.0 |
| K-2803GCE-1FL | BV EI 305 2055 | ZMPT101B on PCB | ZMPT101B | HCPL-4562 | AMC1211 | |
|---|---|---|---|---|---|---|
| phase shift in zero crossing [°] | −25.8 | −5.9 | −29.5 | −0.4 | 0.0 | 0.0 |
| K-2803GCE-1FL | BV EI 305 2055 | ZMPT101B on PCB | ZMPT101B | HCPL-4562 | AMC1211 | |
|---|---|---|---|---|---|---|
| difference area error [%] | 21.534 | 4.061 | 8.331 | 1.329 | 1.885 | 1.659 |
| with noise reduction [%] | NC | NC | NC | 1.033 | 1.829 | 0.746 |
| K-2803GCE-1FL | BV EI 305 2055 | ZMPT101B on PCB | ZMPT101B | HCPL-4562 | AMC1211 | |
|---|---|---|---|---|---|---|
| active power error [%] | 11.200 | 0.544 | 11.288 | 1.461 | 1.598 | −0.209 |
| K-2803GCE-1FL | BV EI 305 2055 | ZMPT101B on PCB | ZMPT101B | HCPL-4562 | AMC1211 | |
|---|---|---|---|---|---|---|
| relative increase in THDu [%] | 336.9 | 39.4 | 8.3 | −7.8 | 25.5 | 4.5 |
| difference area error, (NR) [%] | 21.534 | 4.061 | 8.331 | 1.329, (1.033) | 1.885, (1.829) | 1.659, (0.746) |
| active power error [%] | 11.2 | 0.544 | 11.288 | 1.461 | 1.598 | −0.209 |
| phase shift in zero crossing [°] | −25.8 | −5.9 | −29.5 | −0.4 | 0 | 0 |
| input-side power loss, (max) [W] | 2.56 | 1.07 | 0.07 | 0.35, (0.46) | 2.76, (2.76) | 0.1 |
Publisher’s Note: MDPI stays neutral with regard to jurisdictional claims in published maps and institutional affiliations. |
© 2022 by the authors. Licensee MDPI, Basel, Switzerland. This article is an open access article distributed under the terms and conditions of the Creative Commons Attribution (CC BY) license (https://creativecommons.org/licenses/by/4.0/).
Share and Cite
Havrlík, M.; Libra, M.; Poulek, V.; Kouřím, P. Analysis of Output Signal Distortion of Galvanic Isolation Circuits for Monitoring the Mains Voltage Waveform. Sensors 2022, 22, 7769. https://doi.org/10.3390/s22207769
Havrlík M, Libra M, Poulek V, Kouřím P. Analysis of Output Signal Distortion of Galvanic Isolation Circuits for Monitoring the Mains Voltage Waveform. Sensors. 2022; 22(20):7769. https://doi.org/10.3390/s22207769
Chicago/Turabian StyleHavrlík, Matouš, Martin Libra, Vladislav Poulek, and Pavel Kouřím. 2022. "Analysis of Output Signal Distortion of Galvanic Isolation Circuits for Monitoring the Mains Voltage Waveform" Sensors 22, no. 20: 7769. https://doi.org/10.3390/s22207769
APA StyleHavrlík, M., Libra, M., Poulek, V., & Kouřím, P. (2022). Analysis of Output Signal Distortion of Galvanic Isolation Circuits for Monitoring the Mains Voltage Waveform. Sensors, 22(20), 7769. https://doi.org/10.3390/s22207769

