UAV-Based Smart Educational Mechatronics System Using a MoCap Laboratory and Hardware-in-the-Loop †
Abstract
:1. Introduction
2. Educational Mechatronics Conceptual Framework
3. Materials and Methods
3.1. DJI Phantom 4
- Takeoff: this is the phase where the drone accelerates from zero speed to the speed necessary to rise to a certain altitude at which the takeoff is considered to have finished.
- Operational flight: in this phase, the drone can hover (hold a stationary position in the air) and maneuver in flight, where mixed movements to the left, right, forward, backward, up, and down are possible.
- Landing: this is the phase where the drone approaches the destination and the landing gear makes contact with the runway while decelerating its motors until reaching zero speed.
3.2. Motion Capture System
- Eight Vantage V16 cameras contain a thermal sensor to detect changes in temperature that could affect the system status;
- Power over Ethernet (PoE) switch, where power and connectivity are through PoE plus a protocol by CISCO Systems®; an American-based multinational technology conglomerate corporation headquartered in San Jose, CA, USA.
- Lock Sync Box connects, integrates, and synchronizes the cameras through a PoE switch.
- Server computer with Vicon Tracker Software® version [33], which is a specialized software created by Vicon Motion Systems Ltd.®; an English-based corporation headquartered in Oxford, United Kingdom. This is used for tracking multiple objects, single-camera tracking, and real-time modeling, among others. In Addition, the server is equipped with the software Simulink® version 2021b created by MathWorks; an American-based corporation headquartered in Natick, MA, USA. It is used for modeling, collecting, and analyzing drone variables data. Vicon Tracker ® and Simulink® softwares are compatible and fulfills several engineering needs.
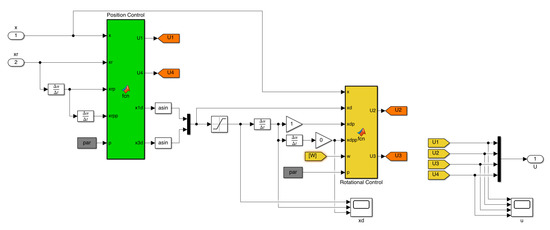
3.3. Simulation Model of the Quadrotor in Simulink
3.4. HIL Simulation in Simulink
4. Instructional Design for Drone Flight Basics within the EMCF
- Forward–backward movement;
- Plus sign movement;
- Square array movement.
4.1. Concrete Level (First Learning Construction Level)
- The takeoff phase involves two steps: turning the motors on and elevating the drone to a specific altitude:
- 1.
- Raise left stick up slowly to take off until the drone reaches approximately 1 m; then, return the left stick to its center position slowly. Note: Left stick controls height (up–down) and heading (left–right). The drone reaches the waypoint .
- The operational flight phase involves three steps: move forward, move backward, and repeat the process:
- 2.
- Raise right stick up slowly to move the drone forward until it reaches approximately 2 m; then, return the right stick to its center position slowly. The drone reaches the waypoint .
- 3.
- Lower right stick down slowly to move the drone backward until it reaches approximately m; then, return the right stick to its center position slowly. Here, the drone reaches the waypoint .
- 4.
- Repeat the process twice and return to the center position, , where we started the previous phase. Now, we are ready to start the landing phase. Note: The right stick controls forward, backward, left, and right movements.
- The landing phase involves one step:
- 5.
- Lower left stick down slowly until the drone touches the ground and hold it for a few seconds to stop the motors. Then, the drone reaches its home position again .
(Instruction remark: the instructor stops recording the data. The MoCap system records the position and orientation measurements of the drone in an Excel file. This table will contain the set of points that capture the real movement of the drone and it can be found in https://acortar.link/Rb54SB (accessed on 1 July 2022).
4.2. Graphic Level (Second Learning Construction Level)
- The takeoff phase involves two positions:
- 1.
- Draw an orange vertical dotted line in the position vector plot for representing the drone home position , in time s, and label it at the top of the graph.
- 2.
- Then, draw a blue round dot line representing the drone reference waypoint in which the z position starts to increase its value, in time s. Label it at the bottom of the graph.
- 3.
- Now, draw another orange vertical dotted line when the drone reaches the waypoint , in time s. Label it at the top of the graph.
- 4.
- Draw a blue round dot line representing the next drone reference waypoint in which the y position starts to increase its value, in time s. Label it at the bottom of the graph.
- 5.
- Finally, draw a filled orange rectangle from to . (Instruction remark: This rectangle encompasses the drone takeoff phase).
- The operational flight phase involves four positions:
- 6.
- Draw a green vertical dotted line when the drone reaches the waypoint , in time s. Label it at the top of the graph.
- 7.
- Draw a blue round dot line representing the next drone reference waypoint in which the y position starts to decrease its value, in time s. Label it at the bottom of the graph.
- 8.
- Draw a green vertical dotted line when the drone reaches the waypoint , in time s. Label it at the top of the graph.
- 9.
- Draw a blue round dot line representing the next drone reference waypoint in which the y position starts to increase its value, in time s. Label it at the bottom of the graph.
- 10.
- Draw a green vertical dotted line when the drone reaches the waypoint , in time s. Label it at the top of the graph.
- 11.
- Draw a blue round dot line representing the next drone reference waypoint in which the y position starts to decrease its value, in time s. Label it at the bottom of the graph.
- 12.
- Draw a green vertical dotted line when the drone reaches the waypoint , in time s. Label it at the top of the graph.
- 13.
- Draw a blue round dot line representing the next drone reference waypoint in which the y position starts to increase its value, in time s. Label it at the bottom of the graph.
- 14.
- Finally, draw a filled green rectangle from in s to in s. (Instruction remark: This rectangle encompasses the drone operational flight phase).
- The landing phase involves one step:
- 15.
- Draw a gray vertical dotted line when the drone reaches the waypoint , in time s. Label it at the top of the graph.
- 16.
- Draw a blue round dot line representing the next drone reference waypoint in which the z position starts to decrease its value, in time s. Label it at the bottom of the graph.
- 17.
- Draw a gray vertical dotted line when the drone reaches the waypoint , in time s. Label it at the top of the graph.
- 18.
- Finally, draw a filled gray rectangle from in s to the last recorded datum corresponding to the home position . (Instruction remark: This rectangle encompasses the drone landing phase).
4.3. Abstract Level (Third Learning Construction Level)
- Build the pseudocode of the waypoint generation for the 1st movement. First, define as the input all the reference waypoints that appear in Figure 12a, i.e., . Then, define the output as the waypoint reference vector .
- Now, introduce a conditional clause if, from the time greater than or equal to 0 s to a time before the first reference waypoint will occur, i.e., s; then, the reference waypoint vector will be equal to , the drone’s home position.
- Now, if time is greater than or equal to s to a time before the second reference waypoint will occur, i.e., s, then the reference waypoint vector will be equal to .
- If time is greater than or equal to 6 s to a time before the third reference waypoint will occur, i.e., s, then the reference waypoint vector will be equal to .
- If time is greater than or equal to 9 s to a time before the fourth reference waypoint will occur, i.e., s, then the reference waypoint vector will be equal to .
- If time is greater than or equal to 16 s to a time before the fifth reference waypoint will occur, i.e., s, then the reference waypoint vector will be equal to .
- If time is greater than or equal to 21 s to a time before the sixth reference waypoint will occur, i.e., s, then the reference waypoint vector will be equal to .
- If time is greater than or equal to 26 s to a time before the seventh reference waypoint will occur, i.e., s, then the reference waypoint vector will be equal to .
- Finally, else the eighth reference waypoint will occur. (Instruction remark: The reference waypoint vector establishes the desired drone trajectory, which encompasses the desired waypoint in space that the drone needs to go though. It is worth mentioning that the actual waypoints are reached after the corresponding reference waypoint vector is supplied to the controller in the simulation).
| Algorithm 1 Waypoint generation for the 1st movement |
Input: Waypoints: Output: Waypoint reference vector:
|
| Algorithm 2 Waypoint generation for the 2nd movement |
Input: Waypoints: Output: Waypoint reference vector:
|
| Algorithm 3 Waypoint generation for the 3rd movement |
Input: Waypoints: Output: Waypoint reference vector:
|
| Algorithm 4 Embedded control for HIL simulation |
Input: References: =(, , , ), States: , Time: t. Output: Control forces:
|
5. Discussion
| Educational Tools | Scientific Articles |
|---|---|
| Drone | [9,36,40,41,42] |
| Drone + MoCap | [43,44,45] |
| Drone + HIL simulation | [46,47,48] |
| Drone + MoCap + HIL simulation | Present work |
6. Conclusions
Author Contributions
Funding
Institutional Review Board Statement
Informed Consent Statement
Data Availability Statement
Acknowledgments
Conflicts of Interest
Abbreviations
| UAV | Unmanned Aerial Vehicle |
| MoCap | Motion Capture |
| HIL | Hardware-in-the-Loop |
| EMCF | Educational Mechatronics Conceptual Framework |
| AI | Artificial Intelligence |
| IoT | Internet of Things |
| ICT | Information and Communications Technology |
| STEAM | Science, Technology, Engineering, Arts, and Mathematics |
| PBL | Problem-Based Learning |
| PoE | Power over Ethernet |
| FMU | Flight Management Unit |
| PC | Personal Computer |
References
- Luque-Vega, L.F.; Lopez-Neri, E.; Arellano-Muro, C.A.; González-Jiménez, L.E.; Ghommam, J.; Carrasco-Navarro, R. UAV Flight Instructional Design for Industry 4.0 based on the Framework of Educational Mechatronics. In Proceedings of the IECON 2020 The 46th Annual Conference of the IEEE Industrial Electronics Society, Singapore, 18–21 October 2020. [Google Scholar]
- Custers, B. Flying to New Destinations: The Future of Drones. In The Future of Drone Use: Opportunities and Threats from Ethical and Legal Perspectives; Custers, B., Ed.; T.M.C. Asser Press: The Hague, The Netherlands, 2016; pp. 371–386. ISBN 9789462651326. [Google Scholar]
- Hermann, M.; Pentek, T.; Otto, B. Design Principles for Industrie 4.0 Scenarios: A Literature Review; Working Paper; Technische Universität Dortmund: Dortmund, Germany, 2015. [Google Scholar]
- Jenkins, D.; Vasigh, B. The Economic Impact of Unmanned Aircraft Systems Integration in the United States; Association for Unmanned Vehicle Systems International (AUVSI): Arlington, VA, USA, 2013. [Google Scholar]
- Rienks, K.D. DRONES: Designing Real-World Outcomes for North Carolina Education in STEM. Master’s Thesis, Duke University, Durham, NC, USA, 2019. [Google Scholar]
- Ng, W.S.; Cheng, G. Integrating Drone Technology in STEAM Education: A Case Study to assess Teacher’s Readiness and Training Needs. Issues Inf. Sci. Inf. Technol. 2019, 16, 61–70. [Google Scholar]
- Cliffe, A.D. Evaluating the Introduction of Unmanned Aerial Vehicles for Teaching and Learning in Geoscience Fieldwork Education. J. Geogr. High. Educ. 2019, 43, 582–598. [Google Scholar] [CrossRef]
- Zhao, Q. Research Based on the Police Teaching of UAV Course in Public Security Colleges. J. High. Educ. Res. 2020, 1, 1. [Google Scholar] [CrossRef]
- Stoica Maniu, C.; Vlad, C.; Chevet, T.; Rousseau, G.; Bertrand, S.; Olaru, S. Modernizing Teaching through Experimentation on UAVs Formations. In Proceedings of the 12th IFAC Symposium on Advances in Control Education ACE, Philadelphia, PA, USA, 7–9 July 2019; Volume 52, pp. 144–146. [Google Scholar] [CrossRef]
- Bertrand, S.; Marzat, J.; Maniu, C.S.; Makarov, M.; Filliat, D.; Manzanera, A. DroMOOC: A Massive Open Online Course on Drones and Aerial Multi Robot Systems. In Proceedings of the 2018 UKACC 12th International Conference on Control (CONTROL), Sheffield, UK, 5–7 September 2018; p. 434. [Google Scholar]
- Leopold, T.A.; Ratcheva, V.S.; Zahidi, S. The Future of Jobs Report 2018; World Economic Forum: Cologny, Switzerland, 2018; Volume 2. [Google Scholar]
- Bacic, M. On hardware-in-the-loop simulation. In Proceedings of the 44th IEEE Conference on Decision and Control, Seville, Spain, 15 December 2005; pp. 3194–3198. [Google Scholar] [CrossRef]
- Wu, J.; Cheng, Y.; Srivastava, A.; Schulz, N.; Ginn, H. Hardware in the Loop Test for Power System Modeling and Simulation. In Proceedings of the IEEE PES Power Systems Conference and Exposition, Atlanta, GA, USA, 29 October–1 November 2006; pp. 1892–1897. [Google Scholar] [CrossRef]
- Rodrigues da Silva, R.; Silva Teixeira, E.; Murilo, A.; Dias Santos, M. A hardware-in-the loop platform for designing and testing of electric power assisted steering. In Proceedings of the 43rd Annual Conference of the IEEE Industrial Electronics Society, Beijing, China, 29 October–1 November 2017; pp. 5113–5118. [Google Scholar] [CrossRef]
- Grega, W. Hardware-in-the-loop simulation and its application in control education. In Proceedings of the 29th Annual Frontiers in Education Conference, San Juan, PR, USA, 10–13 November 1999; pp. 12B6/7–12B6/12. [Google Scholar] [CrossRef]
- Osen, O. On the Use of Hardware-in-the-Loop for Teaching Automation Engineering. In Proceedings of the 2019 IEEE Global Engineering Education Conference (EDUCON), Dubai, United Arab Emirates, 8–11 April 2019; pp. 1308–1315. [Google Scholar] [CrossRef]
- Tang, X.; Xi, Y. Application of hardware-in-loop in teaching power electronic course based on a low-cost platform. Comput. Appl. Eng. Educ. 2020, 28, 965–978. [Google Scholar] [CrossRef]
- Wakitani, S.; Yamamoto, T. Design of an Educational Hardware in the Loop Simulator for Model-Based Development Education. J. Rob. Mech. 2019, 31, 376–382. [Google Scholar] [CrossRef]
- Renaux, P.; Linhares, R.; Renaux, D. Hardware-in-the-Loop Simulation Low-Cost Platform. In Proceedings of the VII Brazilian Symposium on Computing Systems Engineering (SBESC), Curitiba, Brazil, 6–10 November 2017; pp. 173–180. [Google Scholar] [CrossRef]
- Lüder, A.; Foehr, M.; Köhlein, A.; Böhm, B. Application of Engineering Processes Analysis to Evaluate Benefits of Mechatronic Engineering. In Proceedings of the 2012 IEEE 17th International Conference on Emerging Technologies Factory Automation (ETFA 2012), Krakow, Poland, 17–21 September 2012; pp. 1–4. [Google Scholar]
- Ziyi, Z.; Zhiyong, M.; Zhiqin, Y.; Kailu, D. Combine Different Knowledge, Train Students Mechatronic Thinking. Int. J. Educ. Manag. Eng. 2013, 2, 14–19. [Google Scholar]
- Dache, L.; Pop, S.F. Education, Knowledge and Innovation from a Mechatronics Perspective. Procedia Soc. Behav. Sci. 2015, 203, 205–209. [Google Scholar]
- Steinbuch, M. Mechatronics Disrupted. In Mechatronics Futures; Springer International Publishing: Cham, Switzerland, 2016; pp. 17–24. [Google Scholar]
- Mazid, A.M. Philosophy of Mechatronics Course Development. In Proceedings of the 2002 IEEE International Conference on Industrial Technology, IEEE ICIT ’02, Bankok, Thailand, 11–14 December 2002. [Google Scholar]
- Tomizuka, M. Mechatronics: From the 20th to 21st Century. Control Eng. Pract. 2002, 10, 877–886. [Google Scholar] [CrossRef]
- Santaliana, D.; Calloni, D.; Laterza, V.; Zanelli, R. Report on Assessment Skills and Needs in the Mechatronics and Metallurgical Sectors Industries in the 5 Countries: Second Version. Mechatronics and Metallurgical VET for Sectors’ Industries 2019. Available online: https://acortar.link/E3tbXU (accessed on 1 July 2022).
- Merklein, M.; Franke, J.; Hagenah, H. Reference Model for the Description of Digital Engineering Tools Based on Mechatronic Principles and Concepts. Adv. Mater. Res. 2014, 1018, 547–554. [Google Scholar]
- Singer, F.M. Developing Mental Abilities through Structured Teaching Methodology. In Proceedings of the International Conference on the Humanistic Renaissance in Mathematics Education, Palermo, Italy, 20–25 September 2002; pp. 353–359. [Google Scholar]
- Singer, F.M. From Cognitive Science to School Practice: Building the Bridge. Int. Group Psychol. Math. Educ. 2003, 4, 207–214. [Google Scholar]
- Arzarello, F.; Robutti, O.; Bazzini, L. Acting Is Learning: Focus on the Construction of Mathematical Concepts. Camb. J. Educ. 2005, 35, 55–67. [Google Scholar] [CrossRef]
- Novack, M.; Congdon, E.; Hemani-Lopez, N.; Goldin-Meadow, S. From Action to Abstraction: Using the Hands to Learn Math. Psychol. Sci. 2014, 25, 903–910. [Google Scholar] [CrossRef] [Green Version]
- Font, V.; Godino, J.D.; Contreras, A. From Representations to onto-Semiotic Configurations in Analysing the Mathematics Teaching and Learning Processes. In Semiotics in Mathematics Education: Epistemology, History, Classroom, and Culture; Sense Publisher: Rotterdam, The Netherlands, 2008; pp. 157–173. [Google Scholar]
- Vicon Motion Systems Ltd. Vicon Tracker User Guide. Available online: https://www.prophysics.ch/wp-content/uploads/2017/06/Vicon-Tracker-User-Guide.pdf (accessed on 31 December 2021).
- Luque-Vega, L.; Castillo-Toledo, B.; Loukianov, A.G. Robust Block Second Order Sliding Mode Control for a Quadrotor. J. Franklin Inst. 2012, 349, 719–739. [Google Scholar] [CrossRef]
- Ortiz, E.; Eisenreich, H.A.; Tapp, L.E. Physical and Virtual Manipulative Framework Conceptions of Undergraduate Pre-service Teachers. Int. J. Math. Teach. Learn. 2019, 20.1, 62–84. [Google Scholar]
- Bolick, M.M.; Mikhailova, E.A.; Post, C.J. Teaching Innovation in STEM Education Using an Unmanned Aerial Vehicle (UAV). Educ. Sci. 2022, 12, 224. [Google Scholar] [CrossRef]
- Ahmed, M.; Cox, D.; Simpson, B.; Aloufi, A. ECU-IoFT: A Dataset for Analysing Cyber-Attacks on Internet of Flying Things. Appl. Sci. 2022, 12, 1990. [Google Scholar] [CrossRef]
- Ghaffarzadeh, K. New Robotics and Drones 2018–2038: Technologies, Forecasts, Players, 1st ed.; IDTechEx Research: Chemnitz, Germany, 2018. [Google Scholar]
- Faiyaz, A.; Mohanta, J.C.; Anupam, K.; Pankaj, S.Y. Recent Advances in Unmanned Aerial Vehicles: A Review. Arab. J. Sci. Eng. 2022, 551, 1–22. [Google Scholar]
- Gu, C.; Sun, J.; Chen, T.; Miao, W.; Yang, Y.; Lin, S.; Chen, J. Examining the Influence of Using First-Person View Drones as Auxiliary Devices in Matte Painting Courses on College Students’ Continuous Learning Intention. J. Intell. 2022, 10, 40. [Google Scholar] [CrossRef] [PubMed]
- Félix-Herrán, L.C.; Izaguirre-Espinosa, C.; Parra-Vega, V.; Sánchez-Orta, A.; Benitez, V.H.; Lozoya-Santos, J.d.-J. A Challenge-Based Learning Intensive Course for Competency Development in Undergraduate Engineering Students: Case Study on UAVs. Electronics 2022, 11, 1349. [Google Scholar] [CrossRef]
- Verner, I.M.; Cuperman, D.; Reitman, M. Exploring Robot Connectivity and Collaborative Sensing in a High-School Enrichment Program. Robotics 2021, 10, 13. [Google Scholar] [CrossRef]
- Giernacki, W.; Kozierski, P.; Michalski, J.; Retinger, M.; Madonski, R.; Campoy, P. Bebop 2 Quadrotor as a Platform for Research and Education in Robotics and Control Engineering. In Proceedings of the 2020 International Conference on Unmanned Aircraft Systems (ICUAS), Athens, Greece, 1–4 September 2020; pp. 1733–1741. [Google Scholar] [CrossRef]
- Nguyen Thanh Trung, L.; Howe Yuan, Z.; Hsiang-Ting, C. Remote Visual Line-of-Sight: A Remote Platform for the Visualisation and Control of an Indoor Drone Using Virtual Reality. In Proceedings of the 27th ACM Symposium on Virtual Reality Software and Technology (VRST ’21), Osaka, Japan, 8–10 December 2021; ACM: New York, NY, USA Article 111, 3p. [Google Scholar]
- Števek, J.; Fikar, M. Teaching Aids for Laboratory Experiments with AR.Drone2 Quadrotor. In Proceedings of the 11th IFAC Symposium on Advances in Control Education ACE, Bratislava, Slovakia, 1–3 June 2016; Volume 49, pp. 236–241. [Google Scholar] [CrossRef]
- Haitao, W.; Shihui, C.; Umut, D.; Sven, H. Simulation Infrastructure for Aeronautical Informatics Education. In Proceedings of the 50th Computer Simulation Conference (SummerSim ’18), Bordeaux, France, 9–12 July 2018; Article 11. pp. 1–12. [Google Scholar]
- Wang, S.; Dai, X.; Ke, C.; Quan, Q. RflySim: A Rapid Multicopter Development Platform for Education and Research Based on Pixhawk and MATLAB. In Proceedings of the 2021 International Conference on Unmanned Aircraft Systems (ICUAS), Athens, Greece, 15–18 June 2021; pp. 1587–1594. [Google Scholar] [CrossRef]
- Fernández, I.A.; Eguía, M.A.; Echeverría, L.E. Virtual commissioning of a robotic cell: An educational case study. In Proceedings of the 2019 24th IEEE International Conference on Emerging Technologies and Factory Automation (ETFA), Zaragoza, Spain, 10–13 September 2019; pp. 820–825. [Google Scholar] [CrossRef]















Publisher’s Note: MDPI stays neutral with regard to jurisdictional claims in published maps and institutional affiliations. |
© 2022 by the authors. Licensee MDPI, Basel, Switzerland. This article is an open access article distributed under the terms and conditions of the Creative Commons Attribution (CC BY) license (https://creativecommons.org/licenses/by/4.0/).
Share and Cite
Luque-Vega, L.F.; Lopez-Neri, E.; Arellano-Muro, C.A.; González-Jiménez, L.E.; Ghommam, J.; Saad, M.; Carrasco-Navarro, R.; Ruíz-Cruz, R.; Guerrero-Osuna, H.A. UAV-Based Smart Educational Mechatronics System Using a MoCap Laboratory and Hardware-in-the-Loop. Sensors 2022, 22, 5707. https://doi.org/10.3390/s22155707
Luque-Vega LF, Lopez-Neri E, Arellano-Muro CA, González-Jiménez LE, Ghommam J, Saad M, Carrasco-Navarro R, Ruíz-Cruz R, Guerrero-Osuna HA. UAV-Based Smart Educational Mechatronics System Using a MoCap Laboratory and Hardware-in-the-Loop. Sensors. 2022; 22(15):5707. https://doi.org/10.3390/s22155707
Chicago/Turabian StyleLuque-Vega, Luis F., Emmanuel Lopez-Neri, Carlos A. Arellano-Muro, Luis E. González-Jiménez, Jawhar Ghommam, Maarouf Saad, Rocío Carrasco-Navarro, Riemann Ruíz-Cruz, and Héctor A. Guerrero-Osuna. 2022. "UAV-Based Smart Educational Mechatronics System Using a MoCap Laboratory and Hardware-in-the-Loop" Sensors 22, no. 15: 5707. https://doi.org/10.3390/s22155707
APA StyleLuque-Vega, L. F., Lopez-Neri, E., Arellano-Muro, C. A., González-Jiménez, L. E., Ghommam, J., Saad, M., Carrasco-Navarro, R., Ruíz-Cruz, R., & Guerrero-Osuna, H. A. (2022). UAV-Based Smart Educational Mechatronics System Using a MoCap Laboratory and Hardware-in-the-Loop. Sensors, 22(15), 5707. https://doi.org/10.3390/s22155707

