Next Article in Journal
A Real-Time Monitoring Method for Civil Aircraft Take-Off and Landing Based on Synthetic Aperture Microwave Radiation Technology
Next Article in Special Issue
A Procedure for Precise Determination and Compensation of Lead-Wire Resistance of a Two-Wire Resistance Temperature Detector
Previous Article in Journal
Design and Analysis of High-Capacity MIMO System in Line-of-Sight Communication
Previous Article in Special Issue
Biomimetic Chaotic Sensor for Moderate Static Magnetic Field
 
 
Font Type:
Arial Georgia Verdana
Font Size:
Aa Aa Aa
Line Spacing:
Column Width:
Background:
Article

Linear-Range Extension for Linear Variable Differential Transformer Using Hyperbolic Sine Function

by
Apinai Rerkratn
,
Jakkapun Tongcharoen
,
Wandee Petchmaneelumka
* and
Vanchai Riewruja
*
School of Engineering, King Mongkut’s Institute of Technology Ladkrabang, Ladkrabang, Bangkok 10520, Thailand
*
Authors to whom correspondence should be addressed.
Sensors 2022, 22(10), 3674; https://doi.org/10.3390/s22103674
Submission received: 29 March 2022 / Revised: 3 May 2022 / Accepted: 7 May 2022 / Published: 12 May 2022
(This article belongs to the Special Issue Intelligent Circuits and Sensing Technologies)

Abstract

:
In this paper, a circuit technique to extend the measuring range of a linear variable differential transformer (LVDT) is proposed. The transfer characteristic of the LVDT contains the odd function form of the cubic polynomial. Therefore, the measuring range of a commercial LVDT is linear in a narrow range compared to its physical dimensions. The wide measuring range of the LVDT requires a large structure of the LVDT, which increases the scale and the cost of the measurement system. The measuring range of the LVDT can be linearly extended to the maximum of the stroke range using the proposed technique. The realization of the proposed technique is based on the use of the hyperbolic sine (sinh) function of the electronic circuit building block, named the class AB bipolar amplifier. The class AB bipolar amplifier can be obtained by the current feedback operational amplifier (CFOA). The circuit of the proposed technique requires two CFOAs and an operational transconductance amplifier (OTA) as the active devices and all devices used in the proposed technique to synthesize the sinh function are commercially available. The proposed technique exhibits an ability to compensate for the nonlinear characteristic of the LVDT without digital components. The proposed technique is attractive in terms of its simple circuit configuration, small size, and low cost. The linear range extension of the LVDT used in this paper is significantly increased with a maximum error of about 18.3 μm of 6.2 mm at the full stroke range or the full-scale percentage error of about 0.295%. The results indicate that the proposed technique provides excellent performance to extend the measuring range of the LVDT without modifying the LVDT structure.

1. Introduction

An inductive transducer, known as the linear variable differential transformer (LVDT), is an important transducer used in a position measurement system. The LVDT provides excellent behavior in terms of high resolution, robustness, and durability [1,2,3]. Many applications of the LVDT are found in the fields of industrial process control [3,4,5,6], building construction [7], automobiles [8,9], military equipment [10,11,12], scientific and medical equipment [12,13], and robotics [14,15]. All applications of the LVDT are used to measure position, force, flow, displacement, and pressure. The LVDT structure is similar to a transformer which comprises one primary winding and two secondary windings with a moveable core. Two secondary windings of the LVDT are connected in series in opposite directions. Therefore, the resulting signal from the secondary windings is the difference signal which calls the LVDT signal. The excitation signal is applied to the primary winding and then the secondary signal or the LVDT signal is in the form of balance modulation or amplitude modulation with a suppressed carrier (AMSC) [1,2,15]. The amplitude of the LVDT signal is dependent on the core position. Therefore, a synchronous demodulator is required to extract the core position signal from the LVDT signal. There are several synchronous demodulators to obtain the core position signal. Traditionally, the simple synchronous demodulators are provided by an analog multiplier and low-pass filter, or analog switch and integrator have been proposed to extract the core position signal from the LVDT signals [1,3,15,16,17]. The disadvantage of the simple demodulator is that the large response time and phase shift of the low-pass filter or integrator degrade the accuracy of the demodulated signal. An alternative demodulation technique using a peak-amplitude finder was proposed to overcome the disadvantage mentioned above [18,19,20]. This technique exhibits a simple configuration, fast response, and high accuracy. However, the core position signal obtained from the demodulator is narrow due to the structure of the LVDT [2,21,22,23]. The large measuring range of the LVDT requires a huge structure for the LVDT, which causes an inconvenience for the applications of compact scale of the measurement system. If the linear measuring range of the LVDT can be extended without disturbing the LVDT structure, then the advantage will be gained.
The measuring range of the LVDT offers a narrow linear range due to its nonlinear transfer characteristic. The transfer characteristic of the LVDT can be expressed in the form of the odd function of the cubic polynomial, which corresponds to the first-order and the third-order terms of the series of an inverse hyperbolic sine function [2,22,23,24]. Therefore, the transfer characteristic of the LVDT can be approximated to the inverse hyperbolic sine function for its full-stroke range. It can be seen that the linear measuring range of the LVDT is linear only in the range around the zero-crossing of its transfer characteristic curve. The linear measuring range of the LVDT can provide a wide measuring range to meet such a requirement by increasing the structure size of the LVDT, which results in the bulky structure of the LVDT [21]. The large structure of the LVDT is limited only to the applications of the LVDT due to the large configuration of the measurement system. The small structure of the LVDT with a wide measuring range requires the most attention for the small or compact scale of the position measurement system. However, the requirement of the small structure of the LVDT is in contrast to the wide measuring range. The extension of the linear measuring range of the LVDT requires the most attention for reducing the configuration of the measurement systems and increasing its cost-effectiveness. Recently, a technique based on the fractional-order LVDT for extension of the linear measuring range was proposed in the literature [25]. However, the LVDT used in this technique requires a special design, which is inappropriate for a commercial LVDT. There are many techniques to extend the linear measuring range without disturbing the LVDT structure [22,23,26,27,28]. The approaches for the extension of the linear measuring range using an artificial neural network are introduced [26,27]. These techniques use an adaptive inverse model to compensate for the nonlinear transfer characteristic of the LVDT. The disadvantage of these techniques is that a high-speed processor is required to determine the adaptive inverse model. This causes a large circuit configuration, large response time, and increased expense. An alternative approach for the extension of the LVDT linear range using a binomial series of the LVDT inverse transfer characteristic is proposed in the literature [22,23]. The advantage of this technique is that a wide linear range and high accuracy are obtained. However, this technique requires precision analog multipliers to synthesize the inverse transfer characteristic of the LVDT, which requires high production cost. Additionally, the technique based on the hyperbolic tangent function to enhance the LVDT linear range is presented [28]. This technique requires two well-matched diodes and the operational amplifiers (opamp) to accurately generate the hyperbolic tangent function. Unfortunately, it is impractical to specify two well-matched diodes in both discrete and integrated forms. In addition, an overview of the literature review for the linear range extension of the LVDT is shown in Table 1.
The purpose of this paper is to propose a simple circuit for the linear range extension of the LVDT using a commercially available device. The linear range of the LVDT is extended using the inverse function of the LVDT transfer characteristic. The hyperbolic sine (sinh) function is used to compensate for the nonlinear transfer characteristic of the LVDT. The proposed technique utilizes the behavior of a current feedback operational amplifier (CFOA) with the class AB input stage to generate the sinh function. The linear range of the LVDT can be extended to its maximum stroke range, limited by LVDT’s physical dimension. The performance of the proposed technique was analyzed and discussed in detail. Experimental results exhibiting the performance of the proposed technique are included. The maximum full-scale error is about 0.295% for the core varied to the maximum stroke of the LVDT used in this paper. The proposed technique obtains the goal of a simple circuit configuration, high accuracy, and low cost.

2. Principle of LVDT

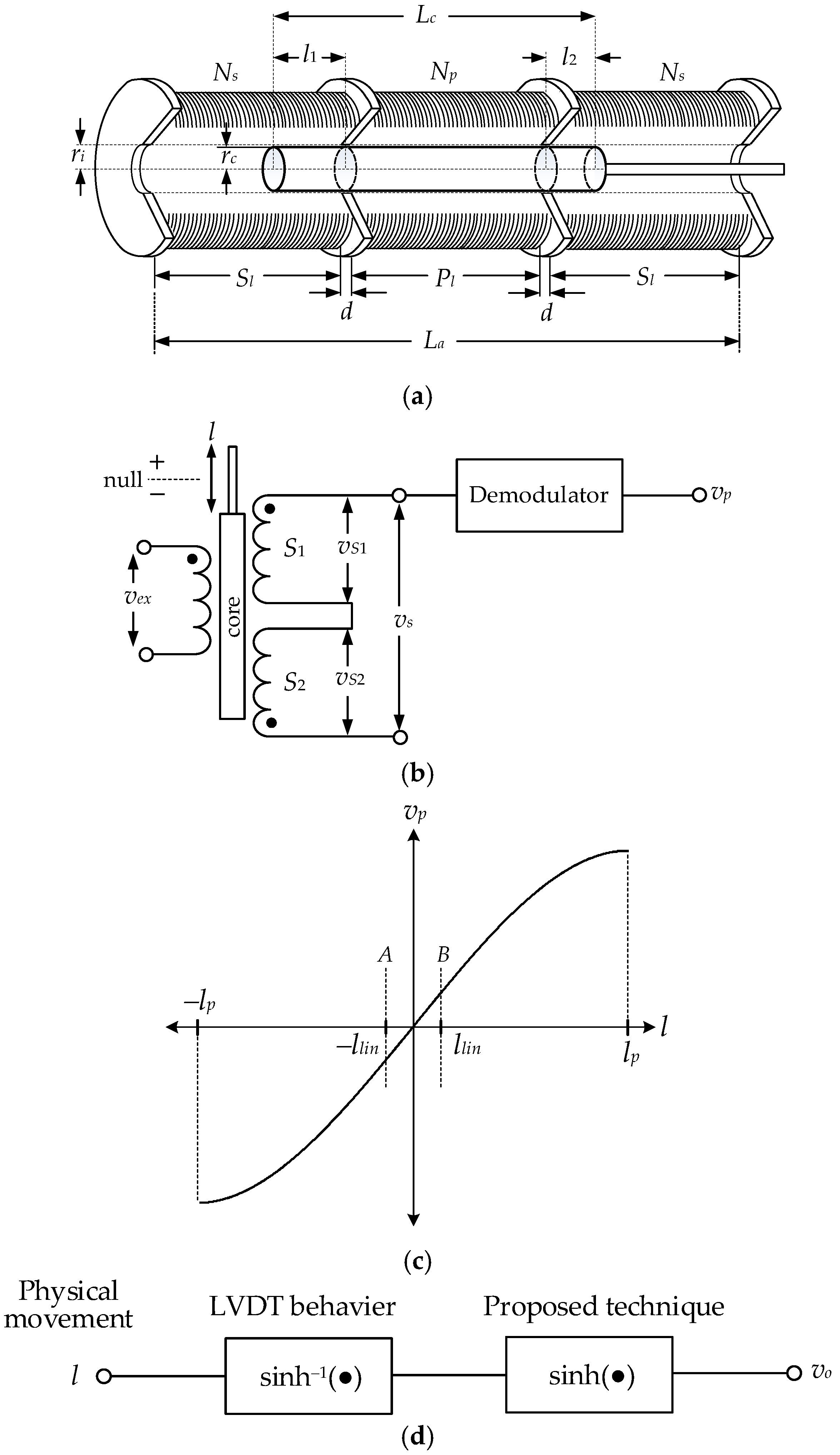
The structure of the LVDT comprised a primary winding and two identical secondary windings curving around a hollow rod with a radius rl is shown in Figure 1a. From Figure 1a, the primary winding is placed in the middle of two secondary windings connected in opposite directions. The simplified diagram of the LVDT is shown in Figure 1b. The lengths of the primary winding and two identical secondary windings are given by Pl and Sl, respectively. Np and Ns are the numbers of turns for primary winding and secondary winding, respectively. The moving core of the LVDT is provided from a ferromagnetic with a radius and length set as rc and Lc, respectively. The gaps isolated between both sides of the primary winding and two secondary windings are assigned as d. When the excitation signal vex = VPsin(ωext), it is applied to the primary winding. The secondary winding signals vS1 and vS2 are generated, which depend on the position of the moving core and can be stated as [2,22,23] follows:
v S 1 = 2 π 2 ω e x v e x N p N s ( 2 l 2 + P l ) 10 7 S l L c Z P ln ( r l r c ) l 1 2 ,
and
v S 2 = 2 π 2 ω e x v e x N p N s ( 2 l 1 + P l ) 10 7 S l L c Z P ln ( r l r c ) l 2 2
where ZP is an impedance of the primary winding, l1 and l2 denote the distances for the moving core penetrated the secondary windings S1 and S2, respectively. Thus, the LVDT signal vs is equal to the difference of the secondary winding voltages, (vS1vS2), and can be expressed as follows:
v s = K 1 l ( 1 K 2 l 2 ) ,
for
K 1 = 8 ω e x v e x N p N s ( P l + 2 d + l 0 ) l 0 10 7 S l L c Z P ln ( r l r c ) ,
and
K 2 = 1 ( P l + 2 d + l 0 ) l 0 ,
where l0 = (l1 + l2)/2 is the position of the moving core at the center and l = (l1l2)/2 is the distance or the position of the moving core moved from the center. Normally, the gaps d are very small compared to the length Pl or Pl >> d. Assigning the length of the moving core Lc = (3Pl + 2d), the LVDT signal vs can be expressed as follows:
v s = 8 π 2 ω e x v e x N p N s 10 7 Z P ln ( r o r i ) 2 P l 3 S l ( l l 3 2 P l 2 ) = k s e l ( 1 k n l l 2 ) ,
where kse and knl are the sensitivity and the nonlinear coefficient of the LVDT, respectively. The peak amplitude of the LVDT signal vs of Equation (4) is dependent on the position l of the moving core in the form of AMSC. The peak amplitude of the LVDT signal vs is extracted to obtain the position signal vp by the synchronous demodulator as shown on the right of Figure 1b. The transfer characteristic of the LVDT is shown in Figure 1c for the LVDT core varied in full range. From Equation (4), the term of knl limits the linear measuring range of the LVDT. The linear measuring range llin can be expressed as follows:
l l i n = ± ε l i k n l ,
where εli denotes the linearity error of the LVDT. Practically, the percentage error εli is about 0.5% for the LVDT used in this paper. The linear measuring range llin of about 2.54 mm is determined from Equation (5) for knl = 7.75 × 10−4. From Figure 1c, the stroke range ±lp of the LVDT for the peak-to-peak amplitude in the transfer characteristic can be given as follows:
l p = ± 1 3 k n l .
In addition, the stroke range ±ld of the LVDT due to its physical dimensions can be determined from the lengths La and Lc of the structure in Figure 1a as follows:
± l d = ± ( L a L c ) 2 .
It should be noted that the maximum stroke range lmax of the LVDT is limited by the minimum number between the stroke ranges lp and ld and can be written as follows:
l m a x = ± min ( l d , l p ) .
From Equation (7), the lengths La and Lc for the physical dimensions of the LVDT used in this paper are equal to 44.1 mm and 31.8 mm, respectively. Therefore, the maximum stroke range ±lmax for the LVDT used in this paper is equal to ±ld = ±6.2 mm. From Equation (5), if the term of knl is decreased, then the linear measuring range of the LVDT is achieved for a wide range. Unfortunately, the small value of knl can be obtained by increasing the length and the number of turns for the primary winding, which causes the large dimensions of the LVDT structure. The LVDT signal vs in Equations (3) and (4) is the odd function form of the cubic polynomial, which corresponds to the series of the inverse hyperbolic sine (sinh−1) function for the first- and third-order terms. The series of the sinh−1 function is given by [24] as follows:
sinh 1 x = x a 1 x 3 + a 2 x 5 a 3 x 7 + for 1 < x < 1 ,
where
a n = n = 1 [ ( 2 n ) ! 2 2 n ( 2 n + 1 ) ( n ! ) 2 ]
From Equation (9), the magnitudes of the terms anx(2n+1) for n ≥ 2 are very small and can be ignored. Thus, the position signal vp demodulated from the LVDT signal vs in Equation (4) can be approximated as follows:
v p = k s e λ sinh 1 ( λ l )
where λ is the scaling factor to maintain the condition of −1 < λl < 1 for the core of the LVDT varied in the maximum stroke range. The scaling factor λ can be determined from the maximum error of the LVDT in its linear measuring range and the magnitude of the sinh−1 function in Equation (10) at the maximum error εmax of the LVDT signal in Equation (4). Therefore, the scaling factor λ can be given approximately as follows:
λ = 3 ! ( ε m a x ) l l i n
From Equation (4), the transfer characteristic of the LVDT is nonlinear with respect to the moving core l. The linear range of the LVDT transfer characteristic is achieved for the core position closed to l0, which corresponds to the condition of knl2 << 1. If the core position l is varied in the linear range of ±llin in Equation (5). Then, the signal vp of Equation (10) can be given as follows:
v p = k s e l
It should be noted that Equation (12) is satisfied only for the core position l varied in the range of the dashed line A and B in Figure 1c. Unfortunately, the linear range of the LVDT is very narrow compared to its physical dimensions. The linear measurement of the LVDT for a wide measuring range causes a large structure, which limits the application of the LVDT for the small- or compact- measurement systems. To extend the linear measuring range, the sinh−1 function of the LVDT behavior is linearized using the sinh function circuit as shown in the block diagram of Figure 1d.

3. Synthesis of Sinh Function

The synthesis of the sinh function utilizes the inherent behavior of the bipolar transistor-based class AB configuration. The class AB configuration can be provided from a commercially available CFOA, as shown in Figure 2a [29]. The basic principle of the bipolar class AB configuration is shown in the dash-line frame of Figure 2a. The currents IB1 = IB2 = IB are the bias current for the transistors Q1 to Q4. From Figure 2a, the currents I1 and I2 can be expressed as in [30], as follows:
I 1 = i x 2 + I B ( i x 2 I B ) 2 + 1
I 2 = i x 2 + I B ( i x 2 I B ) 2 + 1
From Equations (13) and (14), the relationship between the voltage signal vx and the current ix can be given as follows:
v x = V T ln [ i x 2 I B + ( i x 2 I B ) 2 + 1 ]
where VT = kT/q is a thermal voltage, k = 1.38 × 10−23 J/K is a Boltzmann’s constant, q = 1.602 × 10−19 C is an electron charge, and T = (273+ °C) in Kelvin is an absolute temperature [31]. From the expression of the sinh−1 function, Equation (15) can be written in the form of the sinh−1 function as [24], as follows:
v x = V T sinh 1 ( i x 2 I B )
It should be noted that the voltage signal vx is dependent on temperature due to the thermal voltage VT. This temperature effect can be compensated by the simple circuit technique discussed in the next explanation. From Equation (15), the relationship of the voltage vx and the current signal ix can be rewritten as follows:
i x = 2 I B sinh ( v x V T )
From Figure 2a, the current ix can be obtained by the subtraction of the currents I1 and I2 of Equations (13) and (14), respectively. The current mirrors CM1 and CM2 formed by the transistors Q5Q7 and Q8Q10, respectively, transfer the currents I1 and I2 to the output port z and the current iz can be stated as follows:
i z = I 2 I 1 = i x
The output current iz can be simply converted to the voltage signal vz by the resistance Ro. From Equation (16), the sinh−1 function can be approximated to a linear function for the condition of ix << 2IB. Thus, Equation (16) can be given as follows:
v x = V T 2 I B i x = r x i x
where rx denotes a small-signal resistance at port x of the CFOA. The schematic diagram of the CFOA in Figure 2a can be represented by the equivalent diagram as shown in Figure 2b. The circuit diagram for synthesizing the sinh function is shown in Figure 2c. An operational transconductance amplifier (OTA), A3, acting as an active resistor, is provided to compensate for the thermal voltage VT. The output current iT of the OTA A3 can be given as follows:
i T = I C 2 V T v c
where IC denotes the bias current of the OTA A3. From the circuit in Figure 2c, the input current ii is equal to the current iT with the opposite direction, or ii = −iT. Therefore, the voltage signal vc across the input of the OTA A3 is equal to (2VT/IC)ii, which is provided for the input signal of the sinh function formed by the CFOA A1. From Equations (17) and (20), the relationship between the output voltage signal vo and the input current signal ii can be stated as follows:
v o = 2 I B R o sinh ( 2 I C i i ) = k o sinh ( 2 I C i i )
It should be noted that the temperature effect due to the thermal voltage VT is compensated for. The input signal of the circuit in Figure 2c is in the form of a current signal. Thus, the voltage to current converter is required to convert the position signal vp into the current form. Figure 2d shows the simulation result of the circuit in Figure 2c, where IB = 211.88 μA, IC = 500 μA, and Ro = 3.46 kΩ.

4. Proposed Circuit for LVDT Linear Range Extension

The proposed circuit for the extension of the LVDT linear measuring range is shown in Figure 3a. The operation of the circuit can be explained as follows. The demodulated signal vp is transferred to the voltage signal vx2 at port x of the CFOA A2, which can be stated as follows:
v x 2 = R x 2 R x 2 + r x 2 v p = g m c 2 R x 2 g m c 2 R x 2 + 1 v p
where gmc2 = 2IB/VT denotes the transconductance at port x of the CFOA A2 and rx2 = 1/gmc2 = VT/2IB. The bias current IB is about 211.88 μA for the CFOAs used in this paper. The thermal voltage VT at 25 °C is about 25.69 mV and the resistance rx2 is about 60.62 Ω is calculated from Equation (19). If the resistance gmc2Rx2 >> 1 is assigned, then the voltage signal vx2 can be approximately equal to the position signal vp. From Figure 3a, the current ix2 flowing through the resistance Rx2 is equal to vp/Rx2 and transferred to the current iz2 at port z of the CFOA A2, iz2 = ix2. The current iz2 is provided for the input current of the OTA A3 to generate the voltage signal vz2. Thus, the voltage signal vz2 can be expressed as follows:
v z 2 = v p g m c 3 R x 2 = 2 V T I C R x 2 v p
The voltage signal vz2 is applied to port y of the CFOA A1. From Equations (10), (21), and (23), the voltage signal vo can be given as follows:
v o = k o λ sinh [ 2 k s e sinh 1 ( λ l ) λ I C R x 2 ]
To linearize the LVDT behavior in Equation (10), the position of the LVDT core at l = llin is used as the reference position. The magnitude of the sinh function in Equation (24) is assigned to equal the demodulated signal vp in Equation (12) with the core position l = llin, as follows:
k o λ sinh [ 2 k s e sinh 1 ( λ l l i n ) λ I C R x 2 ] = k s e l l i n
From Equation (25), the terms of 2kse/(λICRx2) = 1 should be fulfilled, and ko = kse is set for the sensitivity of the proposed circuit as the same as the LVDT. Therefore, the voltage signal vo in Equation (24) is equal to ksel for the core position l varied in the maximum range ±lmax. The relationship of the resistance Rx2 and the bias current IC of the OTA A3 can be stated as follows:
R x 2 = 2 k s e λ I C = 2 k s e l l i n I C 3 ! ( ε m a x )
The coefficient ko in Equation (24) can be set to meet the required sensitivity by tuning the resistance Ro. The resistance Ro can be determined from the required sensitivity kreq as follows:
R o = k r e q 2 λ I B
If the sensitivity kreq of the proposed circuit is assigned as 0.1 V/mm/V, then the resistance Ro = 3.46 kΩ is calculated from Equation (27) for IB = 211.88 μA.
The LVDT used for this paper provides sensitivity kse of 94.5 mV/mm/V a the nonlinear coefficient knl of 7.75 × 10−4. The input signal vp of Figure 3a is linearly varied in the range ±0.5684 V, which corresponds to the LVDT core linearly varied in the range ±6.2 mm. This input signal is used for the simulation to investigate the transfer characteristic of the proposed circuit via PSPICE analog simulation program. The simulation result for the transfer characteristic of the proposed circuit in Figure 3a is shown in Figure 3b, where λ = 0.068, Rx2 = 5.542 kΩ, Ro = 3.46 kΩ, IB = 211.88μA, and IC = 500 μA. The output signal error εo is obtained by subtracting the expected value, the linear line in Figure 3b, from the output signal vo. Figure 3c shows the absolute error εo from the expected value of the output signal vo. The maximum error εo is about 0.12 mV, corresponding to 0.12μm at the input signal vp = ±0.5684 V, corresponding to the core position l = ±lmax = ±6.2 mm. It is confirmed that the proposed circuit can accurately extend the linear range of the LVDT, in agreement with the theoretical expectation.

5. Performance Analysis

The performance of the proposed circuit can be disturbed by the nonideal characteristic of the devices used in the scheme. There are three major factors that cause the deviation of the ideal performance. Firstly, the finite resistance rx2 of the CFOA A2 in Figure 3a causes the transfer error εx in the current signal iz2. From Equation (22), the current signal iz2 = ix2 = vx2/Rx2 is obtained for the condition of Rx2 >> rx2. However, the relationship between the current signal iz2 and the voltage signal vp can be written as follows:
i z 2 = v p ( R x 2 + r x 2 ) = v p R x 2 ( 1 ε x )
and
ε x = r x 2 ( R x 2 + r x 2 )
If the resistances Rx2 and rx2 are set as 5.542 kΩ and 60.62 Ω, respectively, then a transfer error εx of about 1.08% is predicted. Secondly, the variation of the ambient temperature causes the derivation in the current iz2 due to the thermal voltage VT. The percentage error εz of the current iz2 can be stated as follows:
ε z = Δ i z 2 i z 2 = 2 V T ( 4 V T + I B R x 2 ) Δ T T × 100 %
If the ambient temperature deviates 10 °C from room temperature at 25 °C, then the percentage error εz can be predicted as 0.019% for ΔT = 10 °C, T = 308 K. It can be seen that the variation of the ambient temperature is insignificant regarding disturbing the proposed circuit performance. Thirdly, the approximation of the LVDT transfer characteristic to the sinh−1 function exhibits the residual error εr, which can be expressed in the expansion series as in [24], as follows:
ε r = { ( λ 2 3 ! k n ) l l i n 2 + n = 2 [ ( 2 n ) ! 2 n ( 2 n + 1 ) ( n ! ) 2 ] ( λ l l i n ) 2 n } × 100 %
From Equation (31), the second term in the curly bracket is very small due to the value of (λllin)2n << 1 and can be ignored. Then, Equation (30) can be approximately given as follows:
ε r = ( λ 2 3 ! k n ) l l i n 2 × 100 %
From Equation (32), the residual error εr is about 0.027% for the LVDT used in this paper, which is very small and can be ignored.
It should be noted that the major parameter affecting the accuracy of the proposed circuit is the transfer error εx caused by the intrinsic resistance rx2 of the CFOA A2. This error can be minimized by replacing the resistance Rx2 with the recalculated resistance Rx2new = (Rx2rx2) or Rx2new = 5.481 kΩ, where Rx2 = 5.542 kΩ and rx2 = 60.62 Ω. The variable resistor is provided for the recalculated resistance Rx2new and fine-tuned to meet the resistance of 5.481 kΩ.

6. Experimental and Simulation Results

The proposed circuit in Figure 3a was rearranged as shown in Figure 4a, where the resistors Rx2 and Ro are replaced with the variable resistors for convenient adjustment of the circuit parameters. The resistor RB is provided for the bias current IC of the OTA. The circuit in Figure 4a was constructed using commercial devices to investigate the performance of the proposed circuit. The active devices were AD844 for the CFOAs A1 and A2, and CA3280 for the OTA A3. The prototype board of the circuit in Figure 4a is shown in Figure 4b. The small-signal resistance rx of the CFOA was measured and calculated from Equation (19) using the equivalent circuit of AD844 as 60.62 Ω [29]. Therefore, the CFOA bias current IB was calculated from Equation (19) as 211.88 μA for the thermal voltage VT = 25.68 mV at 25 °C. The power supply voltage VCC = −VSS and the bias current IC of the OTA A3 were set as 12 V and 500 μA, respectively. The bias current IC can be achieved by the resistance RB, which is calculated from the equivalent circuit of the OTA CA3280 in [32] as follows:
R B = | V S S | 1.2 V I C
The resistance RB = 21.6 kΩ for the bias current IC of 500 μA is calculated from Equation (33). The power consumption of the prototype board can be calculated from the supply current and voltage of the active devices. The supply current of the CFOA and the OTA can be calculated from their equivalent circuits as 0.85 mA and 1.25 mA, respectively [29,32]. The power consumption of the CFOA and OTA of about 20.3 mW and 30 mW, respectively, for the power supply voltage VCC = −VSS = 12 V. Therefore, the power consumption of the prototype circuit is about 70.6 mW. The LVDT used in this experiment was the commercially available LVDT with the linear range llin of ±2.54 mm, the full-scale error εli of 0.5%, and the sensitivity kse = 94.5 mV/mm/V. The coefficient knl = 7.75 × 10−4 was calculated from Equation (5). The scaling factor λ = 0.068 was calculated from Equation (11). The load resistance RL of the LVDT was assigned as 100 kΩ. From Figure 1a, the physical dimensions of the LVDT being used were measured as La = 44.1 mm and Lc = 31.7 mm. Therefore, the maximum stroke range lmax of this LVDT is determined from Equation (7) as ±6.2 mm. The excitation signal vex was a 2.5 kHz sinusoidal signal with 2 V peak-to-peak amplitude. The LVDT signal vs was demodulated as the signal vp using the peak-amplitude finder proposed in the literature [14]. The resistance Rx2 is calculated from Equation (25) as 5.542 kΩ. The resistance Rx2 is recalculated to reduce the effect of the resistance rx2, therefore, the resistance Rx2new = (Rx2rx2) = 5.481 kΩ is achieved to replace the resistance Rx2 in the proposed circuit. The sensitivity kreq of the proposed circuit for this experiment is assigned as 0.1 V/mm/V. Therefore, the resistance Ro is calculated as 3.46 kΩ using Equation (27). The variable resistors were provided for the resistances Rx2 = Rx2new, Ro, and RB to obtain 5.481 kΩ, 3.46 kΩ, and 21.6 kΩ respectively. The experimental setup and the LVDT used in this experiment are shown in Figure 4c,d, respectively.
The full-scale error εfs for this experiment is defined from the maximum of the absolute error and the full stroke range as follows:
ε f s = max ( | e x p e c t e d v a l u e - m e a s u r e d v a l u e | ) m a x i m u m s t r o k e r a n g e × 100 %
The input signal vp of the proposed circuit in Figure 4a is linearly varied from −568.45 mV to 568.45 mV corresponding to the maximum stroke range of −6.2 mm to 6.2 mm with kse = 94.5 mV/mm/V for the LVDT being used. This input signal vp is applied to the prototype board to investigate the sinh function synthesized by the proposed circuit. Figure 5 shows the measured result of the transfer characteristic of the proposed circuit. It is evident that the proposed circuit can accurately synthesize the sinh function as expected.
There are two types of the input signal to demonstrate the performance of the proposed circuit, the LVDT synthesized signal and the LVDT demodulated signal. For the LVDT synthesized signal, the LVDT transfer characteristic in Equation (4) is synthesized using the LabVIEW computer program for measurement and control interfaced with analog input/output (NAIO) board from National Instruments (NI-USB-6361). The parameters kse and knl are set to the same as the practical LVDT used in this paper. Figure 6a shows the output signal synthesized by the LabVIEW and the NAIO board. Figure 6b shows the absolute error εl of the synthesized signal compared to the practical LVDT signal for the moving core varied from −lmax to lmax or −6.2 mm to 6.2 mm. From Figure 6b, the error at the core positions of ±2.54 mm and ±6.2 mm of the synthesized signal are about 12.6 μm and 184.8 μm or 1.26 mV and 18.48 mV, which correspond to 0.5% and 2.97%, respectively. For the practical LVDT signal, the LVDT was excited by the excitation signal vex. Figure 6c,d shows the measured characteristic of the LVDT being used and the absolute error εL from the expected value of kse × l, respectively. The errors of the LVDT signal at the linear range of l = ±2.54 mm and the maximum range of l = ±6.2 mm are about 0.5% and 2.98%, respectively. It can be seen that the synthesized signal in Figure 6a is closed to the LVDT transfer characteristic measured in Figure 6c. The synthesized signal in Figure 6a is provided to represent the LVDT demodulated signal vp of the proposed circuit board. The core of the LVDT can be moved over the linear range of l = ±llin to the maximum position of llmax. However, the error of the LVDT demodulated signal vp is, practically, increased from 0.5% to 2.98%. This error is too high for precision measurement systems. The wide stroke range of the LVDT requires a large size for the LVDT structure, which is unsuitable for the small or compact configuration of the measurement systems. The linear range extension of the LVDT used in this paper is expected to the maximum stroke range lmax as ±6.2 mm, which corresponds to the output voltage vo of ±0.62 V for the sensitivity kreq = 0.1 V/mm/V. The synthesized signal from the NAIO board is applied as the input signal vp for the prototype board to demonstrate the circuit performance. The LVDT synthesized signal varied from −568.45 mV to 568.45 mV and is represented as the LVDT core continuously moving from −6.2 mm to 6.2 mm.
Figure 7a shows the measured results of the output signal vo of the prototype board for the demodulated signal vp varied from −568.45 mV to 568.45 mV and corresponding to the LVDT core varied from −6.2 mm to 6.2 mm. The absolute error εnab for the LVDT core varied in the range ±6.2 mm is exhibited in Figure 7b. In Figure 7b, the maximum error of about 1.6 mV at 568.45 mV or lmax = 6.2 mm corresponds to the position error of 16 μm. Therefore, the full-scale error εfs is obtained as 0.258% at the maximum stroke range. The LVDT is excited by the excitation signal vex and the LVDT demodulated signal vdm from the peak-amplitude finder on the left of the prototype board is applied to the input signal vp on the right of the prototype board in Figure 4b. The input signal vp from the LVDT demodulated signal vdm corresponds to the LVDT core varied from −6.2 mm to 6.2 mm with 50 μm increments. Figure 7c,d shows the measured results for the LVDT core varied in the maximum range ±lmax and the absolute error εpab, respectively. It can be seen that the maximum absolute error at the core position of 6.2 mm is about 1.83 mV or 18.3 μm corresponding to the full-scale error εfs of 0.295%. This error can be further minimized by fine-tuning the resistance Rx2 to compensate for the intrinsic resistance of the CFOA A2 in the implementation procedure. Finally, the proposed technique can extend the linear measuring range of the LVDT from its narrow specific range to the maximum range of its physical dimensions.
The previous works proposed in the literature [22,23,26,27,28] are referenced for comparison with the implemented proposed technique in terms of percentage error, type of signal processing, complexity of implementation, production cost, and power consumption. It should be noted that the percentage errors of the previous works [26,27] are achieved only from simulation results and their power consumption is dependent on the computer system and interface board being used. Table 2 shows the comparisons between the proposed technique and those of the previous works. From Table 2, the percentage error of the proposed technique exhibits higher than that of the previous works [22,23]. This is a minor consideration compared to the remaining condition. This error can be further minimized, as mentioned in this section. The proposed circuit demonstrates its advantages in convenient implementation, low cost, low power consumption, and small error. It is evident that the proposed technique provides good performance at an attractive cost.

7. Conclusions

A linear range extension for a commercial LVDT using a sinh function was introduced. The sinh function was synthesized using an inherent behavior of a bipolar class AB configuration. The input stage comprises the class AB configuration of a CFOA and was utilized for the synthesis of the sinh function. All active devices used in the proposed circuit are commercially available. The advantages of the proposed circuit are its low cost and simple configuration. The performance of the proposed circuit was analyzed and discussed in detail. The linear measuring range of the LVDT used in this paper can be extended from ±2.54 mm to the maximum stroke range of ±6.2 mm. The maximum full-scale error occurred at the full stroke range of about 0.295% is achieved. It should be noted that the proposed scheme offers excellent performance in terms of high accuracy. The experimental results demonstrated that the performance of the proposed circuit agrees with the theoretical expectations.

Author Contributions

Conceptualization, V.R.; methodology, W.P. and A.R.; software, W.P.; validation, J.T. and A.R.; formal analysis, J.T.; investigation, A.R.; resources, A.R.; data curation, J.T., A.R. and W.P.; writing—original draft preparation, V.R.; writing—review and editing, W.P.; supervision, V.R. All authors have read and agreed to the published version of the manuscript.

Funding

This work was supported by King Mongkut’s Institute of Technology Ladkrabang (KMITL), Thailand, under Grant number 2564-02-01-022.

Institutional Review Board Statement

Not applicable.

Informed Consent Statement

Not applicable.

Data Availability Statement

Not applicable.

Conflicts of Interest

The authors declare no conflict of interest.

Nomenclature

εrResidual errorvpPosition signal or demodulated signal
εxTransfer errorωexExcitation frequency (rad/sec)
εzError due to ambient temperaturevS1, vS2LVDT secondary signal
εfsFull-scale errorvsLVDT signal
εliLinearity error of LVDTZPImpedance of primary winding
εlAbsolute error of synthesized LVDT signalλScaling factor
εLAbsolute error of practical LVDT signalloCenter position of moving core
εoAbsolute error of output signal vo from simulation resultl1, l2Distance of moving core penetrated secondary windings
εnabAbsolute error of output signal vo for synthesized LVDT signalldStroke range of LVDT due to physical dimension
εpabAbsolute error of output signal vo for practical LVDT signallpStroke range for peak-to-peak amplitude of LVDT transfer characteristic
εmaxMaximum error of LVDTlMoving core position deviated from lo
PlLength of the primary windinglmaxMaximum stroke range of LVDT
SlLength of the secondary windingkseSensitivity coefficient of LVDT
NpNumber of turns for primary windingknlNonlinear coefficient of LVDT
NsNumber of turns for secondary windingkreqRequired sensitivity
dGap between primary and secondary windingkoSensitivity coefficient of sinh function circuit
LcLength of LVDT moving corekBoltzmann’s constant
LaPhysical length of LVDTqElectron charge
rcRadius of LVDT moving core TAbsolute temperature, in degrees Kelvin
vexExcitation signalrxIntrinsic resistance at port X of CFOA
VPPeak amplitude of excitation signalgmcTransconductance at port X of CFOA
VTThermal voltagegmTransconductance of OTA

References

  1. Pallás-Areny, R.; Webster, J.G. Sensors and Signal Conditioning, 2nd ed.; John Wiley & Sons: New York, NY, USA, 2001; ISBN 0-471-33232-1. [Google Scholar]
  2. Neubert, H.K.P. Instrument Transducers: An Introduction to Their Performance and Design; Clarendon: Oxford, UK, 1999; ISBN 0-19-856320-5. [Google Scholar]
  3. Wilson, J.S. Sensor Technology Handbook; Elsevier: Oxford, UK, 2005; ISBN 0-7506-7729-5. [Google Scholar]
  4. Chen, G.; Zhang, B.; Liu, P.; Ding, H. An Adaptive Analog Circuit for LVDT’s Nanometer Measurement Without Losing Sensitivity and Range. IEEE Sens. J. 2015, 15, 2248–2254. [Google Scholar] [CrossRef]
  5. Zhang, Z.; Rau, S.; Lee, W.; Gammon, T.; Johnson, B.C. Arc Flash Pressure Measurement System Design. IEEE Trans. Ind. Appl. 2016, 52, 5241–5247. [Google Scholar] [CrossRef]
  6. Kim, R.-W.; Kim, C.-M.; Hwang, K.-H.; Kim, S.-R. Embedded Based Real-Time Monitoring in the High-Pressure Resin Transfer Molding Process for CFRP. Appl. Sci. 2019, 9, 1795. [Google Scholar] [CrossRef] [Green Version]
  7. Szewczyk, P.; Kudyba, P. Effectiveness of Selected Strain and Displacement Measurement Techniques in Civil Engineering. Buildings 2022, 12, 172. [Google Scholar] [CrossRef]
  8. Gu, T.; Qian, X.; Lou, P. Research on Temperature Compensation Method in Crankshaft Online Measurement System. Appl. Sci. 2021, 11, 7558. [Google Scholar] [CrossRef]
  9. Jang, S.; Nam, J.; Lee, S.; Oh, J. A simple, reusable and low-cost LVDT-based in situ bolt preload monitoring system during fastening for a truck wheel assembly. Metals 2019, 9, 336. [Google Scholar] [CrossRef] [Green Version]
  10. Di Rito, G.; Luciano, B.; Borgarelli, N.; Nardeschi, M. Model-Based Condition-Monitoring and Jamming-Tolerant Control of an Electro-Mechanical Flight Actuator with Differential Ball Screws. Actuators 2021, 10, 230. [Google Scholar] [CrossRef]
  11. Blasi, L.; Borrelli, M.; D’Amato, E.; di Grazia, L.E.; Mattei, M.; Notaro, I. Modeling and Control of a Modular Iron Bird. Aerospace 2021, 8, 39. [Google Scholar] [CrossRef]
  12. Mazzoleni, M.; Previdi, F.; Scandella, M.; Pispola, G. Experimental Development of a Health Monitoring Method for Electro-Mechanical Actuators of Flight Control Primary Surfaces in More Electric Aircrafts. IEEE Access 2019, 7, 153618–153634. [Google Scholar] [CrossRef]
  13. Webster, J.G. Medical Instrumentation Application and Design; Wiley: Hoboken, NJ, USA, 2010; ISBN 978-0-471-67600-3. [Google Scholar]
  14. Paziani, F.T.; Di Giacomo, B.; Tsunaki, R.H. Development of an automated and dedicated measuring system for straightness evaluation. J. Braz. Soc. Mech. Sci. Eng. 2007, 29, 290–298. [Google Scholar] [CrossRef] [Green Version]
  15. Casanella, R.; Casas, O.; Pallàs-Areny, R. Differential synchronous demodulator for modulating sensors and impedance measurements. Meas. Sci. Technol. 2005, 16, 1637–1643. [Google Scholar] [CrossRef]
  16. Koukourlis, C.S.; Trigonidis, V.K.; Sahalos, J.N. Differential Synchronous Demodulation for Small-signal Amplitude Estimation. IEEE Trans. Instrum. Meas. 1993, 42, 926–931. [Google Scholar] [CrossRef]
  17. González-Landaeta, R.; Cota-Ruiz, J.; Sifuentes, E.; Díaz, J.; Casas, O. A Fully Differential Synchronous Demodulator for AC Signals. IEEE Trans. Instrum. Meas. 2020, 69, 35–44. [Google Scholar] [CrossRef]
  18. Petchmaneelumka, W.; Songsuwankit, K.; Riewruja, V. Accurate LVDT Signal Converter. Int. Rev. Electr. Eng. (IREE) 2016, 11, 340–347. [Google Scholar] [CrossRef]
  19. Petchmaneelumka, W.; Mano, P.; Riewruja, V. Linear Variable Differential Transformer Temperature Compensation Technique. Sens. Mater. 2018, 30, 2171–2181. [Google Scholar] [CrossRef]
  20. Tongcharoen, J.; Petchmaneelumka, W.; Riewruja, V. Low-Cost Resolver-to-DC Converter. In Proceedings of the 15th International Conference on Control, Automation and Systems, Busan, Korea, 13–16 October 2015; pp. 1699–1702. [Google Scholar] [CrossRef]
  21. Mandal, H.; Bera, S.K.; Saha, S.; Sadhu, P.K.; Bera, S.C. Study of a Modified LVDT Type Displacement Transducer with Unlimited Range. IEEE Sens. J. 2018, 18, 9501–9514. [Google Scholar] [CrossRef]
  22. Petchmaneelumka, W.; Koodtalang, W.; Riewruja, V. Simple Technique for Linear-Range Extension of Linear Variable Differential Transformer. IEEE Sens. J. 2019, 19, 5045–5052. [Google Scholar] [CrossRef]
  23. Petchmaneelumka, W.; Songsuwankit, K.; Tongcharoen, J.; Riewruja, V. Linear-range Extension for Linear Variable Differential Transformer Using Binomial Series. Sens. Mater. 2020, 32, 475–485. [Google Scholar] [CrossRef] [Green Version]
  24. Polyanin, A.D.; Manzhirov, A.V. Handbook of Mathematics for Engineers and Scientists; Taylor & Francis Group: Boca Raton, FL, USA, 2007; ISBN 978-1584885023. [Google Scholar]
  25. Veeraian, P.; Gandhi, U.; Mangalanathan, U. Fractional Order Linear Variable Differential Transformer: Design and analysis. AEU-Int. J. Electron. Commun. 2017, 79, 141–150. [Google Scholar] [CrossRef]
  26. Mishra, S.K.; Panda, G.; Das, D.P. A Novel Method of Extending the Linearity Range of Linear Variable Differential Transformer Using Artificial Neural Network. IEEE Trans. Instrum. Meas. 2010, 59, 947–953. [Google Scholar] [CrossRef]
  27. Das, S.; Das, D.P.; Behera, S.K. Enhancing the linearity of LVDT by two-stage functional link artificial neural network with high accuracy and precision. In Proceedings of the 2013 IEEE 8th Conference on Industrial Electronics and Applications (ICIEA), Melbourne, Australia, 19–21 June 2013; pp. 1358–1363. [Google Scholar] [CrossRef]
  28. Prommee, P.; Angkeaw, K.; Karawanich, K. Low-Cost Linearity Range Enhancement for Linear Variable Differential Transformer. IEEE Sens. J. 2022, 22, 3316–3325. [Google Scholar] [CrossRef]
  29. Available online: https://www.analog.com/media/en/technical-documentation/data-sheets/AD844.pdf (accessed on 1 February 2022).
  30. Petchmaneelumka, W.; Riewruja, V.; Songsuwankit, K.; Rerkratn, A. A Temperature-Compensation Technique for Improving Resolver Accuracy. Sensors 2021, 21, 6069. [Google Scholar] [CrossRef] [PubMed]
  31. Boylestad, R.L.; Nashelsky, L. Electronic Devices and Circuit Theory, 11th ed.; Pearson Education Ltd.: London, UK, 2014; ISBN 13: 978-1-292-02563-6. [Google Scholar]
  32. Available online: https://datasheetspdf.com/pdf/538693/IntersilCorporation/CA3280A/1 (accessed on 1 February 2022).
Figure 1. Principle of LVDT: (a) structure; (b) simplified diagram; (c) transfer characteristic; (d) block diagram for range extension.
Figure 1. Principle of LVDT: (a) structure; (b) simplified diagram; (c) transfer characteristic; (d) block diagram for range extension.
Sensors 22 03674 g001
Figure 2. Synthesis of sinh function: (a) CFOA configuration; (b) equivalent diagram of CFOA; (c) sinh function circuit; (d) transfer characteristic of Figure 2c.
Figure 2. Synthesis of sinh function: (a) CFOA configuration; (b) equivalent diagram of CFOA; (c) sinh function circuit; (d) transfer characteristic of Figure 2c.
Sensors 22 03674 g002
Figure 3. Proposed circuit: (a) circuit diagram; (b) simulation result; (c) absolute error εo.
Figure 3. Proposed circuit: (a) circuit diagram; (b) simulation result; (c) absolute error εo.
Sensors 22 03674 g003
Figure 4. (a) Circuit for implementation; (b) prototype board; (c) experimental setup; (d) LVDT used in this paper.
Figure 4. (a) Circuit for implementation; (b) prototype board; (c) experimental setup; (d) LVDT used in this paper.
Sensors 22 03674 g004
Figure 5. Measure transfer characteristic of prototype board.
Figure 5. Measure transfer characteristic of prototype board.
Sensors 22 03674 g005
Figure 6. (a) LVDT synthesized signal; (b) absolute error εl; (c) measured results from LVDT; (d) absolute error εL.
Figure 6. (a) LVDT synthesized signal; (b) absolute error εl; (c) measured results from LVDT; (d) absolute error εL.
Sensors 22 03674 g006
Figure 7. (a) LVDT synthesized signal; (b) absolute error εnab; (c) measured result from LVDT; (d) absolute error εpab.
Figure 7. (a) LVDT synthesized signal; (b) absolute error εnab; (c) measured result from LVDT; (d) absolute error εpab.
Sensors 22 03674 g007
Table 1. Overview of literature review for linear range extension.
Table 1. Overview of literature review for linear range extension.
Range Extension TechniqueRequiring EquipmentSystem Dimension
[22]Inverse transfer characteristic- 2 precision analog multipliersSmall
- 2 opamps
[23]Binomial series approximation- 2 precision analog multipliersSmall
- 1 opamp
[26]Artificial neural network- High-speed computer based systemBulky
- Analog interface board
[27]Artificial neural network- High-speed computer based systemBulky
[28]Hyperbolic arctangent function- 4 opampsSmall
- 2 well-matched diodes
Table 2. Comparison between proposed technique and previous works.
Table 2. Comparison between proposed technique and previous works.
[22][23][26][27][28]Proposed Technique
Error 0.068%
(experiment)
0.23%
(experiment)
0.511%
(simulation)
0.294%
(simulation)
2.5%
(experiment)
0.295%
(experiment)
Signal
processing
AnalogAnalogDigitalDigitalAnalogAnalog
CostMedium to
high
Medium to
high
highhighlowlow
ComplexityMedium to
high
Medium to
high
highhighMedium to
high
simple
Power
consumption
691.2 mW537.6 mWN/A *N/A *172.8 mW70.6 mW
* dependent on power consumption of computer system and interface board used in [26,27].
Publisher’s Note: MDPI stays neutral with regard to jurisdictional claims in published maps and institutional affiliations.

Share and Cite

MDPI and ACS Style

Rerkratn, A.; Tongcharoen, J.; Petchmaneelumka, W.; Riewruja, V. Linear-Range Extension for Linear Variable Differential Transformer Using Hyperbolic Sine Function. Sensors 2022, 22, 3674. https://doi.org/10.3390/s22103674

AMA Style

Rerkratn A, Tongcharoen J, Petchmaneelumka W, Riewruja V. Linear-Range Extension for Linear Variable Differential Transformer Using Hyperbolic Sine Function. Sensors. 2022; 22(10):3674. https://doi.org/10.3390/s22103674

Chicago/Turabian Style

Rerkratn, Apinai, Jakkapun Tongcharoen, Wandee Petchmaneelumka, and Vanchai Riewruja. 2022. "Linear-Range Extension for Linear Variable Differential Transformer Using Hyperbolic Sine Function" Sensors 22, no. 10: 3674. https://doi.org/10.3390/s22103674

APA Style

Rerkratn, A., Tongcharoen, J., Petchmaneelumka, W., & Riewruja, V. (2022). Linear-Range Extension for Linear Variable Differential Transformer Using Hyperbolic Sine Function. Sensors, 22(10), 3674. https://doi.org/10.3390/s22103674

Note that from the first issue of 2016, this journal uses article numbers instead of page numbers. See further details here.

Article Metrics

Back to TopTop