Improved Multichannel Electromyograph Using Off-the-Shelf Components for Education and Research
Abstract
:1. Introduction
2. Description of Board Modifications and Associated Programming
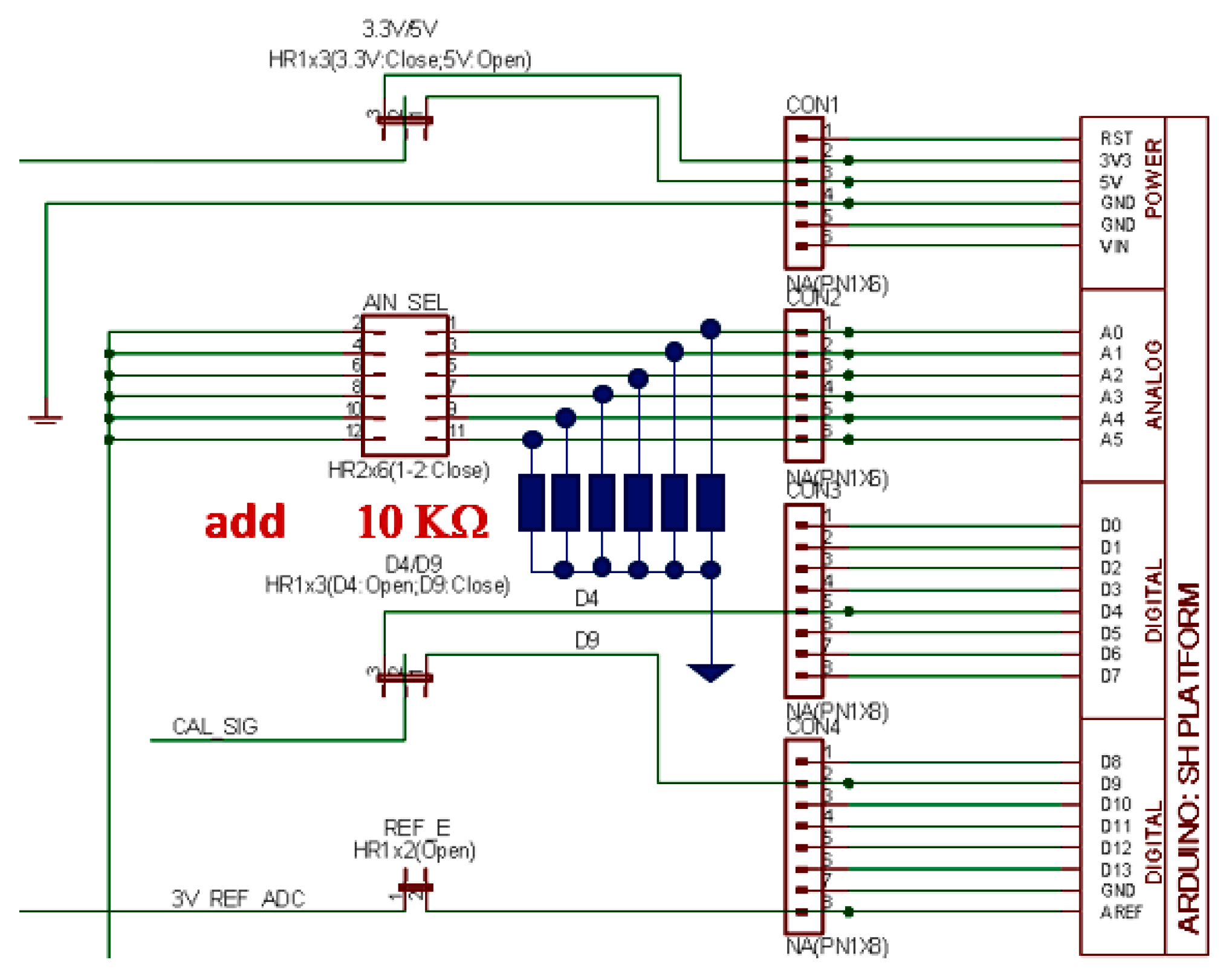
2.1. How to Modify the Olimex ECG/EMG Shield
2.2. How to Develop a Fast Sampling Rate Arduino DUE Software
2.3. How to Develop the Software for the Automatic Detection of Installed ECG/EMG Shields
3. Results
Final Hardware Appearance
4. Conclusions
Author Contributions
Funding
Acknowledgments
Conflicts of Interest
References
- Merletti, R.; Farina, D. Surface Electromyography: Physiology, Engineering, and Applications; IEEE Press Wiley: Hoboken, NJ, USA, 2016. [Google Scholar] [CrossRef]
- Merletti, R.; Muceli, S. Tutorial. Surface EMG detection in space and time: Best practices. J. Electromyogr. Kinesiol. 2019, 49, 102363. [Google Scholar] [CrossRef] [PubMed]
- Olimex ECG/EMG Manual. Available online: https://www.olimex.com/Products/Duino/Shields/SHIELD-EKG-EMG/resources/SHIELD-EKG-EMG.pdf (accessed on 22 October 2021).
- International Society of Electrophysiology and Kinesiology. Standards for Reporting EMG Data. Available online: https://isek.org/wp-content/uploads/2015/05/Standards-for-Reporting-EMG-Data.pdf (accessed on 22 April 2022).
- Gerdle, B.; Karlsson, S.; Day, S.; Djupsjöbacka, M. Acquisition, Processing and Analysis of the Surface Electromyogram. In Modern Techniques in Neuroscience Research; Windhorst, U., Johansson, H., Eds.; Springer: Berlin/Heidelberg, Germany, 1999. [Google Scholar] [CrossRef]
- Shah, K.; Tawsif Efaz, E.; Alam, M.F.; Rana, M.M.; Nazmus Sakib, S.; Islam, S.M.M. Development of A Low-Cost Real-Time Bioelectrical Signal Acquisition Module. In Proceedings of the 2nd International Conference on Sustainable Technologies for Industry 4.0 (STI), Dhaka, Bangaldesh, 19–20 December 2020. [Google Scholar]
- Ullah Khan, R.; Waseem Tahir, M.; Islam Tiwana, M. Rehabilitation Process of Upper Limbs Muscles through EMG Based Video Game. In Proceedings of the 2019 International Conference on Robotics and Automation in Industry (ICRAI), Rawalpindi, Pakistan, 21–22 October 2019. [Google Scholar]
- Rojas, A.; Farfan, A.; Ayavaca, M.; Cardenas, V.; Mora, E.; Wong, S.; Minchala, L.I. Single-channel electromyography based on Arduino for analysis of the swing phase in normal gait. In Proceedings of the IEEE XXV International Conference on Electronics, Electrical Engineering and Computing (INTERCON), Lima, Peru, 8–10 August 2018. [Google Scholar]
- Rahman, K.K.M.; Subashini, M.; Nasor, M.; Tawfik, A. Development of Bio-Shields for Arduino Uno. In Proceedings of the 2018 Advances in Science and Engineering Technology International Conferences (ASET), Dubai, Sharjah, Abu Dhabi, United Arab Emirates, 6 February–5 April 2018. [Google Scholar]
- Kumar, S.L.; Swathy, M.; Vidya, M.; Poojaa, K.; Manikandan, G.; Jennifer, A.A. Wireless Bio signal Acquisition Electrode module for EMG. In Proceedings of the 2nd International Conference on Inventive Communication and Computational Technologies (ICICCT 2018), Coimbatore, India, 20–21 April 2018. [Google Scholar]
- Duc Minh, D.; Pham Dang, P.; Tran Xuan, T.; Tram Thuy, L. Research on Reading Muscle Signals from The EMG Sensor During Knee Flexion—Extension using The Arduino Uno Controller. In Proceedings of the 2017 International Conference on Advanced Technologies for Communications, Quy Nhon, Vietnam, 18–20 October 2017. [Google Scholar]
- Tariquzzaman, M.D.; Khanam, F.; Ali Sohag, M.F.; Ahmad, M. Design and Implementation of a Low Cost Multichannel Rectified EMG Acquisition System. In Proceedings of the 19th International Conference on Computer and Information Technology, Dhaka, Bangladesh, 18–20 December 2016. [Google Scholar]
- Ayaz, M.; Waqas Ayub, M.; Ahmad Qureshi, I. Arduino Based Fatigue Level Measurement in Muscular Activity using RMS Technique. In Proceedings of the 8th IEEE International Conference on E-Health and Bioengineering—EHB 2020, Iasi, Romania, 29–30 October 2020. [Google Scholar]
- Fuentes del Toro, S.; Santos-Cuadros, S.; Olmeda, E.; Álvarez-Caldas, C.; Díaz, V.; San Román, J.L. Is the Use of a Low-Cost sEMG Sensor Valid to Measure Muscle Fatigue? Sensors 2019, 19, 3204. [Google Scholar] [CrossRef] [PubMed] [Green Version]
- Arduino Due. Available online: https://store.arduino.cc/products/arduino-due (accessed on 22 October 2021).
- Atmel SAM3X Microcontroller. Available online: http://ww1.microchip.com/downloads/en/DeviceDoc/Atmel-11057-32-bit-Cortex-M3-Microcontroller-SAM3X-SAM3A_Datasheet.pdf (accessed on 22 October 2021).








Publisher’s Note: MDPI stays neutral with regard to jurisdictional claims in published maps and institutional affiliations. |
© 2022 by the authors. Licensee MDPI, Basel, Switzerland. This article is an open access article distributed under the terms and conditions of the Creative Commons Attribution (CC BY) license (https://creativecommons.org/licenses/by/4.0/).
Share and Cite
Staderini, E.M.; Mugnaini, S.; Kambampati, H.; Magrini, A.; Gentili, S. Improved Multichannel Electromyograph Using Off-the-Shelf Components for Education and Research. Sensors 2022, 22, 3616. https://doi.org/10.3390/s22103616
Staderini EM, Mugnaini S, Kambampati H, Magrini A, Gentili S. Improved Multichannel Electromyograph Using Off-the-Shelf Components for Education and Research. Sensors. 2022; 22(10):3616. https://doi.org/10.3390/s22103616
Chicago/Turabian StyleStaderini, Enrico M., Stefano Mugnaini, Harish Kambampati, Andrea Magrini, and Sandro Gentili. 2022. "Improved Multichannel Electromyograph Using Off-the-Shelf Components for Education and Research" Sensors 22, no. 10: 3616. https://doi.org/10.3390/s22103616
APA StyleStaderini, E. M., Mugnaini, S., Kambampati, H., Magrini, A., & Gentili, S. (2022). Improved Multichannel Electromyograph Using Off-the-Shelf Components for Education and Research. Sensors, 22(10), 3616. https://doi.org/10.3390/s22103616

