Integrated Diagnostic Framework for Process and Sensor Faults in Chemical Industry
Abstract
:1. Introduction
2. Fault Diagnosis Methods
2.1. Dynamic Kernel PCA
2.2. Cycle Temporal Algorithm (CTA)
2.3. RBC Graph
3. Integrated Fault Diagnosis Framework
3.1. Fault Detection
3.2. Fault Identification
4. Case Studies
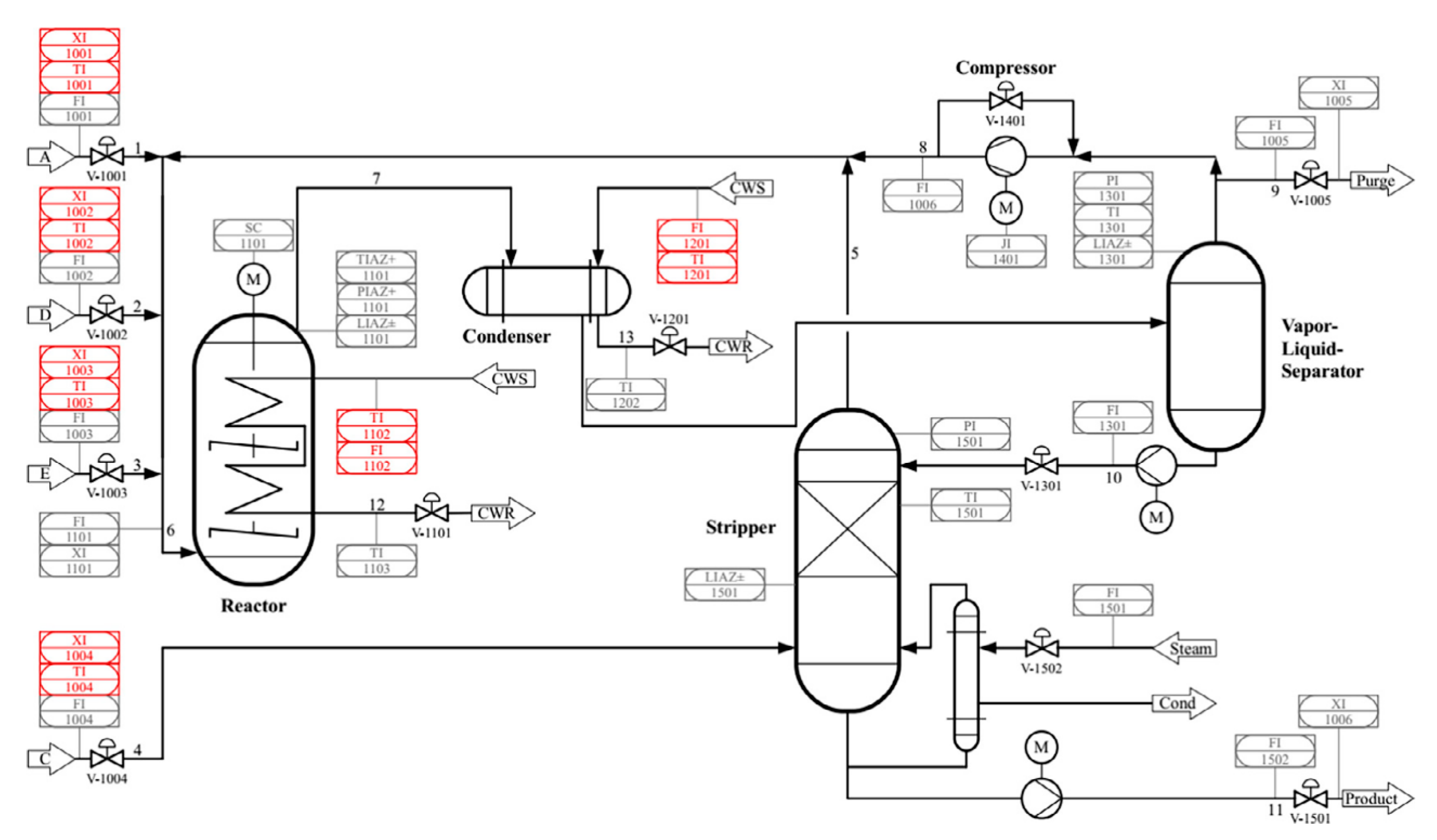
4.1. Tennessee Eastman Process
4.2. Case Study of an Acid Gas Absorption Process from Natural Gas
5. Conclusions
Author Contributions
Funding
Institutional Review Board Statement
Informed Consent Statement
Data Availability Statement
Conflicts of Interest
References
- Park, Y.J.; Fan, S.K.S.; Hsu, C.Y. A Review on Fault Detection and Process Diagnostics in Industrial Processes. Processes 2020, 8, 1123. [Google Scholar] [CrossRef]
- Fan, S.-K.S.; Chang, Y.-J. An Integrated Advanced Process Control Framework Using Run-to-Run Control, Virtual Metrology and Fault Detection. J. Process Control 2013, 23, 933–942. [Google Scholar] [CrossRef]
- Fei, H.; Chaojun, W. Fault Detection and Root Cause Analysis of a Batch Process via Novel Nonlinear Dissimilarity and Comparative Granger Causality Analysis. Ind. Eng. Chem. Res. 2019, 58, 21842–21854. [Google Scholar] [CrossRef]
- He, F.; Wang, C.; Fan, S.-K.S. Nonlinear Fault Detection of Batch Processes Based on Functional Kernel Locality Preserving Projections. Chemom. Intell. Lab. Syst. 2018, 183, 79–89. [Google Scholar] [CrossRef]
- Ahlam, M.; Madjid, F. Sensor and Component Fault Detection and Diagnosis for Hydraulic Machinery Integrating LSTM Autoencoder Detector and Diagnostic Classifiers. Sensors 2021, 21, 433. [Google Scholar]
- Amin, M.T.; Khan, F.; Imtiaz, S.; Ahmed, S. Robust Process Monitoring Methodology for Detection and Diagnosis of Unobservable Faults. Ind. Eng. Chem. Res. 2019, 58, 19149–19165. [Google Scholar] [CrossRef]
- Zhang, Z.M.; Li, X.; Jin, R. Data-Driven Anomaly Detection Approach for Time-Series Streaming Data. Sensors 2020, 20, 5646. [Google Scholar] [CrossRef]
- Nguyen, N.P. Robust Fault Estimation Using the Intermediate Observer: Application to the Quadcopter. Sensors 2020, 20, 4917. [Google Scholar] [CrossRef]
- Song, Q.; Wang, M. On the Accuracy of Fault Diagnosis for Rolling Element Bearings Using Improved DFA and Multi-Sensor Data Fusion Method. Sensors 2020, 20, 6465. [Google Scholar] [CrossRef]
- Qin, S.J. Statistical Process Monitoring: Basics and Beyond. J. Chemom. 2003, 17, 480–502. [Google Scholar] [CrossRef]
- Ding, S. Model-Based Fault Diagnosis in Dynamic Systems Using Identification Techniques. Int. J. Robust Nonlinear Control 2005, 15, 509–512. [Google Scholar] [CrossRef]
- Li, W.; Li, H.; Gu, S.; Chen, T. Process Fault Diagnosis with Model-Based and Knowledge-Based Approaches: Advances and Opportunities. Control Eng. Pract. 2020, 105, 104637. [Google Scholar] [CrossRef]
- Bounoua, W.; Benkara, A.B.; Kouadri, A.; Bakdi, A. Online Monitoring Scheme Using Principal Component Analysis through Kullback-Leibler Divergence Analysis Technique for Fault Detection. Trans. Inst. Meas. Control 2020, 42, 1225–1238. [Google Scholar] [CrossRef]
- Yu, H.; Khan, F.; Vikram, G. An Alternative Formulation of PCA for Process Monitoring Using Distance Correlation. Ind. Eng. Chem. Res. 2016, 55, 656–669. [Google Scholar] [CrossRef]
- Adedigba, S.A.; Khan, F.; Yang, M. Dynamic Failure Analysis of Process Systems Using Principal Component Analysis and Bayesian Network. Ind. Eng. Chem. Res. 2017, 56, 2094–2106. [Google Scholar] [CrossRef]
- Ku, W.; Storer, R.H.; Georgakis, C. Disturbance Detection and Isolation by Dynamic Principal Component Analysis. Chemom. Intell. Lab. Syst. 1995, 30, 179–196. [Google Scholar] [CrossRef]
- Lee, J.-M.; Yoo, C.; Choi, S.W.; Vanrolleghem, P.A.; Lee, I.-B. Nonlinear Process Monitoring Using Kernel Principal Component Analysis. Chem. Eng. Sci. 2004, 59, 223–234. [Google Scholar] [CrossRef]
- Yang, Q.; Tian, F.; Wang, D. Nonlinear Dynamic Process Monitoring Based on Lifting Wavelets and Dynamic Kernel PCA. Proc. World Congr. Intell. Control Autom. 2010, 5712–5716. [Google Scholar] [CrossRef]
- Dunia, R.S.; Joe, Q. Joint Diagnosis of Process and Sensor Faults Using Principal Component Analysis. Control Eng. Pract. 1998, 6, 457–469. [Google Scholar] [CrossRef]
- Wang, S.; Cui, J. Sensor-Fault Detection, Diagnosis and Estimation for Centrifugal Chiller Systems Using Principal-Component Analysis Method. Appl. Energy 2005, 82, 197–213. [Google Scholar] [CrossRef]
- Li, G.; Hu, Y. Improved Sensor Fault Detection, Diagnosis and Estimation for Screw Chillers Using Density-Based Clustering and Principal Component Analysis. Energy Build. 2018, 173, 502–515. [Google Scholar] [CrossRef]
- Chen, Q.; Kruger, U.; Meronk, M.; Leung, A. Synthesis of T2 and Q Statistics for Process Monitoring. Control Eng. Pract. 2004, 12, 745–755. [Google Scholar] [CrossRef]
- Wang, H.; Song, Z.; Li, P. Fault Detection Behavior and Performance Analysis of Principal Component Analysis Based Process Monitoring Methods. Ind. Eng. Chem. Res. 2002, 41, 2455–2464. [Google Scholar] [CrossRef]
- Kantaros, Y.; Zavlanos, M.M. A Temporal Logic Optimal Control Synthesis Algorithm for Large-Scale Multi-Robot Systems. Int. J. Robot. Res. 2020, 39, 812–836. [Google Scholar] [CrossRef]
- Clarke, E.M.; Emerson, E.A. Design and Synthesis of Stnchronization Skeletons Using Branching Time Temporal Logic. Lect. Notes Comput. Sci. 2008, 5000, 196–215. [Google Scholar]
- Zhu, Q.X.; Luo, Y.; He, Y.L. Novel Distributed Alarm Visual Analysis Using Multicorrelation Block-Based PLS and Its Application to Online Root Cause Analysis. Ind. Eng. Chem. Res. 2019, 58, 20655–20666. [Google Scholar] [CrossRef]
- Alcala, C.F.; Qin, S.J. Reconstruction-Based Contribution for Process Monitoring with Kernel Principal Component Analysis. Ind. Eng. Chem. Res. 2010, 49, 7849–7857. [Google Scholar] [CrossRef]
- Sun, H.; Zhang, S.; Zhao, C.; Gao, F.A. Sparse Reconstruction Strategy for Online Fault Diagnosis in Nonstationary Processes with No a Priori Fault Information. Ind. Eng. Chem. Res. 2017, 56, 6993–7008. [Google Scholar] [CrossRef]
- Onel, M.; Kieslich, C.A.; Guzman, Y.A.; Floudas, C.A.; Pistikopoulos, E.N. Big Data Approach to Batch Process Monitoring: Simultaneous Fault Detection and Diagnosis Using Nonlinear Support Vector Machine-Based Feature Selection. Comput. Chem. Eng. 2018, 116, 503–520. [Google Scholar] [CrossRef]
- Wang, H.; Chen, Y. A Robust Fault Detection and Diagnosis Strategy for Multiple Faults of VAV Air Handling Units. Energy Build. 2016, 127, 442–451. [Google Scholar] [CrossRef]
- Wu, H.; Zhao, J. Fault Detection and Diagnosis Based on Transfer Learning for Multimode Chemical Processes. Comput. Chem. Eng. 2020, 135, 106731. [Google Scholar] [CrossRef]
- Xu, C.; Zhao, S.; Liu, F. Sensor Fault Detection and Diagnosis in the Presence of Outliers. Neurocomputing 2019, 349, 156–163. [Google Scholar] [CrossRef]
- Wang, Q.; Gao, Q.; Sun, G.; Ding, C. Double robust principal component analysis. Neurocomputing 2020, 391, 119–128. [Google Scholar] [CrossRef]
- Kumar, A.; Bhattacharya, A.; Flores-Cerrillo, J. Data-driven process monitoring and fault analysis of reformer units in hydrogen plants: Industrial application and perspectives. Comput. Chem. Eng. 2020, 136, 106756. [Google Scholar] [CrossRef]
- Liu, Z. Online Process Monitoring for Complex Systems with Dynamic Weighted Principal Component Analysis. Chin. J. Chem. Eng. 2016, 6, 775–786. [Google Scholar]
- Maurya, M.R.; Rengaswamy, R.; Venkatasubramanian, V. Fault Diagnosis Using Dynamic Trend Analysis: A Review and Recent Developments. Engineering Applications of Artificial Intelligence. Int. J. Intell. Real Time Autom. 2007, 20, 133–146. [Google Scholar]
- Downs, J.J.; Vogel, E.F. A Plant-Wide Industrial Process Control Problem. Comput. Chem. Eng. 1993, 17, 245–255. [Google Scholar] [CrossRef]
- Onel, M.; Kieslich, C.N.; Pistikopoulos, E.N. A Nonlinear Support Vector Machine-Based Feature Selection Approach for Fault Detection and Diagnosis: Application to the Tennessee Eastman Process. AIChE J. 2019, 65, 992–1005. [Google Scholar] [CrossRef]











| Fault Number | Description | Type |
|---|---|---|
| 01 | A/C feed ratio, B composition constant (Stream4) | Step |
| 02 | B composition, A/C ratio constant (Stream4) | Step |
| 03 | D feed temperature (Stream2) | Step |
| 04 | Reactor cooling water inlet temperature | Step |
| 05 | Condenser cooling water inlet temperature | Step |
| 06 | A feed loss (Stream1) | Step |
| 07 | C header pressure loss—reduced availability (Stream4) | Step |
| 08 | A, B, C feed composition (Stream4) | Random |
| 09 | D feed temperature (Stream2) | Random |
| 10 | C feed temperature (Stream4) | Random |
| 11 | Reactor cooling water inlet temperature | Random |
| 12 | Condenser cooling water inlet temperature | Random |
| 13 | Reaction kinetics | Slow drift |
| 14 | Reactor cooling water valve | Sticking |
| 15 | Condenser cooling water valve | Sticking |
| 16–20 | Unknown | Unknown |
| 21 | Valve position constant (Stream 4) | Constant position |
| Fault No | KPCA | 2-CLASS SVM | This Study | |||
|---|---|---|---|---|---|---|
| FDR (%) | TD (s) | FDR (%) | TD (s) | FDR (%) | TD (s) | |
| 1 | 83.0 | 20.0 | 99.9 | 6.0 | 99.2 | 3.0 |
| 2 | 90.0 | 78.0 | 97.8 | 57.0 | 98.5 | 5.0 |
| 4 | 75.0 | 26.0 | 100.0 | 3.0 | 100.0 | 3.0 |
| 5 | 80.0 | 18.0 | 99.9 | 6.0 | 100.0 | 4.0 |
| 6 | 77.0 | 10.0 | 100.0 | 3.0 | 98.4 | 3.0 |
| 7 | 75.0 | 14.0 | 100.0 | 3.0 | 99.1 | 3.0 |
| 8 | 72.0 | 112.0 | 95.8 | 60.0 | 100.0 | 10.0 |
| 10 | 68.0 | 40.0 | 85.8 | 12.0 | 100.0 | 6.0 |
| 11 | 81.0 | 25.0 | 96.6 | 3.0 | 92.0 | 3.0 |
| 12 | 59.0 | 36.0 | 100.0 | 3.0 | 99.0 | 2.0 |
| 13 | 75.0 | 259.0 | 91.9 | 153.0 | 92.0 | 30.0 |
| 14 | 55.0 | 21.0 | 100.0 | 3.0 | 99.5 | 3.0 |
| 16 | 66.0 | 29.0 | 96.9 | 3.0 | 91.2 | 4.0 |
| 17 | 71.0 | 99.0 | 92.9 | 72.0 | 98.9 | 3.0 |
| 18 | 81.0 | 378.0 | 90.0 | 231.0 | 93.5 | 4.0 |
| 19 | 52.0 | 45.0 | 88.5 | 3.0 | 92.5 | 3.0 |
| 20 | 70.0 | 77.0 | 85.0 | 45.0 | 91.5 | 5.0 |
| 21 | 51.0 | 12.0 | 100.0 | 3.0 | 100.0 | 3.0 |
| Mean | 71.2 | 71.61 | 95.6 | 37.17 | 96.96 | 5.39 |
| Case Number | Fault Situation | Description |
|---|---|---|
| 1 | Single variable data drift | Variable 1, data points 0–960: set the drift ratio of 0.1325 to the data |
| 2 | Large-scale jitter of process data | Variable 8, data points 150–250, 400–550, and 700–850: set jitter up by 50% |
| 3 | Single variable data step | Variable 3, set a step fault at data point 300 |
| 4 | Actual fault | TE process fault 1 |
| Case No | PCA | KPCA | DKPCA | This Study | ||||
|---|---|---|---|---|---|---|---|---|
| FDR (%) | TD (s) | FDR (%) | TD (s) | FDR (%) | TD (s) | FDR (%) | TD (s) | |
| 1 | 48.6 | 278.0 | 67.6 | 55.0 | 72.5 | 50.0 | 79.9 | 25.0 |
| 2 | 16.5 | 125.0 | 78.5 | 65.0 | 89.2 | 25.0 | 91.3 | 5.0 |
| 3 | 83.0 | 12.0 | 95.0 | 10.0 | 98.0 | 2.0 | 100 | 0.0 |
| 4 | 31.0 | 35.0 | 83.0 | 20.0 | 91.0 | 11.0 | 99.2 | 3.0 |
| Mean | 44.78 | 112.5 | 81.03 | 37.5 | 87.68 | 22.0 | 92.6 | 8.25 |
| Case Number | Fault Situation | Description |
|---|---|---|
| 1 | data drift | Set a slowly varying drift of the natural gas feed flow (V4) at data point 250 |
| 2 | data stuck | Set a stuck of the absorption tower top pressure (V3) at data point 250 |
| 3 | Fault 1 | Heat exchanger inlet temperature rises to 31 ℃ at data point 300 |
| Case No | PCA | KPCA | DKPCA | This Study | ||||
|---|---|---|---|---|---|---|---|---|
| FDR (%) | TD (s) | FDR (%) | TD (s) | FDR (%) | TD (s) | FDR (%) | TD (s) | |
| 1 | 56.1 | 24.0 | 77.0 | 15.0 | 90.1 | 5.0 | 99.2 | 2.0 |
| 2 | 78.9 | 12.0 | 89.0 | 8.0 | 98.2 | 4.0 | 100.0 | 0.0 |
| 3 | 65.5 | 34.0 | 80.0 | 19.0 | 89.5 | 6.0 | 100.0 | 0.0 |
| Mean | 66.83 | 23.33 | 82.0 | 14.0 | 92.6 | 5.0 | 99.73 | 0.67 |
Publisher’s Note: MDPI stays neutral with regard to jurisdictional claims in published maps and institutional affiliations. |
© 2021 by the authors. Licensee MDPI, Basel, Switzerland. This article is an open access article distributed under the terms and conditions of the Creative Commons Attribution (CC BY) license (http://creativecommons.org/licenses/by/4.0/).
Share and Cite
Zhang, J.; Luo, W.; Dai, Y. Integrated Diagnostic Framework for Process and Sensor Faults in Chemical Industry. Sensors 2021, 21, 822. https://doi.org/10.3390/s21030822
Zhang J, Luo W, Dai Y. Integrated Diagnostic Framework for Process and Sensor Faults in Chemical Industry. Sensors. 2021; 21(3):822. https://doi.org/10.3390/s21030822
Chicago/Turabian StyleZhang, Jiaxin, Wenjia Luo, and Yiyang Dai. 2021. "Integrated Diagnostic Framework for Process and Sensor Faults in Chemical Industry" Sensors 21, no. 3: 822. https://doi.org/10.3390/s21030822
APA StyleZhang, J., Luo, W., & Dai, Y. (2021). Integrated Diagnostic Framework for Process and Sensor Faults in Chemical Industry. Sensors, 21(3), 822. https://doi.org/10.3390/s21030822

