Research on Coil Impedance of Self-Inductive Displacement Sensor Considering Core Eddy Current
Abstract
:1. Introduction
2. Theoretical Analysis
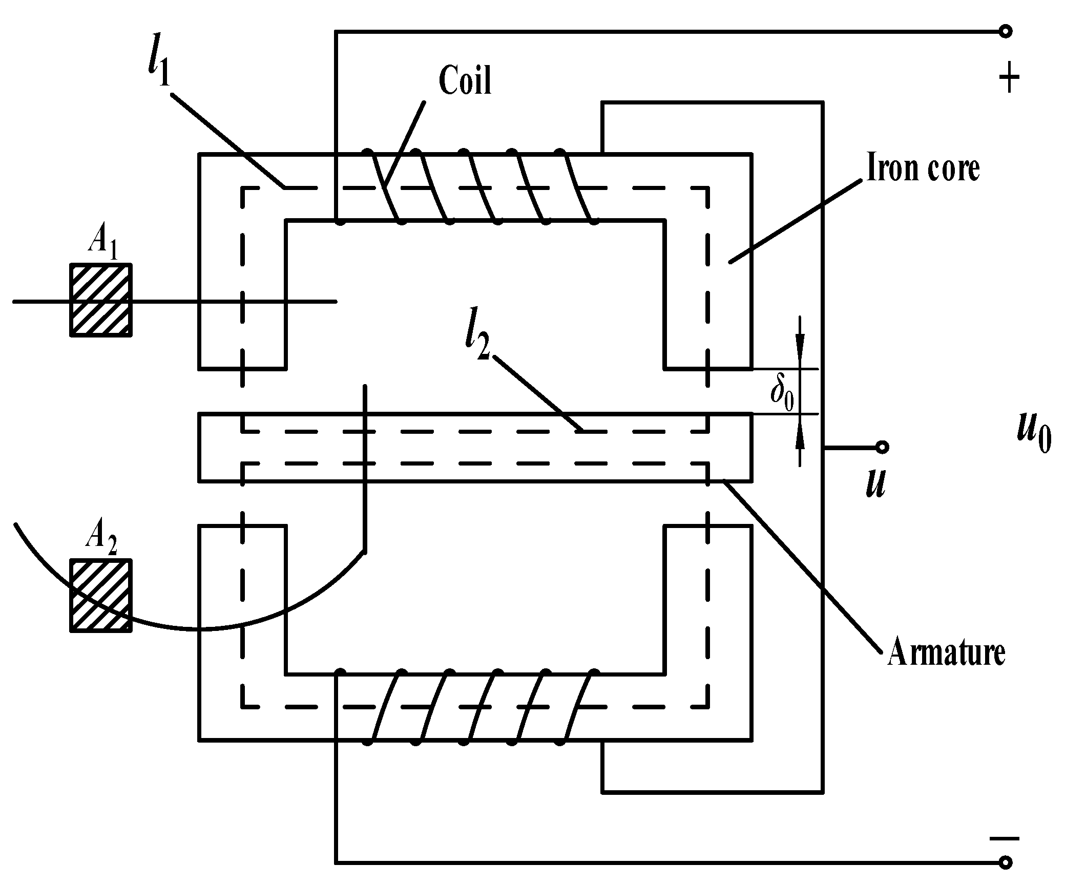
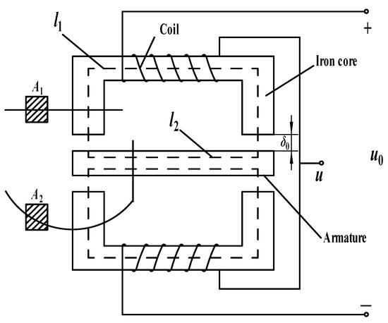
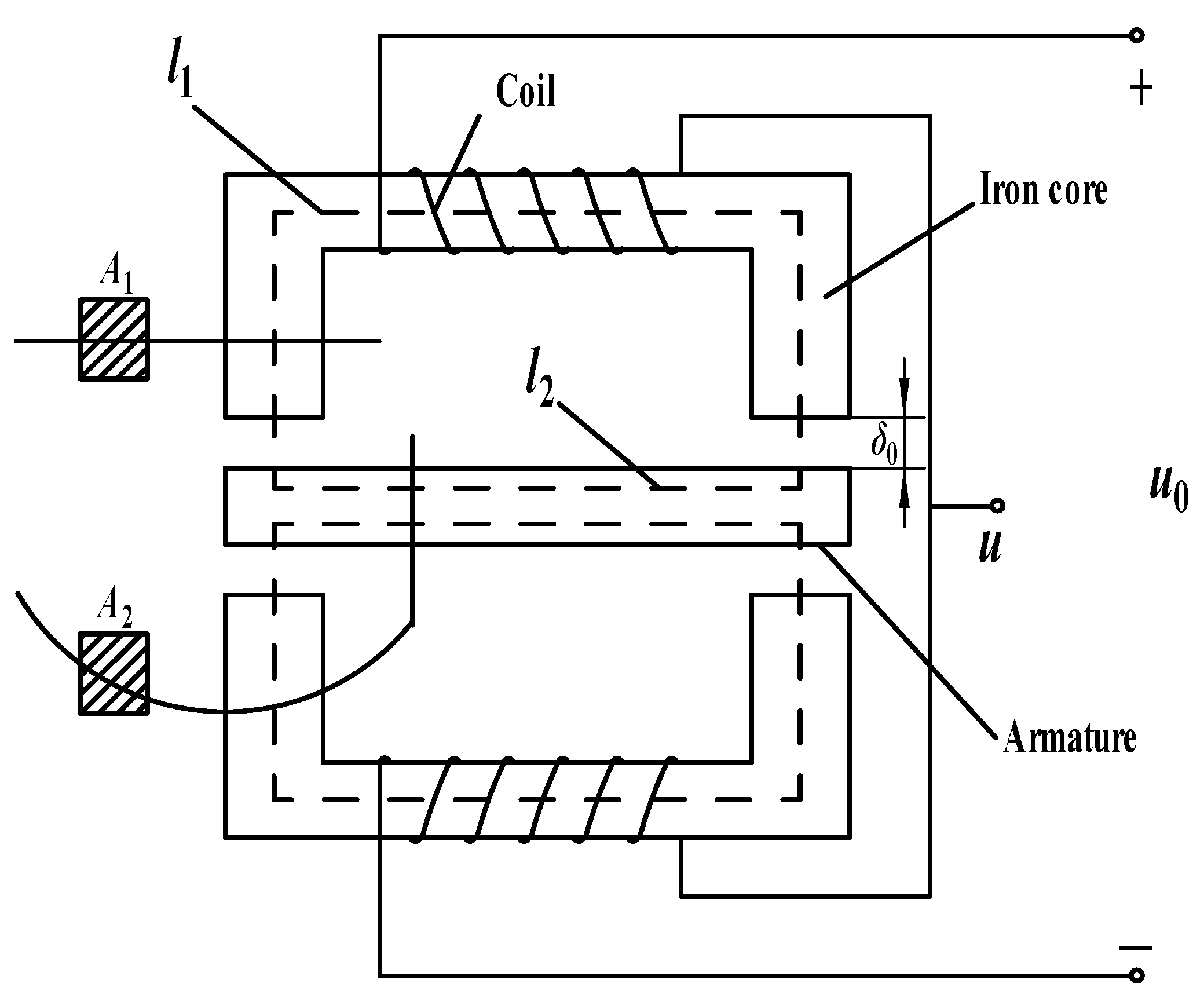
2.1. Theoretical Model of Self-Inductive Displacement Sensor
2.2. The Influence of Core Eddy Current on Core Permeability
2.3. The Influence of Core Eddy Current on Coil Impedance
2.4. Radial Displacement of the Rotor
3. Establishment of the Improved Theoretical Model
3.1. Estimation of Constant Parameters in the Improved Theoretical Model
3.2. Estimation of the Relationship between the Real and Imaginary Parts of the Relative Complex Permeability
3.3. Estimation of Core Coil Impedance
4. Comparison and Analysis of Theory, Simulation and Experiment
4.1. Finite Element Simulation
4.2. Static Measurement Experiment of Coil Inductance and Resistance
4.3. Comparison and Error Analysis of Theoretical, Simulation and Experimental Results
4.3.1. Comparison of Results
4.3.2. Error Analysis
5. Discussion
6. Conclusions
Author Contributions
Funding
Institutional Review Board Statement
Informed Consent Statement
Data Availability Statement
Conflicts of Interest
References
- Schweitzer, G.; Maslen, E.H. Magnetic Bearing—Theory, Design, and Application to Rotating Machinery; Springer: New York, NY, USA, 2009; pp. 69–171. [Google Scholar]
- Han, B.; Zheng, S.; Wang, X.; Qian, Y. Integral Design and Analysis of Passive Magnetic Bearing and Active Radial Magnetic Bearing for Agile Satellite Application. IEEE Trans. Magn. 2012, 48, 1959–1966. [Google Scholar]
- Sun, J.; Ju, Z.; Peng, C.; Le, Y.; Ren, H. A Novel 4-DOF Hybrid Magnetic Bearing for DGMSCMG. IEEE Trans. Ind. Electron. 2017, 64, 2196–2204. [Google Scholar] [CrossRef]
- Han, B.; Zheng, S.; Li, H.; Liu, Q. Weight-Reduction Design Based on Integrated Radial-Axial Magnetic Bearing of a Large-Scale MSCMG for Space Station Application. IEEE Trans. Ind. Electron. 2017, 64, 2205–2214. [Google Scholar] [CrossRef]
- Tang, J.; Wang, K.; Xiang, B. Stable Control of High-Speed Rotor Suspended by Superconducting Magnetic Bearings and Active Magnetic Bearings. IEEE Trans. Ind. Electron. 2017, 64, 3319–3328. [Google Scholar] [CrossRef]
- Chaturvedi, V.; Nabavi, M.R.; Vogel, J.G.; Nihtianov, S. Demodulation Techniques for Self-Oscillating Eddy-Current Displacement Sensor Interfaces: A Review. IEEE Sens. J. 2017, 17, 2617–2624. [Google Scholar] [CrossRef]
- Dong, Z.; Xu, F.; Sun, X.; Liu, W. A Laser-Based On-Machine Measuring System for Profile Accuracy of Double-Headed Screw Rotor. Sensors 2019, 19, 5059. [Google Scholar] [CrossRef] [Green Version]
- Fericean, S.; Droxler, R. New Noncontacting Inductive Analog Proximity and Inductive Linear Displacement Sensors for Industrial Automation. IEEE Sens. J. 2007, 7, 1538–1545. [Google Scholar] [CrossRef]
- Filatov, A.V.; Hawkins, L.A. An Axial Position Sensor for Active Magnetic Bearings. In Proceedings of the ASME Turbo Expo: Power for Land, Sea and Air, Glasgow, UK, 14–18 June 2010. [Google Scholar]
- Chen, S.C.; Le, D.K.; Nguyen, V.S. Inductive Displacement Sensors with a Notch Filter for an Active Magnetic Bearing System. Sensors 2014, 14, 12640–12657. [Google Scholar] [CrossRef] [Green Version]
- Wang, K.; Zhang, L.; Le, Y.; Zheng, S.; Han, B.; Jiang, Y. Optimized Differential Self-Inductance Displacement Sensor for Magnetic Bearings: Design, Analysis and Experiment. IEEE Sens. J. 2017, 17, 4378–4387. [Google Scholar] [CrossRef]
- Tang, Q.; Wu, L.; Chen, X.; Peng, D. An Inductive Linear Displacement Sensor Based on Planar Coils. IEEE Sens. J. 2018, 18, 5256–5264. [Google Scholar] [CrossRef]
- Kim, S.H.; Shin, J.W.; Ishiyama, K. Magnetic Bearings and Synchronous Magnetic Axial Coupling for the Enhancement of the Driving Performance of Magnetic Wireless Pumps. IEEE Trans. Magn. 2014, 50, 1–4. [Google Scholar] [CrossRef]
- Zhou, L.; Li, L. Modeling and Identification of a Solid-Core Active Magnetic Bearing Including Eddy Currents. IEEE/ASME Trans. Mechatron. 2016, 21, 2784–2792. [Google Scholar] [CrossRef]
- Huang, Z.; Fang, J.; Liu, X.; Han, B. Loss Calculation and Thermal Analysis of Rotors Supported by Active Magnetic Bearings for High-Speed Permanent-Magnet Electrical Machines. IEEE Trans. Ind. Electron. 2016, 63, 2027–2035. [Google Scholar] [CrossRef]
- Sun, Y.; Yu, L. Analytical method for eddy current loss in laminated rotors with magnetic bearings. IEEE Trans. Magn. 2002, 38, 1341–1347. [Google Scholar]
- Eggers, D.; Steentjes, S.; Hameyer, K. Advanced Iron-Loss Estimation for Nonlinear Material Behavior. IEEE Trans. Magn. 2012, 48, 3021–3024. [Google Scholar] [CrossRef]
- Fang, J.; Xu, S. Effects of Eddy Current in Electrical Connection Surface of Laminated Cores on High-Speed PM Motor Supported by Active Magnetic Bearings. IEEE Trans. Magn. 2015, 51, 1–4. [Google Scholar] [CrossRef]
- Nair, S.S.; Wang, J.; Chen, L.; Chin, R.; Manolas, I.; Svechkarenko, D. Prediction of 3-D High-Frequency Eddy Current Loss in Rotor Magnets of SPM Machines. IEEE Trans. Magn. 2016, 52, 1–10. [Google Scholar] [CrossRef] [Green Version]
- Tong, W.; Li, J.; Cao, B.; Wu, S. Three-dimensional Analytical Model of Eddy Current Loss of Permanent Magnet in High Frequency Axial Flux Permanent Magnet Machine. Trans. Chin. Electr. Soci. 2021, 41, 1992–2001. (In Chinese) [Google Scholar]
- Lei, Z.; Knospe, C.R.; Maslen, E.H. Analytic model for a nonlaminated cylindrical magnetic actuator including eddy currents. IEEE Trans. Magn. 2005, 41, 1248–1258. [Google Scholar]
- Mitchell, S.D.; Welsh, J.S. The Influence of Complex Permeability on the Broadband Frequency Response of a Power Transformer. IEEE Trans. Power Del. 2010, 25, 803–813. [Google Scholar] [CrossRef]
- Wang, J.; Lin, H.; Huang, Y.; Sun, X. A New Formulation of Anisotropic Equivalent Conductivity in Laminations. IEEE Trans. Magn. 2011, 47, 1378–1381. [Google Scholar] [CrossRef]
- Hamzehbahmani, H.; Anderson, P.; Preece, S. Application of an advanced eddy--current loss modelling to magnetic properties of electrical steel laminations in a wide range of measurements. IET Sci. Meas. Technol. 2015, 9, 807–816. [Google Scholar] [CrossRef]
- Yang, S.H.; Hirata, K.; Ota, T.; Kawase, Y. Impedance Linearity of Contactless Magnetic-Type Position Sensor. IEEE Trans. Magn. 2017, 53, 1–4. [Google Scholar] [CrossRef]
- Tang, C.; Shen, M.; Fang, Y.; Pfister, P.D. Comparison of Subdomain, Complex Permeance, and Relative Permeance Models for a Wide Family of Permanent-Magnet Machines. IEEE Trans. Magn. 2021, 57, 1–5. [Google Scholar]
- Gianvittorio, J.P.; Rahmat-Samii, Y. Fractal antennas: A novel antenna miniaturization technique, and applications. IEEE Antenn. Propag. M. 2002, 44, 20–36. [Google Scholar] [CrossRef]
- Erentok, A.; Ziolkowski, R.W. A Hybrid Optimization Method to Analyze Metamaterial-Based Electrically Small Antennas. IEEE Trans. Antenn. Propag. 2007, 55, 731–741. [Google Scholar] [CrossRef]
- Syaifudin, A.R.M.; Mukhopadhyay, S.C.; Yu, P.L. Electromagnetic field computation using COMSOL Multiphysics to evaluate the performance of novel interdigital sensors. In Proceedings of the 2009 Applied Electromagnetics Conference (AEMC), Kolkata, India, 14–16 December 2009; pp. 1–4. [Google Scholar]
- Zaher, F.A.A. An analytical solution for the field of a hysteresis motor based on complex permeability. IEEE Trans. Energy Conver. 1990, 5, 156–163. [Google Scholar] [CrossRef]
- Maisnam, M.; Phanjoubam, S.; Sarma, H.N.K.; Radhapiyari Devi, L.; Thakur, O.P.; Prakash, C. Hysteresis and initial permeability behavior of vanadium-substituted lithium–zinc–titanium ferrite. Phys. B 2004, 352, 86–90. [Google Scholar] [CrossRef]

















| δ0 (mm) | D (mm) | D0 (mm) | D1 (mm) | D2 (mm) | A0 (mm2) | P (mm) | N1 | d0 (mm) |
|---|---|---|---|---|---|---|---|---|
| 1.0 | 44.2 | 46.2 | 72 | 88 | 32 | 8 | 100 | 0.25 |
| Frequency (kHz) | Sensitivity (V/mm) | Nonlinear Error (%) |
|---|---|---|
| 22 | 0.443 | ± 2.26 |
| 30 | 0.471 | ± 2.13 |
| 40 | 0.508 | ± 2.49 |
| 50 | 0.532 | ± 2.36 |
| 60 | 0.538 | ± 2.33 |
| 70 | 0.536 | ± 2.34 |
| 80 | 0.525 | ± 2.38 |
| 90 | 0.511 | ± 2.53 |
| 100 | 0.492 | ± 3.06 |
| Frequency (kHz) | Sensitivity (V/mm) | Nonlinear Error (%) |
|---|---|---|
| 22 | 1.336 | ± 0.37 |
| 30 | 1.322 | ± 0.37 |
| 40 | 1.308 | ± 0.38 |
| 50 | 1.296 | ± 0.38 |
| 60 | 1.284 | ± 0.39 |
| 70 | 1.274 | ± 0.39 |
| 80 | 1.265 | ± 0.39 |
| 90 | 1.256 | ± 0.40 |
| 100 | 1.248 | ± 0.40 |
| Frequency (kHz) | Sensitivity (V/mm) | Nonlinear error (%) |
|---|---|---|
| 22 | 1.648 | ± 0.30 |
| 30 | 1.609 | ± 0.15 |
| 40 | 1.578 | ± 0.32 |
| 50 | 1.565 | ± 0.32 |
| 60 | 1.559 | ± 0.32 |
| 70 | 1.560 | ± 0.32 |
| 80 | 1.564 | ± 0.48 |
| 90 | 1.570 | ± 0.47 |
| 100 | 1.579 | ± 0.32 |
Publisher’s Note: MDPI stays neutral with regard to jurisdictional claims in published maps and institutional affiliations. |
© 2021 by the authors. Licensee MDPI, Basel, Switzerland. This article is an open access article distributed under the terms and conditions of the Creative Commons Attribution (CC BY) license (https://creativecommons.org/licenses/by/4.0/).
Share and Cite
Ren, Z.; Li, H.; Yu, W. Research on Coil Impedance of Self-Inductive Displacement Sensor Considering Core Eddy Current. Sensors 2021, 21, 6292. https://doi.org/10.3390/s21186292
Ren Z, Li H, Yu W. Research on Coil Impedance of Self-Inductive Displacement Sensor Considering Core Eddy Current. Sensors. 2021; 21(18):6292. https://doi.org/10.3390/s21186292
Chicago/Turabian StyleRen, Zongqiang, Hongwei Li, and Wentao Yu. 2021. "Research on Coil Impedance of Self-Inductive Displacement Sensor Considering Core Eddy Current" Sensors 21, no. 18: 6292. https://doi.org/10.3390/s21186292
APA StyleRen, Z., Li, H., & Yu, W. (2021). Research on Coil Impedance of Self-Inductive Displacement Sensor Considering Core Eddy Current. Sensors, 21(18), 6292. https://doi.org/10.3390/s21186292

