Design and Implementation of an Atmospheric Anion Monitoring System Based on Beidou Positioning
Abstract
:1. Introduction
2. Overall System Design
- (1)
- First, the Bluetooth controls the terminal and gives the command for the car to travel to a fixed monitoring point and stop at the point.
- (2)
- The Beidou positioning module is used to obtain the longitude, latitude, altitude, and current time information for the current position, and the STM32 microcontroller transmits the data to the computer terminal via the 4G transparent transmission module.
- (3)
- The negative oxygen ion collection bucket obtains negative oxygen ions in the air and transmits the data to the single-chip microcomputer for data processing by means of the charge voltage conversion module, voltage amplifier module, and AD conversion module. STM32 displays the data on the LCD screen and transmits it to the PC terminal computer for display by the 4G transparent transmission module.
- (4)
- The temperature and humidity sensor works normally. The STM32 displays the temperature and humidity information on the LCD screen and transmits it to the PC terminal computer for display through the 4G transparent transmission module.
- (5)
- Based on the Beidou positioning parameter information, the host computer terminal displays the position information of the monitoring system on the electronic map and displays the temperature, humidity, and negative oxygen ion concentration information for the monitored area.
3. Hardware Module Design
3.1. Overall Scheme of the Hardware Module
3.2. Hardware Module Terminal
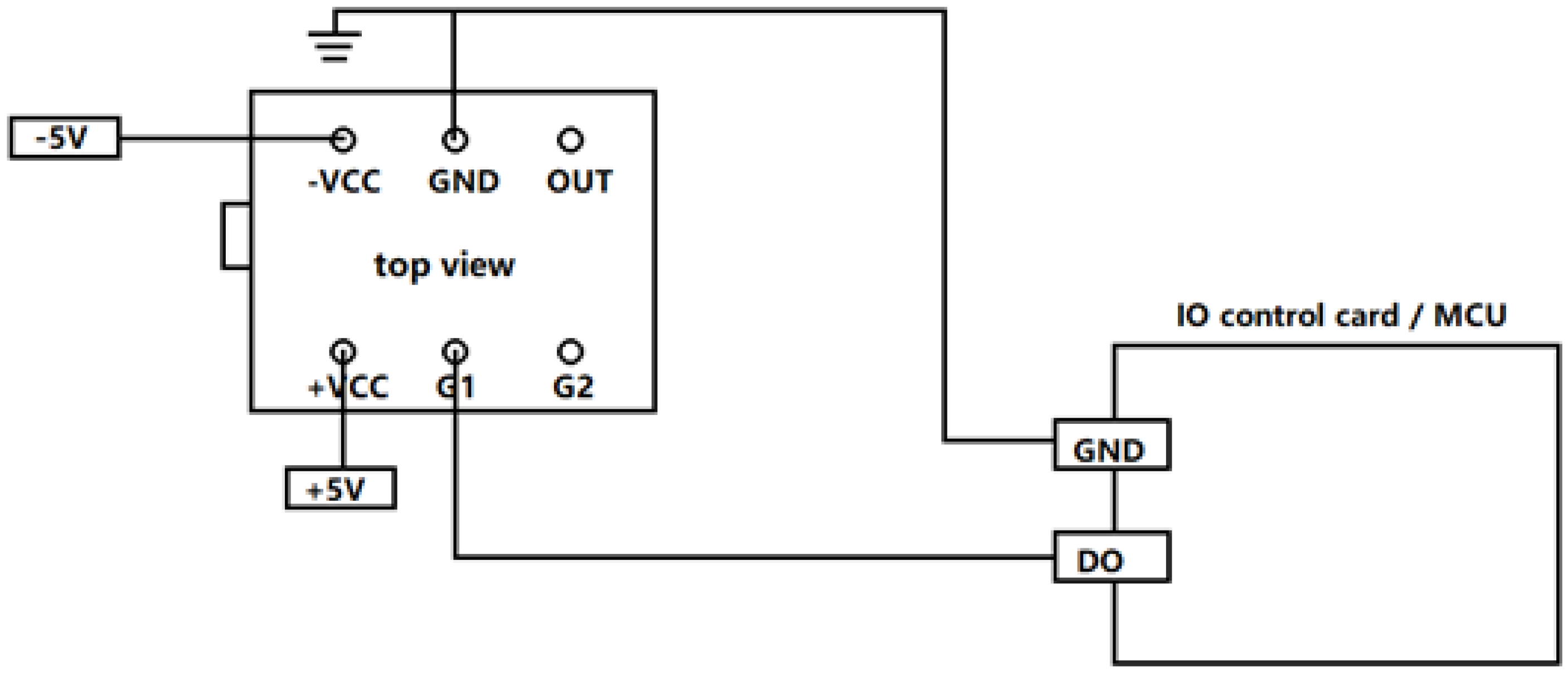
3.2.1. Detection Device
3.2.2. Unmanned Terminal
- (1)
- The Bluetooth module utilizes the master-in-one Bluetooth serial port module and the Bluetooth control Arduino application to connect to the car’s HC-05 module. In short, when a Bluetooth device is successfully paired and connected with another Bluetooth device, we can ignore the internal communication protocol of the Bluetooth and directly use the corresponding serial port. When a connection is made, the two devices share a channel or serial port. One device sends data to the channel, and the other device receives data from the channel. The unmanned car, as the carrying platform of the negative ion detection device, uses the minimum function Bluetooth remote control car based on Arduino. Hardware includes tire, body, TT dual-shaft motor, L298N motor drive panel, Arduino master panel, and serial Bluetooth module. Bluetooth control can use BlueSPP software to download the app on the phone to connect to the Bluetooth device and send messages through a serial communication protocol.
- (2)
- Motor and motor drive modules. The motor drive module adopts the L298N module, which includes four single-pole double-throw switches. The combination of various-level signals emitted by the microcontroller (the Arduino microcontroller is commonly used in DIY devices) is used to control the operation of the four switches. Thus, the motor is controlled, and the track of the car is controlled.
- (3)
- Beidou positioning module. The Atkatk-s1216f8 Beidou module is a high-performance GPS Beidou dual-mode positioning module. The module includes the S1216F8S1216F module with a small size and excellent performance. The module can set various parameters through a serial port and can be saved in internal FLASH memory, which is easy to use. The module has an IPXIPX interface and can connect various active antennas. A connection to a GPS Beidou dual-mode active antenna is recommended. The module is compatible with signals at the 3.3 V/5 V level and is easy to connect in a variety of MCU systems. The module has a rechargeable backup pool that can keep historical data when the device power is off.
3.2.3. Data Communication Terminal
4. Software Design
4.1. Overall Plan of the Software Module
4.2. Embedded Software Programs
4.3. Process Control
4.4. Mobile Terminal Data Acquisition Software
5. Equipment Test
6. Conclusions
Author Contributions
Funding
Acknowledgments
Conflicts of Interest
References
- Ma, D.; Zhao, T. Analysis of the current situation of air pollution in China and Suggestions for its treatment. J. Hebei Inst. Archit. Eng. 2014, 32, 53–54. [Google Scholar]
- Sulman, F. The impact of weather on human health. Rev. Environ. Health 1983, 4, 83–119. [Google Scholar]
- Krueger, A.P.; Reed, E.J. Biological impact of small air ions. Science 1976, 193, 1209–1213. [Google Scholar] [CrossRef]
- Kreuger, A.; Smith, R.F. The biological mechanisms of air ion action. J. Gen. Physiol. 1960, 43, 60. [Google Scholar]
- Horrak, U.; Salm, J.; Tammet, H. Statistical characterization of air ion mobility spectra at Tahkuse Observatory: Classification of air ions. J. Geophys. Res.-Atmos. 2000, 105, 9291–9302. [Google Scholar] [CrossRef]
- Fletcher, L.A.; Gaunt, L.F.; Beggs, C.B.; Shepherd, S.J.; Sleigh, P.A.; Noakes, C.J.; Kerr, K.G. Bactericidal action of positive and negative ions in air. BMC Microbiol. 2007, 7, 32. [Google Scholar] [CrossRef] [Green Version]
- Blatny, J.M.; Reif, B.A.P.; Skogan, G.; Andreassen, O.; Høiby, E.A.; Ask, E.; Waagen, V.; Aanonsen, D.; Aaberge, I.S.; Caugant, D.A. Tracking airborne Legionella and Legionella pneumophila at a biological treatment plant. Environ. Sci. Technol. 2008, 42, 7360–7367. [Google Scholar] [CrossRef] [PubMed]
- Ding, Z. Application of anion and anion products. Shanghai Metrol. Test. 2009, 36, 39–41. [Google Scholar]
- Huang, W.; Wang, D.; Xiao, Z.; Yao, Q.; Du, D. Design and implementation of plc-based autonomous construction system of unmanned vibratory roller. Comput. Mater. Contin. 2020, 65, 897–912. [Google Scholar] [CrossRef]
- Deng, Z.; Chu, Z.; Tousif, Z.M. Sliding-mode control of unmanned underwater vehicle using bio-inspired neurodynamics for discrete trajectories. Intell. Autom. Soft Comput. 2020, 26, 1503–1515. [Google Scholar] [CrossRef]
- Wu, D.; Liu, Y.; Xu, Z.; Shang, W. Design and development of unmanned surface vehicle for meteorological monitoring. Intell. Autom. Soft Comput. 2020, 26, 1123–1138. [Google Scholar] [CrossRef]
- Mezhuyev, V.; Gunchenko, Y.; Shvorov, S.; Chyrchenko, D. A method for planning the routes of harvesting equipment using unmanned aerial vehicles. Intell. Autom. Soft Comput. 2020, 26, 121–132. [Google Scholar]
- Li, Y. Distribution pattern of negative oxygen ions and PM2.5—A case study of Xi’an forest region and urban area. Innov. Appl. Sci. Technol. 2016, 22, 178. [Google Scholar]
- Giannini, A.J.; Jones, B.T.; Loiselle, R.H. Reversibility of serotonin irritation syndrome with atmospheric anions. J. Clin. Psychiatry 1986, 47, 141–143. [Google Scholar]
- Arias, A.; da Silva, R.J.B.; Camões, M.F.G.; Oliveira, C.M. Evaluation of the performance of the determination of anions in the water soluble fraction of atmospheric aerosols. Talanta 2013, 104, 10–16. [Google Scholar] [CrossRef] [PubMed]
- Oikonomou, P.; Botsialas, A.; Olziersky, A.; Kazas, I.; Stratakos, I.; Katsikas, S.; Dimas, D.; Mermikli, K.; Sotiropoulos, G.; Goustouridis, D.; et al. A wireless sensing system for monitoring the workplace environment of an industrial installation. Sens. Actuators B Chem. 2016, 224, 266–274. [Google Scholar] [CrossRef]
- Kolarz, P.; Curguz, Z. Air ions as indicators of short-term indoor radon variations. Appl. Radiat. Isot. 2015, 99, 179–185. [Google Scholar] [CrossRef]
- Poma, N.; Vivaldi, F.; Bonini, A.; Carbonaro, N.; Di Rienzo, F.; Melai, B.; Kirchhain, A.; Salvo, P.; Tognetti, A.; Di Francesco, F. Remote monitoring of seawater temperature and pH by low cost sensors. Microchem. J. 2019, 148, 248–252. [Google Scholar] [CrossRef]
- Charoud-Got, J.; Emma, G.; Seghers, J.; Tumba-Tshilumba, M.F.; Santoro, A.; Held, A.; Snell, J.; Emteborg, H. Preparation of a PM2.5-like reference material in sufficient quantities for accurate monitoring of anions and cations in fine atmospheric dust. Anal. Bioanal. Chem. 2017, 409, 7121–7131. [Google Scholar] [CrossRef] [Green Version]
- García, S.T.; Valenzuela, M.I.A.; Gil, E.P. Optimization and validation of a capillary electrophoresis methodology for inorganic anions in atmospheric aerosol samples. Talanta 2008, 75, 748–752. [Google Scholar] [CrossRef]
- Li, S.N.; Han, S.W.; Shang, T.Y.; Lu, R.Q.; Zhang, Y.P.; Pan, Q.H.; Jin, W.M. Research progress in monitoring and evaluation of air anion at home and abroad. Anhui Agric. Sci. 2009, 37, 3736–3738. (In Chinese) [Google Scholar]
- Noras, M.A.; Williams, B.T.; Kieres, J. A noval ion monitoring device. J. Electrost. 2005, 69, 533–538. [Google Scholar] [CrossRef]
- Seki, S.; Tamura, H.; Kanoh, T.; Satoh, T. Development of an instrument for simultaneous detection of positive and negative scanning ion images. Appl. Surf. Sci. 2004, 231, 976–980. [Google Scholar] [CrossRef]
- Li, W.; Wang, J.; Lu, Y.; Liu, F.; Tu, M. Development of automatic measurement instrument for atmospheric anion. Meteorol. Sci. Technol. 2008, 36, 834–836. (In Chinese) [Google Scholar]
- Fang, W.; Zhang, F.; Ding, Y.; Sheng, J. A New Sequential Image Prediction Method Based on LSTM and DCGAN. Comput. Mater. Contin. 2020, 64, 217–231. [Google Scholar] [CrossRef]
- Fang, W.; Pang, L.; Yi, W.N. Survey on the Application of Deep Reinforcement Learning in Image Processing. J. Artif. Intell. 2020, 2, 39–58. [Google Scholar] [CrossRef]
- Sunny, A.I.; Zhao, A.; Li, L.; Kanteh Sakiliba, S. Low-Cost IoT-Based Sensor System: A Case Study on Harsh Environmental Monitoring. Sensors 2021, 21, 214. [Google Scholar] [CrossRef]
- Jin, X.-B.; Yu, X.-H.; Su, T.-L.; Yang, D.-N.; Bai, Y.-T.; Kong, J.-L.; Wang, L. Distributed Deep Fusion Predictor for a Multi-Sensor System Based on Causality Entropy. Entropy 2021, 23, 219. [Google Scholar] [CrossRef]
- Ha, J.H.; Kim, Y.H.; Im, H.H.; Kim, N.Y.; Sim, S.; Yoon, Y. Error Correction of Meteorological Data Obtained with Mini-AWSs Based on Machine Learning. Adv. Meteorol. 2018, 2018, 7210137. [Google Scholar] [CrossRef] [Green Version]
- Liu, Y.; Wang, Y.-c.; Wang, R.-h.; Liu, Y.; Yuan, Q.-F.; Li, C. Spatiotemporal Characteristics of Negative Air Ions and Its Relationship with Meteorological Conditions in Pukou Nanjing. Resour. Environ. Yangtze Basin 2017, 26, 706–712. (In Chinese) [Google Scholar]
- Liu, J.; Liu, J.; Li, M. Study on quasi-static charge amplifier. Piezoelectric Acousto-Opt. 2007, 2, 156–157. [Google Scholar]
- Xu, X.; Qiu, Y.H. Air ion measuring instrument. Electron. Technol. 1995, 12, 13–15. (In Chinese) [Google Scholar]
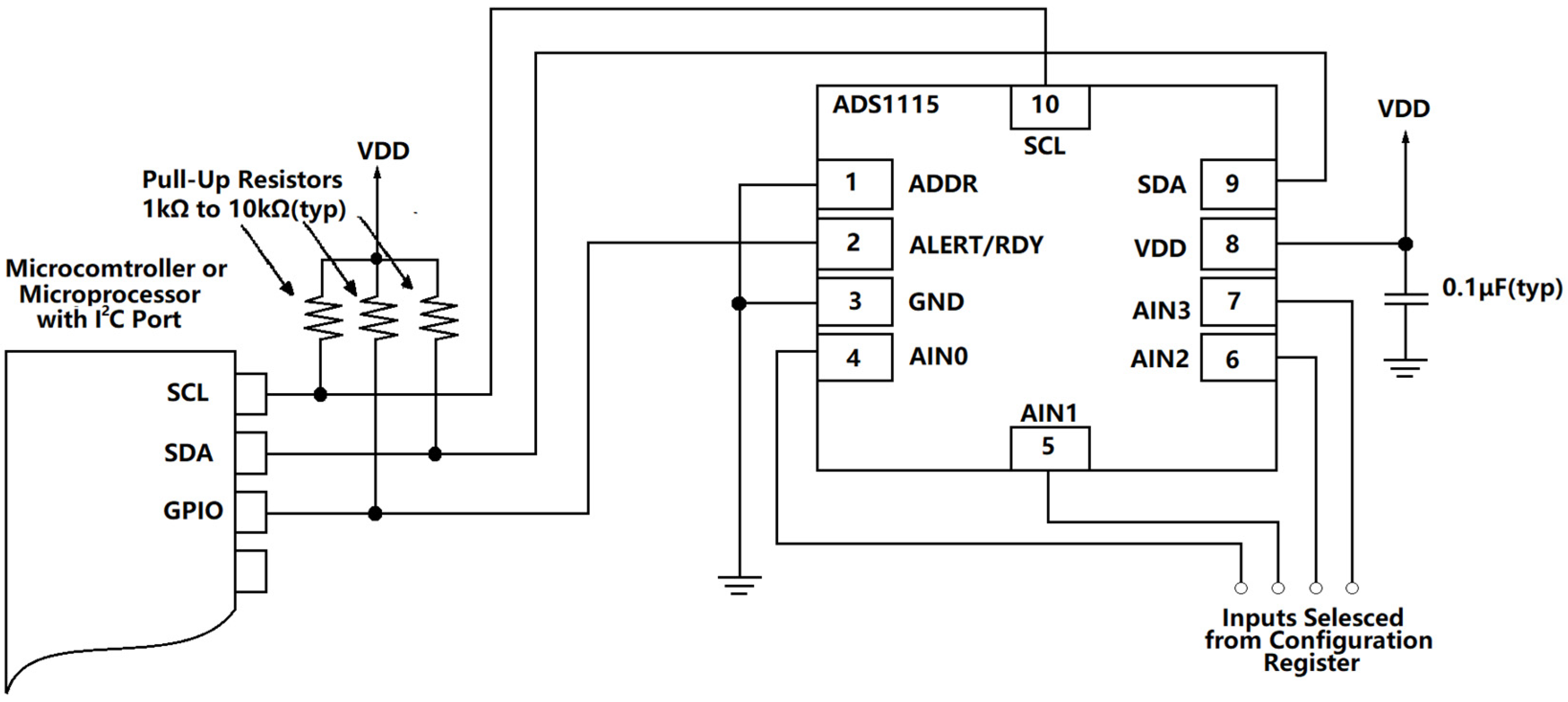
- Li, C.; Xiao, J.; Hua, M. Design of multi-channel low-power environmental parameter detection system based on ADS1115. J. Suzhou Univ. Sci. Technol. Eng. Technol. Ed. 2017, 30, 77–80. [Google Scholar]
- Han, D.; Wang, F. Application study of DHT11 digital temperature and humidity sensor. Electron. Des. Eng. 2013, 21, 83–85. [Google Scholar]
- Hu, C.; Xu, F.; Chen, Y. Common digital filtering algorithms and their applications. Technol. Wind. 2017, 13, 13. (In Chinese) [Google Scholar]
- Wu, Z.; Jian, J. Design and implementation of mobile GIS map engine. Surv. Spat. Geogr. Inf. 2012, 35, 143–145. [Google Scholar]














| Device | Sensors | Main Function |
|---|---|---|
| Detection device | Cylindrical sensor Charge amplifier Temperature and humidity sensor Digital to analog conversion module Power module | The sensor collects the negative oxygen ions in the air, converts the analog quantity into digital quantity after passing through the charge amplifier and A/D conversion module, and processes the data by the single-chip microcomputer. |
| Driverless device | Motor module Beidou positioning module Bluetooth module | The Bluetooth module controls the car movement, and the Beidou positioning module locates the car position in real time. |
| Data transmission device | Transmits the detection data to the terminal. |
| Performance Index | Index Value | |
|---|---|---|
| Ion mobility | Critical value | 0.4 cm2/(V s) |
| Maximum allowable error | ±10% (ion mobility ≥0.4 cm2/(V s)) | |
| Air anion concentration | Measuring range | 10 cm−3 (in the range of 10 to 5 × 105 cm−3) |
| Measurement error | ±15% (in the range of 10 to 5 × 105 cm−3) | |
| Single measurement interval | 5 min | |
| Sampling air velocity error | ≤10% | |
| Variation of polarization voltage between plates | ≤10% | |
| Allowable error of plate clearance | ≤10% | |
| Sampling frequency | ≥6 min−1 | |
| A/D conversion circuit | ≥16 | |
| Real-time clock error | ≤15 s/m | |
| Data storage time | ≥10 days | |
Publisher’s Note: MDPI stays neutral with regard to jurisdictional claims in published maps and institutional affiliations. |
© 2021 by the authors. Licensee MDPI, Basel, Switzerland. This article is an open access article distributed under the terms and conditions of the Creative Commons Attribution (CC BY) license (https://creativecommons.org/licenses/by/4.0/).
Share and Cite
Wang, J.; Xie, B.; Cai, J.; Wang, Y.; Chen, J.; Abro, M.I. Design and Implementation of an Atmospheric Anion Monitoring System Based on Beidou Positioning. Sensors 2021, 21, 6174. https://doi.org/10.3390/s21186174
Wang J, Xie B, Cai J, Wang Y, Chen J, Abro MI. Design and Implementation of an Atmospheric Anion Monitoring System Based on Beidou Positioning. Sensors. 2021; 21(18):6174. https://doi.org/10.3390/s21186174
Chicago/Turabian StyleWang, Jinhu, Binze Xie, Jiahan Cai, Yuhao Wang, Jiang Chen, and Muhammad Ilyas Abro. 2021. "Design and Implementation of an Atmospheric Anion Monitoring System Based on Beidou Positioning" Sensors 21, no. 18: 6174. https://doi.org/10.3390/s21186174
APA StyleWang, J., Xie, B., Cai, J., Wang, Y., Chen, J., & Abro, M. I. (2021). Design and Implementation of an Atmospheric Anion Monitoring System Based on Beidou Positioning. Sensors, 21(18), 6174. https://doi.org/10.3390/s21186174

