PEA Electromagnetic Distortion Reduction by Impedance Grounding and Pulsed Voltage Electrode Configurations
Abstract
:1. Introduction
2. Experimental Setup
2.1. PEA Test Cell
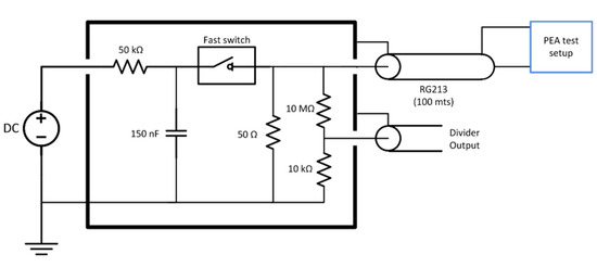
2.2. Pulsed Voltage Injection
2.3. HVDC Test Cable
3. Results and Discussion
3.1. Non-Coaxial Injection
- •
- The first parameter is the impedance between the electrode guards and the PEA test cell caused by increasing the distance between them and the semiconductor.
- •
- The second parameter is the addition of an impedance for high frequencies at the earthing line of the PEA test cell by means of adding N30 ferrites, as described in Section 2.2.
3.1.1. Non-Coaxial Injection at Different Semiconductor Distances
3.1.2. Non-Coaxial Injection with Inductive Ground Path
3.1.3. Non-Coaxial Injection Utilizing Semiconductor Distance and Inductive Ground Path
3.2. Coaxial Injection
4. Conclusions
Author Contributions
Funding
Institutional Review Board Statement
Informed Consent Statement
Conflicts of Interest
References
- Dissado, L.A.; Fothergill, J.C. Electrical Degradation and Breakdown in Polymers; IET: Stevenage, UK, 1992; ISBN 9780863411960. [Google Scholar]
- Mazzanti, G.; Marzinotto, M. 4-Space Charge in HVDC Extruded Insulation: Storage, Effects and Measurements Methods. In Extruded Cables for High-Voltage Direct-Current Transmission: Advances in Research and Development; Wiley-IEEE Press: New York, NY, USA, 2013; Volume 110. [Google Scholar]
- Li, Z.; Du, B. Polymeric insulation for high-voltage dc extruded cables: Challenges and development directions. IEEE Electr. Insul. Mag. 2018, 34, 30–43. [Google Scholar] [CrossRef]
- Bartnikas, R. Performance characteristics of dielectrics in the presence of space charge. IEEE Trans. Dielectr. Electr. Insul. 1997, 4, 544–557. [Google Scholar] [CrossRef]
- Zhang, Y.; Lewiner, J.; Alquié, C.; Hampton, N. Evidence of strong correlation between space-charge buildup and breakdown in cable insulation. IEEE Trans. Dielectr. Electr. Insul. 1996, 3, 778–783. [Google Scholar] [CrossRef]
- Dissado, L.A.; Mazzanti, G.; Montanari, G.C. The role of trapped space charges in the electrical aging of insulating materials. IEEE Trans. Dielectr. Electr. Insul. 1997, 4, 496–506. [Google Scholar] [CrossRef]
- Malrieu, S.; Notingher, P.; Pacreau, F.; Toureille, A. Influence of space charge on the breakdown of multilayered epoxy: A study by the thermal step method. In Proceedings of the IEEE 1997 Annual Report Conference on Electrical Insulation and Dielectric Phenomena, Minneapolis, MN, USA, 19–22 October 1997; Volume 1, pp. 88–91. [Google Scholar] [CrossRef]
- Li, J.; Zhang, Y.; Xia, Z.; Qin, X.; Peng, Z. Action of space charge on aging and breakdown of polymers. Chin. Sci. Bull. 2001, 46, 796–800. [Google Scholar] [CrossRef]
- Mazzanti, G.; Montanari, G.C.; Dissado, L.A. Electrical aging and life models: The role of space charge. IEEE Trans. Dielectr. Electr. Insul. 2005, 12, 876–890. [Google Scholar] [CrossRef]
- Dissado, L.A.; Mazzanti, G.; Montanari, G.C. Elemental strain and trapped space charge in thermoelectrical aging of insulating materials. Part 1: Elemental strain under thermo-electrical-mechanical stress. IEEE Trans. Dielectr. Electr. Insul. 2001, 8, 959–965. [Google Scholar] [CrossRef]
- Mazzanti, G.; Montanari, G.C.; Dissado, L.A. Elemental strain and trapped space charge in thermoelectrical aging of insulating materials: Life modeling. IEEE Trans. Dielectr. Electr. Insul. 2001, 8, 966–971. [Google Scholar] [CrossRef]
- Das, S.; Gupta, N. Effect of ageing on space charge distribution in homogeneous and composite dielectrics. IEEE Trans. Dielectr. Electr. Insul. 2015, 22, 541–547. [Google Scholar] [CrossRef]
- Liu, Y.; Liu, H.; Yu, L.; Li, Y.; Gao, L. Effect of thermal stress on the space charge distribution of 160 kV HVDC cable insulation material. IEEE Trans. Dielectr. Electr. Insul. 2017, 24, 1355–1364. [Google Scholar] [CrossRef]
- Chen, X.; Dai, C.; Yu, L.; Jiang, C.; Zhou, H.; Tanaka, Y. Effect of thermal ageing on charge dynamics and material properties of 320 kV HVDC XLPE. IEEE Trans. Dielectr. Electr. Insul. 2019, 26, 1797–1804. [Google Scholar] [CrossRef]
- Hu, S.; Wang, W.; Dang, B.; Zhou, Y.; Yuan, C.; Hu, J.; Li, Q.; He, J. Thermal properties and space charge behavior of thermally aged polypropylene/elastomer blends nanocomposite. IEEE Trans. Dielectr. Electr. Insul. 2020, 27, 521–527. [Google Scholar] [CrossRef]
- Holé, S.; Ditchi, T.; Lewiner, J. Non-destructive methods for space charge distribution measurements: What are the differences? IEEE Trans. Dielectr. Electr. Insul. 2003, 10, 670–677. [Google Scholar] [CrossRef]
- Imburgia, A.; Miceli, R.; Sanseverino, E.R.; Romano, P.; Viola, F. Review of space charge measurement systems: Acoustic, thermal and optical methods. IEEE Trans. Dielectr. Electr. Insul. 2016, 23, 3126–3142. [Google Scholar] [CrossRef]
- Zhang, Y.; Li, J.; Peng, Z.; Qin, X.; Xia, Z. Research of space charge in solid dielectrics in China. IEEE Electr. Insul. Mag. 2001, 17, 25–30. [Google Scholar] [CrossRef]
- Liu, R.; Törnkvist, C.; Jeroense, M. Space-charge measurement technologies and their potential applications. Sens. Mater. 2017, 29, 1089–1098. [Google Scholar] [CrossRef]
- Takeda, T.; Hozumi, N.; Suzuki, H.; Fujii, K.; Terashima, K.; Hara, M.; Mutrata, Y.; Wantanabe, K.; Yoshida, M. Space charge behavior in full-size 250 kV DC XLPE cables. IEEE Trans. Power Deliv. 1998, 13, 28–39. [Google Scholar] [CrossRef]
- Terashima, K.; Suzuki, H.; Hara, M.; Watanabe, K. Research and development of ±250 kV DC XLPE cables. IEEE Trans. Power Deliv. 1998, 13, 7–16. [Google Scholar] [CrossRef]
- Takada, T. Acoustic and optical methods for measuring electric charge distributions in dielectrics. In Proceedings of the 1999 Annual Report Conference on Electrical Insulation and Dielectric Phenomena (Cat. No.99CH36319), Austin, TX, USA, 17–20 October 1999; Volume 1, pp. 1–14. [Google Scholar] [CrossRef]
- Mazzanti, G.; Chen, G.; Fothergill, J.C.; Hozumi, N.; Li, J.; Marzinotto, M.; Mauseth, F.; Morshuis, P.; Reed, C.; Tzimas, A.; et al. A protocol for space charge measurements in full-size HVDC extruded cables. IEEE Trans. Dielectr. Electr. Insul. 2015, 22, 21–34. [Google Scholar] [CrossRef] [Green Version]
- IEEE. IEEE Recommended Practice for Space Charge Measurements on High-Voltage Direct-Current Extruded Cables for Rated Voltages up to 550 kV. IEEE Std 1732TM-2017; IEEE: New York, NY, USA, 2017; ISBN 978-1-5044-3917-6. [Google Scholar]
- Fu, M.; Dissado, L.A.; Chen, G.; Fothergill, J.C. Space charge formation and its modified electric field under applied voltage reversal and temperature gradient in XLPE cable. IEEE Trans. Dielectr. Electr. Insul. 2008, 15, 851–860. [Google Scholar] [CrossRef] [Green Version]
- Ma, Z.; Yang, L.; Bhutta, M.S.; Bian, H.; Khan, M.Z. Effect of Thickness on the Space Charge Behavior and DC Breakdown Strength of Cross-Linked Polyethylene Insulation. IEEE Access 2020, 8, 85552–85566. [Google Scholar] [CrossRef]
- Mier Escurra, G.; Rodrigo Mor, A.; Vaessen, P. Influence of the Pulsed Voltage Connection on the Electromagnetic Distortion in Full-Size HVDC Cable PEA Measurements. Sensors 2020, 20, 3087. [Google Scholar] [CrossRef]
- Imburgia, A.; Romano, P.; Chen, G.; Rizzo, G.; Riva Sanseverino, E.; Viola, F.; Ala, G. The Industrial Applicability of PEA Space Charge Measurements, for Performance Optimization of HVDC Power Cables. Energies 2019, 12, 4186. [Google Scholar] [CrossRef] [Green Version]
- Li, Y.; Yasuda, M.; Takada, T. Pulsed Electroacoustic Method for Measurement of Charge Accumulation in Solid Dielectrics. IEEE Trans. Dielectr. Electr. Insul. 1994, 1, 188–195. [Google Scholar] [CrossRef]
- Holé, S. Behind space charge distribution measurements. IEEE Trans. Dielectr. Electr. Insul. 2012, 19, 1208–1214. [Google Scholar] [CrossRef]
- Wang, X.; Hao, J.Q.; Xiong, J.Z.; Chen, C.; Wu, K.; Fu, M.L.; Chen, G. Comparison and analysis of three pulse injection methods in the pulsed electroacoustic technique used for long cables. IEEE Electr. Insul. Mag. 2018, 34, 17–31. [Google Scholar] [CrossRef]











| Property | Value |
|---|---|
| Inner conductor (diameter) | 62.3 mm |
| Inner semi-conductive layer thickness | 1.9 mm |
| Insulation thickness (XLPE) | 21.5 mm |
| Outer semi-conductive layer thickness | 1.5 mm |
| Exposed semiconductor length | 1.5 m |
| Total cable length | 9 m |
| Cable weight | 34.1 kg/m |
| Case | ||
|---|---|---|
| Case Nn0d0 | 0 | 0 cm |
| Case Nn0d9 | 0 | 9 cm |
| Case Nn0d18 | 0 | 18 cm |
| Case Nn0d27 | 0 | 27 cm |
| Case Nn4d0 | 34.8 µH (4 N30 ferrites) | 0 cm |
| Case Nn8d0 | 69.6 µH (8 N30 ferrites) | 0 cm |
| Case Nn8d18 | 69.6 µH (8 N30 ferrites) | 18 cm |
| Case | ||
|---|---|---|
| Case Cn0d0 | 0 | 0 cm |
| Case Cn0d9 | 0 | 9 cm |
| Case Cn4d0 | 34.8 µH (4 N30 ferrites) | 0 cm |
| Case Cn8d0 | 69.6 µH (8 N30 ferrites) | 0 cm |
Publisher’s Note: MDPI stays neutral with regard to jurisdictional claims in published maps and institutional affiliations. |
© 2021 by the authors. Licensee MDPI, Basel, Switzerland. This article is an open access article distributed under the terms and conditions of the Creative Commons Attribution (CC BY) license (https://creativecommons.org/licenses/by/4.0/).
Share and Cite
Mier Escurra, G.; Rodrigo Mor, A.; Castro, L.C.; Vaessen, P. PEA Electromagnetic Distortion Reduction by Impedance Grounding and Pulsed Voltage Electrode Configurations. Sensors 2021, 21, 5837. https://doi.org/10.3390/s21175837
Mier Escurra G, Rodrigo Mor A, Castro LC, Vaessen P. PEA Electromagnetic Distortion Reduction by Impedance Grounding and Pulsed Voltage Electrode Configurations. Sensors. 2021; 21(17):5837. https://doi.org/10.3390/s21175837
Chicago/Turabian StyleMier Escurra, Guillermo, Armando Rodrigo Mor, Luis Carlos Castro, and Peter Vaessen. 2021. "PEA Electromagnetic Distortion Reduction by Impedance Grounding and Pulsed Voltage Electrode Configurations" Sensors 21, no. 17: 5837. https://doi.org/10.3390/s21175837
APA StyleMier Escurra, G., Rodrigo Mor, A., Castro, L. C., & Vaessen, P. (2021). PEA Electromagnetic Distortion Reduction by Impedance Grounding and Pulsed Voltage Electrode Configurations. Sensors, 21(17), 5837. https://doi.org/10.3390/s21175837

