NiO Nanoparticles for Electrochemical Insulin Detection
Abstract
:1. Introduction
2. Materials and Methods
2.1. Chemicals and Reagents
2.2. Instruments
2.3. SPCE Modification Procedure
3. Results and Discussion
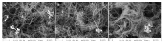
3.1. Scanning Electron Microscopy
3.2. X-ray Photoelectron Spectroscopy
3.3. Active Surface Area and Electrochemical Mechanism Study
3.4. Electroanalytical Properties Study
3.5. Stability Study
3.6. Influence of the Temperature Study
4. Conclusions
Supplementary Materials
Author Contributions
Funding
Conflicts of Interest
References
- Wang, J.; Musameh, M. Electrochemical detection of trace insulin at carbon-nanotube-modified electrodes. Anal. Chim. Acta 2004, 511, 33–36. [Google Scholar] [CrossRef]
- Alberti, K.G.; Zimmet, P.Z.; Grady, N.P.O.; Raad, I.I.; Rijnders, B.J.A.; Sherertz, R.J.; David, K.; Supiyev, A.; Kossumov, A.; Kassenova, A.; et al. NIH Public Access. Diabet. Med. 2014, 15, 6–12. [Google Scholar] [CrossRef]
- Mayer, J.P.; Zhang, F.; DiMarchi, R.D. Insulin Structure and Function. Mem. Fukui Prefect. Dinosaur Museum 2007, 88, 687–713. [Google Scholar] [CrossRef] [PubMed]
- Sisolakova, I.; Hovancova, J.; Orinakova, R.; Orinak, A.; Garcia, D.R.; Shylenko, O.; Radonak, J. Comparison of Insulin Determination on NiNPs/chitosan-MWCNTs and NiONPs/chitosan-MWCNTs Modified Pencil Graphite Electrode. Electroanalysis 2019, 103–112. [Google Scholar] [CrossRef] [Green Version]
- Rinderknecht, E.; Humbel, R.E. Primary structure of human insulin-like growth factor II. FEBS Lett. 1978, 89, 283–286. [Google Scholar] [CrossRef] [Green Version]
- De Meyts, P. Insulin and its receptor: Structure, function and evolution. BioEssays 2004, 26, 1351–1362. [Google Scholar] [CrossRef] [PubMed]
- Duvnjak, L.; Blaslov, K.; Vučić Lovrenčić, M.; Knežević Ćuća, J. Persons with latent autoimmune diabetes in adults express higher dipeptidyl peptidase-4 activity compared to persons with type 2 and type 1 diabetes. Diabetes Res. Clin. Pract. 2016, 121, 119–126. [Google Scholar] [CrossRef] [Green Version]
- Arvinte, A.; Westermann, A.C.; Sesay, A.M.; Virtanen, V. Electrocatalytic oxidation and determination of insulin at CNT-nickel-cobalt oxide modified electrode. Sens. Actuators B Chem. 2010, 150, 756–763. [Google Scholar] [CrossRef]
- Cho, H.; Kumar, S.; Yang, D.; Vaidyanathan, S.; Woo, K.; Garcia, I.; Shue, H.J.; Yoon, Y.; Ferreri, K.; Choo, H. Surface-Enhanced Raman Spectroscopy-Based Label-Free Insulin Detection at Physiological Concentrations for Analysis of Islet Performance. ACS Sens. 2018, 3, 65–71. [Google Scholar] [CrossRef]
- Verma, R.; Daya, K.S. Microwave sensing of pM concentration of insulin in buffer solution using WGM-DR. In Proceedings of the 2013 Seventh International Conference on Sensing Technology (ICST), Wellington, New Zealand, 3–5 December 2013. [Google Scholar] [CrossRef]
- Sabu, C.; Henna, T.K.; Raphey, V.R.; Nivitha, K.P.; Pramod, K. Biosensors and Bioelectronics Advanced biosensors for glucose and insulin. Biosens. Bioelectron. 2019, 141, 111201. [Google Scholar] [CrossRef]
- Yu, Y.; Guo, M.; Yuan, M.; Liu, W.; Hu, J. Nickel nanoparticle-modified electrode for ultra-sensitive electrochemical detection of insulin. Biosens. Bioelectron. 2016, 77, 215–219. [Google Scholar] [CrossRef] [PubMed]
- Šišoláková, I.; Hovancová, J.; Oriňaková, R.; Oriňak, A.; Trnková, L.; Třísková, I.; Farka, Z.; Pastucha, M.; Radoňák, J. Electrochemical determination of insulin at CuNPs/chitosan-MWCNTs and CoNPs/chitosan-MWCNTs modified screen printed carbon electrodes. J. Electroanal. Chem. 2020, 860, 113881. [Google Scholar] [CrossRef]
- Li, Y.; Tian, L.; Liu, L.; Khan, M.S.; Zhao, G.; Fan, D.; Cao, W.; Wei, Q. Dual-responsive electrochemical immunosensor for detection of insulin based on dual-functional zinc silicate spheres-palladium nanoparticles. Talanta 2018, 179, 420–425. [Google Scholar] [CrossRef] [PubMed]
- Rafiee, B.; Fakhari, A.R. Electrocatalytic oxidation and determination of insulin at nickel oxide nanoparticles-multiwalled carbon nanotube modified screen printed electrode. Biosens. Bioelectron. 2013, 46, 130–135. [Google Scholar] [CrossRef]
- Prasad, B.B.; Madhuri, R.; Tiwari, M.P.; Sharma, P.S. Imprinting molecular recognition sites on multiwalled carbon nanotubes surface for electrochemical detection of insulin in real samples. Electrochim. Acta 2010, 55, 9146–9156. [Google Scholar] [CrossRef]
- Zarei, K.; Khodadadi, A. Very sensitive electrochemical determination of diuron on glassy carbon electrode modified with reduced graphene oxide–gold nanoparticle–Nafion composite film. Ecotoxicol. Environ. Saf. 2017, 144, 171–177. [Google Scholar] [CrossRef] [PubMed]
- Abazar, F.; Noorbakhsh, A. Chitosan-carbon quantum dots as a new platform for highly sensitive insulin impedimetric aptasensor. Sens. Actuators B Chem. 2020, 304, 127281. [Google Scholar] [CrossRef]
- Yagati, A.K.; Choi, Y.; Park, J.; Choi, J.W.; Jun, H.S.; Cho, S. Silver nanoflower-reduced graphene oxide composite based micro-disk electrode for insulin detection in serum. Biosens. Bioelectron. 2016, 80, 307–314. [Google Scholar] [CrossRef]
- Šišoláková, I.; Hovancová, J.; Oriňaková, R.; Oriňak, A.; Trnková, L.; García, D.R.; Radoňak, J. Influence of a polymer membrane on the electrochemical determination of insulin in nanomodified screen printed carbon electrodes. Bioelectrochemistry 2019, 130. [Google Scholar] [CrossRef]
- Yokuş, Ö.A.; Kardaş, F.; Akyildirim, O.; Eren, T.; Atar, N.; Yola, M.L. Sensitive voltammetric sensor based on polyoxometalate/reduced graphene oxide nanomaterial: Application to the simultaneous determination of l-tyrosine and l-tryptophan. Sens. Actuators B Chem. 2016, 233, 47–54. [Google Scholar] [CrossRef]
- Jaafariasl, M.; Shams, E.; Amini, M.K. Silica gel modified carbon paste electrode for electrochemical detection of insulin. Electrochim. Acta 2011, 56, 4390–4395. [Google Scholar] [CrossRef]
- Erdelyi, B.; Oriňak, A.; Oriňaková, R.; Lorinčík, J.; Jerigová, M.; Velič, D.; Mičušík, M.; Omastová, M.; Smith, R.M.; Girman, V. Catalytic activity of mono and bimetallic Zn/Cu/MWCNTs catalysts for the thermocatalyzed conversion of methane to hydrogen. Appl. Surf. Sci. 2017, 396, 574–581. [Google Scholar] [CrossRef]
- Weidler, N.; Schuch, J.; Knaus, F.; Stenner, P.; Hoch, S.; Maljusch, A.; Schäfer, R.; Kaiser, B.; Jaegermann, W. X-ray Photoelectron Spectroscopic Investigation of Plasma-Enhanced Chemical Vapor Deposited NiOx, NiOx(OH)y, and CoNiOx(OH)y: Influence of the Chemical Composition on the Catalytic Activity for the Oxygen Evolution Reaction. J. Phys. Chem. C 2017, 121, 6455–6463. [Google Scholar] [CrossRef]
- Šišoláková, I.; Hovancová, J.; Chovancová, F.; Oriňaková, R.; Maskaľová, I.; Oriňak, A.; Radoňak, J. Zn Nanoparticles Modified Screen Printed Carbon Electrode as a Promising Sensor for Insulin Determination. Electroanalysis 2021, 33, 627–634. [Google Scholar] [CrossRef]
- Lu, L.; Liang, L.; Xie, Y.; Tang, K.; Wan, Z.; Chen, S. A nickel nanoparticle/carbon nanotube-modified carbon fiber microelectrode for sensitive insulin detection. J. Solid State Electrochem. 2018, 22, 825–833. [Google Scholar] [CrossRef]
- Hasanzadeh, M.; Shadjou, N.; Marandi, M. Graphene quantum dots functionalized by chitosan and β-cyclodextrin: An advanced nanocomposite for sensing of multi-analytes at physiological pH. J. Nanosci. Nanotechnol. 2017, 17, 4598–4607. [Google Scholar] [CrossRef]
- Wu, Y.; Midinov, B.; White, R.J. Electrochemical aptamer-based sensor for real-Time monitoring of insulin. ACS Sens. 2019, 4, 498–503. [Google Scholar] [CrossRef] [PubMed]
- Businova, P.; Prasek, J.; Chomoucka, J.; Drbohlavova, J.; Pekarek, J.; Hrdy, R.; Hubalek, J. Voltammetric sensor for direct insulin detection. Procedia Eng. 2012, 47, 1235–1238. [Google Scholar] [CrossRef] [Green Version]
- Salimi, A.; Noorbakhash, A.; Sharifi, E.; Semnani, A. Highly sensitive sensor for picomolar detection of insulin at physiological pH, using GC electrode modified with guanine and electrodeposited nickel oxide nanoparticles. Biosens. Bioelectron. 2008, 24, 792–798. [Google Scholar] [CrossRef]
- Martínez-Periñán, E.; Revenga-Parra, M.; Gennari, M.; Pariente, F.; Mas-Ballesté, R.; Zamora, F.; Lorenzo, E. Insulin sensor based on nanoparticle-decorated multiwalled carbon nanotubes modified electrodes. Sens. Actuators B Chem. 2016, 222, 331–338. [Google Scholar] [CrossRef] [Green Version]
- Pikulski, M.; Gorski, W. Iridium-based electrocatalytic systems for the determination of insulin. Anal. Chem. 2000, 72, 2696–2702. [Google Scholar] [CrossRef] [PubMed]
- Zhang, M.; Mullens, C.; Gorski, W. Insulin oxidation and determination at carbon electrodes. Anal. Chem. 2005, 77, 6396–6401. [Google Scholar] [CrossRef] [PubMed]
- Wang, J.; Tangkuaram, T.; Loyprasert, S.; Vazquez-Alvarez, T.; Veerasai, W.; Kanatharana, P.; Thavarungkul, P. Electrocatalytic detection of insulin at RuOx/carbon nanotube-modified carbon electrodes. Anal. Chim. Acta 2007, 581, 1–6. [Google Scholar] [CrossRef] [PubMed]















| Electrode | Linear Range | Limit of Detection | Sensitivity | Method | Refs. |
|---|---|---|---|---|---|
| AgNF/rGO/MDEA | 1 µm–1 mM | 50 µM | - | Impedance spectroscopy | [19] |
| NiNP/CNT/CFME | 2 µM–20 µM | 270 nM | 1.11 nAµM−1 | Cyclic voltammetry | [26] |
| MWCNT/DMF/CE | 250 nM–1.6 µM | - | - | Cyclic voltammetry | [29] |
| NiOx/guanine/GC | Up to 4 µM | 22 pM | 100.9 pApM−1 | Cyclic voltammetry | [30] |
| Ni(OH)2 NP/Nafion-MWCNT/GC | Up to 10 µM | 85 nM | 5.0 AµM−1cm−2 | Amperometry | [31] |
| IrOx film electrode | 0.05–0.5 µM | 20 nM | 35.2 nAµM−1 | Amperometry | [32] |
| CHIT-CNT/GC | 0.1–3 µM | 30 nM | 135 mAM−1cm−2 | Amperometry | [33] |
| RuOx/CNT/CE | 10–800 nM | - | 541 nAµM−1 | Flow-injection amperometry | [34] |
| Si-CPE | 90–1400 pM | 36 pM | 107.3 pApM−1 | Amperometry | [22] |
| 3D gold nanoparticles pillars/ITO | 100 pM–50 nM | 35 pM | - | Raman spectroscopy | [9] |
| WGE800 | - | 35 pM | - | Whispering gallery mode | [10] |
| SPCE/MWCNT/ NiO1.5 | 600 nM–10 µM | 19.6 nM | 7.06 µAµM−1 | Amperometry | This work |
Publisher’s Note: MDPI stays neutral with regard to jurisdictional claims in published maps and institutional affiliations. |
© 2021 by the authors. Licensee MDPI, Basel, Switzerland. This article is an open access article distributed under the terms and conditions of the Creative Commons Attribution (CC BY) license (https://creativecommons.org/licenses/by/4.0/).
Share and Cite
Shepa, J.; Šišoláková, I.; Vojtko, M.; Trnková, L.; Nagy, G.; Maskaľová, I.; Oriňak, A.; Oriňaková, R. NiO Nanoparticles for Electrochemical Insulin Detection. Sensors 2021, 21, 5063. https://doi.org/10.3390/s21155063
Shepa J, Šišoláková I, Vojtko M, Trnková L, Nagy G, Maskaľová I, Oriňak A, Oriňaková R. NiO Nanoparticles for Electrochemical Insulin Detection. Sensors. 2021; 21(15):5063. https://doi.org/10.3390/s21155063
Chicago/Turabian StyleShepa, Jana, Ivana Šišoláková, Marek Vojtko, Libuše Trnková, Géza Nagy, Iveta Maskaľová, Andrej Oriňak, and Renáta Oriňaková. 2021. "NiO Nanoparticles for Electrochemical Insulin Detection" Sensors 21, no. 15: 5063. https://doi.org/10.3390/s21155063
APA StyleShepa, J., Šišoláková, I., Vojtko, M., Trnková, L., Nagy, G., Maskaľová, I., Oriňak, A., & Oriňaková, R. (2021). NiO Nanoparticles for Electrochemical Insulin Detection. Sensors, 21(15), 5063. https://doi.org/10.3390/s21155063

