New Sensor Device to Accurately Measure Cable Tension in Cable-Driven Parallel Robots
Abstract
1. Introduction
- CDPRs present the most light-weight structure for a manipulator from the point of view of structural design [1].
- The motors only have to move the payload and the cables; therefore, CDPRs are able to move a much higher mass or to employ less energy.
- CDPRs can cover large workspaces, since very long cables are easy to wind [4].
2. Materials and Methods
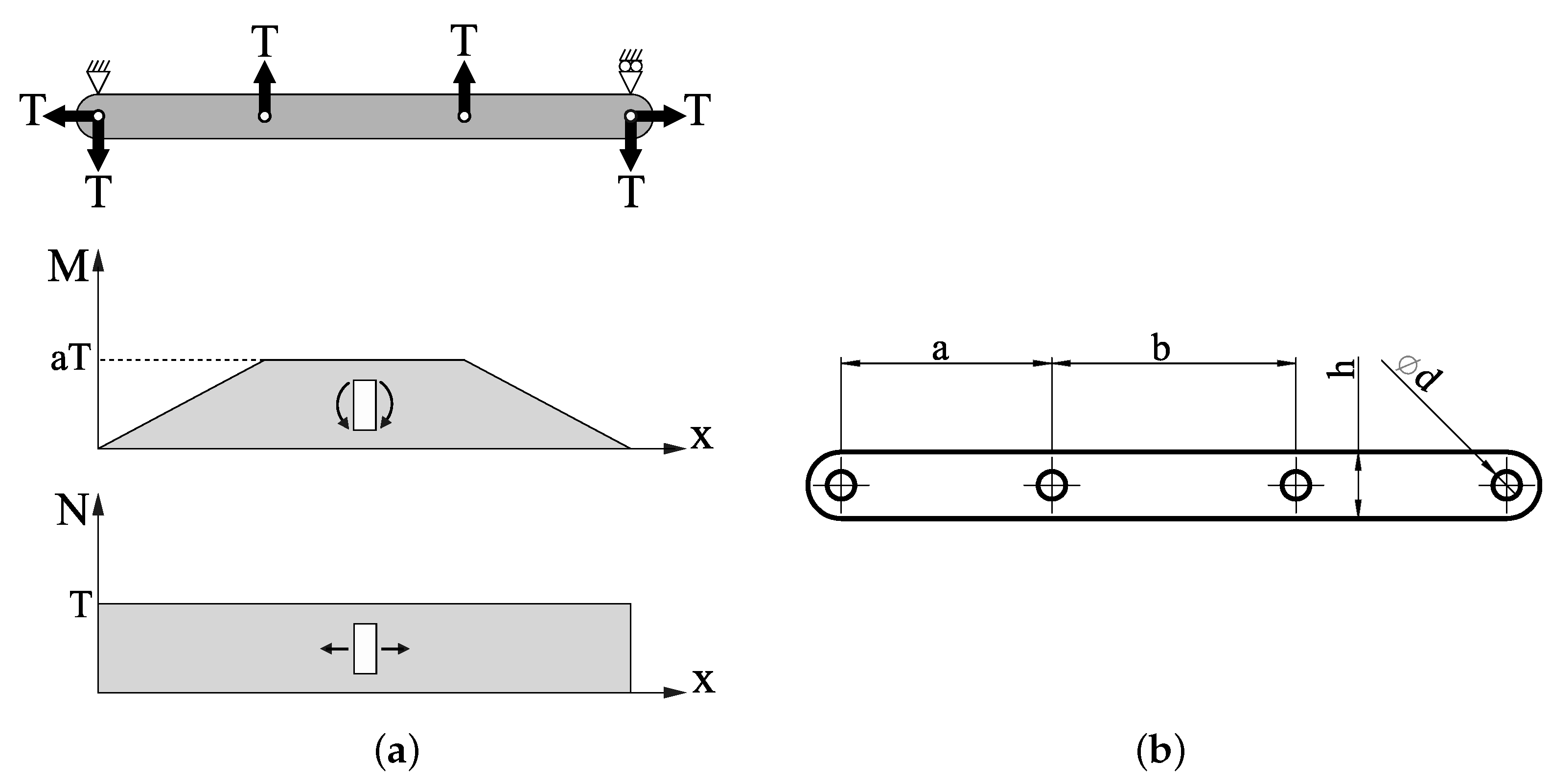
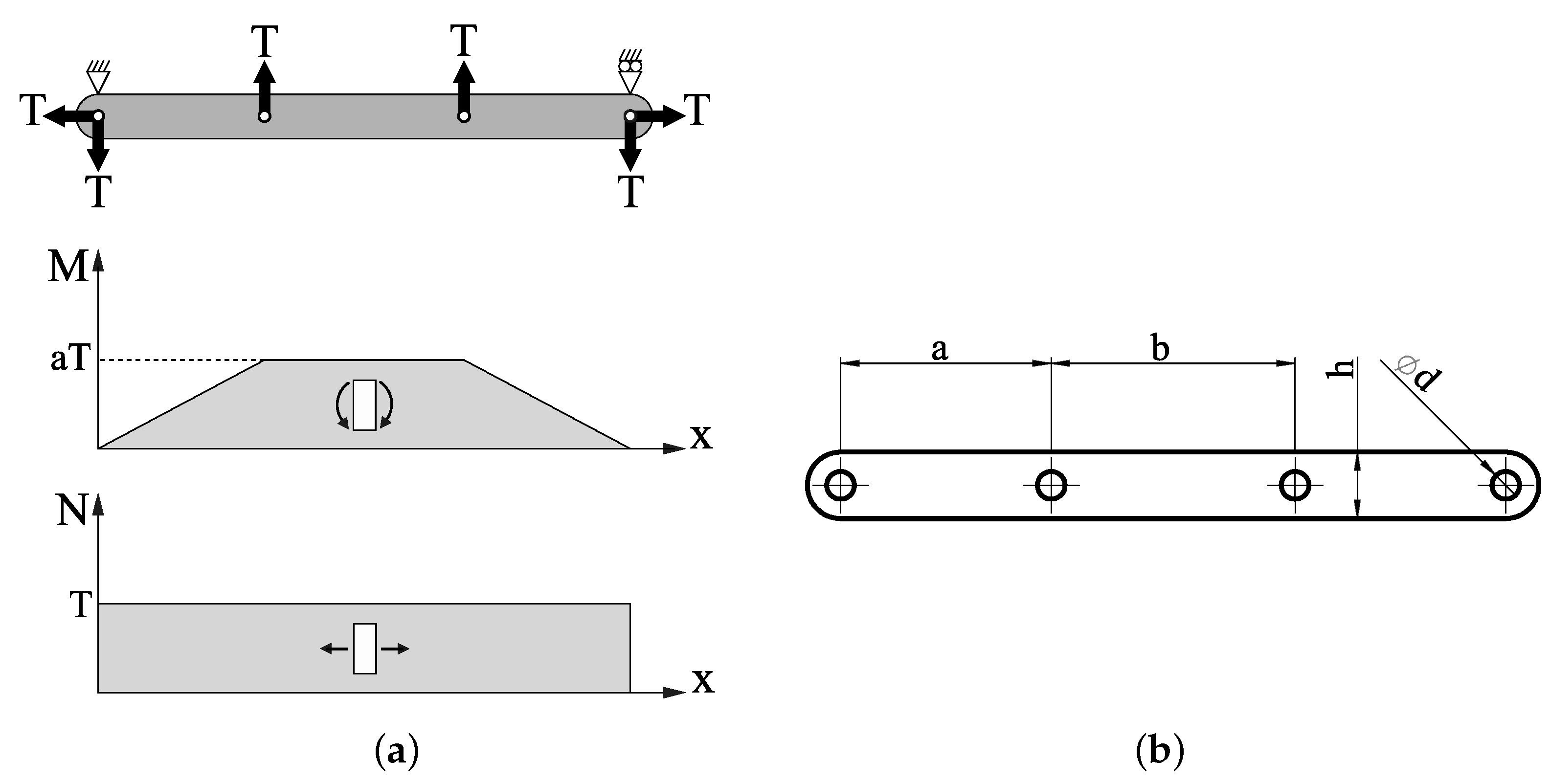
2.1. Mechanical Approach
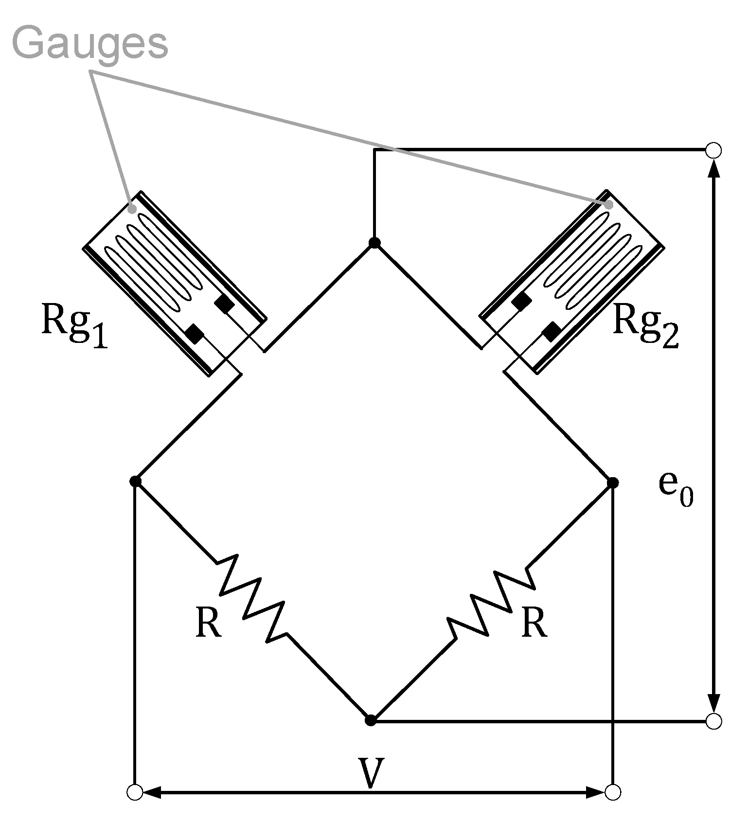
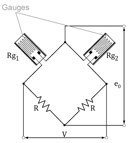
2.2. Electronics and Instrumentation
2.3. Prototype
3. Validation and Results
3.1. Experiments Protocol for Validation
3.2. Repeatability
3.3. Linearity and Calibration
3.4. Dynamics Analysis
4. Conclusions
Author Contributions
Funding
Institutional Review Board Statement
Informed Consent Statement
Data Availability Statement
Conflicts of Interest
References
- Pott, A. Introduction. In Cable-Driven Parallel Robots: Theory and Application; Springer International Publishing: Cham, Switzerland, 2018; pp. 1–13. [Google Scholar]
- Khosravi, M.A.; Taghirad, H.D. Robust PID control of cable-driven robots with elastic cables. In Proceedings of the 2013 First RSI/ISM International Conference on Robotics and Mechatronics (ICRoM), Tehran, Iran, 13–15 February 2013; pp. 331–336. [Google Scholar]
- Tadokoro, S.; Murao, Y.; Hiller, M.; Murata, R.; Kohkawa, H.; Matsushima, T. A motion base with 6-DOF by parallel cable drive architecture. IEEE/ASME Trans. Mechatron. 2002, 7, 115–123. [Google Scholar] [CrossRef]
- Zi, B.; Duan, B.; Du, J.; Bao, H. Dynamic modeling and active control of a cable-suspended parallel robot. Mechatronics 2008, 18, 1–12. [Google Scholar] [CrossRef]
- Wang, T.; Tong, S.; Yi, J.; Li, H. Adaptive inverse control of cable-driven parallel system based on type-2 fuzzy logic systems. IEEE Trans. Fuzzy Syst. 2014, 23, 1803–1816. [Google Scholar] [CrossRef]
- Schenk, C. Modelling and Control of a Cable-Driven Parallel Robot: Methods for Vibration Reduction and Motion Quality Improvement. Master’s Thesis, Universitat Stuttgart, Stuttgart, Germany, 2019. [Google Scholar]
- Zake, Z.; Chaumette, F.; Pedemonte, N.; Caro, S. Vision-based control and stability analysis of a cable-driven parallel robot. IEEE Robot. Autom. Lett. 2019, 4, 1029–1036. [Google Scholar] [CrossRef]
- Alp, A.B.; Agrawal, S.K. Cable suspended robots: Design, planning and control. In Proceedings of the 2002 IEEE International Conference on Robotics and Automation (ICRA’02), Washington, DC, USA, 11–15 May 2002; Volume 4, pp. 4275–4280. [Google Scholar]
- Alp, A.; Agrawal, S.K. Cable suspended robots: Feedback controllers with positive inputs. In Proceedings of the 2002 American Control Conference, Anchorage, AK, USA, 8–10 May 2002; Volume 1, pp. 815–820. [Google Scholar]
- Oh, S.R.; Agrawal, S.K. Cable-suspended planar parallel robots with redundant cables: Controllers with positive cable tensions. In Proceedings of the 2003 IEEE International Conference on Robotics and Automation, Taipei, Taiwan, 14–19 September 2003; Volume 3, pp. 3023–3028. [Google Scholar]
- Zheng, Y.Q. Feedback Linearization Control of a Wire-Driven Parallel Support System in Wind Tunnels. In Proceedings of the Sixth International Conference on Intelligent Systems Design and Applications, Jian, China, 16–18 October 2006. [Google Scholar]
- Zarebidoki, M.; Lotfavar, A.; Fahham, H. Effectiveness of adaptive passivity-based trajectory tracking control of a cable-suspended robot. In Proceedings of the International Conference on Trends in Mechanical and Industrial Engineering, Bangkok, Thailand, 23–24 December 2011. [Google Scholar]
- Gonzalez-Rodriguez, A.; Castillo-Garcia, F.; Ottaviano, E.; Rea, P.; Gonzalez-Rodriguez, A. On the effects of the design of cable-Driven robots on kinematics and dynamics models accuracy. Mechatronics 2017, 43, 18–27. [Google Scholar] [CrossRef]
- Dallej, T.; Gouttefarde, M.; Andreff, N.; Dahmouche, R.; Martinet, P. Vision-based modeling and control of large-dimension cable-driven parallel robots. In Proceedings of the 2012 IEEE/RSJ International Conference on Intelligent Robots and Systems, Vilamoura-Algarve, Portugal, 7–12 October 2012; pp. 1581–1586. [Google Scholar]
- Castillo-Garcia, F.; Rea, P.; Gonzalez-Rodriguez, A.; Ottaviano, E. On the Design of a 4 Degrees-of-Freedom Pick and Place Cable Suspended Parallel Manipulator. Int. J. Robot. Autom. (IJRA) 2017, 6, 286–302. [Google Scholar] [CrossRef]
- Pott, A.; Mütherich, H.; Kraus, W.; Schmidt, V.; Miermeister, P.; Verl, A. IPAnema: A family of cable-driven parallel robots for industrial applications. In Cable-Driven Parallel Robots; Springer: Cham, Switzerland, 2013; pp. 119–134. [Google Scholar]
- Kraus, W.; Schmidt, V.; Rajendra, P.; Pott, A. System identification and cable force control for a cable-driven parallel robot with industrial servo drives. In Proceedings of the 2014 IEEE International Conference on Robotics and Automation (ICRA), Hong Kong, China, 31 May–7 June 2014; pp. 5921–5926. [Google Scholar]
- Kraus, W.; Miermeister, P.; Schmidt, V.; Pott, A. Hybrid position-force control of a cable-driven parallel robot with experimental evaluation. Mech. Sci. 2015, 6, 119–125. [Google Scholar] [CrossRef]
- Reichert, C.; Bruckmann, T. Unified contact force control approach for cable-driven parallel robots using an impedance/admittance control strategy. In Proceedings of the 14th IFToMM World Congress, Taipei, Taiwan, 25–30 October 2015; pp. 645–654. [Google Scholar]
- Ho, W.Y.; Kraus, W.; Mangold, A.; Pott, A. Haptic interaction with a cable-driven parallel robot using admittance control. In Cable-Driven Parallel Robots; Springer: Cham, Switzerland, 2015; pp. 201–212. [Google Scholar]
- Kraus, W.; Schmidt, V.; Rajendra, P.; Pott, A. Load identification and compensation for a cable-driven parallel robot. In Proceedings of the 2013 IEEE International Conference on Robotics and Automation, Karlsruhe, Germany, 6–10 May 2013; pp. 2485–2490. [Google Scholar]
- Kraus, W.; Kessler, M.; Pott, A. Pulley friction compensation for winch-integrated cable force measurement and verification on a cable-driven parallel robot. In Proceedings of the 2015 IEEE International Conference on Robotics and Automation (ICRA), Seattle, WA, USA, 26–30 May 2015; pp. 1627–1632. [Google Scholar]
- Piao, J.; Kim, E.S.; Choi, H.; Moon, C.B.; Choi, E.; Park, J.O.; Kim, C.S. Indirect force control of a cable-driven parallel robot: Tension estimation using artificial neural network trained by force sensor measurements. Sensors 2019, 19, 2520. [Google Scholar] [CrossRef] [PubMed]
- Picard, E.; Caro, S.; Claveau, F.; Plestan, F. Pulleys and force sensors influence on payload estimation of cable-driven parallel robots. In Proceedings of the 2018 IEEE/RSJ International Conference on Intelligent Robots and Systems (IROS), Madrid, Spain, 1–5 October 2018; pp. 1429–1436. [Google Scholar]
- Otis, M.J.D.; Nguyen-Dang, T.L.; Laliberte, T.; Ouellet, D.; Laurendeau, D.; Gosselin, C. Cable tension control and analysis of reel transparency for 6-dof haptic foot platform on a cable-driven locomotion interface. Int. J. Electr. Electron. Eng. 2009, 3, 16–29. [Google Scholar]
- Song, D.; Zhang, L.; Xue, F. Configuration optimization and a tension distribution algorithm for cable-driven parallel robots. IEEE Access 2018, 6, 33928–33940. [Google Scholar] [CrossRef]
- Aflakian, A.; Safaryazdi, A.; Masouleh, M.T.; Kalhor, A. Experimental study on the kinematic control of a cable suspended parallel robot for object tracking purpose. Mechatronics 2018, 50, 160–176. [Google Scholar] [CrossRef]
- Scalera, L.; Gallina, P.; Seriani, S.; Gasparetto, A. Cable-based robotic crane (CBRC): Design and implementation of overhead traveling cranes based on variable radius drums. IEEE Trans. Robot. 2018, 34, 474–485. [Google Scholar] [CrossRef]
- Ottaviano, E.; Ceccarelli, M.; De Ciantis, M. A 4–4 cable-based parallel manipulator for an application in hospital environment. In Proceedings of the 2007 Mediterranean Conference on Control & Automation (MED’07), Athens, Greece, 27–29 June 2007; pp. 1–6. [Google Scholar]
- Richter, T.; Lorenc, S.J.; Bernold, L.E. Cable based robotic work platform for construction. In Proceedings of the 15th International Symposium on Automation and Robotics in Construction, Munchen, Germany, 31 March–1 April 1998; pp. 137–144. [Google Scholar]
- Timoshenko, S.; Young, D.H. Elements of Strength of Materials; Van Nostrand: Princeton, NJ, USA, 1962. [Google Scholar]
- Massey, F.J., Jr. The Kolmogorov-Smirnov test for goodness of fit. J. Am. Stat. Assoc. 1951, 46, 68–78. [Google Scholar] [CrossRef]
- McGill, R.; Tukey, J.W.; Larsen, W.A. Variations of box plots. Am. Stat. 1978, 32, 12–16. [Google Scholar]















| Test Number | 1 | 2 | 3 | 4 | 5 | 6 | 7 | 8 | 9 | 10 | 11 | 12 |
|---|---|---|---|---|---|---|---|---|---|---|---|---|
| Mass (g) | 10,103 | 15,105 | 20,074 | 25,118 | 30,088 | 35,089 | 40,087 | 45,102 | 50,095 | 55,096 | 60,094 | 65,110 |
| Parameter | Units | Value |
|---|---|---|
| Weight mass | Kg | 10.103 |
| Weight air friction coefficient | Ns/m | 0.0102 |
| Winch mass | Kg | 0.0465 |
| Winch radius | m | 0.06 |
| Winch Inertia | Kg × m | 0.000837 |
| Winch viscous friction | Nm × s | 0.000837 |
Publisher’s Note: MDPI stays neutral with regard to jurisdictional claims in published maps and institutional affiliations. |
© 2021 by the authors. Licensee MDPI, Basel, Switzerland. This article is an open access article distributed under the terms and conditions of the Creative Commons Attribution (CC BY) license (https://creativecommons.org/licenses/by/4.0/).
Share and Cite
Rubio-Gómez, G.; Juárez-Pérez, S.; Gonzalez-Rodríguez, A.; Rodríguez-Rosa, D.; Corral-Gómez, L.; López-Díaz, A.I.; Payo, I.; Castillo-García, F.J. New Sensor Device to Accurately Measure Cable Tension in Cable-Driven Parallel Robots. Sensors 2021, 21, 3604. https://doi.org/10.3390/s21113604
Rubio-Gómez G, Juárez-Pérez S, Gonzalez-Rodríguez A, Rodríguez-Rosa D, Corral-Gómez L, López-Díaz AI, Payo I, Castillo-García FJ. New Sensor Device to Accurately Measure Cable Tension in Cable-Driven Parallel Robots. Sensors. 2021; 21(11):3604. https://doi.org/10.3390/s21113604
Chicago/Turabian StyleRubio-Gómez, Guillermo, Sergio Juárez-Pérez, Antonio Gonzalez-Rodríguez, David Rodríguez-Rosa, Lis Corral-Gómez, Alfonso I. López-Díaz, Ismael Payo, and Fernando J. Castillo-García. 2021. "New Sensor Device to Accurately Measure Cable Tension in Cable-Driven Parallel Robots" Sensors 21, no. 11: 3604. https://doi.org/10.3390/s21113604
APA StyleRubio-Gómez, G., Juárez-Pérez, S., Gonzalez-Rodríguez, A., Rodríguez-Rosa, D., Corral-Gómez, L., López-Díaz, A. I., Payo, I., & Castillo-García, F. J. (2021). New Sensor Device to Accurately Measure Cable Tension in Cable-Driven Parallel Robots. Sensors, 21(11), 3604. https://doi.org/10.3390/s21113604

