An IoT Hardware Platform Architecture for Monitoring Power Grid Systems Based on Heterogeneous Multi-Sensors †
Abstract
1. Introduction
2. Related Works
3. System Design
3.1. Nanotechnology-Based Piezoelectric Sensor
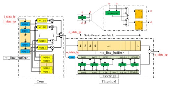
3.2. Hardware Platform and Denoise Accelerator
3.2.1. Hardware Platform Overview
3.2.2. Denoise Processing
3.3. Communication Module
4. Experiments and Results
4.1. PD Detection from the Piezoelectric Sensor
4.2. Implementation of the Denoising Architecture and Results
| Algorithm 1: The sorting algorithm on and buffers. |
![]() |
4.3. Ad Hoc Networking
4.4. Comparison with Existing Systems
5. Conclusions
Author Contributions
Funding
Conflicts of Interest
References
- Danikas, M.G. The definitions used for partial discharge phenomena. IEEE Trans. Electr. Insul. 1993, 28, 1075–1081. [Google Scholar] [CrossRef]
- Markalous, S.M.; Tenbohlen, S.; Feser, K. Detection and location of partial discharges in power transformers using acoustic and electromagnetic signals. IEEE Trans. Dielectr. Electr. Insul. 2008, 15, 1576–1583. [Google Scholar] [CrossRef]
- Javed, H.; Li, K.; Zhang, G.; Plesca, A.T. Online monitoring of partial discharge initiated under metallic protrusion defect in high humidity by measuring air decomposition by-products. In Proceedings of the 2nd International Conference on Power and Renewable Energy (ICPRE), Chengdu, China, 20–23 September 2017; pp. 244–249. [Google Scholar]
- Yaacob, M.M.; Alsaedi, M.A.; Rashed, J.R.; Dakhil, A.M.; Atyah, S.F. Review on partial discharge detection techniques related to high voltage power equipment using different sensors. Photonic Sens. 2014, 4, 325–337. [Google Scholar] [CrossRef]
- Nguyen, P.; Eo, S.; Kim, L. A Design of FPGA-based System for Partial Discharge Detection using Advanced Material Sensors. In Proceedings of the 8th International Conference on Green and Human Information Technology (ICGHIT 2020), Hanoi, Vietnam, 5–7 February 2020; pp. 40–42. [Google Scholar]
- Papageorgas, P.; Piromalis, D.; Antonakoglou, K.; Vokas, G.; Tseles, D.; Arvanitis, K. Smart Solar Panels: In-situ Monitoring of Photovoltaic Panels based on Wired and Wireless Sensor Networks. Energy Procedia 2013, 36, 535–545. [Google Scholar] [CrossRef]
- Barnabei, A.L.; Grassi, M.; Dallago, E.; Malcovati, P.; Finarelli, D.G.; Liberale, A.; Quaglia, F. A wireless irradiance-temperature-humidity sensor for photovoltaic plant monitoring applications. In Proceedings of the IEEE SENSORS, Taipei, Taiwan, 28–31 October 2012; pp. 1–4. [Google Scholar]
- Teay, S.; Batunlu, C.; Albarbar, A. Smart sensing system for enhanceing the reliability of power electronic devices used in wind turbines. Int. J. Smart Sens. Intell. Syst. 2017, 10, 407–424. [Google Scholar] [CrossRef]
- Morales-Velazquez, L.; de Jesus Romero-Troncoso, R.; Herrera-Ruiz, G.; Morinigo-Sotelo, D.; Osornio-Rios, R.A. Smart sensor network for power quality monitoring in electrical installations. Measurement 2017, 103, 133–142. [Google Scholar] [CrossRef]
- Guo, C.; Qian, Y.; Huang, C.; Yao, L.; Jiang, X. DSP based on-line partial discharge monitoring system for high voltage power cable. Wseas Trans. Circuits Syst. 2008, 7, 1060–1069. [Google Scholar]
- Chai, H.; Phung, B.; Mitchell, S. Application of UHF Sensors in Power System Equipment for Partial Discharge Detection: A Review. Sensors 2019, 19, 1029. [Google Scholar] [CrossRef]
- Akiyoshi, D.F.; de Castro, B.A.; Leão, J.V.F.; Rocha, M.A.; Rey, J.A.A.; Riehl, R.R.; Andreoli, A.L. Evaluation of Low Cost Piezoelectric Sensors for the Identification of Partial Discharges Evolution. Proceedings 2019, 4, 36. [Google Scholar] [CrossRef]
- Ma, L.; Zhou, X.; Shan, Y. Partial Discharge Ultraviolet Detection TechnologyApplied in Enclosed High-voltage Electrical Appliances. In Proceedings of the International Industrial Informatics and Computer Engineering Conference, Xi’an, China, 10–11 January 2015. [Google Scholar] [CrossRef]
- Ma, G.; Zhou, H.; Zhang, M.; Li, C.; Yin, Y.; Wu, Y. A High Sensitivity Optical Fiber Sensor for GIS Partial Discharge Detection. IEEE Sens. J. 2019, 19, 9235–9243. [Google Scholar] [CrossRef]
- Xu-Ze, G.; Tianxin, Z.; Ming, R.; Bo, S.; Wenguang, H.; Ming, D. IoT-based On-line Monitoring System for Partial Discharge Diagnosis Of Cable. In Proceedings of the IEEE Electrical Insulation Conference (EIC), Calgary, AB, Canada, 16–19 June 2019; pp. 54–57. [Google Scholar]
- Romano, P.; Imburgia, A.; Ala, G. Partial Discharge Detection Using a Spherical Electromagnetic Sensor. Sensors 2019, 19, 1014. [Google Scholar] [CrossRef]
- Zhang, Y.; Upton, D.; Jaber, A.; Ahmed, H.; Saeed, B.; Mather, P.; Lazaridis, P.; Mopty, A.; Tachtatzis, C.; Atkinson, R.; et al. Radiometric Wireless Sensor Network Monitoring of Partial Discharge Sources in Electrical Substations. Int. J. Distrib. Sens. Netw. 2015, 11, 438302. [Google Scholar] [CrossRef]
- Rosolem, J.B.; Tomiyama, E.K.; Dini, D.C.; Bassan, F.R.; Penze, R.S.; Leonardi, A.A.; Floridia, C.; Fracarolli, J.P.V.; Teixeira, R.M. A fiber optic powered sensor designed for partial discharges monitoring on high voltage bushings. In Proceedings of the SBMO/IEEE MTT-S International Microwave and Optoelectronics Conference (IMOC), Porto de Galinhas, Brazil, 3–6 November 2015; pp. 1–5. [Google Scholar]
- Cavallini, A.; Montanari, G.C.; Tozzi, M.; Chen, X. Diagnostic of HVDC systems using partial discharges. IEEE Trans. Dielectr. Electr. Insul. 2011, 18, 275–284. [Google Scholar] [CrossRef]
- Núñez, I.B.; Román, J.E.P.; Serrano, J.R.; Garcia-Souto, J.A. Multichannel acquisition system and denoising for the detection and location of partial discharges using acoustic emissions. In Proceedings of the IEEE International Instrumentation and Measurement Technology Conference (I2MTC), Minneapolis, MN, USA, 6–9 May 2013; pp. 1135–1140. [Google Scholar]
- You, F.; Zhang, Y. Research of an Improved Wavelet Threshold Denoising Method for Transformer Partial Discharge Signal. J. Multimed. 2013, 8. [Google Scholar] [CrossRef]
- Zhang, H.; Blackburn, T.R.; Phung, T.B.; Sen, D. A novel wavelet transform technique for on-line partial discharge measurements. 1. WT de-noising algorithm. IEEE Trans. Dielectr. Electr. Insul. 2007, 14, 3–14. [Google Scholar] [CrossRef]
- Ma, X.; Zhou, C.; Kemp, I.J. Interpretation of wavelet analysis and its application in partial discharge detection. IEEE Trans. Dielectr. Electr. Insul. 2002, 9, 446–457. [Google Scholar] [CrossRef]
- Harender; Sharma, R.K. EEG signal denoising based on wavelet transform. In Proceedings of the 2017 International conference of Electronics, Communication and Aerospace Technology (ICECA), Coimbatore, India, 20–22 April 2017; Volume 1, pp. 758–761. [Google Scholar]
- Wang, L.; Xue, W.; Li, Y.; Luo, M.; Huang, J.; Cui, W.; Huang, C. Automatic Epileptic Seizure Detection in EEG Signals Using Multi-Domain Feature Extraction and Nonlinear Analysis. Entropy 2017, 19, 222. [Google Scholar] [CrossRef]
- Liu, X.; Qiao, L.; Yang, J.; Dong, B.; Wang, H. An improved wavelet threshold algorithm for ECG denoising. J. Biomed. Eng. 2014, 31, 511–515. [Google Scholar]
- Oleskovicz, M.; Coury, D.V.; Felho, O.D.; Usida, W.F.; Carneiro, A.A.; Pires, L.R. Power quality analysis applying a hybrid methodology with wavelet transforms and neural networks. Int. J. Electr. Power Energy Syst. 2009, 31, 206–212. [Google Scholar] [CrossRef]
- Wu, J.D.; Liu, C.H. Investigation of engine fault diagnosis using discrete wavelet transform and neural network. Expert Syst. Appl. 2008, 35, 1200–1213. [Google Scholar] [CrossRef]
- Xilinx. DS190 Zynq-7000 SoC Data Sheet: Overview. 2018. Available online: https://www.xilinx.com/support/documentation/data_sheets/ds190-Zynq-7000-Overview.pdf (accessed on 11 October 2020).
- Baker, P.C.; Judd, M.D.; Mcarthur, S.D.J. A frequency-based RF partial discharge detector for low-power wireless sensing. IEEE Trans. Dielectr. Electr. Insul. 2010, 17, 133–140. [Google Scholar] [CrossRef]
- Upton, D.W.; Saeed, B.I.; Khan, U.; Jaberi, A.; Mohamed, H.; Mistry, K.; Malher, P.J.; Lazaridis, P.; Vieira, M.F.Q.; Atkinson, R.; et al. Wireless Sensor Network for Radiometric Detection and Assessment of Partial Discharge in HV Equipment. In Proceedings of the 2017 XXXIInd General Assembly and Scientific Symposium of the International Union of Radio Science (URSI GASS), Montreal, QC, Canada, 19–26 August 2017. [Google Scholar]
- Willner, M.R.; Vikesland, P.J. Nanomaterial enabled sensors for environmental contaminants. J. Nanobiotechnology 2018, 16. [Google Scholar] [CrossRef] [PubMed]
- Li, K.; Liu, H.D.; Zhou, Q.; McIntosh, D.; Campbell, J.C. SiC avalanche photodiode array with microlenses. Opt. Express 2010, 18, 11713–11719. [Google Scholar] [CrossRef] [PubMed]
- Gautschi, G. Force Strain Pressure Acceleration and Acoustic Emission Sensors Materials and Amplifiers. In Piezoelectric Sensorics, 1st ed.; Springer: Berlin/Heidelberg, Germany, 2002; pp. 5–11. [Google Scholar]
- Ramírez-Niño, J.; Pascacio, A. Acoustic measuring of partial discharge in power transformers. Meas. Sci. Technol. 2009, 20, 115108. [Google Scholar] [CrossRef]
- He, X.; Xie, G.; Jiang, Y. Online Partial Discharge Detection and Location System Using Wireless Sensor Network. Energy Procedia 2011, 12, 420–428. [Google Scholar] [CrossRef]
- Phung, T.; Blackburn, T.; Liu, Z. Acoustic Measurements of Partial Discharge Signals. J. Electr. Electron. Eng. Australia 2001, 21, 41–47. [Google Scholar]
- Wang, Y.; Chang, D.; Fan, Y.; Zhang, G.; Zhan, J.; Shao, X.; He, W. Acoustic localization of partial discharge sources in power transformers using a particle-swarm-optimization-route-searching algorithm. IEEE Trans. Dielectr. Electr. Insul. 2017, 24, 3647–3656. [Google Scholar] [CrossRef]
- Kim, H.G.; Kim, E.; Kim, J.; Jo, D.; Kim, S.S. The hybrid structure of ZnO nanorods and perovskite-polymer composites for the piezoelectric nanogenerators as smart sensors. In Proceedings of the 2019 International Conference on Materials and Nanomaterials (M&Ns), Paris, France, 17–19 July 2019; p. 93. [Google Scholar]
- Kar, J.; Kumar, M.; Choi, J.; Das, S.; Choi, S.; Myoung, J. Fabrication of ZnO thin film-nanowires hybrid homojunction on silicon substrate. Solid State Commun. 2009, 149, 1337–1341. [Google Scholar] [CrossRef]
- Alsultany, F.H.; Hassan, Z.; Ahmed, N.M. Large-scale uniform ZnO tetrapods on catalyst free glass substrate by thermal evaporation method. Mater. Res. Bull. 2016, 79, 63–68. [Google Scholar] [CrossRef]
- Avnet. ZedBoard (Zynq™Evaluation and Development) Hardware User’s Guide. 2014. Available online: http://zedboard.org/sites/default/files/documentations/ZedBoard_HW_UG_v2_2.pdf (accessed on 11 October 2020).
- Raymond, W.J.K.; Illias, H.A.; Bakar, A.H.A.; Mokhlis, H. Partial discharge classifications: Review of recent progress. Measurement 2015, 68, 164–181. [Google Scholar] [CrossRef]
- Sriram, S.; Nitin, S.; Prabhu, K.M.M.; Bastiaans, M.J. Signal denoising techniques for partial discharge measurements. IEEE Trans. Dielectr. Electr. Insul. 2005, 12, 1182–1191. [Google Scholar] [CrossRef]
- Mallat, S.G. A theory for multiresolution signal decomposition: The wavelet representation. IEEE Trans. Pattern Anal. Mach. Intell. 1989, 11, 674–693. [Google Scholar] [CrossRef]
- Robinson, N.; Vinod, A.; Ang, K.; Tee, K.P.; Guan, C. EEG-based Classification of Fast and Slow Hand Movements Using Wavelet-CSP Algorithm. IEEE Trans. Biomed. Eng. 2013, 60, 2123–2132. [Google Scholar] [CrossRef] [PubMed]
- Su, W.J.; Zhou, Y. Wavelet transform threshold noise reduction methods and the application in engineering. Microcomput. Inf. 2008, 24, 281–283. [Google Scholar]
- Donoho, D.L.; Johnstone, I.M. Ideal spatial adaptation by wavelet shrinkage. Biometrika 1994, 81, 425–455. [Google Scholar] [CrossRef]
- Daubechies, I. The wavelet transform, time-frequency localization and signal analysis. IEEE Trans. Inf. Theory 1990, 36, 961–1005. [Google Scholar] [CrossRef]
- Yadav, A.K.; Roy, R.; Kumar, A.P.; Kumar, C.S.; Dhakad, S.K. De-noising of ultrasound image using discrete wavelet transform by symlet wavelet and filters. In Proceedings of the 2015 International Conference on Advances in Computing, Communications and Informatics (ICACCI), Kochi, India, 10–13 August 2015; pp. 1204–1208. [Google Scholar]
- Chavan, M.; Mastorakis, N.; Chavan, M.; Gaikwad, M. Implementation of SYMLET wavelets to removal of Gaussian additive noise from speech signal. In Proceedings of the 2011 Joint WSEAS International Conferences on Recent Researches in Communications, Automation, Signal Processing, Nanotechnology, Astronomy and Nuclear Physics, Cambridge, UK, 20–22 February 2011. [Google Scholar]
- JNHuaMao. Bluetooth V2.1 Module—Datasheet V610. 2013. Available online: https://seeeddoc.github.io/Bluetooth_Shield_V2.0/res/Bluetooth_en.pdf (accessed on 11 October 2020).
- Omre, A.H.; Keeping, S. Bluetooth Low Energy: Wireless Connectivity for Medical Monitoring. J. Diabetes Sci. Technol. 2010, 4, 457–463. [Google Scholar] [CrossRef]
- Palumbo, F.; Barsocchi, P.; Chessa, S.; Augusto, J.C. A stigmergic approach to indoor localization using Bluetooth Low Energy beacons. In Proceedings of the 12th IEEE International Conference on Advanced Video and Signal Based Surveillance (AVSS), Karlsruhe, Germany, 25–28 August 2015; pp. 1–6. [Google Scholar]
- Nieminen, J.; Gomez, C.; Isomaki, M.; Savolainen, T.; Patil, B.; Shelby, Z.; Xi, M.; Oller, J. Networking solutions for connecting bluetooth low energy enabled machines to the internet of things. IEEE Netw. 2014, 28, 83–90. [Google Scholar] [CrossRef]
- Gomez, C.; Oller, J.; Paradells, J. Overview and Evaluation of Bluetooth Low Energy: An Emerging Low-Power Wireless Technology. Sensors 2012, 12, 11734–11753. [Google Scholar] [CrossRef]
- Tosi, J.; Taffoni, F.; Santacatterina, M.; Sannino, R.; Formica, D. Performance Evaluation of Bluetooth Low Energy: A Systematic Review. Sensors 2017, 17, 2898. [Google Scholar] [CrossRef]
- Spörk, M.; Classen, J.; Boano, C.A.; Hollick, M.; Römer, K. Improving the Reliability of Bluetooth Low Energy Connections. In Proceedings of the 2020 International Conference on Embedded Wireless Systems and Networks, Lyon, France, 17–19 February 2020; pp. 144–155. [Google Scholar]
- Raymond, W.J.K.; Illias, H.A.; Bakar, A.H.A. Classification of Partial Discharge Measured under Different Levels of Noise Contamination. PLoS ONE 2017, 12. [Google Scholar] [CrossRef]
- Li, J.; Jiang, T.; Grzybowski, S.; Cheng, C. Scale dependent wavelet selection for de-noising of partial discharge detection. IEEE Trans. Dielectr. Electr. Insul. 2010, 17, 1705–1714. [Google Scholar] [CrossRef]
- Macedo, E.; Araujo, D.; Costa, E.; Freire, R.; Lopes, W.; Torres, I.; De, J.; Neto, J.; Bhatti, S.A.; Glover, I. Wavelet transform processing applied to partial discharge evaluation Wavelet transform processing applied to partial discharge evaluation. J. Phys. Conf. Ser. 2012, 364. [Google Scholar] [CrossRef]
- ARM. AMBA AXI and ACE Protocol Specification AXI3, AXI4, and AXI4-Lite, ACE and ACE-Lite. 2011. Available online: https://developer.arm.com/documentation/ihi0022/d/ (accessed on 26 August 2020).
- Xilinx. AXI DMA v7.1 LogiCORE IP Product Guide. 2019. Available online: https://www.xilinx.com/support/documentation/ip_documentation/axi_dma/v7_1/pg021_axi_dma.pdf (accessed on 26 August 2020).
- Tsimbalo, E.; Fafoutis, X.; Piechocki, R. Fix it, don’t bin it! - CRC error correction in Bluetooth Low Energy. In Proceedings of the 2015 IEEE 2nd World Forum on Internet of Things (WF-IoT), Milan, Italy, 14–16 December 2015; pp. 286–290. [Google Scholar]
- Darroudi, S.M.; Gomez, C. Bluetooth Low Energy Mesh Networks: A Survey. Sensors 2017, 17, 1467. [Google Scholar] [CrossRef] [PubMed]
- Miao, P.; Li, X.; Hou, H.; Sheng, G.; Hu, Y.; Jiang, X. Location Algorithm for Partial Discharge Based on Radio Frequency (RF) Antenna Array. In Proceedings of the 2012 Asia-Pacific Power and Energy Engineering Conference, Shanghai, China, 26–28 March 2012; pp. 1–4. [Google Scholar]
- Pei, Y.; Qian, Z.; Lu, J.; Liu, F.; Zhao, X. Development of UHF PD monitoring system based on FPGA. In Proceedings of the 2015 IEEE 11th International Conference on the Properties and Applications of Dielectric Materials (ICPADM), Sydney, Australia, 19–22 July 2015; pp. 999–1002. [Google Scholar]
- Wei, X.; Teng, Y.; Liu, Z.; Deng, J.; Jia, Y. Application research of the partial discharge automatic detection device and diagnostic method based on the ultrasonic in long distance GIL equipment. J. Phys. Conf. Ser. 2019, 1213, 052088. [Google Scholar] [CrossRef]
- Bahoura, M.; Ezzaidi, H. Real-time implementation of discrete wavelet transform on FPGA. In Proceedings of the IEEE 10th International Conference on Signal Processing, Beijing, China, 24–28 October 2010; pp. 191–194. [Google Scholar]
- Bahoura, M.; Ezzaidi, H. FPGA-implementation of wavelet-based denoising technique to remove power-line interference from ECG signal. In Proceedings of the 10th IEEE International Conference on Information Technology and Applications in Biomedicine, Corfu, Greece, 3–5 November 2010; pp. 1–4. [Google Scholar]
- Chen, S.W.; Chen, Y.H. Hardware Design and Implementation of a Wavelet De-Noising Procedure for Medical Signal Preprocessing. Sensors 2015, 15, 26396–26414. [Google Scholar] [CrossRef]
















| XC7Z020-1CLG484C Zynq-7000 AP SoC | |||
|---|---|---|---|
| Processing System | Programmable Logic | ||
| Processor Core | Dual-core ARM Cortex-A9 | Xilinx 7 Series PL Equivalent | Artix-7 FPGA |
| Maximum Frequency | 667 MHz | PL Cells | 85K |
| L1 Cache | 32 KB Instruction, 32 KB Data | Look-Up Tables (LUTs) | 53,200 |
| L2 Cache | 512 KB | Flip-Flops (FFs) | 106,400 |
| On-chip Memory | 256 KB | DSP Slices | 220 |
| Memory Support | DDR3 (Double Data Rate), DDR3L (DDR Low Voltage), DDR2, LPDDR2 (Low Power DDR), 2x Quad-SPI, NAND, NOR | Block RAM (# of 36-Kb Blocks) | 4.9 Mb (140) |
| Denoise Level | Correlation Coefs |
|---|---|
| 1 | 0.999881 |
| 2 | 0.997799 |
| 4 | 0.994126 |
| Resource | Quantity Used |
|---|---|
| LUTs | 31,179 |
| FFs | 55,072 |
| DSP | 64 |
| BRAM | 0 |
| Paper | Platform | Sensor | Communication | Processing | Compared to Ours |
|---|---|---|---|---|---|
| Miao 2012 [66] | Software on Personal Computer | Radio Frequency (RF) antenna | to PC | PD localization | Single type of platform (software application) and sensor (RF antenna), no data transmission |
| Pei 2015 [67] | FPGA | Ultra High Frequency (UHF) | local | peak identification | Single type of platform (FPGA) and sensor (UHF), local communication only |
| Wei 2019 [68] | MCU | piezoelectric | local | data storage and transmission | Single type of platform (MCU) and sensor (piezoelectric), local communication only |
| Ours | 🗸 (MCU+FPGA) | 🗸 (piezoelectric) | 🗸 (local+global) | 🗸 (PD detection and signal denoise) |
| Paper | Compared to Ours |
|---|---|
| Bahoura 2010 [69] | Implement only wavelet transform and its inverse operation, no threshold operation |
| Bahoura 2010 [70] | Apply only one threshold value to all three denoising levels |
| Chen 2015 [71] | Use mean to calculate threshold value, limited number of data samples for denoise processing (maximum of 32 samples) |
Publisher’s Note: MDPI stays neutral with regard to jurisdictional claims in published maps and institutional affiliations. |
© 2020 by the authors. Licensee MDPI, Basel, Switzerland. This article is an open access article distributed under the terms and conditions of the Creative Commons Attribution (CC BY) license (http://creativecommons.org/licenses/by/4.0/).
Share and Cite
Nguyen, P.D.; Vo, H.Q.; Le, L.N.; Eo, S.; Kim, L. An IoT Hardware Platform Architecture for Monitoring Power Grid Systems Based on Heterogeneous Multi-Sensors. Sensors 2020, 20, 6082. https://doi.org/10.3390/s20216082
Nguyen PD, Vo HQ, Le LN, Eo S, Kim L. An IoT Hardware Platform Architecture for Monitoring Power Grid Systems Based on Heterogeneous Multi-Sensors. Sensors. 2020; 20(21):6082. https://doi.org/10.3390/s20216082
Chicago/Turabian StyleNguyen, Phuoc Duc, Hieu Quang Vo, Linh Ngoc Le, SeokJin Eo, and LokWon Kim. 2020. "An IoT Hardware Platform Architecture for Monitoring Power Grid Systems Based on Heterogeneous Multi-Sensors" Sensors 20, no. 21: 6082. https://doi.org/10.3390/s20216082
APA StyleNguyen, P. D., Vo, H. Q., Le, L. N., Eo, S., & Kim, L. (2020). An IoT Hardware Platform Architecture for Monitoring Power Grid Systems Based on Heterogeneous Multi-Sensors. Sensors, 20(21), 6082. https://doi.org/10.3390/s20216082


