Influence of the Pulsed Voltage Connection on the Electromagnetic Distortion in Full-Size HVDC Cable PEA Measurements
Abstract
1. Introduction
2. Theoretical Background
3. Experimental Setup
3.1. PEA Test Cell
3.2. HVDC Cable under Test
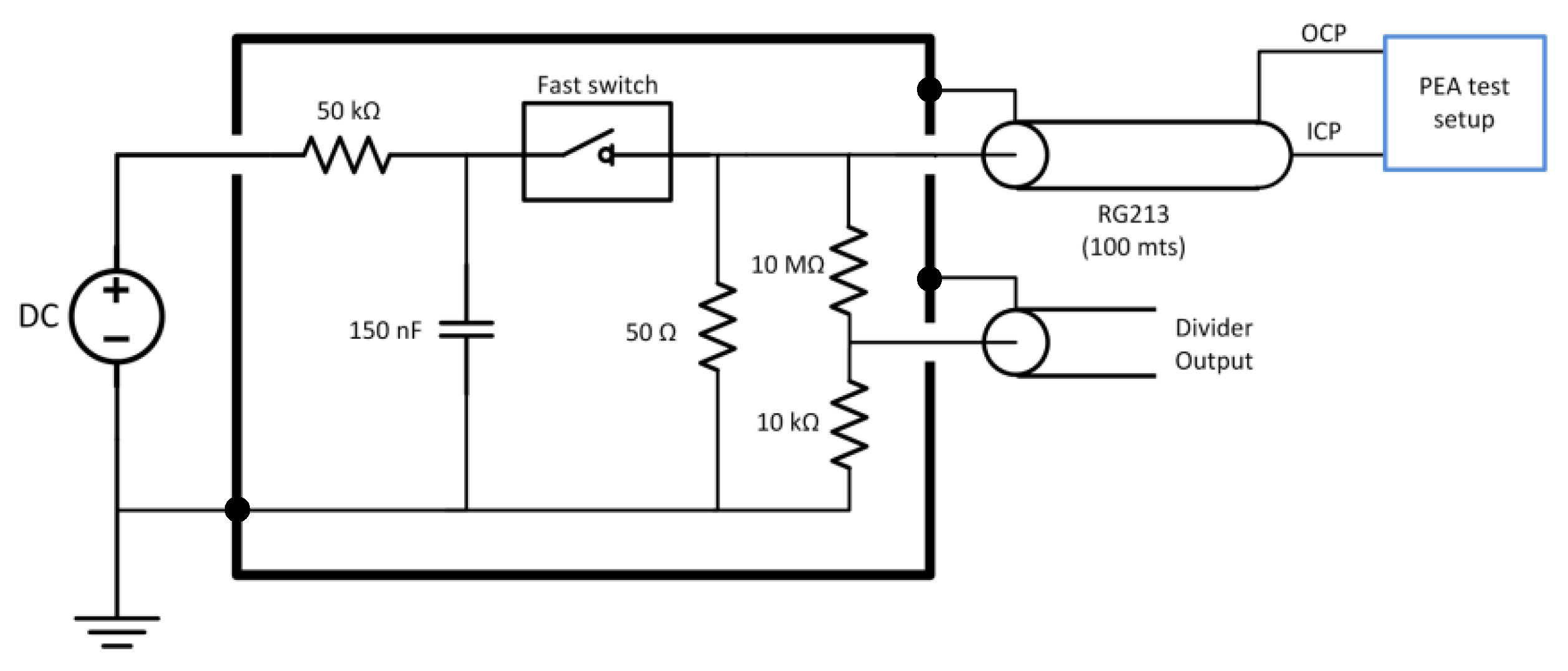
3.3. Pulsed Voltage Circuit
4. Test Experiments
4.1. Influence of the Pulsed Voltage Connection
4.1.1. Influence of the Pulsed Voltage Connection Test Configurations
- Cases 1f and 1r: Pulse injection between the base of the PEA test cell and the HVDC cable shield. The test cell is ungrounded. The HVDC cable shield is grounded.
- Cases 2f and 2r: Pulse injection between the lateral part of the PEA test, close to the upper surface of the aluminum electrode, and the HVDC cable shield. The test cell is ungrounded. The HVDC cable shield is grounded.
- Cases 3f and 3r: Pulse injection between the clamping screws of the HVDC cable to the test cell and the HVDC cable shield. The test cell is ungrounded. The HVDC cable shield is grounded.
4.1.2. Influence of the Pulsed Voltage Connection Results and Discussion
4.2. Influence of the PEA Test Cell Grounding
4.2.1. Influence of the PEA Test Cell Grounding Test Configurations
- Cases 4f and 4r: The PEA test cell is grounded at the lower point of the aluminum block electrode. Pulse injection between the clamping screws of the HVDC cable to the test cell and the HVDC cable shield. The HVDC cable shield is ungrounded except for the pulsed voltage connection.
- Case 5f and 5r: The PEA test cell is grounded at the upper surface of the aluminum block electrode. Pulse injection between the clamping screws of the HVDC cable to the test cell and the HVDC cable shield. The HVDC cable shield is ungrounded except for the pulsed voltage connection.
- Case 6f and 6r: The test cell is ungrounded, but the extra dielectric table has been removed to increase the parasitic capacitance. Pulse injection between the clamping screws of the HVDC cable to the test cell and the HVDC cable shield. The HVDC cable shield is grounded.
4.2.2. Influence of the PEA Test Cell Grounding Results and Discussion
4.3. Pulsed Voltage Cable Connection Influence
5. Conclusions
Author Contributions
Funding
Acknowledgments
Conflicts of Interest
References
- Dissado, L.A.; Mazzanti, G.; Montanari, G.C. The role of trapped space charges in the electrical aging of insulating materials. IEEE Trans. Dielectr. Electr. Insul. 1997, 4, 496–506. [Google Scholar] [CrossRef]
- Dissado, L.A.; Fothergill, J.C. Electrical Degradation and Breakdown in Polymers; The Institution of Engineering and Technology: Stevenage, UK, 1992; ISBN 9780863411960. [Google Scholar]
- Mazzanti, G.; Marzinotto, M. (Eds.) Extruded Cables for High-Voltage Direct-Current Transmission; John Wiley & Sons, Inc.: Hoboken, NJ, USA, 2013; ISBN 9781118590423. [Google Scholar]
- Malrieu, S.; Notingher, P.; Pacreau, F.; Toureille, A. Influence of space charge on the breakdown of multilayered epoxy: A study by the thermal step method. In Proceedings of the IEEE 1997 Annual Report Conference on Electrical Insulation and Dielectric Phenomena, Minneapolis, MN, USA, 19–22 October 1997; Volume 1, pp. 88–91. [Google Scholar]
- Li, J.; Zhang, Y.; Xia, Z.; Qin, X.; Peng, Z. Action of space charge on aging and breakdown of polymers. Chin. Sci. Bull. 2001, 46, 796–800. [Google Scholar] [CrossRef]
- Zhang, Y.; Lewiner, J.; Alquié, C.; Hampton, N. Evidence of strong correlation between space-charge buildup and breakdown in cable insulation. IEEE Trans. Dielectr. Electr. Insul. 1996, 3, 778–783. [Google Scholar] [CrossRef]
- Hozumi, N.; Suzuki, H.; Okamoto, T.; Watanabe, K.; Watanabe, A. Direct observation of time-dependent space charge profiles in XLPE cable under high electric fields. IEEE Trans. Dielectr. Electr. Insul. 1994, 1, 1068–1076. [Google Scholar] [CrossRef]
- Bartnikas, R. Performance characteristics of dielectrics in the presence of space charge. IEEE Trans. Dielectr. Electr. Insul. 1997, 4, 544–557. [Google Scholar] [CrossRef]
- Mazzanti, G.; Montanari, G.C.; Dissado, L.A. Electrical aging and life models: The role of space charge. IEEE Trans. Dielectr. Electr. Insul. 2005, 12, 876–890. [Google Scholar] [CrossRef]
- Mazzanti, G.; Montanari, G.C.; Dissado, L.A. Elemental strain and trapped space charge in thermoelectrical aging of insulating materials: Life modeling. IEEE Trans. Dielectr. Electr. Insul. 2001, 8, 966–971. [Google Scholar] [CrossRef]
- Holé, S.; Ditchi, T.; Lewiner, J. Non-destructive methods for space charge distribution measurements: What are the differences? IEEE Trans. Dielectr. Electr. Insul. 2003, 10, 670–677. [Google Scholar] [CrossRef]
- Hussaini, H.; Ahmad Adam, A.; Abimbola Susan, A. Review of Space-charge Measurement using Pulsed Electro-Acoustic Method: Advantages and Limitations. Int. J. Eng. Res. Appl. 2015, 5, 90–95. [Google Scholar]
- Imburgia, A.; Miceli, R.; Sanseverino, E.R.; Romano, P.; Viola, F. Review of space charge measurement systems: Acoustic, thermal and optical methods. IEEE Trans. Dielectr. Electr. Insul. 2016, 23, 3126–3142. [Google Scholar] [CrossRef]
- Takada, T.; Holboell, J.; Toureille, A.; Densley, J.; Hampton, N.; Castellon, J.; Hegerberg, R.; Henriksen, M.; Montanari, G.C.; Nagao, M.; et al. Space Charge Measurement in Dielectrics and Insulating Materials. Tech. Broch. 288 Cigre Task Force D1.12.01; CIGRE: Paris, France, 2006; pp. 1–51. [Google Scholar]
- Zhang, Y.; Li, J.; Peng, Z.; Qin, X.; Xia, Z. Research of space charge in solid dielectrics in China. IEEE Electr. Insul. Mag. 2001, 17, 25–30. [Google Scholar] [CrossRef]
- Yewen, Z.Y.Z.; Baitun, Y.B.Y.; Demin, T.D.T.; Yaonan, L.Y.L. Measuring distribution of carrier trap energy state density at ninterface of dielectric with step pressure wave method. In Proceedings of the Conference on Electrical Insulation and Dielectric Phenomena, Leesburg, VA, USA, 29 October–2 November 1989; pp. 303–308. [Google Scholar]
- Li, Y.; Yasuda, M.; Takada, T. Pulsed Electroacoustic Method for Measurement of Charge Accumulation in Solid Dielectrics. IEEE Trans. Dielectr. Electr. Insul. 1994, 1, 188–195. [Google Scholar]
- Liu, R.; Törnkvist, C.; Jeroense, M. Space-charge measurement technologies and their potential applications. Sens. Mater. 2017, 29, 1089–1098. [Google Scholar]
- Ahmed, N.H.; Srinivas, N.N. Review of space charge measurements in dielectrics. IEEE Trans. Dielectr. Electr. Insul. 1997, 4, 644–656. [Google Scholar] [CrossRef]
- Takeda, T.; Hozumi, N.; Suzuki, H.; Fujii, K.; Terashima, K.; Hara, M.; Mutrata, Y.; Wantanabe, K.; Yoshida, M. Space charge behavior in full-size 250 kV DC XLPE cables. IEEE Trans. Power Deliv. 1998, 13, 28–39. [Google Scholar] [CrossRef]
- Terashima, K.; Suzuki, H.; Hara, M.; Watanabe, K. Research and development of 250 kV DC XLPE cables. IEEE Trans. Power Deliv. 1998, 13, 7–16. [Google Scholar] [CrossRef]
- Takada, T. Acoustic and optical methods for measuring electric charge distributions in dielectrics. In Proceedings of the 1999 Annual Report Conference on Electrical Insulation and Dielectric Phenomena (Cat. No. 99CH36319), Austin, TX, USA, 17–20 October 1999; pp. 1–14. [Google Scholar]
- Fu, M.; Dissado, L.A.; Chen, G.; Fothergill, J.C. Space charge formation and its modified electric field under applied voltage reversal and temperature gradient in XLPE cable. IEEE Trans. Dielectr. Electr. Insul. 2008, 15, 851–860. [Google Scholar] [CrossRef]
- Bodega, R.; Smit, J.J. Space charge measurements on multi-dielectrics by means of the pulsed electroacoustic method. IEEE Trans. Dielectr. Electr. Insul. 2006, 13, 272–281. [Google Scholar] [CrossRef]
- Mazzanti, G.; Chen, G.; Fothergill, J.C.; Hozumi, N.; Li, J.; Marzinotto, M.; Mauseth, F.; Morshuis, P.; Reed, C.; Tzimas, A.; et al. A protocol for space charge measurements in full-size HVDC extruded cables. IEEE Trans. Dielectr. Electr. Insul. 2015, 22, 21–34. [Google Scholar] [CrossRef]
- Chen, G.; Chong, Y.L.; Fu, M. Calibration of the pulsed electroacoustic technique in the presence of trapped charge. Meas. Sci. Technol. 2006, 17, 1974–1980. [Google Scholar] [CrossRef]
- Imburgia, A.; Romano, P.; Chen, G.; Rizzo, G.; Riva Sanseverino, E.; Viola, F.; Ala, G. The Industrial Applicability of PEA Space Charge Measurements, for Performance Optimization of HVDC Power Cables. Energies 2019, 12, 4186. [Google Scholar] [CrossRef]
- Holé, S. Behind space charge distribution measurements. IEEE Trans. Dielectr. Electr. Insul. 2012, 19, 1208–1214. [Google Scholar] [CrossRef]
- Choo, W. Space Charge Determination in HVDC Power Cable and Its Influence on Electric Field. Ph.D. Thesis, University of Southampton, Southampton, UK, 2010. [Google Scholar]
- Takada, T.; Holboell, J.; Toureille, A.; Densley, J.; Hampton, N.; Castellon, J.; Hegerberg, R.; Henriksen, M.; Montanari, G.C.; Nagao, M.; et al. Guide for Space Charge Measurements in Dielectrics and Insulating Materials. Electra 2005, 223, 53–63. [Google Scholar]
- Fu, M.; Chen, G.; Davies, A.E.; Tanaka, Y.; Takada, T. A modified PEA space charge measuring system for power cables. In Proceedings of the 6th International Conference on Properties and Applications of Dielectric Materials (Cat. No.00CH36347), Xi’an, China, 21–26 June 2000; Volume 1, pp. 104–107. [Google Scholar]











| Property | Value |
|---|---|
| Inner conductor (diameter) | 62.3 mm |
| Inner semi-conductive layer thickness | 1.9 mm |
| Insulation thickness (XLPE) | 21.5 mm |
| Outer semi-conductive layer thickness | 1.5 mm |
| Exposed semiconductor length | 1.5 m |
| Total cable length | 9 m |
| Cable weight | 34.1 kg/m |
| Case | Pulsed Voltage Configuration | Test Cell | |
|---|---|---|---|
| ICP Connected to | OCP Connected to | ||
| Case 1f | Test cell at point “a” | HVDC Cable shield | Ungrounded |
| Case 2f | Test cell at point “b” | HVDC Cable shield | Ungrounded |
| Case 3f | Test cell at point “c” | HVDC Cable shield | Ungrounded |
| Case 1r | HVDC Cable shield | Test cell at point “a” | Ungrounded |
| Case 2r | HVDC Cable shield | Test cell at point “b” | Ungrounded |
| Case 3r | HVDC Cable shield | Test cell at point “c” | Ungrounded |
| Case | Pulsed Voltage Configuration | Test Cell | |
| ICP Connected to | OCP Connected to | ||
| Case 4f | Test cell at point “c” | HVDC Cable shield | Grounded at “a” |
| Case 5f | Test cell at point “c” | HVDC Cable shield | Grounded at “b” |
| Case 6f | Test cell at point “c” | HVDC Cable shield | Ungrounded |
| Case 4r | HVDC Cable shield | Test cell at point “c” | Grounded at “a” |
| Case 5r | HVDC Cable shield | Test cell at point “c” | Grounded at “b” |
| Case 6r | HVDC Cable shield | Test cell at point “c” | Ungrounded |
© 2020 by the authors. Licensee MDPI, Basel, Switzerland. This article is an open access article distributed under the terms and conditions of the Creative Commons Attribution (CC BY) license (http://creativecommons.org/licenses/by/4.0/).
Share and Cite
Mier Escurra, G.; Rodrigo Mor, A.; Vaessen, P. Influence of the Pulsed Voltage Connection on the Electromagnetic Distortion in Full-Size HVDC Cable PEA Measurements. Sensors 2020, 20, 3087. https://doi.org/10.3390/s20113087
Mier Escurra G, Rodrigo Mor A, Vaessen P. Influence of the Pulsed Voltage Connection on the Electromagnetic Distortion in Full-Size HVDC Cable PEA Measurements. Sensors. 2020; 20(11):3087. https://doi.org/10.3390/s20113087
Chicago/Turabian StyleMier Escurra, Guillermo, Armando Rodrigo Mor, and Peter Vaessen. 2020. "Influence of the Pulsed Voltage Connection on the Electromagnetic Distortion in Full-Size HVDC Cable PEA Measurements" Sensors 20, no. 11: 3087. https://doi.org/10.3390/s20113087
APA StyleMier Escurra, G., Rodrigo Mor, A., & Vaessen, P. (2020). Influence of the Pulsed Voltage Connection on the Electromagnetic Distortion in Full-Size HVDC Cable PEA Measurements. Sensors, 20(11), 3087. https://doi.org/10.3390/s20113087

