Magnetic Tunnel Junction Applications
Abstract
1. Introduction
2. Magnetic Tunnel Junction (MTJ)
2.1. Spin Transfer Torque (STT)
2.2. Voltage-Controlled Magnetic Anisotropy (VCMA)
2.3. Spin-Orbit Torque (SOT)
3. Digital Applications
3.1. Memory
- Erase: this phase initializes the MTJs at their AP states. Moreover, the transistors NT and PT are on, while the access transistors are off. Then, a write current goes through the shared metal strip.
- Program: in this phase, the transistor PT and the corresponding access transistor are on (for the case represented in Figure 5, the corresponding access transistor is T2). Therefore, a current flows through the MTJ from the free layer to the pinned layer switching the MTJ state to P by the STT mechanism.
3.2. Logic Gates
3.3. Look-up Table (LUT)
3.4. Flip-Flop (FF)
3.5. Full Adder (FA)
4. Mixed and Analog Applications
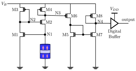
4.1. Comparator
4.2. Analog to Digital Converter (ADC)
4.3. Non-Uniform Clock Generator
4.4. Adaptive Intermittent Quantizer (AIQ)
- Reset: all active VCMA-MTJs go to their parallel state, that is, they are reset to zero. In order to do this, the source line (SL) is set to “0”, bit line (BL) is set to “1” and read lines (RLs) are in high impedance.
- Sampling: the active VCMA-MTJs are written. In other words, the energy barrier of the active VCMA-MTJs are modified and set by the bias voltage applied across the active VCMA-MTJs followed by the analog input . The sampling rate of is controlled by the Adaptive Clock (AClk). In addition, SL is set to , BL is set to “0” and RLs are in high impedance.
- Read or Sensing: in this step, the sense amplifier reads the data stored in each VCMA-MTJ. SL is in high impedance and BL is set to “0”.
4.5. Sensors
5. Conclusions
Author Contributions
Funding
Conflicts of Interest
Abbreviations
| ADC | Analog to Digital Converter |
| AIC | Analog-to-Information Converter |
| AIQ | Adaptive Intermittent Quantizer |
| AP | Anti-parallel |
| AQR | Adaptive Quantization Rate |
| BL | Bit-line |
| CMOS | Complementary Metal Oxide Semiconductor |
| CPU | Central Processing Unit |
| CS | Compressive Sensing |
| DRAM | Dynamic Random-Access Memory |
| FA | Full Adder |
| FF | Flip-Flop |
| FL | Free Layer |
| FPGA | Field Programmable Gate Array |
| GMR | Giant Magnetoresistance |
| HM | Heavy Metal |
| IC | Integrated Circuits |
| IoT | Internet of Things |
| LFSR | Linear Feedback Shift Registe |
| LUT | Look-up Table |
| MRAM | Magnetic Random Access Memory |
| MTJ | Magnetic tunnel junction |
| NUS | Non-Uniform Sampling |
| NVM | Non-Volatile Memory |
| P | Parallel |
| PL | Pinned Layer |
| PMA | Perpendicular Magnetic Anisotropy |
| QR | Quantization Resolution |
| RL | Read Line |
| SET | Single-Event Transient |
| SHM | Spin Hall Metal |
| SL | Source Line |
| SoC | System On Chip |
| SR | Sampling Rate |
| SRAM | Static Random-Access Memory |
| STT | Spin Transfer Torque |
| SOT | Spin-Orbit Torque |
| TMR | Tunnel Magnetoresistance |
| VCMA | Voltage-Controlled Magnetic Anisotropy |
| VCSO | Voltage-Controlled Stochastic Oscillator |
| WL | Word-line |
References
- Baibich, M.N.; Broto, J.M.; Fert, A.; Van Dau, F.N.; Petroff, F.; Etienne, P.; Creuzet, G.; Friederich, A.; Chazelas, J. Giant Magnetoresistance of (001)Fe/(001)Cr Magnetic Superlattices. Phys. Rev. Lett. 1988, 61, 2472–2475. [Google Scholar] [CrossRef]
- Ennen, I.; Kappe, D.; Rempel, T.; Glenske, C.; Hütten, A. Giant Magnetoresistance: Basic Concepts, Microstructure, Magnetic Interactions and Applications. Sensors 2016, 16, 904. [Google Scholar] [CrossRef]
- Gregg, J.F.; Petej, I.; Jouguelet, E.; Dennis, C. Spin electronics a review. J. Phys. Appl. Phys. 2002, 35, R121–R155. [Google Scholar] [CrossRef]
- Peng, S.; Zhang, Y.; Wang, M.; Zhang, Y.; Zhao, W. Magnetic Tunnel Junctions for Spintronics: Principles and Applications; Wiley: Hoboken, NJ, USA, 2014; pp. 1–16. [Google Scholar] [CrossRef]
- Chappert, C.; Fert, A.; Dau, F.N.V. The emergence of spin electronics in data storage. Nat. Mater. 2007, 6, 813–823. [Google Scholar] [CrossRef]
- Qoutb, A.G.; Friedman, E.G. MTJ Magnetization Switching Mechanisms for IoT Applications. In Proceedings of the 2018 on Great Lakes Symposium on VLSI, Chicago, IL, USA, 23–25 May 2018; pp. 347–352. [Google Scholar] [CrossRef]
- Cai, H.; Wang, Y.; Naviner, L.A.D.B.; Zhao, W. Robust Ultra-Low Power Non-Volatile Logic-in-Memory Circuits in FD-SOI Technology. IEEE Trans. Circuits Syst. Regul. Pap. 2017, 64, 847–857. [Google Scholar] [CrossRef]
- Zarei, A.; Safaei, F. Power and area-efficient design of VCMA-MRAM based full-adder using approximate computing for IoT applications. Microelectron. J. 2018, 82, 62–70. [Google Scholar] [CrossRef]
- Salehi, S.; Mashhadi, M.B.; Zaeemzadeh, A.; Rahnavard, N.; DeMara, R.F. Energy-Aware Adaptive Rate and Resolution Sampling of Spectrally Sparse Signals Leveraging VCMA-MTJ Devices. IEEE J. Emerg. Sel. Top. Circuits Syst. 2018, 8, 679–692. [Google Scholar] [CrossRef]
- Chakraborty, I.; Agrawal, A.; Roy, K. Design of a Low-Voltage Analog-to-Digital Converter Using Voltage-Controlled Stochastic Switching of Low Barrier Nanomagnets. IEEE Magn. Lett. 2018, 9, 1–5. [Google Scholar] [CrossRef]
- Marques, E.C.; Maciel, N.; Naviner, L.; Cai, H.; Yang, J. A Review of Sparse Recovery Algorithms. IEEE Access 2019, 7, 1300–1322. [Google Scholar] [CrossRef]
- Zhang, D.; Zeng, L.; Zhang, Y.; Klein, J.O.; Zhao, W. Reliability-Enhanced Hybrid CMOS/MTJ Logic Circuit Architecture. IEEE Trans. Magn. 2017, 53, 1–5. [Google Scholar] [CrossRef]
- Deng, E.; Kang, W.; Zhang, Y.; Klein, J.; Chappert, C.; Zhao, W. Design Optimization and Analysis of Multicontext STT-MTJ/CMOS Logic Circuits. IEEE Trans. Nanotechnol. 2015, 14, 169–177. [Google Scholar] [CrossRef]
- Kang, W.; Deng, E.; Klein, J.; Zhang, Y.; Zhang, Y.; Chappert, C.; Ravelosona, D.; Zhao, W. Separated Precharge Sensing Amplifier for Deep Submicrometer MTJ/CMOS Hybrid Logic Circuits. IEEE Trans. Magn. 2014, 50, 1–5. [Google Scholar] [CrossRef]
- Cai, H.; Wang, Y.; de Barros Naviner, L.A.; Yang, J.; Zhao, W. Exploring Hybrid STT-MTJ/CMOS Energy Solution in Near-/Sub-Threshold Regime for IoT Applications. IEEE Trans. Magn. 2018, 54, 1–9. [Google Scholar] [CrossRef]
- Berger, L. Emission of spin waves by a magnetic multilayer traversed by a current. Phys. Rev. B 1996, 54, 9353–9358. [Google Scholar] [CrossRef]
- Senni, S.; Torres, L.; Sassatelli, G.; Gamatie, A.; Mussard, B. Exploring MRAM Technologies for Energy Efficient Systems-On-Chip. IEEE J. Emerg. Sel. Top. Circuits Syst. 2016, 6, 279–292. [Google Scholar] [CrossRef]
- Wang, Y.; Zhang, Y.; Deng, E.; Klein, J.O.; Naviner, L.A.B.; Zhao, W. Compact model of magnetic tunnel junction with stochastic spin transfer torque switching for reliability analyses. Microelectron. Reliab. 2014, 54, 1774–1778. [Google Scholar] [CrossRef]
- Cai, H.; Wang, Y.; de Barros Naviner, L.A.; Zhao, W. Low Power Magnetic Flip-Flop Optimization With FDSOI Technology Boost. IEEE Trans. Magn. 2016, 52, 1–7. [Google Scholar] [CrossRef]
- Kang, W.; Ran, Y.; Zhang, Y.; Lv, W.; Zhao, W. Modeling and Exploration of the Voltage-Controlled Magnetic Anisotropy Effect for the Next-Generation Low-Power and High-Speed MRAM Applications. IEEE Trans. Nanotechnol. 2017, 16, 387–395. [Google Scholar] [CrossRef]
- Maruyama, T.; Shiota, Y.; Nozaki, T.; Ohta, K.; Toda, N.; Mizuguchi, M.; Tulapurkar, A.A.; Shinjo, T.; Shiraishi, M.; Mizukami, S.; et al. Large voltage-induced magnetic anisotropy change in a few atomic layers of iron. Nat. Nanotechnol. 2009, 4, 158–161. [Google Scholar] [CrossRef]
- Wang, W.; Li, M.; Hageman, S.; Chien, C. Electric-field-assisted switching in magnetic tunnel junctions. Nat. Mater. 2012, 11, 64–68. [Google Scholar] [CrossRef]
- Barnes, S.E.; Ieda, J.I.; Maekawa, S. Rashba spin-orbit anisotropy and the electric field control of magnetism. Sci. Rep. 2014, 4, 1–5. [Google Scholar] [CrossRef] [PubMed]
- Velev, J.P.; Jaswal, S.S.; Tsymbal, E.Y. Multi-ferroic and magnetoelectric materials and interfaces. Philos. Trans. Math. Phys. Eng. Sci. 2011, 369, 3069–3097. [Google Scholar] [CrossRef] [PubMed]
- Cai, H.; Wang, Y.; Kang, W.; Naviner, L.; Shan, W.; Yang, J.; Zhao, W. Enabling Resilient Voltage-Controlled MeRAM Using Write Assist Techniques. In Proceedings of the 2018 IEEE International Symposium on Circuits and Systems (ISCAS), Florence, Italy, 27–30 May 2018; pp. 1–5. [Google Scholar] [CrossRef]
- Kang, W.; Chang, L.; Zhang, Y.; Zhao, W. Voltage-controlled MRAM for working memory: Perspectives and challenges. In Proceedings of the Design, Automation Test in Europe Conference Exhibition (DATE), Lausanne, Switzerland, 27–31 March 2017; pp. 542–547. [Google Scholar] [CrossRef]
- Apalkov, D.; Dieny, B.; Slaughter, J.M. Magnetoresistive Random Access Memory. Proc. IEEE 2016, 104, 1796–1830. [Google Scholar] [CrossRef]
- Wang, Z.; Li, Z.; Wang, M.; Wu, B.; Zhu, D.; Zhao, W. Field-free spin–orbit-torque switching of perpendicular magnetization aided by uniaxial shape anisotropy. Nanotechnology 2019, 30, 375202. [Google Scholar] [CrossRef]
- Dieny, B.; Sousa, R.; Herault, J.; Papusoi, C.; Prenat, G.; Ebels, U.; Houssameddine, D.; Rodmacq, B.; Auffret, S.; Buda-Prejbeanu, L.; et al. Spin-Transfer Effect and its Use in Spintronic Components. Int. J. Nanotechnol. 2010, 7. [Google Scholar] [CrossRef]
- Åkerman, J. Toward a Universal Memory. Science 2005, 308, 508–510. [Google Scholar] [CrossRef]
- Hosomi, M.; Yamagishi, H.; Yamamoto, T.; Bessho, K.; Higo, Y.; Yamane, K.; Yamada, H.; Shoji, M.; Hachino, H.; Fukumoto, C.; et al. A novel nonvolatile memory with spin torque transfer magnetization switching: Spin-RAM. In Proceedings of the IEEE International Electron Devices Meeting, IEDM Technical Digest, Washington, DC, USA, 5–7 December 2005; pp. 459–462. [Google Scholar] [CrossRef]
- Wang, Z.; Zhang, L.; Wang, M.; Wang, Z.; Zhu, D.; Zhang, Y.; Zhao, W. High-Density NAND-Like Spin Transfer Torque Memory With Spin Orbit Torque Erase Operation. IEEE Electron Device Lett. 2018, 39, 343–346. [Google Scholar] [CrossRef]
- Lin, C.J.; Kang, S.H.; Wang, Y.J.; Lee, K.; Zhu, X.; Chen, W.C.; Li, X.; Hsu, W.N.; Kao, Y.C.; Liu, M.T.; et al. 45nm low power CMOS logic compatible embedded STT MRAM utilizing a reverse-connection 1T/1MTJ cell. In Proceedings of the 2009 IEEE International Electron Devices Meeting (IEDM), Baltimore, MD, USA, 7–9 December 2009; pp. 1–4. [Google Scholar] [CrossRef]
- Cubukcu, M.; Boulle, O.; Drouard, M.; Garello, K.; Onur Avci, C.; Mihai Miron, I.; Langer, J.; Ocker, B.; Gambardella, P.; Gaudin, G. Spin-orbit torque magnetization switching of a three-terminal perpendicular magnetic tunnel junction. Appl. Phys. Lett. 2014. [Google Scholar] [CrossRef]
- Fong, X.; Kim, Y.; Venkatesan, R.; Choday, S.H.; Raghunathan, A.; Roy, K. Spin-Transfer Torque Memories: Devices, Circuits, and Systems. Proc. IEEE 2016, 104, 1449–1488. [Google Scholar] [CrossRef]
- Shiota, Y.; Nozaki, T.; Bonell, F.; Murakami, S.; Shinjo, T.; Suzuki, Y. Induction of coherent magnetization switching in a few atomic layers of FeCo using voltage pulses. Nat. Mater. 2012, 11, 39–43. [Google Scholar] [CrossRef]
- Sharmin, S.; Jaiswal, A.; Roy, K. Modeling and design space exploration for bit-cells based on voltage-assisted switching of magnetic tunnel junctions. IEEE Trans. Electron Devices 2016, 63, 3493–3500. [Google Scholar] [CrossRef]
- Wang, S.; Lee, H.; Ebrahimi, F.; Amiri, P.K.; Wang, K.L.; Gupta, P. Comparative Evaluation of Spin-Transfer-Torque and Magnetoelectric Random Access Memory. IEEE J. Emerg. Sel. Top. Circuits Syst. 2016, 6, 134–145. [Google Scholar] [CrossRef]
- Zhang, H.; Kang, W.; Wang, Z.; Deng, E.; Zhang, Y.; Zhao, W. High-Density and Fast-Configuration Non-Volatile Look-Up Table Based on NAND-Like Spintronic Memory. In Proceedings of the 2018 IEEE Asia Pacific Conference on Circuits and Systems (APCCAS), Chengdu, China, 26–30 October 2018; pp. 382–385. [Google Scholar] [CrossRef]
- Tsou, Y.; Chiu, J.; Shih, H.; Liu, C.W. Write Margin Analysis of Spin-Orbit Torque Switching Using Field-Assisted Method. IEEE J. Explor.-Solid-State Comput. Devices Circuits 2019, 1. [Google Scholar] [CrossRef]
- Garello, K.; Yasin, F.; Hody, H.; Couet, S.; Souriau, L.; Sharifi, S.H.; Swerts, J.; Carpenter, R.; Rao, S.; Kim, W.; et al. Manufacturable 300mm platform solution for Field-Free Switching SOT-MRAM. In Proceedings of the 2019 Symposium on VLSI Technology, Kyoto, Japan, 9–14 June 2019; pp. T194–T195. [Google Scholar] [CrossRef]
- Jan, G.; Thomas, L.; Le, S.; Lee, Y.; Liu, H.; Zhu, J.; Iwata-Harms, J.; Patel, S.; Tong, R.; Sundar, V.; et al. Demonstration of Ultra-Low Voltage and Ultra Low Power STT-MRAM designed for compatibility with 0x node embedded LLC applications. In Proceedings of the 2018 IEEE Symposium on VLSI Technology, Honolulu, HI, USA, 18–22 June 2018; pp. 65–66. [Google Scholar] [CrossRef]
- Garello, K.; Yasin, F.; Kar, G.S. Spin-Orbit Torque MRAM for ultrafast embedded memories: From fundamentals to large scale technology integration. In Proceedings of the 2019 IEEE 11th International Memory Workshop (IMW), Monterey, CA, USA, 12–15 May 2019; pp. 1–4. [Google Scholar] [CrossRef]
- Li, X.; Lee, A.; Razavi, S.; Wu, H.; Wang, K. Voltage-controlled magnetoelectric memory and logic devices. MRS Bull. 2018, 43, 970–977. [Google Scholar] [CrossRef]
- Kobayashi, D.; Hirose, K.; Makino, T.; Onoda, S.; Ohshima, T.; Ikeda, S.; Sato, H.; Enobio, E.C.I.; Endoh, T.; Ohno, H. Soft errors in 10-nm-scale magnetic tunnel junctions exposed to high-energy heavy-ion radiation. Jpn. J. Appl. Phys. 2017, 56, 0802B4. [Google Scholar] [CrossRef]
- Yang, J.; Wang, P.; Zhang, Y.; Cheng, Y.; Zhao, W.; Chen, Y.; Li, H.H. Radiation-Induced Soft Error Analysis of STT-MRAM: A Device to Circuit Approach. IEEE Trans. Comput.-Aided Des. Integr. Circuits Syst. 2016, 35, 380–393. [Google Scholar] [CrossRef]
- Maciel, N.; Marques, E.C.; Naviner, L.; Cai, H.; Yang, J. Voltage-Controlled Magnetic Anisotropy MeRAM Bit-Cell over Event Transient Effects. J. Low Power Electron. Appl. 2019, 9, 15. [Google Scholar] [CrossRef]
- Wang, B.; Wang, Z.; Hu, C.; Zhao, Y.; Zhang, Y.; Zhao, W. Radiation-Hardening Techniques for Spin Orbit Torque-MRAM Peripheral Circuitry. IEEE Trans. Magn. 2018, 54, 1–5. [Google Scholar] [CrossRef]
- Maciel, N.; Marques, E.; Naviner, L.; Cai, H.; Yang, J. Reliability Analysis of NAND-Like Spintronic Memory. Microelectron. Reliab. 2019. [Google Scholar] [CrossRef]
- Deng, E. Design and Development of Low-Power and Reliable Logic Circuits Based on Spin-Transfer Torque Magnetic Tunnel Junctions. Ph.D. Thesis, Université Grenoble Alpes, Grenoble, France, 10 February 2017. [Google Scholar]
- Kuon, I.; Tessier, R.; Rose, J. FPGA Architecture: Survey and Challenges; Foundations and Trends in Electronic Design Automation Series; Foundations and Trends®: Delft, The Netherlands, 2008. [Google Scholar]
- Salehi, S.; Zand, R.; DeMara, R.F. Clockless Spin-based Look-Up Tables with Wide Read Margin. In Proceedings of the 2019 on Great Lakes Symposium on VLSI, Tysons Corner, VA, USA, 9–11 May 2019; pp. 363–366. [Google Scholar] [CrossRef]
- Zand, R.; Roohi, A.; Salehi, S.; DeMara, R.F. Scalable Adaptive Spintronic Reconfigurable Logic Using Area-Matched MTJ Design. IEEE Trans. Circuits Syst. II Express Briefs 2016, 63, 678–682. [Google Scholar] [CrossRef]
- Zhao, W.; Belhaire, E.; Chappert, C.; Dieny, B.; Prenat, G. TAS-MRAM-Based Low-Power High-Speed Runtime Reconfiguration (RTR) FPGA. ACM Trans. Reconfigurable Technol. Syst. 2009, 2, 8:1–8:19. [Google Scholar] [CrossRef]
- Huang, K.; Ha, Y.; Zhao, R.; Kumar, A.; Lian, Y. A Low Active Leakage and High Reliability Phase Change Memory (PCM) Based Non-Volatile FPGA Storage Element. IEEE Trans. Circuits Syst. Regul. Pap. 2014, 61, 2605–2613. [Google Scholar] [CrossRef]
- Zand, R.; DeMara, R.F. Radiation-hardened MRAM-based LUT for non-volatile FPGA soft error mitigation with multi-node upset tolerance. J. Phys. Appl. Phys. 2017, 50, 505002. [Google Scholar] [CrossRef]
- Attaran, A.; Sheaves, T.D.; Mugula, P.K.; Mahmoodi, H. Static Design of Spin Transfer Torques Magnetic Look Up Tables for ASIC Designs. In Proceedings of the 2018 on Great Lakes Symposium on VLSI, Chicago, IL, USA, 23–25 May 2018; pp. 507–510. [Google Scholar] [CrossRef]
- Zhao, W.; Belhaire, E.; Javerliac, V.; Chappert, C.; Dieny, B. Evaluation of a Non-Volatile FPGA based on MRAM technology. In Proceedings of the 2006 IEEE International Conference on IC Design and Technology, Padova, Italy, 1–4 May 2006; pp. 1–4. [Google Scholar] [CrossRef]
- Zhao, W.; Belhaire, E.; Chappert, C. Spin-MTJ based Non-volatile Flip-Flop. In Proceedings of the 2007 7th IEEE Conference on Nanotechnology (IEEE NANO), Hong Kong, China, 2–5 August 2007; pp. 399–402. [Google Scholar] [CrossRef]
- Montesi, L.; Zilic, Z.; Hanyu, T.; Suzuki, D. Building Blocks to Use in Innovative Non-volatile FPGA Architecture Based on MTJs. In Proceedings of the 2012 IEEE Computer Society Annual Symposium on VLSI, Amherst, MA, USA, 19–21 August 2012; pp. 302–307. [Google Scholar] [CrossRef]
- Onizawa, N.; Hanyu, T. Redundant STT-MTJ-based nonvolatile flip-flops for low write-error-rate operations. In Proceedings of the 2016 14th IEEE International New Circuits and Systems Conference (NEWCAS), Vancouver, BC, Canada, 26–29 June 2016; pp. 1–4. [Google Scholar] [CrossRef]
- Iyengar, A.S.; Ghosh, S.; Jang, J. MTJ-Based State Retentive Flip-Flop With Enhanced-Scan Capability to Sustain Sudden Power Failure. IEEE Trans. Circuits Syst. Regul. Pap. 2015, 62, 2062–2068. [Google Scholar] [CrossRef]
- Meng, H.; Wang, J.G.; Wang, J.P. A spintronics full adder for magnetic CPU. IEEE Electron Device Lett. 2005, 26, 360–362. [Google Scholar] [CrossRef]
- Matsunaga, S.; Hayakawa, J.; Ikeda, S.; Miura, K.; Hasegawa, H.; Endoh, T.; Ohno, H.; Hanyu, T. Fabrication of a Nonvolatile Full Adder Based on Logic-in-Memory Architecture Using Magnetic Tunnel Junctions. Appl. Phys. Express 2008, 1. [Google Scholar] [CrossRef]
- Gang, Y.; Zhao, W.; Klein, J.; Chappert, C.; Mazoyer, P. A High-Reliability, Low-Power Magnetic Full Adder. IEEE Trans. Magn. 2011, 47, 4611–4616. [Google Scholar] [CrossRef]
- Jonsson, B.E. A survey of A/D-Converter performance evolution. In Proceedings of the 2010 17th IEEE International Conference on Electronics, Circuits and Systems, Athens, Greece, 12–15 December 2010; pp. 766–769. [Google Scholar] [CrossRef]
- Jiang, Y.; Lv, Y.; Jamali, M.; Wang, J. Spin Analog-to-Digital Convertor Using Magnetic Tunnel Junction and Spin Hall Effect. IEEE Electron Device Lett. 2015, 36, 511–513. [Google Scholar] [CrossRef]
- Salehi, S.; DeMara, R.F. SLIM-ADC: Spin-based Logic-In-Memory Analog to Digital Converter leveraging SHE-enabled Domain Wall Motion devices. Microelectron. J. 2018, 81, 137–143. [Google Scholar] [CrossRef]
- Murmann, B. ADC Performance Survey (1997–2019). Available online: http://web.stanford.edu/~murmann/adcsurvey.html (accessed on 15 October 2019).
- El-Chammas, M.; Murmann, B. A 12-GS/s 81-mW 5-bit Time-Interleaved Flash ADC With Background Timing Skew Calibration. IEEE J. Solid-State Circuits 2011, 46, 838–847. [Google Scholar] [CrossRef]
- Lee, H.; Grezes, C.; Lee, A.; Ebrahimi, F.; Khalili Amiri, P.; Wang, K.L. A Spintronic Voltage-Controlled Stochastic Oscillator for Event-Driven Random Sampling. IEEE Electron Device Lett. 2017, 38, 281–284. [Google Scholar] [CrossRef]
- Salehi, S.; Zand, R.; Zaeemzadeh, A.; Rahnavard, N.; DeMara, R.F. AQuRate: MRAM-based Stochastic Oscillator for Adaptive Quantization Rate Sampling of Sparse Signals. In Proceedings of the 2019 on Great Lakes Symposium on VLSI, Tysons Corner, VA, USA, 9–11 May 2019; pp. 359–362. [Google Scholar] [CrossRef]
- Sengupta, A.; Liyanagedera, C.M.; Jung, B.; Roy, K. Magnetic Tunnel Junction as an On-Chip Temperature Sensor. Sci. Rep. 2017, 7, 11764. [Google Scholar] [CrossRef]
- Fan, X.; Chen, Y.; Bi, C.; Xie, Y.; Kolodzey, J.; Wilson, J.D.; Simons, R.N.; Zhang, H.; Xiao, J.Q. Magnetic tunnel junction-based on-chip microwave phase and spectrum analyzer. In Proceedings of the 2014 IEEE MTT-S International Microwave Symposium (IMS2014), Tampa, FL, USA, 1–6 June 2014; pp. 1–4. [Google Scholar] [CrossRef]
- Cubells, M.D.; Reig, C.; De Marcellis, A.; Roldán, A.; Roldán, J.; Cardoso, S.; Freitas, P.P. Magnetic Tunnel Junction (MTJ) sensors for integrated circuits (IC) electric current measurement. Sensors 2013. [Google Scholar] [CrossRef]
- Vincent, A.F.; Larroque, J.; Locatelli, N.; Ben Romdhane, N.; Bichler, O.; Gamrat, C.; Zhao, W.S.; Klein, J.; Galdin-Retailleau, S.; Querlioz, D. Spin-Transfer Torque Magnetic Memory as a Stochastic Memristive Synapse for Neuromorphic Systems. IEEE Trans. Biomed. Circuits Syst. 2015, 9, 166–174. [Google Scholar] [CrossRef] [PubMed]
- Srinivasan, G.; Sengupta, A.; Roy, K. Magnetic Tunnel Junction Based Long-Term Short-Term Stochastic Synapse for a Spiking Neural Network with On-Chip STDP Learning. Sci. Rep. 2016, 6, 29545. [Google Scholar] [CrossRef]




















| STT-MRAM | SOT-MRAM | VCMA-MeRAM | |
|---|---|---|---|
| Read Time (ns) | 1–5 | 1–5 | 1–5 |
| Write Time (ns) | 5–10 | <1 | <1 |
| Cell Size (area in ) | 40–50 | 50–70 | 20–30 |
| Bit Density (Gb/cm2) | 1 | 0.75 | 2 |
| Read Energy/Bit (fJ) | 10–20 | 10–20 | 1–5 |
| Write Energy/Bit (fJ) | 100–200 | <10 | <5 |
| A | B | Q (AND) | (NAND) |
|---|---|---|---|
| 0 | 0 | 0 | 1 |
| 0 | 1 | 0 | 1 |
| 1 | 0 | 0 | 1 |
| 1 | 1 | 1 | 0 |
| A | B | Q (OR) | (NOR) |
|---|---|---|---|
| 0 | 0 | 0 | 1 |
| 0 | 1 | 1 | 0 |
| 1 | 0 | 1 | 0 |
| 1 | 1 | 1 | 0 |
| A | B | Q (XOR) | (NXOR) |
|---|---|---|---|
| 0 | 0 | 0 | 1 |
| 0 | 1 | 1 | 0 |
| 1 | 0 | 1 | 0 |
| 1 | 1 | 0 | 1 |
| Design | Write/Read Operation | Features and Challenges |
|---|---|---|
| FIMS-LUT | Magnetic | High Speed |
| [58] | Field/TMR | High Power Consumption |
| High Area Overhead | ||
| TAS-LUT | Magnetic | Relatively High Speed |
| [54] | Field/TMR | High Power Consumption |
| Medium Area Overhead | ||
| STT-LUT | STT/TMR | High Speed |
| [53] | Low Power Consumption | |
| Low Area Overhead | ||
| A-LUT | STT/TMR | High Speed |
| [53] | Scalable Power Consumption | |
| Low Area Overhead |
© 2019 by the authors. Licensee MDPI, Basel, Switzerland. This article is an open access article distributed under the terms and conditions of the Creative Commons Attribution (CC BY) license (http://creativecommons.org/licenses/by/4.0/).
Share and Cite
Maciel, N.; Marques, E.; Naviner, L.; Zhou, Y.; Cai, H. Magnetic Tunnel Junction Applications. Sensors 2020, 20, 121. https://doi.org/10.3390/s20010121
Maciel N, Marques E, Naviner L, Zhou Y, Cai H. Magnetic Tunnel Junction Applications. Sensors. 2020; 20(1):121. https://doi.org/10.3390/s20010121
Chicago/Turabian StyleMaciel, Nilson, Elaine Marques, Lírida Naviner, Yongliang Zhou, and Hao Cai. 2020. "Magnetic Tunnel Junction Applications" Sensors 20, no. 1: 121. https://doi.org/10.3390/s20010121
APA StyleMaciel, N., Marques, E., Naviner, L., Zhou, Y., & Cai, H. (2020). Magnetic Tunnel Junction Applications. Sensors, 20(1), 121. https://doi.org/10.3390/s20010121

