Design of a RF Switch Used in Redundant Atomic Clock Configurations
Abstract
1. Introduction
2. Comparison of Different RF Switches
3. Design of the PIN Switch
3.1. Principle of PIN Diode
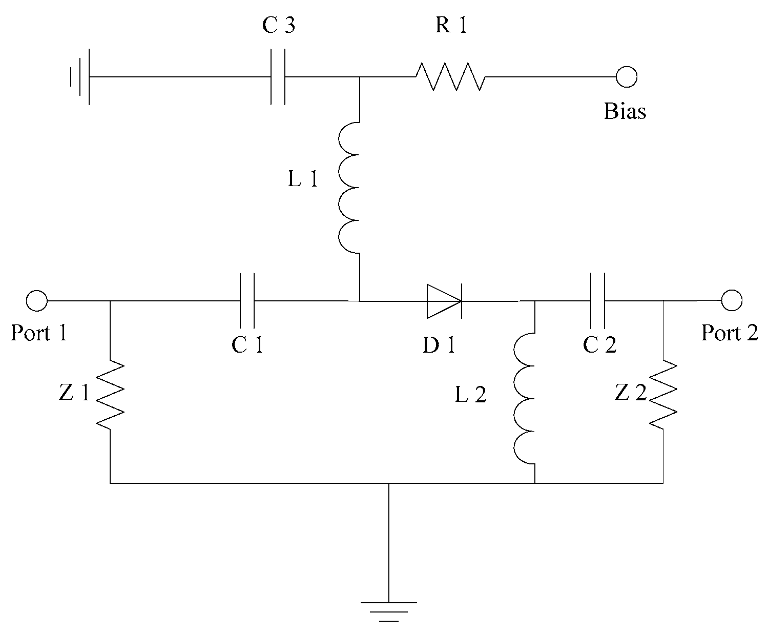
3.2. Conventional PIN Switch
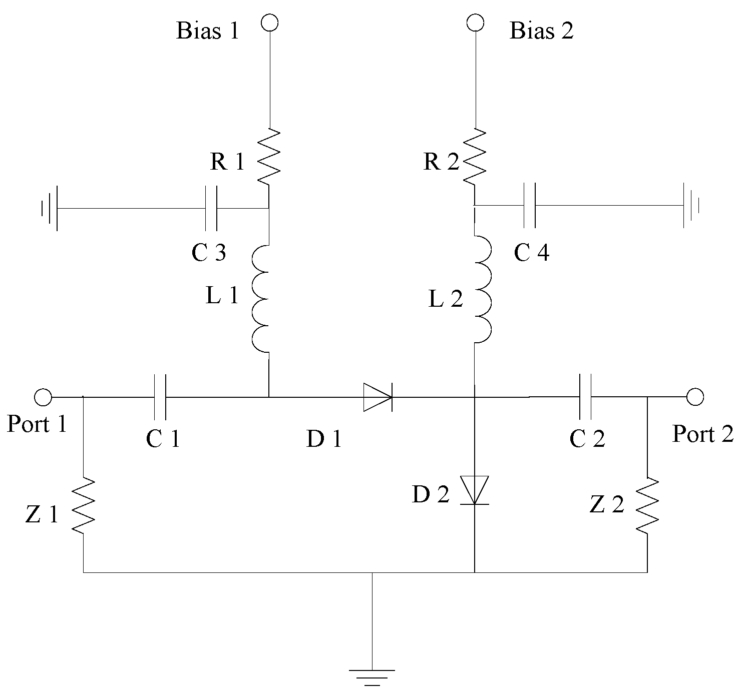
3.3. Design of the Improved Series-Shunt PIN Switches
4. Experiment
4.1. Measurement of Switching Speed
4.2. Measurement of Other Technical Metrics
5. Conclusions
Author Contributions
Funding
Conflicts of Interest
References
- Lombardi, M.A. A Historical Review of U.S. Contributions to the Atomic Redefinition of the SI Second in 1967. J. Inst. Stand. Technol. 2017, 122, 17. [Google Scholar] [CrossRef]
- Fraas, M. An Analysis of the Stationary Operation of Atomic Clocks. Commun. Math. Phys. 2016, 348, 363–393. [Google Scholar] [CrossRef]
- Diddams, S.A.; Bergquist, J.C.; Jefferts, S.R.; Oates, C.W. Standards of Time and Frequency at the Outset of the 21st Century. Science 2004, 306, 1318–1324. [Google Scholar] [CrossRef]
- Jun, R.; Wang, Y.B.; Hong, C.; Jiang, H.F.; Tao, L.; Dong, R.F.; Zhang, S.G. Progress towards Primary Frequency Standard. Acta Physica Sinica 2015, 64, 160308. [Google Scholar]
- Arndt, M.; Brand, C. Interference of Atomic Clocks. Science 2015, 349, 1168–1169. [Google Scholar] [CrossRef]
- Chan, F.-C.; Joerger, M.; Pervan, B. Stochastic Modeling of Atomic Receiver Clock for High Integrity GPS Navigation. IEEE Trans. Aerosp. Electron. Syst. 2014, 50, 1749–1764. [Google Scholar] [CrossRef]
- Zhan, L.; Liu, Y.; Yao, W.; Zhao, J. Utilization of Chip Scale Atomic Clock for Synchrophasor Measurements. IEEE Trans. N.A. Deliv. 2016, 31, 1. [Google Scholar] [CrossRef]
- Wu, Q.; Li, K. An Inertial Device Biases on-line Monitoring Method in the Applications of Two Rotational Inertial Navigation Systems Redundant Configuration. Mech. Syst. N.A. Process. 2019, 120, 133–149. [Google Scholar] [CrossRef]
- Fakharian, M.M.; Rezaei, P.; Orouji, A.A. Polarization and Radiation Pattern Reconfigurability of a Planar Monopole-Fed Loop Antenna for GPS Application. Radioengineering 2016, 25, 680–686. [Google Scholar] [CrossRef]
- Chen, H.; Divan, D. Soft-switching Solid State Transformer (S4T). IEEE Trans. Power Electron. 2018, 33, 2933–2947. [Google Scholar] [CrossRef]
- Kazda, M.; Gerginov, V.; Huntemann, N.; Lipphardt, B.; Weyers, S. Phase Analysis of Frequency Standards in the Microwave and Optical Domains. IEEE Trans. Ultrason. Ferroelectr. Freq. Control. 2016, 63, 970. [Google Scholar] [CrossRef] [PubMed][Green Version]
- Ha, B.W.; Chang, W.S.; Cho, C.S.; Kim, Y.J. Wideband High-isolation SPDT RF Switch in 0.18-μm SiGe BiCMOS Technology. Analog. Integr. Circuits Signal Process. 2016, 87, 11–19. [Google Scholar] [CrossRef]
- Hiari, O.; Mesleh, R. Impact of RF–Switch Insertion Loss on the Performance of Space Modulation Techniques. IEEE Commun. Lett. 2018, 22, 958–961. [Google Scholar] [CrossRef]
- Haase, M.; Hoffmann, K.; Hudec, P. Advanced Evaluation of Minimum Insertion Loss of Power-Line EMI/RFI Filters in RF and Microwave Frequency Bands. IEEE Trans. Electromagn. Compat. 2017, 59, 1–10. [Google Scholar] [CrossRef]
- Kim, P.; Chaudhary, G.; Jeong, Y. Unequal Termination Branch-line Balun with High-isolation Wideband Characteristics. Microw. Opt. Technol. Lett. 2016, 58, 1775–1778. [Google Scholar] [CrossRef]
- Nawaz, H.; Tekin, I. Double Differential Fed, Dual Polarized Patch Antenna with 90dB Interport RF Isolation for 2.4 GHz In-Band Full Duplex Transceiver. IEEE Antennas Wirel. Propag. Lett. 2017, 17, 287–290. [Google Scholar] [CrossRef]
- Kim, P.; Chaudhary, G.; Jeong, Y. An Ultra-wideband Bandpass Filter with High Return Loss and Controllable Notch Band. Microw. Opt. Technol. Lett. 2016, 58, 2922–2926. [Google Scholar] [CrossRef]
- Sidorov, V.A.; Domashenko, G.D.; Akhmetgareev, M.R.; Menakhin, L.P.; Shcherbakov, Y.V.; Ponomarev, V.N. A High-Voltage High-Speed Switch with an Adjustable Switching Duration. Instruments Exp. Tech. 2018, 61, 219–225. [Google Scholar] [CrossRef]
- Jena, B.; Dash, S.; Mishra, G.P. Improved Switching Speed of a CMOS Inverter Using Work-Function Modulation Engineering. IEEE Trans. N.A. Devices. 2018, 65, 2422–2429. [Google Scholar] [CrossRef]
- Ravirala, A.K.; Bethapudi, L.K.; Kommareddy, J.; Thommandru, B.S.; Jasti, S.; Gorantla, P.R.; Puli, A.; Karumuri, G.S.; Karumuri, S.R. Design and Performance Analysis of Uniform Meander Structured RF MEMS Capacitive Shunt Switch Along with Perforations. Microsyst. Technol. 2017, 24, 901–908. [Google Scholar] [CrossRef]
- Maunder, A.; Rao, M.; Robb, F.; Wild, J.M. Comparison of MEMS Switches and PIN Diodes for Switched dual Tuned RF Coils. Magn. Reson. Med. 2018, 80, 1746–1753. [Google Scholar] [CrossRef] [PubMed]
- Bacon, P.; Fischer, D.; Lourens, R. Overview of RF Switch Technology and Applications. Microw. J. 2014, 57, 76–88. [Google Scholar]
- Shekhar, S.; Vinoy, K.J.; Ananthasuresh, G.K. Surface-Micromachined Capacitive RF Switches With Low Actuation Voltage and Steady Contact. J. Microelectromechanical Syst. 2017, 26, 1–10. [Google Scholar] [CrossRef]
- Attaran, A.; Rashidzadeh, R. Chipless Radio Frequency Identification Tag for IoT Applications. IEEE Internet Things J. 2017, 3, 1310–1318. [Google Scholar] [CrossRef]
- Attaran, A.; Rashidzadeh, R. Ultra Low Actuation Voltage RF MEMS Switch. N.A. Nano Syst. Lett. 2015, 3, 1437. [Google Scholar] [CrossRef][Green Version]
- Attaran, A.; Muscedere, R.; Rashidzadeh, R. Chipless RFID Tag Using RF MEMS Switch. Electron. Lett. 2014, 50, 1720–1722. [Google Scholar] [CrossRef]
- Dong, K.; Choe, H.S.; Wang, X.; Liu, H.; Saha, B.; Ko, C.; Deng, Y.; Tom, K.B.; Lou, S.; Wang, L. A 0.2 V Micro-Electromechanical Switch Enabled by a Phase Transition. Small 2018, 14, 1703621. [Google Scholar] [CrossRef]
- Sharabani, Y.; Shafir, I.; Zoran, S.; Raizman, A.; Sher, A.; Rosenwaks, Y.; Eger, D. Validation of Fast Current Interruption Mechanism in Sub-Nanosecond High Voltage Switching Diodes. IEEE Electron Device Letter. 2016, 37, 1. [Google Scholar] [CrossRef]
- Zhou, Y.; Zhou, Z.; Yao, C.; Tan, J.; Wang, X.; Wang, C.; Hu, Y.; Yang, G. Fast-rise-time Trigger Source Based on Solid-state Switch and Pulse Transformer for Triggered Vacuum Switch. IEEE Trans. Dielectr. Electr. Insul. 2017, 24, 2105–2114. [Google Scholar] [CrossRef]
- Hu, L.; Su, J.; Ding, Z.; Hao, Q.; Fan, Y.; Liu, C. Note: All Solid-state High Repetitive Sub-nanosecond Risetime Pulse Generator Based on Bulk Gallium Arsenide Avalanche Semiconductor Switches. Sci. Instruments. 2016, 87, 86107. [Google Scholar] [CrossRef]
- Li, P.; Pan, W.; Zou, X.; Lu, B.; Yan, L. Fast Tunable Photonic Single-bandpass RF Filter with Multiple Arbitrary Switching Flat-top Passbands. J. Lightwave Technol. 2018, 36, 4583–4590. [Google Scholar] [CrossRef]
- Lu, J.Y.; Grafendorfer, T.; Zhang, T.; Vasanawala, S.; Robb, F.; Pauly, J.M.; Scott, G.C. Depletion-Mode GaN HEMT Q-Spoil Switches for MRI Coils. IEEE Trans. Med N.A. 2016, 35, 2558–2567. [Google Scholar] [CrossRef] [PubMed]
- Gopinath, A. Comparison of GaAs MESFET and GaAs p-i-n diodes as Switch Elements. IEEE Electron Device Lett. 2005, 6, 505–506. [Google Scholar] [CrossRef]
- Ji, Y.; Hoffmann, W.; Pham, M.; Dunn, A.E.; Han, H.; Özerdem, C.; Waiczies, H.; Rohloff, M.; Endemann, B.; Boyer, C. High Peak and High Average Radiofrequency Power Transmit/receive Switch for Thermal Magnetic Resonance. Magn. Reson. Med. 2018, 80, 2240–2255. [Google Scholar] [CrossRef] [PubMed]
- Jahdi, S.; Alatise, O.; Ran, L.; Mawby, P. Accurate Analytical Modeling for Switching Energy of PiN Diodes Reverse Recovery. IEEE Trans. Ind. Electron. 2015, 62, 1461–1470. [Google Scholar] [CrossRef]
- Asif, S.M.; Iftikhar, A.; Khan, S.M.; Usman, M.; Braaten, B.D. An E-shaped Microstrip Patch Antenna for Reconfigurable Dual-band Operation. Microw. Opt. Technol. Lett. 2016, 58, 1485–1490. [Google Scholar] [CrossRef]
- Abdulraheem, Y.I.; Oguntala, G.A.; Abdullah, A.S.; Mohammed, H.J.; Ali, R.A.; Abd-Alhameed, R.A.; Noras, J.M. Design of Frequency Reconfigurable Multiband Compact Antenna Using Two PIN Diodes for WLAN/WiMAX Applications. IET Microwaves, Antennas Propag. 2017, 11, 1098–1105. [Google Scholar] [CrossRef]
- Hages, C.J.; Redinger, A.; Levcenko, S.; Hempel, H.; Koeper, M.J.; Agrawal, R.; Greiner, D.; Kaufmann, C.A.; Unold, T. Identifying the Real Minority Carrier Lifetime in Nonideal Semiconductors: A Case Study of Kesterite Materials. Adv. N.A. Mater. 2017, 7, 1700167. [Google Scholar] [CrossRef]
- Baek, H.N.; Sun, G.M.; Kim, J.S.; Hoang, S.M.T.; Jin, M.E.; Ahn, S.H. Improvement of Switching Speed of a 600-V Non-Punch-Through IGBT Using Fast Neutron Irradiation. Nucl. Eng. Technol. 2017, 49, 209–215. [Google Scholar] [CrossRef]
















| Switch Types | Switching Speed |
|---|---|
| Electromechanical Switch (Agilent 8765B, e.g.,) | 26.20 ms |
| Solid-state Switch (Mini-Circuits ZMSW-1211, e.g.,) | 4.00 us |
| Capacitance | Switching Speed | Insertion Loss | Isolation |
|---|---|---|---|
| 100 pf | 188.60 ns | −11.12 dB | −34.36 dB |
| 500 pf | 848.60 ns | −1.23 dB | −16.15 dB |
| 1000 pf | 1688.60ns | −0.78 dB | −64.83 dB |
| Switch Types | Insertion Loss (dB) | Isolation (dB) |
|---|---|---|
| Series Switch | −0.570 | −49.730 |
| Shunt Switch | −0.443 | −31.782 |
| Conventional Series-shunt Switch | −0.482 | −53.826 |
| Switch Types | Insertion Loss (dB) | Isolation (dB) | Switching Speed (ns) | Return Loss at on-State (dB) | Return Loss at Off-State (dB) |
|---|---|---|---|---|---|
| Series switch | –0.57 | –49.73 | 331.20 | –0.65 | –11.54 |
| Shunt switch | –0.44 | –31.78 | 691.20 | –0.45 | –9.10 |
| Conventional Series-shunt switch | –0.48 | –53.83 | 396.00 | –0.45 | –17.02 |
| Improved Series-shunt switch | –1.14 | –76.33 | 342.60 | –0.15 | –6.89 |
© 2019 by the authors. Licensee MDPI, Basel, Switzerland. This article is an open access article distributed under the terms and conditions of the Creative Commons Attribution (CC BY) license (http://creativecommons.org/licenses/by/4.0/).
Share and Cite
Hou, Y.; Wang, S.; Tang, S.; Zhang, T. Design of a RF Switch Used in Redundant Atomic Clock Configurations. Sensors 2019, 19, 2331. https://doi.org/10.3390/s19102331
Hou Y, Wang S, Tang S, Zhang T. Design of a RF Switch Used in Redundant Atomic Clock Configurations. Sensors. 2019; 19(10):2331. https://doi.org/10.3390/s19102331
Chicago/Turabian StyleHou, Yuqing, Sangyuan Wang, Sheng Tang, and Tao Zhang. 2019. "Design of a RF Switch Used in Redundant Atomic Clock Configurations" Sensors 19, no. 10: 2331. https://doi.org/10.3390/s19102331
APA StyleHou, Y., Wang, S., Tang, S., & Zhang, T. (2019). Design of a RF Switch Used in Redundant Atomic Clock Configurations. Sensors, 19(10), 2331. https://doi.org/10.3390/s19102331
