Intelligent Ball Bearing Fault Diagnosis Using Fractional Lorenz Chaos Extension Detection
Abstract
:1. Introduction
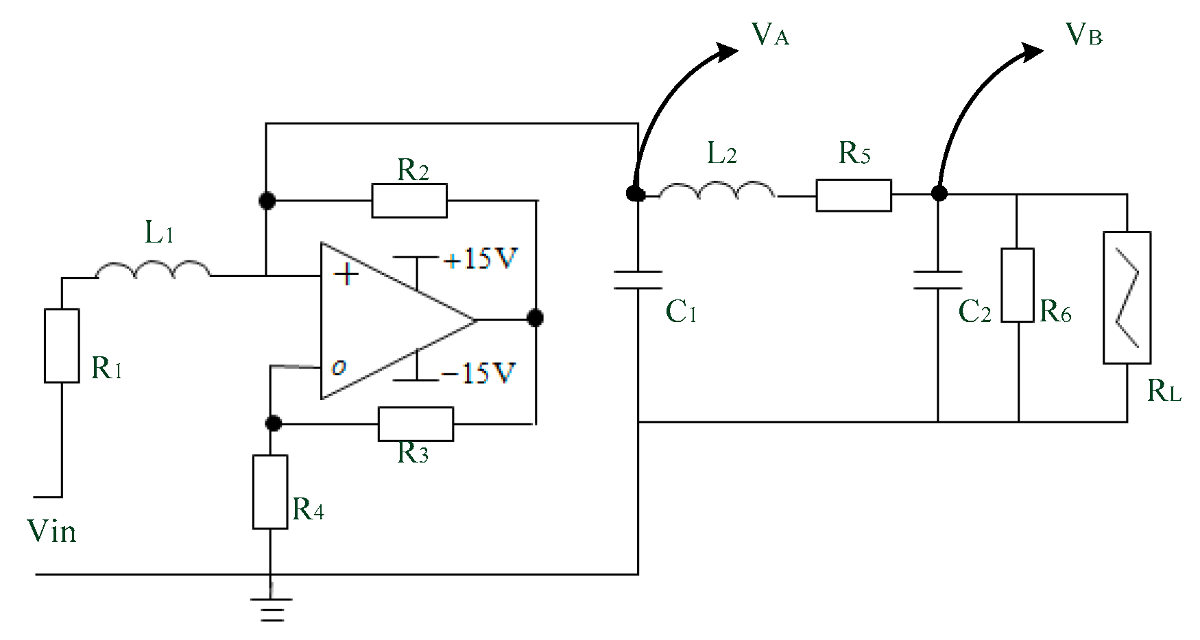
2. Chua’s Circuit
3. Experiment System
4. Chaos Theory
- : For arithmetic quantification as well as proportional application
- : For classification and control of non-arithmetical values
5. Extension Theory
5.1. Matter-Element Theory
5.2. Extension Sets
5.3. An Extension Theory Matter-Element Model
6. Experiment Results
7. Conclusions
Author Contributions
Funding
Conflicts of Interest
References
- Corne, B.; Vervisch, B.; Derammelaere, S.; Knockaert, J.; Desmet, J. The reflection of evolving bearing faults in the stator current’s extended park vector approach for induction machines. Mech. Syst. Sig. Process. 2018, 107, 168–182. [Google Scholar] [CrossRef]
- Duan, Z.; Wu, T.; Guo, S.; Shao, T.; Malekian, R.; Li, Z. Development and trend of condition monitoring and fault diagnosis of multi-sensors information fusion for rolling bearings: A review. Int. J. Adv. Manuf. Technol. 2018, 96, 803–819. [Google Scholar] [CrossRef]
- Fei, C.-W.; Choy, Y.-S.; Bai, G.-C.; Tang, W.-Z. Multi-feature entropy distance approach with vibration and acoustic emission signals for process feature recognition of rolling element bearing faults. Struct. Health Monit. Int. J. 2018, 17, 156–168. [Google Scholar] [CrossRef]
- Liu, J.; Shao, Y. Overview of dynamic modelling and analysis of rolling element bearings with localized and distributed faults. Nonlinear Dyn. 2018, 93, 1765–1798. [Google Scholar] [CrossRef]
- Piltan, F.; Kim, J.-M. Bearing fault diagnosis by a robust higher-order super-twisting sliding mode observer. Sensors 2018, 18, 1128. [Google Scholar] [CrossRef] [PubMed]
- Dang, Z.; Lv, Y.; Li, Y.R.; Wei, G.Q. Improved dynamic mode decomposition and its application to fault diagnosis of rolling bearing. Sensors 2018, 18, 1972. [Google Scholar] [CrossRef] [PubMed]
- Pang, B.; Tang, G.J.; Tian, T.; Zhou, C. Rolling bearing fault diagnosis based on an improved htt transform. Sensors 2018, 18, 1203. [Google Scholar] [CrossRef] [PubMed]
- Wan, S.T.; Zhang, X. Teager energy entropy ratio of wavelet packet transform and its application in bearing fault diagnosis. Entropy 2018, 20, 388. [Google Scholar] [CrossRef]
- Leite, V.C.; da Silva, J.G.B.; Veloso, G.F.C.; da Silva, L.E.B.; Lambert-Torres, G.; Bonaldi, E.L.; de Oliveira, L.E.D.L. Detection of localized bearing faults in induction machines by spectral kurtosis and envelope analysis of stator current. IEEE Trans. Ind. Electron. 2015, 62, 1855–1865. [Google Scholar] [CrossRef]
- Iorgulescu, M.; Beloiu, R. Faults diagnosis for electrical machines based on analysis of motor current. In Proceedings of the International Conference on Optimization of Electrical and Electronic Equipment (OPTIM), Brasov, Romania, 22–24 May 2014; pp. 291–297. [Google Scholar]
- Cui, L.; Liu, Z.; Fengxing, Z.; Cheng, G. Application of generalized demodulation in bearing fault diagnosis of inverter fed induction motors. In Proceedings of the 11th World Congress on Intelligent Control and Automation, Shenyang, China, 29 June–4 July 2014; pp. 2328–2333. [Google Scholar]
- Esfahani, E.T.; Wang, S.; Sundararajan, V. Multisensor wireless system for eccentricity and bearing fault detection in induction motors. IEEE/ASME Trans. Mechatron. 2014, 19, 818–826. [Google Scholar] [CrossRef]
- Kang, M.; Kim, J.; Wills, L.M.; Kim, J.M. Time-varying and multiresolution envelope analysis and discriminative feature analysis for bearing fault diagnosis. IEEE Trans. Ind. Electron. 2015, 62, 7749–7761. [Google Scholar] [CrossRef]
- Wang, J.; He, Q.; Kong, F. Adaptive multiscale noise tuning stochastic resonance for health diagnosis of rolling element bearings. IEEE Trans. Instrum. Meas. 2015, 64, 564–577. [Google Scholar] [CrossRef]
- Junbo, T.; Weining, L.; Juneng, A.; Xueqian, W. Fault diagnosis method study in roller bearing based on wavelet transform and stacked auto-encoder. In Proceedings of the 27th Chinese Control and Decision Conference (2015 CCDC), Qingdao, China, 23–25 May 2015; pp. 4608–4613. [Google Scholar]
- Harmouche, J.; Delpha, C.; Diallo, D. Improved fault diagnosis of ball bearings based on the global spectrum of vibration signals. IEEE Trans. Energy Convers. 2015, 30, 376–383. [Google Scholar] [CrossRef]
- Yamahata, C.; Sarajlic, E.; Krijnen, G.J.M.; Gijs, M.A.M. Subnanometer translation of microelectromechanical systems measured by discrete fourier analysis of ccd images. J. Microelectromech. Syst. 2010, 19, 1273–1275. [Google Scholar] [CrossRef]
- Zhang, Z.; Wu, J.; Ma, J.; Wang, X.; Zhou, C. Fault diagnosis for rolling bearing based on lifting wavelet and morphological fractal dimension. In Proceedings of the 27th Chinese Control and Decision Conference (2015 CCDC), Qingdao, China, 23–25 May 2015; pp. 6351–6354. [Google Scholar]
- Zhang, W.; Zhu, H.; Yang, Z.; Sun, X.; Yuan, Y. Nonlinear model analysis and “switching model” of ac–dc three-degree-of-freedom hybrid magnetic bearing. IEEE/ASME Trans. Mechatron. 2016, 21, 1102–1115. [Google Scholar] [CrossRef]
- Kumar, A.; Kumar, R. Oscillatory behavior-based wavelet decomposition for the monitoring of bearing condition in centrifugal pumps. Proc. Inst. Mech. Eng. Part J. Eng. Tribol. 2018, 232, 757–772. [Google Scholar] [CrossRef]
- Liu, W.B.; Luo, N.S.; Pan, G.; Ouyang, A.J. Chaos particle swarm optimization algorithm for optimization problems. Int. J. Pattern Recognit. Artif. Intell. 2018, 32, 1859019. [Google Scholar] [CrossRef]
- Mishra, C.; Samantaray, A.K.; Chakraborty, G. Rolling element bearing fault diagnosis under slow speed operation using wavelet de-noising. Measurement 2017, 103, 77–86. [Google Scholar] [CrossRef]
- Sinha, A.K.; Das, S.; Chatterjee, T.K. Wavelet transform based ball bearing fault detection scheme for heavy duty mining electrical motors under supply frequency regulation using mcsa. Int. J. Technol. 2018, 9, 170–180. [Google Scholar] [CrossRef]
- Upadhyay, N.; Kankar, P.K. Diagnosis of bearing defects using tunable q-wavelet transform. J. Mech. Sci. Technol. 2018, 32, 549–558. [Google Scholar] [CrossRef]
- Kuo, Y.C.; Hsieh, C.T.; Yau, H.T.; Li, Y.C. Study on unified chaotic system-based wind turbine blade fault diagnostic system. Int. J. Bifurcat. Chaos 2015, 25, 1550042. [Google Scholar] [CrossRef]
- Yau, H.T.; Kuo, Y.C.; Chen, C.L.; Li, Y.C. Ball bearing test-rig research and fault diagnosis investigation. IET Sci. Meas. Technol. 2016, 10, 259–265. [Google Scholar] [CrossRef]
- Fu, C.B.; Tian, A.H.; Li, Y.C.; Yau, H.T. Fractional-order chaos synchronization for real-time intelligent diagnosis of islanding in solar power grid systems. Energies 2018, 11, 1183. [Google Scholar] [CrossRef]
- Yau, H.T.; Wu, S.Y.; Chen, C.L.; Li, Y.C. Fractional-order chaotic self-synchronization-based tracking faults diagnosis of ball bearing systems. IEEE Trans. Ind. Electron. 2016, 63, 3824–3833. [Google Scholar] [CrossRef]
- Chua, L.O. Chua circuit 10 years later. Int. J. Circuit Theory Appl. 1994, 22, 279–305. [Google Scholar] [CrossRef]
- Chua, L.O.; Wu, C.W.; Huang, A.; Guo-Qun, Z. A universal circuit for studying and generating chaos. I. Routes to chaos. IEEE Trans. Circuits Syst. I Fundam. Theory Appl. 1993, 40, 732–744. [Google Scholar] [CrossRef]
- Case Western Reserve University Bearing Data Center. Available online: http://csegroups.case.edu/bearingdatacenter/pages/welcome-case-western-reserve-university-bearing-data-center-website (accessed on 13 May 2018).
- Sheu, L.-J.; Tam, L.-M.; Chen, H.-K.; Lao, S.-K. Alternative implementation of the chaotic chen–lee system. Chaos Solitons Fractals 2009, 41, 1923–1929. [Google Scholar] [CrossRef]
- Chen, J.-H. Controlling chaos and chaotification in the chen–lee system by multiple time delays. Chaos Solitons Fractals 2008, 36, 843–852. [Google Scholar] [CrossRef]
- Huang, C.-H.; Lin, C.-H.; Kuo, C.-L. Chaos synchronization-based detector for power-quality disturbances classification in a power system. IEEE Trans. Power Del. 2011, 26, 944–953. [Google Scholar] [CrossRef]
- Amir, S.Z.; Sun, S.Y. Physics-preserving averaging scheme based on grunwald-letnikov formula for gas flow in fractured media. J. Pet. Sci. Eng. 2018, 163, 616–639. [Google Scholar] [CrossRef]
- Brzezinski, D.W.; Ostalczyk, P. About accuracy increase of fractional-order derivative and integral computations by applying the grunwald-letnikov formula. Commun. Nonlinear Sci. Numer. Simul. 2016, 40, 151–162. [Google Scholar] [CrossRef]
- Neel, M.C.; Abdennadher, A.; Solofoniaina, J. A continuous variant for grunwald-letnikov fractional derivatives. Phys. Stat. Mech. Appl. 2008, 387, 2750–2760. [Google Scholar] [CrossRef]
- Wang, M.H. Application of extension theory to vibration fault diagnosis of generator sets. IEE Proc. Gener. Transm. Distrib. 2004, 151, 503–508. [Google Scholar] [CrossRef]
- Fu, S.; Liu, K.; Xu, Y.G.; Liu, Y. Rolling bearing diagnosing method based on time domain analysis and adaptive fuzzy c-means clustering. Shock Vibr. 2016, 2016, 942787. [Google Scholar]
- Yang, C.; Zheng, L.H. Pressure and temperature bearing capacities of fuzzy-ball fluid. Asian J. Chem. 2014, 26, 5571–5573. [Google Scholar]
- Wang, M.-H.; Ho, C.-Y. Application of extension theory to pd pattern recognition in high-voltage current transformers. IEEE Trans. Power Del. 2005, 20, 1939–1946. [Google Scholar] [CrossRef]
- Mang-Hui, W. Extension neural network-type 2 and its applications. IEEE Trans. Neural Netw. 2005, 16, 1352–1361. [Google Scholar]














| Sampling Frequency (Hz) | Motor Load (HP) | Fault Single Point Diameter (inches) | Fault Single Point Depth (inches) | Fault Condition |
|---|---|---|---|---|
| 12 k 48 k | 0 1 2 3 | 0.007 0.014 0.021 | 0.011 | Normal ball bearing fault inner ring fault outer ring fault |
| Notation | Definition | Notation | Definition |
|---|---|---|---|
| X | The system states of the master system | Г( ) | Gamma function |
| Y | The system states of the slave system | a’, b’, c’ | System parameters of fractional–order system |
| f | Non-linear function | Фi | Dynamic error equation |
| U | Control input | g, h | The upper and lower limits of the classical domain |
| A | System parameter vector | r, s | The upper and lower limits of the joint domain |
| a, b, c | System parameters of the Chen-Lee Chaos System | О | The name of a matter-element |
| e | System error state vector | ε | The characteristics of the matter-element |
| D | Differential operator | μ | The values corresponding to the characteristics |
| α | The value of differential order | Ω | The universe of discourse |
© 2018 by the authors. Licensee MDPI, Basel, Switzerland. This article is an open access article distributed under the terms and conditions of the Creative Commons Attribution (CC BY) license (http://creativecommons.org/licenses/by/4.0/).
Share and Cite
Tian, A.-H.; Fu, C.-B.; Li, Y.-C.; Yau, H.-T. Intelligent Ball Bearing Fault Diagnosis Using Fractional Lorenz Chaos Extension Detection. Sensors 2018, 18, 3069. https://doi.org/10.3390/s18093069
Tian A-H, Fu C-B, Li Y-C, Yau H-T. Intelligent Ball Bearing Fault Diagnosis Using Fractional Lorenz Chaos Extension Detection. Sensors. 2018; 18(9):3069. https://doi.org/10.3390/s18093069
Chicago/Turabian StyleTian, An-Hong, Cheng-Biao Fu, Yu-Chung Li, and Her-Terng Yau. 2018. "Intelligent Ball Bearing Fault Diagnosis Using Fractional Lorenz Chaos Extension Detection" Sensors 18, no. 9: 3069. https://doi.org/10.3390/s18093069
APA StyleTian, A.-H., Fu, C.-B., Li, Y.-C., & Yau, H.-T. (2018). Intelligent Ball Bearing Fault Diagnosis Using Fractional Lorenz Chaos Extension Detection. Sensors, 18(9), 3069. https://doi.org/10.3390/s18093069

