Novel Configurations of Ultrahigh Frequency (≤600 MHz) Analog Frontend for High Resolution Ultrasound Measurement
Abstract
1. Introduction
2. Materials and Methods
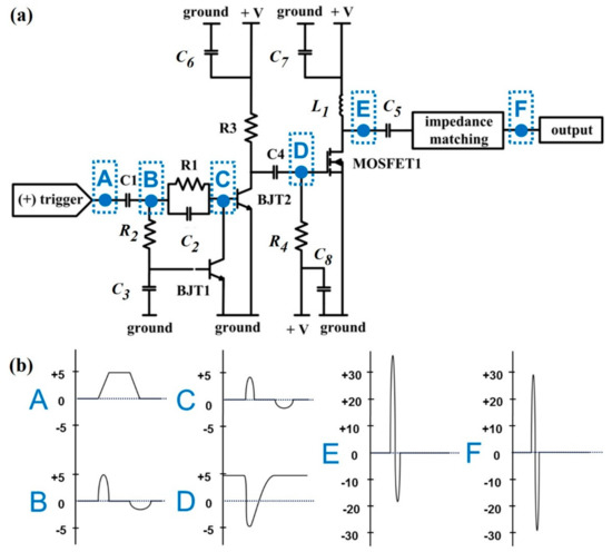
2.1. Design and Development of the Monocycle Pulse Generator
2.2. Design and Development of 4-Bit Pseudo Golay Coded Excitation Generator
2.3. Experimental Setup for Performance Evaluation
3. Results
3.1. Performance Measurements of the Developed Pulse Generator
3.2. Performance Evaluation of 4 Bit Golay Code in Wire Target Study
4. Discussions
5. Conclusions
Author Contributions
Funding
Conflicts of Interest
References
- Liang, H.D.; Blomley, M.J. The role of ultrasound in molecular imaging. Br. J. Radiol. 2003, 76, 140–150. [Google Scholar] [CrossRef] [PubMed]
- Shung, K.K. High frequency ultrasonic imaging. J. Med. Ultrasound 2009, 17, 25–30. [Google Scholar] [CrossRef]
- Lockwood, G.R.; Turnbull, D.H.; Christopher, D.A.; Foster, F.S. Beyond 30 MHz: Applications of high frequency ultrasonic imaging. IEEE Eng. Med. Biol. Mag. 1996, 15, 60–71. [Google Scholar] [CrossRef]
- Foster, F.S.; Pavlin, C.J.; Harasiewicz, K.A.; Christopher, D.A.; Turnbull, D.H. Advances in ultrasound biomicroscopy. Ultrasound Med. Biol. 2000, 26, 1–27. [Google Scholar] [CrossRef]
- Lee, J.; Moon, J.Y.; Chang, J.H. A 35 MHz/105 MHz dual-element focused transducer for intravascular ultrasound tissue imagingu the third harmonic. Sensors 2018, 18, 2290. [Google Scholar] [CrossRef] [PubMed]
- Yoon, S.; Kim, M.G.; Williams, J.A.; Yoon, C.; Kang, B.J.; Cabrera-Munoz, N.; Shung, K.K.; Kim, H.H. Dual element needle transducer for intravascular ultrasound imaging. J. Med. Imaging 2015, 2, 027001. [Google Scholar] [CrossRef] [PubMed]
- Knspik, D.A.; Starkoski, B.; Pavlin, C.J.; Foster, F.S. A 100–200 MHz ultrasound biomicroscope. IEEE Trans. Ultrason. Ferroelectr. Freq. Control 2000, 47, 1540–1549. [Google Scholar] [CrossRef] [PubMed]
- Silverman, R.H.; Lizzi, F.L.; Ursea, B.G.; Cozzarelli, L.; Ketterling, J.A.; Deng, C.X.; Folberg, R.; Colemen, D.J. Safety levels for exposure of cornea and lens to very high-frequency ultrasound. J. Ultrasound Med. 2001, 20, 979–986. [Google Scholar] [CrossRef] [PubMed]
- Park, J.; Lee, J.; Lau, S.T.; Lee, C.; Huang, Y.; Lien, C.-L.; Shung, K.K. Acoustic Radiation Force Impulse (ARFI) Imaging of Zebrafish Embryo by High-Frequency Coded Excitation Sequence. Ann. Biomed. Eng. 2012, 40, 907–915. [Google Scholar] [CrossRef] [PubMed]
- Hwang, J.Y.; Lee, C.; Lam, K.H.; Kim, H.H.; Lee, J.; Shung, K.K. Cell membrane deformation induced by a fibronectin-coated polystyrene microbead in a 200-MHz acoustic trap. IEEE Trans. Ultrason. Ferroelectr. Freq. Control 2014, 61, 399–406. [Google Scholar] [CrossRef] [PubMed]
- Yoon, S.; Kim, M.G.; Chiu, C.T.; Hwang, J.Y.; Kim, H.H.; Wang, Y.; Shung, K.K. Direct and sustained intracellular delivery of exogenous molecules using acoustic-transfection with high frequency ultrasound. Sci. Rep. 2016, 6, 20477. [Google Scholar] [CrossRef] [PubMed]
- Kim, M.G.; Park, J.; Lim, H.G.; Yoon, S.; Lee, C.; Chang, J.H.; Shung, K.K. Label-free analysis of the characteristics of a single cell trapped by acoustic tweezers. Sci. Rep. 2017, 7, 14092. [Google Scholar] [CrossRef] [PubMed]
- Kim, M.G.; Yoon, S.; Kim, H.H.; Shung, K.K. Impedance matching network for high frequency ultrasonic transducer for cellular applications. Ultrasonics 2016, 65, 258–267. [Google Scholar] [CrossRef] [PubMed]
- Misaridis, T.X.; Pedersen, M.H.; Jensen, J.A. Clinical use and evaluation of coded excitation in B-mode images. In Proceedings of the 2000 IEEE International Ultrasonics Symposium, San Juan, Puerto Rico, 22–24 October 2000; pp. 1689–1693. [Google Scholar]
- Chiao, R.Y.; Hao, X. Coded excitation for diagnostic ultrasound: A system developer’s perspective. IEEE Trans. Ultrason. Ferroelectr. Freq. Control 2005, 52, 160–170. [Google Scholar] [CrossRef] [PubMed]
- Oelze, M.L. Bandwidth and resolution enhancement through pulse compression. IEEE Trans. Ultrason. Ferroelectr. Freq. Control 2007, 54, 768–781. [Google Scholar] [CrossRef] [PubMed]
- O’Donnell, M. Coded excitation system for improving the penetration of real-time phased-array imaging systems. IEEE Trans. Ultrason. Ferroelectr. Freq. Control 1992, 39, 341–351. [Google Scholar] [CrossRef] [PubMed]
- Hu, C.H.; Liu, R.; Zhou, Q.; Yen, J.; Shung, K.K. Coded excitation using biphase-coded pulse with mismatched filters for high frequency ultrasound imaging. Ultrasonics 2006, 44, 330–336. [Google Scholar] [CrossRef] [PubMed]
- Kim, M.G.; Choi, H.; Kim, H.H.; Shung, K.K. Bipolar pulse generator for very high frequency (>100 MHz) ultrasound applications. In Proceedings of the 2013 IEEE International Ultrasonics Symposium, Prague, Czech Republic, 21–25 July 2013; pp. 1567–1570. [Google Scholar]
- Oldham, K.B. The RC time “constant” at a disk electrode. Electrochem. Commun. 2004, 6, 210–214. [Google Scholar] [CrossRef]
- Sung, K.; Won, T. Design of a 100 V high-side n-channel LDMOS transistor for breakdown voltage Enhancement. J. Korean Phys. Soc. 2011, 59, 412–415. [Google Scholar] [CrossRef]
- Cannata, J.M.; Ritter, T.A.; Chen, W.H.; Silverman, R.H.; Shung, K.K. Design of efficient, broadband single-element (20–80 MHz) ultrasonic transducers for medical imaging applications. IEEE Trans. Ultrason. Ferroelectr. Freq. Control 2003, 50, 1548–1557. [Google Scholar] [CrossRef] [PubMed]
- Lam, K.H.; Ji, H.F.; Zheng, F.; Ren, W.; Zhou, Q.; Shung, K.K. Development of lead-free single-element ultrahigh frequency (170–320 MHz) ultrasonic transducers. Ultrasonics 2013, 53, 1033–1038. [Google Scholar] [CrossRef] [PubMed]






| Proposed Pulser/Receiver | Commercial Pulser/Receiver (Panametrics 5900PR) | |
|---|---|---|
| Transmitter voltage | 20 Vpp~70 Vpp | 1 µJ (~100 Vpp) |
| Number of transmitter channel | 1~4 | 1 |
| Implementation of coded excitation | O | X |
| Maximum bandwidth | 600 MHz | 200 MHz |
| Maximum pulse repetition frequency (PRF) | 1 MHz | 20 kHz |
| Maximum receiver gain (Receiver gain used for experiments) | 60 dB (19.5 dB) | 54 dB (20 dB) |
© 2018 by the authors. Licensee MDPI, Basel, Switzerland. This article is an open access article distributed under the terms and conditions of the Creative Commons Attribution (CC BY) license (http://creativecommons.org/licenses/by/4.0/).
Share and Cite
Kim, M.G.; Park, J.; Zhou, Q.; Shung, K.K. Novel Configurations of Ultrahigh Frequency (≤600 MHz) Analog Frontend for High Resolution Ultrasound Measurement. Sensors 2018, 18, 2598. https://doi.org/10.3390/s18082598
Kim MG, Park J, Zhou Q, Shung KK. Novel Configurations of Ultrahigh Frequency (≤600 MHz) Analog Frontend for High Resolution Ultrasound Measurement. Sensors. 2018; 18(8):2598. https://doi.org/10.3390/s18082598
Chicago/Turabian StyleKim, Min Gon, Jinhyoung Park, Qifa Zhou, and Koping Kirk Shung. 2018. "Novel Configurations of Ultrahigh Frequency (≤600 MHz) Analog Frontend for High Resolution Ultrasound Measurement" Sensors 18, no. 8: 2598. https://doi.org/10.3390/s18082598
APA StyleKim, M. G., Park, J., Zhou, Q., & Shung, K. K. (2018). Novel Configurations of Ultrahigh Frequency (≤600 MHz) Analog Frontend for High Resolution Ultrasound Measurement. Sensors, 18(8), 2598. https://doi.org/10.3390/s18082598
