A Silicon-on-Insulator-Based Dual-Gain Charge-Sensitive Pixel Detector for Low-Noise X-ray Imaging for Future Astronomical Satellite Missions
Abstract
:1. Introduction
2. SOIPIX-PDD
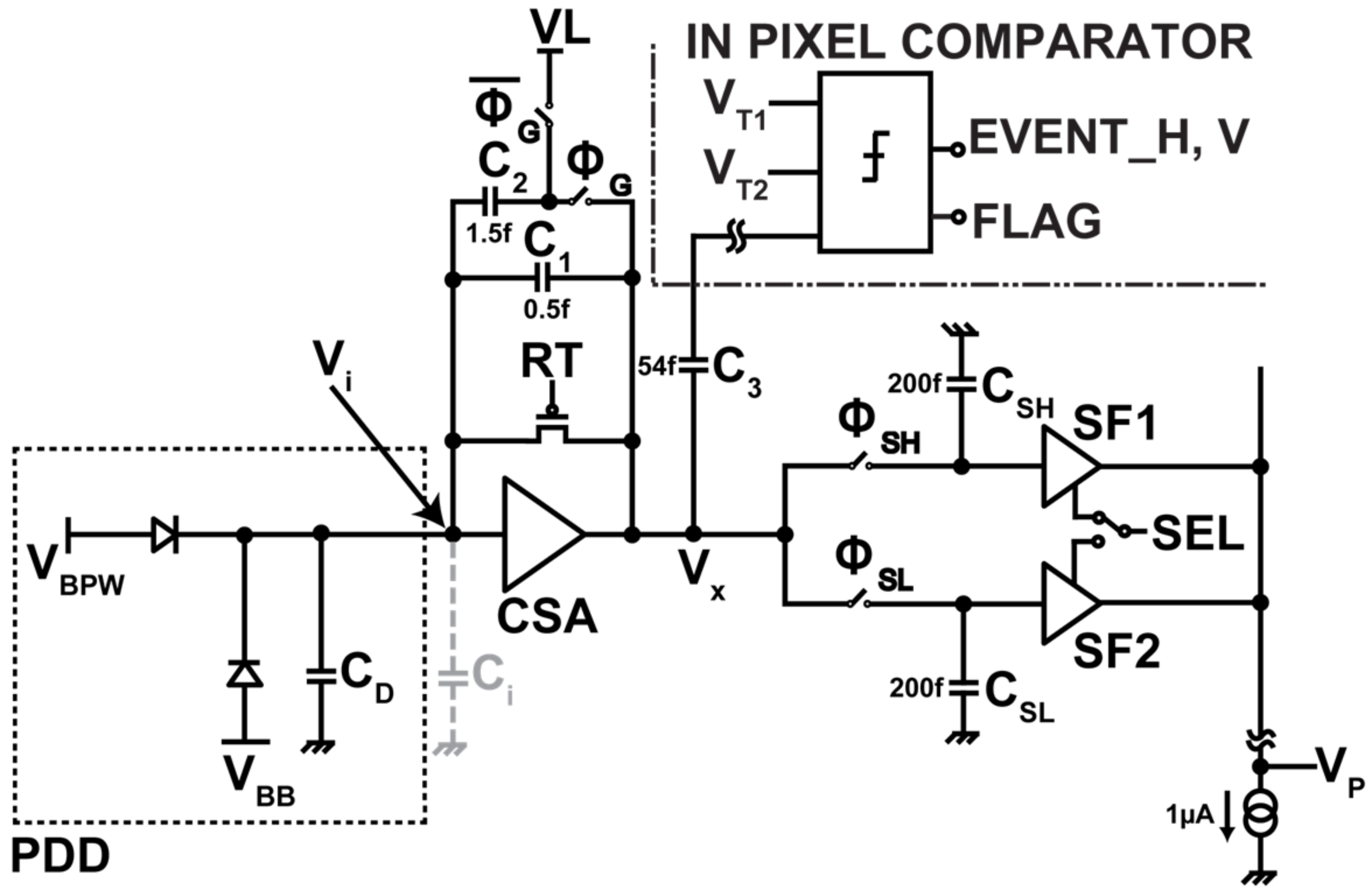
3. Dual-Gain Pixel with a Charge Sensitive Amplifier
4. Low-Noise Design and System-Noise Reduction
5. Results and Discussion
5.1. Linearity and Conversion Gain
5.2. Dark Current Measurement
5.3. X-ray Spectroscopic Performance
5.4. Noise Analysis
6. Conclusions
Author Contributions
Funding
Acknowledgments
Conflicts of Interest
References
- Gaskin, A.J.; Harrison, A.F. The X-ray surveyor mission: A concept study. In Proceedings of the SPIE 9601, UV, X-ray, and Gamma-Ray Space Instrumentation for Astronomy XIX, San Diego, CA, USA, 24 August 2015. [Google Scholar]
- Lumb, D.H.; Berthiaume, G.D.; Burrows, D.N.; Garmire, G.P.; Nousek, J.A. Charge coupled devices (CCDs) in X-ray astronomy. Exp. Astron. 1991, 2, 1572–9508. [Google Scholar] [CrossRef]
- National Aeronautics and Space Administration. Goddard Space Flight Center: X-ray Detectors Electrical Current Detections. 2013. Available online: https://imagine.gsfc.nasa.gov/science/toolbox/xray_detectors_electric.html (accessed on 14 November 2017).
- Murray, S.; Bautz, M.; Burrows, D.; Falcone, A.; Kenter, A.; Kraft, R. Active Pixel X-ray Sensor Technology Development for SMART-X Focal Plane. Active Pixel X-ray Sensors. 2011. Available online: https://beyondeinstein.nasa.gov/studies/rfi/Murray_Active_Pixel_Sensors.pdf (accessed on 2 February 2018).
- Hull, S.V.; Falcone, A.D.; Burrows, D.N.; Wages, M.; Chattopadhyay, T.; McQuaide, M.; Bray, E.; Kern, M. Recent X-ray hybrid CMOS detector developments and measurements. In Proceedings of the High Energy Astrophysical Phenomena (astro-ph.HE), San Diego, CA, USA, 6–10 August 2017. [Google Scholar]
- Prigozhin, G.; Suntharalingam, V.; Busacker, D.; Foster, R.F.; Kissel, S.; LaMarr, B.; Soares, A.M.; Villasenor, J.; Bautz, M. Characterization of three-dimensional-integrated active pixel sensor for X-ray detection. IEEE Trans. Electron Devices 2009, 56, 2602–2611. [Google Scholar] [CrossRef]
- Lutz, G. DEPFET development at the MPI semiconductor laboratory. Nuclear Instrum. Methods Phys. Res. A 2005, 549, 103–111. [Google Scholar] [CrossRef]
- Kenter, A.; Kraft, R.; Gauron, T.; Murray, S.S. Monolithic CMOS Imaging X-ray Spectrometers. In Proceedings of the High Energy, Optical and Infrared Detectors for Astronomy VI, Montréal, QC, Canada, 22–27 June 2014. [Google Scholar]
- Arai, Y.; Miyoshi, T.; Unno, Y.; Tsuboyama, T.; Terada, S.; Ikegami, Y.; Kohriki, T.; Tauchi, K.; Ikemoto, Y.; Ichimiy, R.; et al. Developments of SOI monolithic pixel detectors. Nuclear Instrum. Methods Phys. Res. A 2010, 623, 186–188. [Google Scholar] [CrossRef]
- Arai, Y.; Miyoshi, T.; Unno, Y.; Tsuboyama, T.; Terada, S.; Ikegami, Y.; Kohriki, T.; Tauchi, K.; Ikemoto, Y.; Ichimiy, R.; et al. Developments of SOI pixel process technology. Nuclear Instrum. Methods Phys. Res. A 2011, 636, S31–S36. [Google Scholar] [CrossRef]
- Nakashima, S.; GandoRyu, S.; Tsuru, T.G.; Taked, A.; Arai, Y.; Miyoshi, T.; Ichimiy, R.; Ikemoto, Y.; Imamura, T.; Ohmoto, T.; et al. Progress in development of monolithic active pixel detector for X-ray astronomy with SOI CMOS technology. Technol. Instrum. Part Phys. 2012, 37, 1373–1380. [Google Scholar] [CrossRef]
- Ryu, S.G.; Tsuru, T.G.; Nakashima, S.; Iwata, A. First performance evaluation of an X-ray SOI pixel sensor for imaging spectroscopy and intra-pixel trigger. IEEE Trans. Nuclear Sci. 2011, 58, 2528–2536. [Google Scholar] [CrossRef]
- Ryu, S.G.; Tsuru, T.; Prigozhin, G.Y.; Kissel, S.; Bautz, M.W.; LaMarr, B.; Nakashima, S.; Foster, R.F.; Takeda, A.; Arai, Y.; et al. Tests with Soft X-rays of an Improved Monolithic SOI Active Pixel Sensor. IEEE Trans. Nuclear Sci. 2013, 60, 465–469. [Google Scholar] [CrossRef]
- Matsumura, H.; Tsuru, T.G.; Tanaka, T.; Takeda, A.; Arai, Y.; Mori, K.; Nishioka, Y.; Takenaka, R.; Kohmura, T.; Nakashima, S.; et al. Improving charge-collection efficiency of SOI pixel sensors for X-ray astronomy. Nuclear Instrum. Methods Phys. Res. A 2015, 794, 255–259. [Google Scholar] [CrossRef]
- Tamasawa, K.; Kohmura, T.; Konno, T.; Tsuru, T.G.; Tanaka, T.; Takeda, A.; Matsumura, H.; Mori, K.; Nishioka, Y.; Takenaka, R. Study of the basic performance of the XRPIX for the future astronomical X-ray satellite. In Proceedings of the International Workshop on SOI Pixel Detectors (SOIPIX2015), Sendai, Miyagi, Japan, 3–6 June 2015. [Google Scholar]
- Takeda, A.; Tsuru, T.G.; Tanaka, T.; Uchida, H.; Matsumura, H.; Arai, Y.; Mori, K.; Nishioka, Y.; Takenaka, R.; Kohmura, T.; et al. Improvement of spectroscopic performance using a charge-sensitive amplifier circuit for an X-ray astronomical SOI pixel detector. J. Instrum. 2015, 10, C06005. [Google Scholar] [CrossRef]
- Kamehama, H.; Kawahito, S.; Shrestha, S.; Nakanishi, S.; Yasutomi, K.; Takeda, A.; Tsuru, T.G.; Arai, Y. A low-noise X-ray astronomical silicon-on-insulator pixel detector using a pinned depleted diode structure. Sensors 2018, 18, 27. [Google Scholar] [CrossRef] [PubMed]
- Kamehama, H.; Kawahito, S.; Shrestha, S.; Arai, Y. Fully depleted SOI pixel photo detectors with backgate surface potential pinning. In Proceedings of the International Image Sensor Workshop, Vaals, The Netherlands, 8–11 June 2015. [Google Scholar]
- Tsuru, T.G.; Matsumura, H.; Takeda, A.; Tanaka, T.; Nakashima, S.; Arai, Y.; Mori, K.; Takenaka, R.; Nishioka, Y.; Kohmura, T.; et al. Development and performance of kyoto’s X-ray astronomical SOI pixel (SOIPIX) sensor. In Proceedings of the SPIE, Instrumentation and Methods for Astrophysics, Montréal, QC, Canada, 22–27 June 2014. [Google Scholar]
- Shrestha, S.; Kamehama, H.; Yasutomi, K.; Kawahito, S. Event-Driven Dual-Gain Fully-Depleted SOI Based X-ray Detector for High Energy Particle Imaging. In Proceedings of the 2017 International Image Sensor Workshop (IISW), Hiroshima, Japan, 30 May–2 June 2017. [Google Scholar]
























| Parameter | Value | 
|---|---|
| Process technology | 0.2 μm FD-SOI CMOS | 
| Supply voltage | 3.3 V, 1.8 V (Analog), 1.8 V (Digital) | 
| BPW pinned voltage | −3.2 V | 
| Back-gate voltage | −60 V | 
| Chip size | 2.9 mm × 2.9 mm | 
| Pixel array | 16 × 16 (16 × 6 effective array) | 
| Pixel size | 40 μm × 40 μm | 
| Substrate thickness | 200 μm | 
| Substrate resistivity | >25 kΩcm | 
| Wafer type | Floating zone, p-type (fz-p) | 
| Conversion gain | 52 μV/e−, 187 μV/e− | 
| Dark current density | 44.8 pA/cm2 at −30 °C | 
| Noise a | 8.5 e− rms (High-gain), 11.7 e− rms (Low-gain) | 
| Energy resolution b | 241Am: 1.67% (234 eV FWHM) at 13.95 keV | 
| 55Fe: 2.89% (171 eV FWHM) at 5.9 keV | 
© 2018 by the authors. Licensee MDPI, Basel, Switzerland. This article is an open access article distributed under the terms and conditions of the Creative Commons Attribution (CC BY) license (http://creativecommons.org/licenses/by/4.0/).
Share and Cite
Shrestha, S.; Kawahito, S.; Kamehama, H.; Nakanishi, S.; Yasutomi, K.; Kagawa, K.; Teranishi, N.; Takeda, A.; Tsuru, T.G.; Kurachi, I.; et al. A Silicon-on-Insulator-Based Dual-Gain Charge-Sensitive Pixel Detector for Low-Noise X-ray Imaging for Future Astronomical Satellite Missions. Sensors 2018, 18, 1789. https://doi.org/10.3390/s18061789
Shrestha S, Kawahito S, Kamehama H, Nakanishi S, Yasutomi K, Kagawa K, Teranishi N, Takeda A, Tsuru TG, Kurachi I, et al. A Silicon-on-Insulator-Based Dual-Gain Charge-Sensitive Pixel Detector for Low-Noise X-ray Imaging for Future Astronomical Satellite Missions. Sensors. 2018; 18(6):1789. https://doi.org/10.3390/s18061789
Chicago/Turabian StyleShrestha, Sumeet, Shoji Kawahito, Hiroki Kamehama, Syunta Nakanishi, Keita Yasutomi, Keiichiro Kagawa, Nobukazu Teranishi, Ayaki Takeda, Takeshi Go Tsuru, Ikuo Kurachi, and et al. 2018. "A Silicon-on-Insulator-Based Dual-Gain Charge-Sensitive Pixel Detector for Low-Noise X-ray Imaging for Future Astronomical Satellite Missions" Sensors 18, no. 6: 1789. https://doi.org/10.3390/s18061789
APA StyleShrestha, S., Kawahito, S., Kamehama, H., Nakanishi, S., Yasutomi, K., Kagawa, K., Teranishi, N., Takeda, A., Tsuru, T. G., Kurachi, I., & Arai, Y. (2018). A Silicon-on-Insulator-Based Dual-Gain Charge-Sensitive Pixel Detector for Low-Noise X-ray Imaging for Future Astronomical Satellite Missions. Sensors, 18(6), 1789. https://doi.org/10.3390/s18061789
 
        

 
                         
       